Методические указания для курсового и дипломного проектирования по технологии машиностроения (986251), страница 6
Текст из файла (страница 6)
Последовательность смены схем установки заготовок в ходе МТП проиллюстрирована примерами: для деталей, изображенных на эскизах (заменяющих рабочие чертежи вследствие ограниченности объема указаний), показаны основные схемы установки заготовок в последовательности соответствующих МТП.
Внимание! На эскизах для упрощения не показаны выдерживаемые размеры, технологические атрибуты и т.д., поэтому они могут рассматриваться лишь как основа эскизов маршрутного описания технологических процессов. Приведенные схемы установки не являются единственно возможными.
Пример 1. Деталь – втулка (рис. 5). Тип производства: серийный. Материал: сталь 20. Заготовка: штамповка на горизонтально-ковочной машине.
Схемы установки втулки в МТП ее изготовления показаны на рис. 6. Комментарии к рис. 6:
а) на операциях 015, 020 может выполняться получистовая и чистовая обработка основных поверхностей втулки, схемы заготовки см. рис.6, а, б;
б) при выполнении операции 025 используется накладной кондуктор, который закрепляется вместе с заготовкой, устанавливаемой на стол станка (см. рис. 6, в), заготовка лишена 5 степеней свободы;
в) при фрезеровании лысок (см. рис. 6, г) заготовка лишена 6 степеней свободы, так как она обрабатывается в автоматическом цикле и должна быть жестко фиксирована в системе координат оборудования;
д) при окончательной обработке наружной цилиндрической поверхности и торца обеспечивают заданную точность взаимного расположения (см. рис. 6, д), заготовку устанавливают на жесткую консольную оправку.
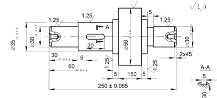
Пример 2. Деталь – вал (рис. 7.). Тип производства: серийный. Материал: сталь 40Х. Заготовка: горячая объемная штамповка в закрытых штампах.
Рис. 4 Пример выполнения эскизов маршрутного описания технологических процессов для соответствующих операций
Рис. 4 Продолжение
Рис.5 Эскиз втулки
Операция 005 Токарно-винторезная с ЧПУ Операция 010 Токарно-винторезная с ЧПУ
Оборудование: Токарно-винторезный Оборудование: Токарно-винторезный
станок мод. 16К30Ф3 станок мод.16К30Ф3
а
Операция 025 Радиально-сверлильная
Оборудование: Радиально-сверлильный
станок мод. 2М55
б
Рис.6 Схема установки втулки в МТП ее изготовления
Рис. 6 Схемы установки втулки в МТП ее изготовления (продолжение)
Рис. 7 Эскиз вала
Схемы установки вала в МТП его изготовления показаны на рис.8. Комментарии к рис.8:
а) постоянными базами, используемыми на большинстве операций изготовления вала являются центровые отверстия, обрабатываемые в операции 005 МТП на фрезерно-центровальном станке (рис. 8, а);
б) в операциях 010, 015 осуществляется основное формообразование поверхностей вала (рис. 8, б, в), заготовка при этом устанавливается в центрах (левый центр – плавающий; правый – вращающийся) и приводится в движение с помощью поводкового устройства;
в) получистовая, чистовая токарные, а также при необходимости, обработка круглым шлифованием на отделочном этапе МТП могут выполняться при установке заготовки по схемам, изображенным на рис. 8,б, в;
г) фрезерование шпоночного паза выполняют на этапе получистовой обработки при установке заготовки в призмы (рис. 8, г), в принципе, возможно использование и центровых отверстий, однако схема установки должна обеспечить допуск симметричности шпоночного паза относительно вертикальной оси вала и минимальную погрешность расположения паза вдоль горизонтальной оси.
Внимание! Если технические требования на изготовление вызовут необходимость в термической обработке, например, закалке вала, то после выполнения термической операции выполняют восстановление постоянных баз (центровых отверстий).
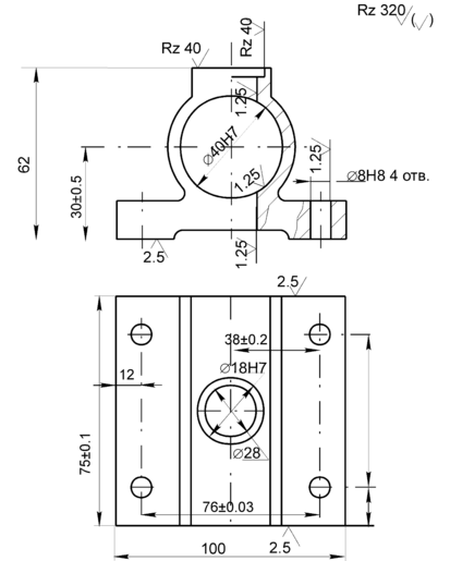
Пример 3. Деталь – корпус (рис. 9). Тип производства: серийный. Материал: серый чугун СЧ18. Заготовка: литье в песчаные формы.
Схемы установки корпуса в МТП его изготовления показаны на рис. 10:
а) постоянными базами при изготовлении корпуса могут быть выбраны 2 отверстия 8Н8 и перпендикулярная им плоскость, обрабатываемые за один установ в операции 005 (рис.10, а), при этом заготовка устанавливается в центровых стойках, монтируемых на
Рис. 8 Схемы установки вала в МТП его изготовления
Рис. 9 Эскиз корпуса
Рис. 10 Схемы установки корпуса в МТП его изготовления
столе станка, с базированием по отверстию одному из торцов и боковой грани основания (лишена 6 степеней свободы);
б) обработка остальных поверхностей корпуса проводится на станках с ЧПУ соответствующей компоновки, установка заготовок осуществляется на постоянные базы, обработанные в операции 005, установочные элементы приспособления – плоские опорные пластины, цилиндрический и срезанный (ромбический) палец (рис.10, б, в).
На основе МТП разрабатывается операционная технология изготовления детали: конкретизируется содержание операций, определяются промежуточные размеры и т.д. Может измениться и МТП. Целесообразно проводить документирование МТП в МК и КЭ после разработки и согласования операционной технологии. Пример оформления МК приведен в приложении.
Литература
1. Технология машиностроения: В 2 т., Т.1. Основы технологии машиностроения: Учебник для вузов/В. М. Бурцев, А. С. Васильев, А. М. Дальский и др.; Под ред. А. М. Дальского. – М.: Изд-во МГТУ им. Н.Э. Баумана, 1998. – 564с.
2. Технология машиностроения: В 2 т., Т.2. Производство машин: Учебник для вузов /В. М. Бурцев, А. С. Васильев, О. М. Деев и др.; Под ред. Г. Н. Мельникова. – М.: Изд-во МГТУ им. Н. Э. Баумана, 1998. – 640 с.
3. Порядок внедрения стандартов единой технологической документации. РДМТ 1.001-99: Методические указания для курсового и дипломного проектирования / В. П. Тихонов, А. Б. Истомин, Ю. А. Макаров и др. – М: Изд‑во МГТУ им. Н. Э. Баумана, 2000.–24с.
4. Справочник технолога-машиностроителя. В 2-х т. Т.1/Под ред. А. Г. Косиловой и Р. К. Мещерякова – 4-е изд., перераб. и доп. – М.: Машиностроение, 1985 .– 658 с.
5. Машиностроение. Энциклопедия / Ред. совет: К. В. Фролов (пред.) и др. – М.: Машиностроение. Технология изготовления деталей машин Т.III-3. /А. М. Дальский, А. Г. Суслов, Ю. Ф. Назаров и др.; Под общ. ред. А. Г. Суслова. – 2000. – 840с.
6. Качество машин: Справочник. В 2 т. Т.1 / А. Г. Суслов, Э. Д. Браун, Н. А. Виткявич и др. – М.: Машиностроение, 1995 .– 256с.
Оглавление
| Общая методика разработки маршрутных технологических процессов изготовления деталей | |
| Определение маршрутов обработки основных поверхностей заготовки | |
| Выбор технологических баз и схем установки | |
| Определение содержания и последовательности выполнения технологических операций | |
| Определение типов применяемого оборудования и оснастки | |
| Эскизирование маршрутных технологических процессов | |
| Литература | |
| Приложение. Пример оформления маршрутной карты (МК) |
















