Электротехника Лекции (968338), страница 7
Текст из файла (страница 7)
В комплексной форме уравнение (8) примет вид:
Здесь
- модуль комплексного сопротивления
- фаза комплексного сопротивления.
На комплексной плоскости сопротивления
- образуют треугольник сопротивления, рис. 2.10.
Если сопротивления умножить на
, получим диаграмму напряжений, рис. 2.9.
Сравнивания уравнения (8) и (9), отметим, что дифференциальные уравнения (8) после замены мгновенных значений их комплексными символами переводится в уравнение алгебраическое (9). Это одно из преимуществ комплексного метода расчета.
Введение понятия комплексного сопротивления, позволяет написать закон Ома для всей цепи в комплексной форме
или для модулей комплексов
Таким образом, для целей переменного тока можно составлять уравнения, по структуре сходной с уравнениями для цепей постоянного тока.
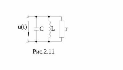
2.9 Параллельные соединения элементов r, L, C.
Для схемы рис. 2.11. составим уравнение по первому закону Кирхгофа для мгновенных значений:
(11)
Здесь
Единица измерения проводимостей - сименс (Сим).
Векторная диаграмма токов приведена на рис. 2.12.
Уравнение (11) в комплексной форме:
Здесь
- комплексная проводимость или комплекс проводимости,
- модуль комплекса проводимости
- фаза комплекса проводимости.
Проводимости
образуют треугольник проводимости, рис. 2.13.
Комплексная векторная диаграмма токов для уравнения (12) приведена на рис. 2.14.
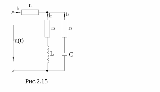
Пример 1.
Для схемы, приведенной на рис. 2.15.
L=6,37 мГн, С=796 мкФ, f=50 Гц,
Определить токи.
Решение.
Воспользуемся комплексным методом расчета. Запишем комплексы сопротивлений для каждой ветви:
Входное сопротивление цепи:
Мгновенные значения токов запишем в виде:
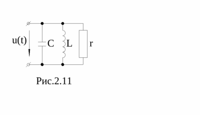
Пример 2.
Для схемы рис. 2.11 определить сдвиг по фазе между входным током и напряжением, если
Ом,
Ом,
Ом.
Решение:
комплекс тока:
Фаза напряжения принята за ноль, а фаза тока получилась равной
. Сдвиг по фазе между током и напряжением
.
2.9.1. Мощность в цепи синусоидального тока. Комплексная мощность.
Пусть в цепи рис. 2.7 ток равен
.Мгновенное напряжение будет сдвинуто по отношению к току на угол
, отличный от 0 и
.Мгновенная мощность для этой цепи примет вид:
Выразим сопротивления r и
через модуль сопротивления Z :
Подставим (14) в (13), получим
Временные диаграммы i(t), u(t), p(t) приведены на рис. 2.16.
Мощность p(t) имеет постоянную составляющую, т.е. среднюю мощность, или активную мощность:
и переменную составляющую. Амплитуда переменной составляющей
называется полной мощностью, измеряется в вольт-амперах, (ВА).
Мощности P и S связаны по закону треугольника мощностей, рис 2.17.
Третья составляющая в этом треугольнике – мощность реактивная
.
Реактивная мощность измеряется в вольт-амперах реактивных,(
).Полезная мощность измеряется ваттметром.
Пример.
График мгновенной мощности p(t) приведен на рис. 2.19.
Максимальное и минимальное значения мощности соответственно равны 800 и 200 ВА. Определить полную активную и реактивную мощности цепи.
Решение:
Размах значений мощности 1000 ВА, амплитудное значение 500 ВА, это полная мощность S. Среднее значение мощности P=800-500=300 Вт. Реактивная мощность
.
Отношение активной мощности к полной (рис. 2.17) равное косинусу угла сдвига фаз между напряжением и током, называется коэффициентом мощности
Для лучшего соотношения между мощностью электрической машины и других приборов и их габаритными размерами коэффициент мощности стремятся сделать максимально возможным.
Высокий коэффициент мощности желателен для уменьшения потерь при передаче энергии по линиям.
Чтобы выразить мощность через комплексы токов и напряжений воспользуемся следующим соображением.
Активная мощность должна быть равна
, где
.
Отсюда следует, что при определении комплекса мощности фаза тока должна быть взята с обратным знаком, т.е. комплекс тока должен быть заменен на сопряженный.
Полная комплексная мощность
2.10. Законы Кирхгофа и уравнение энергетического баланса в комплексной форме.
Первый закон Кирхгофа:
Второй закон Кирхгофа:
Уравнение энергетического баланса:
2.11. Резонанс в цепях синусоидального тока.
Реактивные сопротивления и проводимость являются частотно-зависимыми величинами. Следовательно, при последовательном или параллельном соединении элементов L и C возможна на какой-то частоте полная компенсация реактивных сопротивлений или проводимостей. Режим, при котором наступает компенсация, называют резонансом. При резонансе входное сопротивление цепи становится активным, входное напряжение совпадает по фазе с входным током, а полная мощность будет активной. Угловая частота,
, при которой наступает резонанс, называется резонансной или собственной угловой частотой цепи. Различают две разновидности резонанса: резонанс напряжений и резонанс токов.
2.11.1. Резонанс напряжений.
Может возникнуть в цепи с последовательным соединением L и C, рис. 2.20а.
Для этой цепи запишем:
Условие резонанса:
Настройку цепи в резонанс, изменение параметров цепи при частотах , отличных от резонансной можно увидеть, если построить частотные характеристики сопротивлений, тока в цепи и напряжений на r, L, C.
На рис. 2.20б,в,г приведены частотные характеристики реактивных сопротивлений
и
, суммарного реактивного сопротивления
, модуля полного сопротивления
, модуля входного тока
, а также амплитудно-частотные характеристики напряжений:
По графику
определена резонансная частота
, по графику
можно увидеть, что сопротивление цепи при резонансе минимально и равно активному сопротивлению, по графику
- что ток в цепи при резонансе максимален. Графики
,
,
имеют ярко выраженный избирательный характер, т.е. имеют максимальные значения на резонансной частоте или вблизи нее. Можно также отметить, что напряжения
и
при резонансе могут превышать значение входного напряжения. Это хорошо иллюстрируется с помощью векторных диаграмм напряжения приведенных на рис. 2.20д,е,ж при частотах
,
и
.Обратите также внимание на значения угла
на этих частотах и сопоставьте эти значения с характером реактивных сопротивлений на соответствующих частотах. Так при частотах
, реактивное сопротивление носит емкостной характер и
и т.д.
2.11.2. Резонанс токов.
Возможен в цепях с параллельным соединением L и C элементов, рис. 2.21а.
Для этой цепи запишем уравнение по первому закону Кирхгофа:
Компенсация реактивных проводимостей и реактивных токов:
произойдет на резонансной частоте
Для анализа явления резонанса токов построим частотные характеристики реактивных проводимостей рис.2.21б, модуля полной проводимости
, рис.2.21в, модуля полного тока
, рис. 2.21г. Здесь отмечена резонансная частота, полная проводимость цепи при резонансе минимальна и полный ток минимален. Векторные диаграммы токов, построенные для частот
,
,
, рис. 2.21д,е,ж, позволяют убедиться, что токи в катушке и конденсаторе могут значительно превышать полный ток.
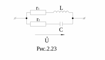
2.12. Резонанс напряжений и токов в разветвленных цепях.
Мы рассмотрели резонанс в последовательном и параллельном контурах с идеальными элементами L и C. Рассмотрим другие более сложные примеры. Для цепи рис. 2.22 запишем условие резонанса, определим резонансную частоту и ток в цепи.
Входные сопротивления цепи:
Выделим действительные и мнимые части сопротивлений:
Компенсация реактивных сопротивлений произойдет на частоте
:
Входное сопротивление при резонансе минимально и равно:
Входной ток при резонансе максимален и равен
Для цепи, приведенной на рис. 2.23, возможен резонанс токов. Запишем входную проводимость цепи
Выделим действительные и мнимые части проводимостей:
Условие резонанса:
Входной ток:
В разветвленных цепях с L и C возможны несколько резонансов. Так в цепи рис. 2.24 возможны и резонанс токов в ветвях L , C и резонанс напряжений для всей цепи.
Пример.
Цепь, рис 2.25 настроена в резонанс. Определить
и
, если задано:
Решение:
Входное сопротивление цепи равно:
Условие резонанса напряжений:
Решая квадратное уравнение относительно
, получим
Ток при резонансе равен:
Глава 3.
Трехфазные системы.
3.1 Общие положения.
Электроэнергию при переменном синусоидальном напряжении можно передавать как в однофазной системе, требующей двух проводов, так и в многофазных системах. По сравнению с однофазными они имеют ряд преимуществ, но более громоздкие.
Практическое распространение получила трёхфазная система переменного синусоидального напряжения. Трёхфазной системой называется совокупность электрических цепей, в ветвях которых действуют три одинаковых по амплитуде синусоидальных электродвижущих сил одинаковой частоты, с фазовыми углами одна относительно другой 120˚. Одной из э.д.с. присвоена литера A, следующей за ней по фазе - литера B и далее – литера С:
















