лаба№1 (955105), страница 2
Текст из файла (страница 2)
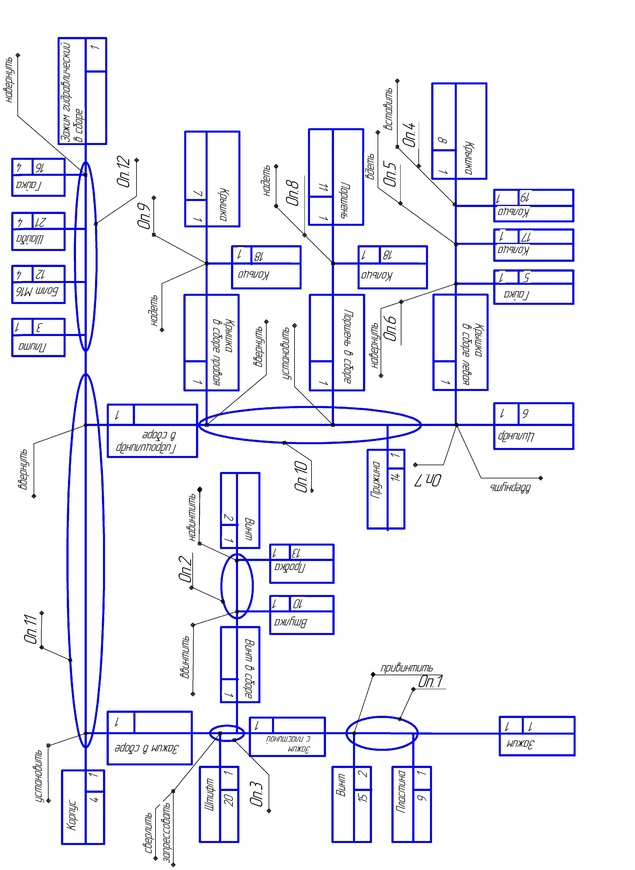
В результате выполнения операции 9 формируется сборочная единица «Крышка в сборе правая».
Рис. 4. Схема сборки изделия «Зажим гидравлический»
Операция 10 состоит из трех переходов: 1) Уложить Пружину (поз. 14) в углубление, имеющееся на Крышке (поз. 8); 2) Установить сборочную единицу «Поршень в сборе» в сборочную единицу «Крышка в сборе левая», вставить удлиненную ступень Поршня (поз. 11) в посадочное отверстие Гайки (поз. 5) с преодолением усилия сжатия Пружины (поз.14); 3) Ввернуть сборочную единицу «Крышка в сборе правая» в Цилиндр (поз. 6), преодолевая сопротивление Пружины (поз. 14) и обеспечив плавность хода поршня в цилиндре.
В результате выполнения операции 10 формируется сборочная единица «Гидроцилиндр в сборе».
Операция 11 состоит из двух переходов: 1) Установить сборочную единицу «Зажим в сборе» в Корпус (поз. 4) по посадке, с обеспечением плавности хода; 2) Ввернуть сборочную единицу «Гидроцилиндр в сборе» в Корпус (поз. 4) по его внутренней резьбе, одновременно наворачивая внутреннюю резьбу Поршня (поз. 11) на наружную резьбу Винта (поз. 2).
Для обеспечения возможности выполнения второго перехода этой операции, необходимо использовать специальный инструмент в форме отвертки, удерживая от проворота Поршень (поз. 11) через отверстие, имеющееся в Крышке (поз. 7).
В результате выполнения операции 11 оказывается собранной большая часть изделия – «Зажим гидравлический».
Операция 12, являющаяся заключительной, состоит из 4-х переходов: 1) Уложить собранную конструкцию на Плиту (поз. 3) с базированием выступа плиты по тому пазу Корпуса (поз. 4), который соответствует желаемому расположению сборочной единицы «Зажим в сборе» относительно стола станка; 2) Продеть четыре Болта М16 (поз. 12) через совмещенные отверстия Плиты (поз. 3) и Корпуса (поз. 4); 3) Надеть на четыре Болта
М16 (поз. 12) четыре Шайбы (поз. 21) по одной шайбе на каждый болт; 4) Навернуть четыре Гайки М16 (поз. 16) на четыре Болта М16 (поз. 12) с обеспечением целостности собранной конструкции – изделия «Зажим гидравлический».
ПОСТРОЕНИЕ ГРАФА КОНСТРУКЦИИ ИЗДЕЛИЯ
Граф (дерево) конструкции изделия представляет собой структуру конструктивного устройства изделия в соответствии с выбранным вариантом технологического процесса технологического процесса сборки. Дерево конструкции изделия отражает схему его сборочного состава.
Для изделия «Зажим гидравлический» (см. рис. 1), схема сборки которого приведена на рис. 4, получаем дерево конструкции, приведенное на рис. 5.
На самом верхнем (нулевом) уровне находится изделие «Зажим гидравлический».
Далее, на 1-м уровне находится сборочная единица «Зажим в сборе» (СЕ1) и «Гидроцилиндр в сборе» (СЕ4), а также детали: Плита (поз. 3), Болт (поз. 12), Шайба (поз. 21) и Гайка (поз. 16), которые не вошли в другие сборочные единицы. При этом нестандартизированным деталям, т. е. тем деталям, которые подлежат изготовлению, присвоены индексы (Плита - Д11; Болт – Д12).
На втором уровне находятся сборочные единицы: «Зажим с пластиной» (СЕ2); «Винт в сборе» (СЕ3); «Крышка в сборе» (СЕ5); «Поршень в сборе» (СЕ6) и «Крышка в сборе» (СЕ7), а также детали: Штифт (поз. 20), которая входит в состав СЕ1, и Пружина (поз. 14), входящая в состав СЕ 4. При этом детали Пружина (поз. 14) присвоен индекс
Д10. Из деталей и сборочных единиц, расположенных на 2-м уровне, собирают сборочные единицы, расположенные на 1-м уровне.
На третьем уровне в рассматриваемом примере находятся только детали. В общем случае здесь могут располагаться и сборочные единицы.
Из деталей, находящихся на 3-м уровне, собирают сборочные единицы второго уровня.
«Зажим с пластиной» (СЕ2) состоит из деталей: Зажим (поз. 1), Пластина (поз. 3) и Винт (поз. 15). Нестандартизированным деталям присвоены индексы: Д1 – Зажим; Д2 – Пластина.
«Винт в сборе» (СЕ3) состоит из деталей: Винт (поз. 2, индекс Д3), Пробка (поз. 13, индекс Д4) и втулка (поз. 10, индекс Д5).
«Крышка в сборе левая» (СЕ5) состоит из деталей: Крышка (поз. 8, индекс Д6), Кольцо (поз. 19, стандартизированная деталь), Кольцо (поз. 17, стандартизированная деталь) и Гайка (поз. 5, индекс Д7).
«Поршень в сборе» (СЕ6) состоит из деталей: Поршень (поз. 11, индекс Д8) и Кольцо (поз. 18, стандартизированная деталь).
«Крышка в сборе правая» (СЕ7) состоит из деталей: Крышка (поз. 7, индекс Д9) и Кольцо (поз. 18, стандартизированная деталь).
Таким образом, для изготовления изделия «Зажим гидравлический» необходимо изготовить детали с индексами Д1 – Д12, а также собрать сборочные единицы с индексами СЕ1 – СЕ7 и изделие в целом.
ЗАДАНИЕ ПО ЛАБОРАТОРНОЙ РАБОТЕ
Для предложенного варианта изделия:
-
Разработать схему сборки изделия;
-
Составить технологический процесс сборки изделия;
-
Построить дерево конструкции изделия.
Рис. 5. Дерево конструкции изделия «Зажим гидравлический»
















