Метрология (932019), страница 5
Текст из файла (страница 5)
3 Выбор системы определяется расположением поля допуска покупной детали.
Система односторонняя предельная.
Признак регламентирует расположения поля допуска основной детали. Одно отклонение размера всегда равно 0, а допуск направлен от номинала «в тело».
Принято по стандарту ISO.
Для отверстия поле допуска «+»
Для вала поле допуска «-» .
Принцип экономии металла, заключающийся в расположении поля допуска в сторону металла от номинального размера: поле допуска основного отверстия располагается вверх, а основного вала – вниз от нулевой линии. Экономия получается в результате того, что допустимые отклонения действительных размеров уменьшают массу основной детали. Такая система допусков называется односторонней предельной.
Признак. Единица допуска связывает точность с самим размером (устанавливают экспериментально). Оценка относительной точности одинаковых номинальных размеров не вызывает затруднений.
Например: размер 8 с Td=15 мкм точнее, чем с Td=40 мкм.
Иначе обстоит дело при разных номинальных размерах.
D=64 мм с Td=20 мкм точнее, чем D=8 мм с Td=15 мкм.
Чем больше размер – допуск больше, т.к. больше трудностей с изготовлением детали,
T=ai
i – единица допуска, является функцией номинального размера,
а – значение коэффициента точности наз. числом единиц допуска.
I=0,45 3 D +0,001D (для размеров 1 – 500)
D=Dmax Dmin
D – среднегеометрическое крайних размеров каждого интервала.
Признак. Квалитеты точности.
Квалитет – совокупность допусков, характеризуемых постоянной относительной точностью, определяемый коэффициентом а, для всех номинальных размеров данного диапазона.
Точность в пределах одного квалитета зависит только от номинального размера.
Установлено 20 квалитетов.
01, 0, 1, 2, 3, 4, 5-12 13-18
Возможно Измерительные Область Область
ожидать инструменты размеров, несопряга-
и точные приборы где применяются гаемых
посадки размеров
Квалитет определяет величину допуска на изготовление, а следовательно, и соответствующие методы и средства обработки деталей машин и контроля.
Обозначается IT с номером квалитета
IT – “Internal tolerance” (ICO)
Например: IT7;
(При переходе от одного квалитета к другому допуски возрастают на 60%, через каждые 5 квалитетов допуски возрастают в 10 раз).
Диапазоны размеров и градация интервалов.
Диапазон размеров
| 1 | Св 0,1 до 1 | В приборостроении, часовой промышленности |
| 2 | Св 1 до 500 | Общее машиностроение |
| 3 | Св 500 до 1650 | Тяжелое машиностроение |
| 4 | Св 1650 до 10000 | Тяжелое машиностроение |
| 5 | Св 10000 до 25000 | Тяжелое машиностроение |
| 6 | Св 25000 | При необходимости надо обосновать допуски |
Интервалы номинальных размеров.
Е
сли для каждого размера (через 1 мм) по формулам подсчитывать допуски для каждого квалитета, то полученные таблицы будут громоздкими, а разница между соседними допусками будет мала. Поэтому диапазон размеров до 10000 мм разбит на 26 интервалов, т.о. чтобы табличный допуск, подсчитанный по среднему размеру интервала D=D1D2 отличался от допусков для крайних размеров интервала D1 и D2 не более чем на 5…8%.
Если размер попал на границу интервала, то допуск берут в меньшем, т.е. предыдущем интервале.
Основные отклонения.
Def. Основное отклонение – это одно из двух отклонений (верхнее или нижнее) используемое для определения положения поля допуска относительно нулевой линии. Основное отклонение – ближайшее к нулевой линии.
Общие правила:
Основное отклонение отверстия равно по числовому значению основному отклонению вала с тем же обозначением (той же буквой), но с противоположным знаком.
EI=-es (A-H)
ES=-ei (K-Zc)
Исключение.
-
для отверстия J, K, H, N –с допуском 3…8 квалитетов.
-
Для отверстия P-Zc – с допуском 3…7 квалитетов.
Специальные правила – две соответствующие одна другой посадки в системе отверстия и в системе вала, в которых отверстие данного квалитета соединяется с валом ближайшего более точного квалитета должны иметь одинаковые размеры или натяги.
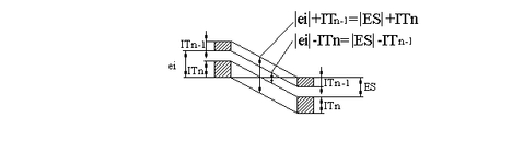
Основное отклонение должно быть:
ES=-ei+,
Где - разность между допуском IT и рассматриваемого квалитета и допуском ITn-1 ближайшего более точного квалитета.
= IT-ITn-1
Поле допусков. Поле допуска в системе СЕСО и СЭВ образуется сочетанием одного из основных отклонений с допуском по одному из квалитетов. В соответствии с этим поле допуска обозначается буквой основного отклонения (или в некоторых случаях двумя буквами) и номером квалитета, например,
Для вала – h7, d9.
Для - H7, D9.
Второе предельное отклонение, ограничивающее данное поле допуска, можно определить по основному отклонению и допуску принятого квалитета.
Если основное отклонение верхнее, то нижнее отклонение равно:
Для вала ei=es-IT
Для отверстия EI=ES-IT
Если основное отклонение нижнее, то верхнее отклонение равно:
Для вала – es=ei+IT
Для отверстия – ES=EI+IT
Поля допусков для посадок с зазором сосредоточены по IT4….IT12. Для неподвижных соединений в более точных – IT4…IT8.
Пример. Определить нижнее отклонение ei вала Ф15d11, если допуск IT11 равен 110 мкм.
Предпочтительные поля допусков.
Поля допусков могут быть образованы сочетанием любых основных отклонений с различными квалитетами.
С целью унификации изделий (сокращению излишнего многообразия) из всей совокупности полей допусков выделены поля допусков предпочтительного применения, которые необходимо использовать в первую очередь. Остальные поля допусков можно использовать в технически обоснованных случаях.
Для отверстий: E; F; H; Js; K; N; P
В основном предпочтительным считается седьмой квалитет для отверстия.
Для валов валов предпочтительным является шестой квалитет.
Обозначение допусков и посадок на чертежах.
Условное обозначение на рабочих чертежах указывают в случаях использования стандартного мерного и режущего инструмента (разверток, протяжек) и соответствующих предельных калибров.
В числовом выражении поля допусков преимущественно задают на рабочих чертежах деталей при использовании универсального измерительного инструмента – в единичном и мелкосерийном производстве, а также при наладке станков в массовом производстве.
Наиболее предпочтительной формой указания поля допусков является комбинированное. Для размеров сопрягаемых поверхностей конструктор может использовать любые основные отклонения от A(a) до Z(z).
Для несопрягаемых размеров конструктор использует только два основных отклонения «Н» - для охватывающих размеров, «h» - для охватываемых размеров, в тех случаях, когда размер трудно отнести к охватываемым или охватывающим, допуск назначают симметрично.
Допуски назначают по 12…17 квалитету.
Если размер можно охватить, например, штангенциркулем, то он называется охватываемым.
Обычно на чертеже рядом с номинальными эти поля допусков не указывают, а предельные отклонения несопрягаемых поверхностей указывают общей записью в техническом требовании на поле чертежа.
Неуказанные предельные отклонения обозначают следующим образом:
H14; h14; t2/2 или H14; h14; IT14/2.
Допуски для несопрягаемых поверхностей можно назначить и по классам точности (спец.), «неуказанных предельных отклонений».
Классы точности: Точный (t1)IT12
Средний (t2)IT14
Грубый (t3)IT16
Очень грубый (t4)IT17
Эти допуски получены грубым округлением допусков квалитетов.
В машиностроении рекомендуется для размеров металлических деталей, обрабатываемых резанием, 14 квалитет.
Другая запись:
+t2; -t2; t2/2.
Рекомендуется первая запись. Эту запись допускается дополнять поясняющими словами:
«Неуказанные предельные отклонения размеров:
H14; h14; t2/2»
Или
«Неуказанные предельные отклонения размеров:
отверстий по H14, валов по h14, остальных IT14/2.
Выбор посадок.
Переходные посадки относятся к неподвижным и применяются тогда, когда по эксплуатации изделий требуется больше одной переборки соединения. Неподвижность посадки достигается крепежными средствами в виде шпонок, штифтов, стопорных винтов.
Посадки с натягом предназначены для образования неподвижных соединений с высокой степенью центрирования. Относительная неподвижность деталей обеспечивается силами сцепления (трения), возникающими на контактирующих поверхностях в следствие их деформации. Посадку считают годной, если при наименьшем натяге гарантируется неподвижность соединений, а при наибольшем – прочность соединяемых деталей. При этих условиях соединение передает крутящий момент и осевую силу, а детали не разрушаются от внутреннего напряжения вызванных натягом.
NmaxFNmaxтабл
NminFNminтабл
Переходные посадки.
Используются в неподвижных разъемных соединениях для центрирования деталей, которые могут периодически передвигаться вдоль вала или быть смененными. Эти посадки малыми NuS, что позволяет собирать детали при небольших усилиях. Для гарантии неподвижности деталей дополнительно крепятся шпонками, стопорными винтами.
Легкость сборки и разборки соединений с переходными посадками, а также характер этих посадок определяется вероятностью получения в них S и N.
Рассмотрим методику определения вероятного числа соединений с натягами и зазорами в этих посадках (вероятность получения зазора и натяга).
Дано соединение Ф60H7/m6.
Натяг может быть в пределах от 0 до 30 мкм S от 0 до 19 мкм.
TNS=49 мкм.
Считаем, что рассеяние размеров отверстия и вала, а также N и S подчиняется закону нормального распределения и допуск деталей равен полю рассеяния, т.е.
Т=6
Учитывая это
отв=30/6=5 мкм; вала=19/6=3,17 мкм.
Среднее квадратическое отклонение
пос=2отв+2вала=52+3,172=5,926 мкм















