Курсовая (930713), страница 2
Текст из файла (страница 2)
(e [B], i [A], R [Ом], L [мГн], C [мкФ])
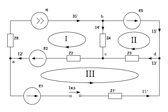
1.1. Определить все токи, показания вольтметра и амперметра электромагнитной системы.
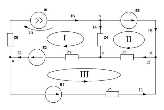
Решим задачу методом контурных токов. (Рис. 2.б)
Определим напряжение на источнике тока, используя ЗНК для первого контура:
Показания приборов:
1.2 Составим баланс мощностей:
1.3 Выберем в качестве первичной обмотки трансформатора – катушку индуктивности L1 и построим волновые диаграммы:
1.4 Нахождение
методом эквивалентного источника.
Найдем
и методом контурных токов, учитывая, что
:
1.5 Определим значения взаимных индуктивностей
и
, учитывая, что
,
:
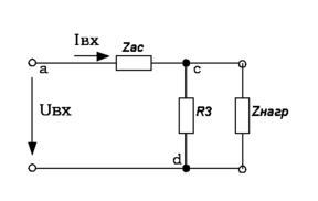
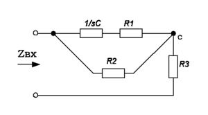
2. Расчет и анализ четырехполюсника
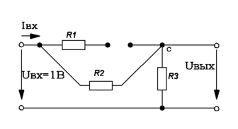
2.1 Рассчитать токи и напряжения методом входного сопротивления (или входной проводимости), построить векторную диаграмму токов и напряжений.
Найдем комплексное входное сопротивление схемы:
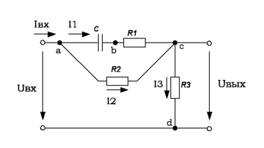
Для построения векторных диаграмм напряжений (Рис. 6а,б,в) рассчитаем напряжения на отдельных элементах схемы. Направления напряжений примем совпадающими с направлением токов в соответствующих элементах.
Рис. 6.б
|
Uвых Uвх UR2 | 2.2 Записать мгновенные значения u1 = u3= uвх, iвх и uвых определить сдвиг по фазе между выходным и входным напряжениями, а так же отношение их действующих значений. |
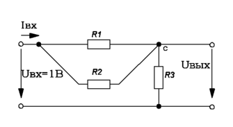
2.3 Определить коэффициенты четырехполюсника в форме матрицы А, характеристические параметры, их численные значения для частоты ω ИГК. По известным коэффициентам матрицы А и входному напряжению uвх определить входной ток iвх и выходное напряжение uвых в режиме холостого хода на частоте ИГК.
Определим коэффициенты четырехполюсника в форме матрицы А:
Рассмотрим наш четырехполюсник в виде комбинации продольного
и поперечного
звеньев, тогда матрица А находится по формуле:
Определение Uвых и Iвх по Uвх и параметрам А:
2.4 Определим, какое реактивное сопротивление нужно подключить к выходным зажимам четырехполюсника, чтобы входной ток и напряжение совпадали по фазе:
Чтобы
совпадал по фазе с
нужно потребовать, чтобы
Ток в режиме резонанса значительно возрос, а входное сопротивление упало, за счет потери реактивной части.
Определение добротности колебательного контура:
носит емкостной характер, а при
,
– индуктивный, тогда
2.5 Определение передаточной функции четырехполюсника:
Чтобы перейти к преобразованию Лапласа, выполним замену
:
2.6 Нахождение амплитудно- и фазочастоных характеристик:
|
|
| Рис. 8.а АЧХ |
|
|
| Рис. 8.б ФЧХ |
Найдем, при какой частоте
принимает максимальное значение. Для этого решим уравнение
. Решение уравнения
;
, что совпадает с результатом, полученным в пункте 3.
2.7 Годограф передаточной функции:
|
|
| Рис. 9 Годограф |
2.8 Определить и построить переходную и импульсную характеристики цепи для входного тока и выходного напряжения. Показать связь этих характеристик с передаточными функциями, АЧХ.
Определим переходную и импульсную характеристики классическим методом:
-
Определим зависимые начальные условия:
-
Найдем переходные характеристики:
При
– процессы в схеме будут апериодические и протекать по следующей общей формуле:
Подставив момент времени
, найдем коэффициенты
и
:
Покажем связь переходных характеристик и передаточной функции:
Передаточная функция для линейных цепей не зависит от вида входного воздействия, поэтому она может быть получена из переходной характеристики. Так, при действии на входе единичной ступенчатой функции 1(t) передаточная функция с учетом того, что
, равна
, где L – обозначение прямого преобразования Лапласа. Переходная характеристика может быть определена через передаточную функцию с помощью обратного преобразования Лапласа
, где
– обозначение обратного преобразования Лапласа.
Аналогично может быть получена и импульсная характеристика. Учитывая, что изображение
,
. Таким образом, импульсная характеристика цепи является оригиналом передаточной функции.
3. Расчет переходных процессов классическим методом
График зависимости входного напряжения от времени при переключении ключа КЛ представлен на рис. 11.
|
|
| Рис. 11 Входное напряжение в момент первой коммутации |
3.1. Рассчитать и построить графики изменения тока
и напряжения
четырехполюсника
Чтобы найти напряжение на конденсаторе в момент коммутации, используем ранее полученные вычисления:
Переместим начало координат в момент времени, когда
и
. Ему соответствует
, т.е.
.
Определим, как зависит
от
и
. По законам Кирхгофа имеем:
Как было показано ранее, все процессы в схеме будут апериодическими и протекать по следующей общей формуле:
Найдем
и
при
.
В, соответственно.
Определим вынужденную составляющую (схема для ее определения представлена ранее):
Определим константы А:
Найдем
по полученным данным для вспомогательных вычислений:
Найдем
. По закону напряжений Кирхгофа:
Найдем
и
при
.
В, соответственно. Перенесем для этого вычисления начало координат в точку
.
3.2 Расчет схемы в квазиустановившемся режиме методом припасовывания:
Проведем сшивку уравнений:
Чтобы найти выходное напряжение, воспользуемся формулой, полученной ранее:
4. Расчет установившихся значений напряжений и токов электрических цепях при несинусоидальном воздействии.
4.1 Разложим разнополярные импульсы на входе в ряд Фурье до 5-й гармоники.
Учитывая что это нечетная функция, получаем:
Переходя к комплексной форме, получим
Перейдем обратно во временную форму:
В развернутом виде уравнения
,
,
выглядят:
4.2 Построение графиков:
Рис. 14 Графики, иллюстрирующие частотный метод исследования реакции четырехполюсника на воздействие прямоугольными импульсами.
Колебания в графиках объясняются тем, что входной сигнал был разложен на малое количество членов ряда Фурье (Идеальное разложение прямоугольных импульсов содержит бесконечное число членов). Но в среднем, графики повторяют полученные в пункте 3.2.
4.3 Действующие значения:
Активная мощность:
Полная мощность:
















