лекция 3-8 (835967), страница 5
Текст из файла (страница 5)
Нормативы на уровне ПС-75 или УЗ и ЭУЗ -80 (а в некоторых случаях, допускаемых в СанПиН 2.2.4.3359-16, - 85 дБА) имеют ЦЕЛЬ - защитить человека от ПРОФЕССИОНАЛЬНОГО ЗАБОЛЕВАНИЯ (потери слуха). Более низкие ПС нацелены на снижение УТОМЛЯЮЩЕГО действия шума, снижающего РАБОТОСПОСОБНОСТЬ. Для тонального и импульсного шума ПДУ должны быть на 5 дБ МЕНЬШЕ. Для шума, создаваемого ВЕНТИЛЯТОРАМИ, КОНДИЦИОНЕРАМИ И ВОЗДУШНОГО ОТОПЛЕНИЯ ПДУ должны быть на 5 дБ МЕНЬШЕ. Для колеблющегося во времени и прерывистого шума МАКСИМАЛЬНЫЙ УРОВЕНЬ ЗВУКА не должен превышать 110 дБА, а для импульсного шума - 125 дБI. Запрещается даже кратковременное пребывание в зонах - с УЗД свыше 135 дБ в любой октаве. (Максимальное значение УЗД для ПС-80 октаве 31,5 Гц - 107 дБ.) В ГОСТ 12.1.003-83 для характеристики НЕПОСТОЯННОГО шума допускается использовать ДОЗУ шума Д, в Па2.ч. Доза шума - интегральная величина, учитывающая акустическую энергию, воздействующую на человека, за определенный период времени, и определяемая по формуле:
Т
Д = ∫ PА2 (t) dt
0
рА(t) - текущее значение уровня звука, Па;
Т - время действия шума, ч. Допустимая доза шума Ддоп за время рабочего дня (рабочей смены) Т р.д. определяется по формуле: Ддоп = р2Адоп . Т р.д., где рАдоп - допустимое значение звукового давления, соответствующее допустимому уровню звука,Па Допустимому уровню звука 80 дБА соответствует значение PАдоп = 0,2 Па. (В ГОСТ ошибочно указано PАдоп = 0,356 Па, что соответствует 85 дБ). При Тр.д = 8 ч Ддоп = 0,32 Па2.ч. (В ГОСТ ошибочно указано Ддоп = 1 Па2.ч, что соответствует 85 дБ).
Техническое нормирование шума машин и оборудования предусматривает установление ШУМОВЫХ ХАРАКТЕРИСТИК (ШХ) машин и оборудования в стандартах и технических условиях на них, для - получения объективной характеристики способности машин излучать (генерировать) шум в местах их установки (эксплуатации) независимо от акустических свойств производственных помещений; - использования их в качестве исходных параметров для расчета на стадии проектирования шумового воздействия на рабочих местах с учетом всех факторов, влияющих на передачу излучаймого шума от источника его возникновения к работающему человеку; - выбора и расчета методов и средств снижения шума на путях его распространения; - сравнения шумовой активности, а значит и безопасности различных машин, особенно одного типа и назначения. ШХ является ВАЖНЕЙШЕЙ технической характеристикой машин наряду с такими показателями, как мощность, производительность и т.п. и определяют их шумовую безопасность.
ШХ должна контролироваться при изготовлении машин, сдаче-приемке готовой продукции, а так же после ремонта.
Основными параметрами ШХ машин являются:
- спектральная характеристика в виде уровней звуковой МОЩНОСТИ (УЗМ) Lw в дБ в е 9 октавных полосах частот от 31,5 до 8000 Гц;
- интегральная одно числовая характеристика в виде корректированного уровня звуковой МОЩНОСТИ (КУЗМ) LwА в дБА. Звуковая мощность - это общее количество звуковой энергии, излучаемой источником шума в окружающее пространство в единицу времени. (ЗМ определяется потоком интенсивности звука I через замкнутую поверхность площадью S, окружающую источник звука). Уровень звуковой мощности определяется по формуле:
Lw = 10 lg (W/Wo), где Wo = Io. So = 10-12 Вт - мощность, переносимая звуковой волной интенсивностью Io = 10-12 Вт/м2 через единичную площадку So = 1 м2).
В самом общем виде УЗМ Lw (и КУЗМ LwА) связаны с УЗД L (и соответственно Уровнем Звука LА) соотношением:
Lw = L + 10 lg (S/Sо)
где S - площадь условной измерительной поверхности (сферы или полусферы), которая располагается на расстоянии 1 м от поверхности машины и на которой размещаются точки при измерении УЗД в октавных полосах частот,м2,
Sо= 1 м2.
Методы и средства ЗАЩИТЫ
Основные методы и средства защиты от шума установлены в ГОСТ
12.1.029-80 "ССБТ. Средства и методы защиты от шума. Классификация."
Наиболее правильным и ЭФФЕКТИВНЫМ - является снижение шума В ИСТОЧНИКЕ, что реализуется при конструировании машин и проектировании технологических процессов.
Здесь возможны два принципиальных направления:
* применение технологических процессов и оборудования, НЕ создающих
чрезмерного шума,
например: - электрофизические методы в металлообработке,
- создание неразъемных соединений сваркой, склеиванием, прессованием (вместо ударной клепки),
- автоматизация формовки и зачистки в литейном производстве (вместо ручной выбивки и обрубки),
- литье под давлением,
- тонкое литье вместо ковки,
- применение гидроприводов вместо пневматических и др. * создание малошумных конструкций традиционных машин и оборудования за счет снижения возникающих в них шумов механического, аэродинамического, гидравлического и электромагнитного происхождения.
Основные пути создания малошумных схем и принципов действия машин путем снижения шумов различного происхождения:
- в зубчатых передачах - снижение механического шума за счет использования неметаллических материалов (пластмасс, текстолита) для зубчатых колес;
- в вращающихся механизмах - снижение механического шума путем уменьшения неуравновешенности вращающихся роторов за счет балансировки вращающихся масс;
- в подшипниках качения - снижение механического шума за счет увеличения точности изготовления (идеальность геометрических форм, соосность посадочных мест), применение вибродемпфирующих вкладышей, выбор смазочных материалов (по густоте);
- в вентиляторах - кроме снижения механического шума, снижение аэродинамических шумов за счет увеличения диаметра колеса, снижения окружной скорости при сохранении производительности, рационального профилирования лопаток и т.п.;
- в насосах - кроме снижения механического и аэродинамического шума, снижение гидродинамических шумов за счет снижения кавитации путем увеличения зазоров между лопастями рабочего колеса и лопатками отводящих устройств, выбор оптимального профиля лопаток, благоприятного соотношения числа лопастей рабочего колеса и направляющего аппарата и др;
- в электрических машинах - кроме снижения механического и аэродинамического шума, снижение магнитных шумов, (возникающих в результате воздействия на статор и ротор переменных сил магнитной индукции в воздушном зазоре).
Для снижения аэродинамического шума машин, использующих атмосферный воздух в качестве рабочего тела, - вентиляторов, воздуходувок, газотурбинных и дизельных установок, пневматических машин в том числе ручных и т.п. - весьма ЭФФЕКТИВНО применение ГЛУШИТЕЛЕЙ.
Глушители делятся на:
- активные (абсорбционные, диссипативные) - основаны на превращении в звукопоглощающих элементах глушителя звуковой энергии набегающих волн в тепло;
- реактивные (отражающие, пассивные) - основаны на отражении внутри глушителя набегающих на него волн;
- комбинированные, использующие и отражение и поглощение.
Активные глушители содержат звукопоглощающий материал (ЗПМ), размещаемый на внутренних полостях глушителя.
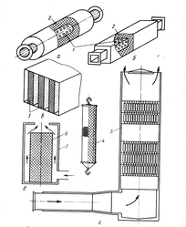
Следующие конструктивные схемы АКТИВНЫХ ГЛУЩИТЕЛЕЙ с ЗПМ:
- трубчатые, в виде внутренней перфорированной трубы, на которой расположен герметичный кожух круглого или квадратного поперечного сечения, заполнены ЗПМ;
- пластинчатые для каналов большого сечения, в виде пластин из ЗПМ, размещенных на небольшом расстоянии друг от друга в герметичном кожухе обычно прямоугольного сечения;
- сотовые, обеспечивающие повышенную эффективность при меньших габаритах, но имеющих достаточно высокое гидравлическое сопротивление и существенное снижение площади сечения проходного канала:
Глушители активного ( абсорбционного) типа:
а — трубчатый;- б — пластинчатый; в — сотовый; г — звукопоглощающая
облицовка поворота; д — глушитель с цилиндрическими элементами
Эффективность глушителей трубчатых и пластинчатых максимальна в октавах 500 и 1000 Гц, где может достигать 40 - 50 дБ (при размерах сечения 100 - 200 мм и длине до 2 м). - экранные на каналах выхода (или входа) воздуха в атмосферу или его забора, в виде насадок (экранов) на трубу (канал), облицованных ЗПМ и, как правило, ИЗМЕНЯЮЩИХ НАПРАВЛЕНИЕ звукового потока.
Эффективность экранных глушителей на высоких частотах может
достигать 10-25 дБ. Для уменьшения НИЗКЧАСТОТНОГО шума необходимые размеры ЗПМ становятся слишком большими и более эффективными становятся РЕАКТИВНЫЕ ГЛУШИТЕЛИ.
Реактивные глушители: а — камерный; б — резонансный; в четверть-волновой ; г - глушитель шума выпуска мотоциклетного двигателя.
Длина четверть волнового узкого отростка равна ¼ длины волны заглушаемого звука. Эти элементы соединятся между собой с помощью труб, щелей и отверстий. Их используют для снижения шума с резко выраженными дискретными составляющими и в узких частотных диапазонах.
Резонансный глушитель весьма эффективен для снижения шума выхлопа газов двигателей внутреннего сгорания. В нем поток газа через камеру НЕ протекает и КАМЕРА присоединяется к основному трубопроводу через одно или несколько отверстий (кольцевой) или трубок (с ответвлениями). Такой тип глушителя называют объемным резонатором или глушителем Гельмгольца.
Эффективность реактивных глушителей может достигать 20-30 дБ.
Для снижения шума НА ПУТИ ЕГО РАСПРОСТРАНЕНИЯ от источника возникновения к человеку широко используют принципы ЗВУКОИЗОЛЯЦИИ и ЗВУКОПОГЛОЩЕНИЯ.
Звукоизоляция - способность ограждающей конструкции ОТРАЖАТЬ большую часть падающей на нее звуковой мощности воздушного шума.
Характеризуется коэфициентом звукопроницаемости t, зависящим от частоты:
t = (Рпр / Рп)2 = Iпр / Iп, где Рп и Iп - соответственно звуковое давление и интенсивность
ПАДАЮЩЕЙ на ограждение звуковой волны,
Рпр и Iпр - соответственно звуковое давление и интенсивность
ПРОШЕДШЕЙ через ограждение звуковой волны.
Изоляция (звукоизоляция) ограждения R в дБ выражается величиной:
R = 10 lg (1/t).
Эффективность звукоизолирующего ограждения тем ВЫШЕ, чем ВЫШЕ МАССА его 1 м2.
Резко снижает звукоизоляцию ОТВЕРСТИЯ и ЩЕЛИ в ограждениях. Эффективность изоляции ограждающих конструкций весьма велика:
- кирпичная кладка (толщина 280 мм - 1 кирпич) - 46 дБА,
- железобетонная панель (толщина 100 мм) - 41 дБА,
- двойное окно со стеклопакетом - 30 дБА,
- одинарное окно (толщина стекла 4 мм) - 23 дБА,
- стандартноая дверь (толщиной 40 мм) - 21 дБА,
- изолирующие кожухи - 20-30 дБА,
















