RPZ (805237), страница 2
Текст из файла (страница 2)
C3, C4 – 47 мкФ;
Значение резисторов R5, R8 примем в 10 раз меньше — 1 кОм.
Проверка:
f = 1/T = 1/(ln2·R6C3 + ln2·R7C4) = 1/(2ln2·12·47·10-3) = 1.278 Гц.
Так как крайне проблематично найти резисторы номиналом 12 кОм, я использовал в схеме один подстроечный резистор номиналом 22 кОм. Переместив его ползунок в срединное состояние, и подключив к обоим плечам по резистору номиналом 1 кОм, я получу необходимое сопротивление.
Стробоскопический генератор для задания нужных интервалов между вспышками должен работать с частотой ~7.7 Гц. То есть время двойного периода будет приблизительно равно 130 мс. Как было сказано ранее, время вспышки должно быть равно ~65 мс. Для этого подойдет симметричная конфигурация из конденсатора и резистора номиналами 10 мкФ и 10 кОм соответственно:
T = ln2·R3C2 = ln2·10·10·10-3 = 138 мс.
Вывод: в данном разделе была рассмотрена электрическая принципиальная схема устройства, его основные принципы работы и произведены все необходимые расчеты для правильного функционирования схемы.
-
Выбор элементной базы
-
Основные технические характеристики светодиодов HL1, HL2
-
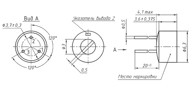
В качестве светодиодов для схемы «Стробоскоп» были выбраны импортные светодиоды фирмы "Betlux Electronics" (КНР) серии L344 — BL-L344UYC (желтый) и BL-L344UBC (синий).
Внешний вид и цоколевка светодиодов представлены на рис. 3.3.1.1.
Р
исунок 3.3.1.1 - Внешний вид и цоколевка светодиодов серии L344
Цилиндрические светодиоды серии L344 выполнены в круглом корпусе диаметром 3 мм с плоской линзой. Для удобства монтажа светодиода в нижней части корпуса имеется выступ (так называемая "юбка", с диаметром 3.8 мм). Для исключения ошибки подключения светодиода анод имеет более длинный вывод. Все светодиоды серии L344 имеют угол рассеивания 110 градусов и ток потребления 20 мА. Диапазон рабочих температур находится в пределах от -40 до +80 градусов.
Основные технические характеристики светодиодов серии L344:
-
Uoбp max - Максимальное постоянное обратное напряжение: 5 В;
-
Iпp max - Максимальный импульсный прямой ток: 150 мА;
-
Uпp - Постоянное прямое напряжение: 2.1 В (желтый), 3.8 В (синий) при Iпp 20 мА;
-
Длина волны: 590 нм — желтый, 470 нм — синий;
-
Видимый телесный угол: 100 градусов;
-
Pрас. - максимальная рассеиваемая мощность: 65 мВт (желтый), 120 мВт (синий).
-
Основные технические характеристики конденсаторов C1, C2, C3, C4
В качестве конденсаторов на каждом из генераторов используются алюминиевые электролитические конденсаторы с емкостью: C1, C2 – 10 мкФ, рабочим напряжением 16В; C3, C4 – 47 мкФ, рабочим напряжением 16В. Все конденсаторы выполнены в корпусе типа К50-35.
Внешний вид и цоколевка конденсаторов представлены на рис. 3.3.2.1.
Рисунок 3.3.2.1 - Внешний вид и цоколевка конденсаторов типа К50-35
Алюминиевые электролитические конденсаторы, благодаря электрохимическому принципу работы, обладают следующими преимуществами:
-
высокая удельная емкость, позволяющая изготавливать конденсаторы емкостью свыше 1Ф;
-
высокий максимально допустимый ток пульсации;
-
высокая надежность.
Основные технические характеристики конденсаторов C1, C2, C3, C4:
-
Номинальная емкость: C1, C2 – 10 мкФ, C3, C4 – 47 мкФ;
-
Точность: 20%
-
Максимальное рабочее напряжение: 16 В.
-
Основные технические характеристики резисторов R1 – R8
В качестве резисторов, применяемых в мультивибраторах (R1 — R8), были выбраны резисторы в корпусе С1-4 с сопротивлениями 1 и 10 кОм, мощностью 0.25 Вт.
Внешний вид и цоколевка резисторов представлены на рис. 3.3.3.1.
Рисунок 3.3.3.1 - Внешний вид и цоколевка резисторов С1-4
Резисторы с углеродным проводящим слоем предназначены для работы в цепях постоянного, переменного и импульсного тока.
Основные технические характеристики резисторов:
-
Номинальное сопротивление: R1-R8 — 1 кОм, R2, R3 – 10 кОм;
-
Точность: 5%
-
Номинальная мощность: 0.25 Вт.
-
Основные технические характеристики транзисторов VT1 – VT4
В качестве транзисторов для задающего генератора была пара транзисторов КТ315А (VT3, VT4.) Стробоскопического генератора — КТ361А (VT1, VT2).
Внешний вид и цоколевка комплиментарных транзисторов КТ315А и КТ361А представлены на рис. 3.3.4.1.
Рисунок 3.3.4.1 Внешний вид и цоколевка транзисторов КТ315А и КТ361А
Основные технические характеристики транзистора КТ361А:
-
Структура транзистора: КТ315А — NPN, КТ361А — PNP;
-
Рк т max - Постоянная рассеиваемая мощность коллектора с теплоотводом: 150 мВт;
-
Uкэr max - Максимальное напряжение коллектор-эмиттер при заданном токе коллектора и заданном сопротивлении в цепи база-эмиттер: 25 В (10 кОм);
-
Uэбо max - Максимальное напряжение эмиттер-база при заданном обратном токе эмиттера и разомкнутой цепи коллектора: 4 В;
-
Iк max - Максимально допустимый постоянный ток коллектора: 0.05 А;
-
Iкбо - Обратный ток коллектора: не более 0.001 мА (10В);
-
h21э - Статический коэффициент передачи тока транзистора для схем с общим эмиттером: более 90;
-
Ск - Емкость коллекторного перехода: не более 9 пФ.
-
Основные технические характеристики подстроечного резистора RP1
Внешний вид и цоколевка подстроечного резистора RP1 в корпусе СП3-19А представлены на рис. 3.3.5.1.
Рисунок 3.3.5.1 Внешний вид и цоколевка подстроечного резистора СП3-19А
Основные технические характеристики подстроечного резистора СП3-19А:
-
Диапазон сопротивлений: 2 — 22·103 Ом;
-
Минимальный скачок: ≤10%;
-
Предельное рабочее напряжение: 150В;
-
Угол поворота подвижной системы: 265°;
-
Минимальная наработка: 15000 ч;
-
Номинальная мощность при температуре до 70°C: 0.5 Вт.
Вывод: В данном разделе была рассмотрена элементная база устройства, а также технические характеристики каждого элемента.
3.4 Моделирование и проведение экспериментов в среде «NI Multisim 14.1 »
Моделирование работы устройства было проведено в программном пакете «NI Multisim 14.1».
Рабочее поле программы с моделью стробоскопа представлено на рис. 3.4.1.
Рисунок 3.4.1 Модель устройства в среде «NI Multisim 14.1»
-
Сигнал с задающего генератора представлен на рис. 3.4.2
Рисунок 3.4.2 Сигнал с задающего генератора
-
Сигнал со стробоскопического генератора представлен на рис. 3.4.3
Рисунок 3.4.3 Сигнал со стробоскопического генератора
-
Сигнал, снимаемый с анода светодиодов представлен на рисунке 3.4.4
Рисунок 3.4.4 Сигнал на аноде светодиода
Вывод: в данном разделе проведено моделирование и получены теоретические данные схемы.
3.5 Разработка топологии печатной платы
В качестве среды разработки была выбрана программа для трассировки печатных плат «Altium Designer 18», результат работы представлен на рисунке 3.5.1.
Рисунок 3.5.1 Трассировка ПП в программе «Altium Designer 18»
После была разработана топология печатной платы. На рисунке 3.5.2 представлена часть чертежа ПП.
Рисунок 3.5.2 Часть чертежа ПП
Разработанная печатная плата представляет собой одностороннюю печатную плату с КМО.
Ширина сигнальных проводников 1 мм. Шаг сетки 0.5 мм.
Материал ПП – СФ-1-18Г-1.5 ГОСТ 10316-78.
Плата была изготовлена химическим методом.
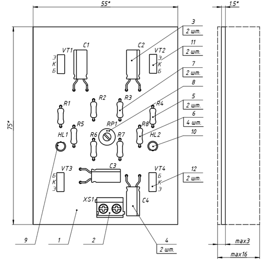
Габаритные размеры платы 75 х 55 мм.
В плате всего 45 отверстий. Из них: монтажных диаметром 1 мм – 45 отв. Минимальное расстояние между печатными проводниками составляет 0.5 мм. Плата соответствует 2 классу точности ГОСТ Р 53429-2009.
3.6 Изготовление печатной платы
Для изготовления ПП был выбран химический метод изготовления.
Этапы изготовления:
-
Выбор и подготовка стеклотекстолита к выполнению работы, химико-механическая обработка поверхности материала;
-
Подготовить фотошаблон проводящего рисунка ПП, нанести фоторезист на подготовленный стеклотекстолит; проламинировать заготовку;
-
Совместить фотошаблон с заготовкой ПП, засветить в течение 20 секунд под ультрафиолетом ;
-
Удалить защитную пленку с фоторезиста и опустить заготовку в ванну для проявления проводящего рисунка;
-
Подготовить раствор для травления заготовки. Травить до удаления меди с незащищенных участков заготовки;
-
Промыть ПП, удалить фоторезист, повторно промыть плату и просушить;
-
Сверление отверстий согласно заданным размерам контактных площадок, указанных при выполнении трассировки ПП;
-
Финальная обработка ПП: лужение дорожек.
На основе топологии печатной платы был разработан сборочный чертёж печатной платы. На нём указана информация, необходимая для сборки платы. На рисунке 3.6.6 представлена часть сборочного чертежа.
Рисунок 3.6.6 Часть сборочного чертежа ПП
-
Произвести пайку компонентов согласно установленным посадочным местам.
Вывод: в данном разделе была изготовлена печатная плата химическим методом, произведена пайка компонентов, а также описаны этапы получения.
3.7 Структурная схема измерительного стенда
Была разработана структурная схема стенда согласно ГОСТ 2.701-84. В качестве среды разработки была выбрана программа для черчения электронных схем «sPlan 7.0».
Рисунок 3.7.1 Схема электрическая структурная измерительного стенда
Для сравнения модели и эксперимента были сняты показания на измерительном стенде. Структурная схема стенда представлена на рисунке 3.7.1. Внешний вид источника питания и осциллографа представлены на рисунках 3.7.2 а) и 3.7.2 б) соответственно.
Рисунок 3.7.2 Внешний вид: а) источника питания; б) осциллографа
3.8 Снятие экспериментальных данных на измерительном стенде
-
Сигнал с задающего генератора представлен на рис. 3.8.1
Рисунок 3.8.1 Сигнал с задающего генератора
-
Сигнал со стробоскопического генератора представлен на рис. 3.8.2
Рисунок 3.8.2 Сигнал со стробоскопического генератора
-
Сигнал, снимаемый с анода светодиодов представлен на рисунке 3.4.4
Рисунок 3.4.4 Сигнал на аноде светодиода















