RPZ (805237)
Текст из файла
АННОТАЦИЯ
В рамках данной работы был разработан комплект конструкторской документации на схему «Стробоскоп». Описаны принципы работы устройства. Спроектирована топология печатной платы и сборочный чертеж устройства. Проведено моделирование выполнения алгоритма разработанной программы в САПР «NI Multisim». В результате работы разработана полностью работоспособная принципиальная схема устройства, собран макетный образец, проведены экспериментальные исследования его функциональных параметров и сравнение параметров работы устройства с параметрами, полученными при моделировании.
Ключевые слова: транзистор, симметричный мультивибратор, свет.
ABSTRACT
Within this work the set of design documentation on the «Police strobe» was developed. The principles of operation of the device are described. The topology of the printed-circuit board and an assembly drawing of the device is designed. Modeling of execution of the algorithm of the developed program is carried out to CAD «NI Multisim». As a result of work completely efficient schematic diagram of the device is developed, the model sample is built, pilot studies of its functional parameters and comparison of parameters of operation of the device with the parameters received when modeling are conducted.
Keywords: transistor, symmetric multivibrator, light.
Содержание
1.СПИСОК УСЛОВНЫХ ОБОЗНАЧЕНИЙ, СОКРАЩЕНИЙ И ТЕРМИНОВ 3
2. ВВЕДЕНИЕ 4
3. ОСНОВНАЯ ЧАСТЬ 5
3.1.Разработка структурной схемы 5
3.2.Разработка принципиальной схемы 6
3.3.Выбор элементной базы 10
3.3.1.Основные технические характеристики светодиодов HL1, HL2 10
3.3.2.Основные технические характеристики конденсаторов C1, C2, C3, C4 11
3.3.3.Основные технические характеристики резисторов R1 – R8 12
3.3.4.Основные технические характеристики транзисторов VT1 – VT4 13
3.3.5.Основные технические характеристики подстроечного резистора RP1 14
3.4 Моделирование и проведение экспериментов в среде «NI Multisim 14.1» 15
3.5 Разработка топологии печатной платы 17
3.6 Изготовление печатной платы 18
3.7 Структурная схема измерительного стенда 20
3.8 Снятие экспериментальных данных на измерительном стенде 21
4.ЗАКЛЮЧЕНИЕ 23
СПИСОК ИСПОЛЬЗОВАННЫХ ИСТОЧНИКОВ 24
Приложение 1 25
-
СПИСОК УСЛОВНЫХ ОБОЗНАЧЕНИЙ, СОКРАЩЕНИЙ И ТЕРМИНОВ
КМО Компонент, монтируемый в отверстия
ПП Печатная Плата
САПР Система Автоматизированного Проектирования
2. ВВЕДЕНИЕ
Стробоскоп — электрический прибор, позволяющий быстро воспроизводить повторяющиеся во времени яркие световые импульсы.
Стробоскоп, выполненный в рамках данной курсовой работы, состоит из двух мультивибраторов, выполненных на транзисторах разной проводимости, задающие и гасящие световые колебания на правом и левом светодиоде.
Цель данной курсовой работы – создание стробоскопического генератора на четырёх биполярных транзисторах, а также экспериментальное исследование устройства для выявления пригодности его к эксплуатации.
В рамках работы решаются следующие задачи:
-
Разработка алгоритма работы устройства;
-
Разработка схем электрических: структурной и принципиальной;
-
Моделирование программы с использованием схемотехнической САПР;
-
Разработка топологии печатной платы устройства и создание чертежей;
-
Сборка макетного образца устройства;
-
Экспериментальные исследования устройства.
-
Разработка структурной схемы
3. ОСНОВНАЯ ЧАСТЬ
Структурная схема устройства была разработана согласно ГОСТ 2.701-84 в графическом редакторе «sPlan 7.0».
Структурная схема устройства представлена на рис. 3.1.1.
Рисунок 3.1.1 - Схема электрическая структурная стробоскопа
Устройство можно разделить на несколько основных частей:
-
Задающий генератор;
-
Стробоскопический генератор;
-
Световая индикация.
Задающий генератор поочередно переключает гасящие прямоугольные колебания на правый и левый светодиод. Оптимальная частота колебаний задается при помощи подстроечного резистора.
Стробоскопический генератор отвечает за создание коротких световых импульсов на обеих каналах одновременно. Частота колебаний постоянна и определяется конструкционной емкостью конденсаторов и сопротивлением резисторов.
Вывод: В данном разделе была рассмотрена электрическая структурная схема устройства, а также функционал каждого блока.
-
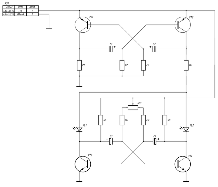
Разработка принципиальной схемы
Принципиальная схема устройства была разработана согласно ГОСТ 2.701-84 на основе структурной схемы (рис. 3.1.1). В качестве среды разработки была выбрана программа «sPlan 7.0».
Принципиальная схема устройства представлена на рис 3.2.1.
Рисунок 3.2.1 - Схема электрическая принципиальная стробоскопа
Задающий генератор собран на резисторах R5-R8, конденсаторах C3-C4 и транзисторах VT3, VT4 и подстроечном резисторе PR1. Стробоскопический — на резисторах R1-R4, конденсаторах C1-C2 и транзисторах VT1, VT2. Световая индикация представлена светодиодами HL1, HL2.
Рассмотрим основополагающие принципы функционирования стробоскопа:
Задающий генератор представляет из себя симметричный мультивибратор с транзисторами NPN-типа.
Сразу следует оговорить тот факт, что, в отличие от классического мультивибратора, собранного на неполярных конденсаторах, электролитические конденсаторы вследствие технологических особенностей не способны к перезаряду пластин на потенциал, противоположный первоначальному, значит резисторы R6 и R7 должны быть подобраны так, чтобы обеспечивать открытие база-эмиттерного перехода транзисторов «вхолостую», то есть без «помощи» от конденсаторов.
При подачи питания в цепь каждый из транзисторов стремится поскорее открыться и начать пропускать ток. Каждый это делает по своему собственному пути согласно приведенной выше принципиальной схеме. Транзистор VT3 через: источник питания — резистор R8 – конденсатор C4, сопротивление которого в начальный момент времени пренебрежительно мало – база-эмиттер транзистора VT3 — общий. VT4 – по пути: источник питания — резистор R5 – конденсатор C3 – база-эмиттер транзистора VT4 — общий. Вследствие того, что абсолютно одинаковых транзисторов на свете не бывает, какой-то из них откроется быстрее. Пусть в нашем случае таковым окажется VT4. Тогда, как только транзистор VT4 начнет пропускать ток от коллектора к эмиттеру, база транзистора VT3 практически окажется замкнутой на землю по пути: база VT3 – конденсатор C4 с малым внутренним сопротивлением — открытый переход коллектор-эмиттер транзистора VT4 – общий, что спровоцирует его закрытие.
Открытый база-эмиттерный переход транзистора VT4 послужит основанием для быстрой зарядки конденсатора C3. Вместе с тем, тот малый заряд, что успел накопить конденсатор C4, начнет медленно просаживаться через резистор R7 и открытый коллекторно-базовый переход транзистора VT4, задавая на базе VT3 отрицательный потенциал. Это будет происходить до тех пор, пока разность потенциалов обкладок конденсатора C4 не достигнет нуля, и он не начнет быстро приобретать положительный заряд от источника питания через резистор R8. В тот самый момент его отрицательная обкладка приобретет положительный заряд от источника питания через резистор R7, что в свою очередь начнет процесс открытия транзистора VT3. Открываясь, потенциал его коллектора начнет убывать, приближаясь к практическому нулю, и, уже более-менее заряженный к этому моменту конденсатор C3, начнет разрядку в цепь коллектора прилегающего транзистора, подавая на базу VT4 отрицательный потенциал, что побудит его к закрытию. К этому времени скорость зарядки и разрядки конденсаторов C3 и C4 почти поравняются, и к тому моменту, как C4 зарядится, C3, напротив, разрядится, начав процесс открытия VT4. VT4 откроется, начнет через себя просаживать напряжение конденсатора, а VT3 закроется, начав заряд конденсатора C3 копить. В этот момент, можно сказать, начнется установившийся режим работы генератора, который в начальный свой момент будет иметь следующие значения: транзистор VT3 закрыт, VT4 открыт и находится в насыщении. Вследствие этого, коллекторно-эмиттерный ток на транзисторе VT3 практически отсутствует, одноименный переход закрыт – напряжение на коллекторе близко к напряжению источника. VT4 – напротив, в насыщении, значит течению тока от коллектора к эмиттеру данного транзистора практически ничего не препятствует. Можно сказать, что, за исключением потерь на PN-переходы внутри транзистора, коллектор накоротко подсоединен к эмиттеру, значит напряжение на нем близко к нулю. Снимая в этот момент потенциал с коллектора, мы получим необходимую разность потенциалов, чтобы спровоцировать свечение светодиода током, поступающим от стробоскопического генератора. Конденсатор C3 пока разряжен, что способствует протеканию тока через него. Положительный ток базы транзистора VT4 идет по пути: источник тока — резистор R5 — конденсатор C3 — база-эмиттер транзистора VT4 — общий. Конденсатор C4 находится в заряженном состоянии, происходит его разряд по цепи: источник питания — резистор R7 — конденсатор C4 – переход коллектор-эмиттер транзистора VT4 — общий, а напряжение, снимаемое с его отрицательной обкладки, дает на базе VT3 отрицательный потенциал.
Разряжаясь, конденсатор C4 будет поддерживать VT3 в закрытом состоянии. Достигнув нулевой разности потенциалов, через резистор R7 транзистор VT3 получит потенциал, достаточный для его открытия. База-эмиттер VT3 начнет пропускать ток, конденсатор C4 начнет заряжаться, а C3 разряжаться через переход эмиттер-коллектор. Подавая в процессе разрядки C3 на базу VT4 отрицательный потенциал, VT4 закроется. Так устройство перейдет в симметричное состояние, когда VT4 закрыт, а VT3 открыт и находится в насыщении. Такие переходы могут повторяться бесконечное количество раз, образуя генератор прямоугольных импульсов, снимаемых с коллектора каждого из транзисторов.
Стробоскопический генератор устроен схожим образом, с той лишь разницей, что структура транзисторов здесь — PNP, и задача его — не генерировать гасящие импульсы на правый и левый канал, а в перерывах между ними создавать новые, «положительные», задавая тем самым такую разность потенциалов, при которой PN-переход светодиодов сможет открыться.
Исходя из принципа работы генераторов, каждый из транзисторов будет находиться в закрытом состоянии до тех пор, покуда не разрядится конденсатор, отрицательная обкладка которого присоединена к базе данного транзистора, и значит будет численно равна постоянной времени τ этого процесса:
τ = RC;
Длительность же одного из двух частей периода равна:
t = ln2·RC;
Тогда длительность периода из двух частей равна:
T = t1 + t2 = ln2·R6C3 + ln2·R7C4 — для задающего генератора;
T = t1 + t2 = ln2·R2C1 + ln2·R3C2 — для стробоскопического генератора;
А их частота:
f = 1/T = 1/(ln2·R6C3 + ln2·R7C4) — для задающего генератора;
f = 1/T = 1/(ln2·R2C1 + ln2·R3C2) — для стробоскопического генератора.
Имея эти формулы, мы можем получить желаемые данные.
Оптимальной частотой для работы задающего генератора было бы 1.25 Гц. Длительность периода в таком случае равна 800 мс, полупериода - 400 мс. В течение одного импульса это позволит получить три-четыре небольшие вспышки света длительностью ~65 мс, легко уловимые человеческим глазом.
Для обеспечения такой частоты подойдут резисторы номиналом:
R6, R7 — 12 кОм;
И конденсаторы:
Характеристики
Тип файла документ
Документы такого типа открываются такими программами, как Microsoft Office Word на компьютерах Windows, Apple Pages на компьютерах Mac, Open Office - бесплатная альтернатива на различных платформах, в том числе Linux. Наиболее простым и современным решением будут Google документы, так как открываются онлайн без скачивания прямо в браузере на любой платформе. Существуют российские качественные аналоги, например от Яндекса.
Будьте внимательны на мобильных устройствах, так как там используются упрощённый функционал даже в официальном приложении от Microsoft, поэтому для просмотра скачивайте PDF-версию. А если нужно редактировать файл, то используйте оригинальный файл.
Файлы такого типа обычно разбиты на страницы, а текст может быть форматированным (жирный, курсив, выбор шрифта, таблицы и т.п.), а также в него можно добавлять изображения. Формат идеально подходит для рефератов, докладов и РПЗ курсовых проектов, которые необходимо распечатать. Кстати перед печатью также сохраняйте файл в PDF, так как принтер может начудить со шрифтами.















