Диплом (777661), страница 3
Текст из файла (страница 3)
Серийное изготовление лопаток турбин из литых заготовок является более экономичным. При вакуумной плавке и заливке форм технологические отходы металла (литниковая система, выпоры и др.) не окисляются. Их можно повторно использовать при плавке, а это снижает расход дорогостоящего металла. Себестоимость изготовления лопаток при этом снижается до 60 %.
Заготовки-отливки лопаток различают: обычные, с поликристаллической или равноосной структурой; с направленной кристаллизацией (НК) и монокристаллические, имеющие столбчатую дендритную структуру.
Таким образом по таким критериям как, обеспечение конструктивных свойств материала и детали, получение минимальных припусков, возможности наиболее простого достижения заданной точности и шероховатости поверхностей, максимального коэффициента КИМ использованного металла и технико-экономическим показателям, для данного типа производства наиболее подходит метод литья по выплавляемым моделям с высокоскоростной направленной кристаллизацией.
-
Получение отливки.
Сущность процесса литья заключается в следующем. Из легкоплавких или легкорастворимых в воде материалов в прессформе получают модель лопатки, ее покрывают специальной силикатной обмазкой, которая при высыхании образует на модели лопатки корку (оболочку). Далее из модели, покрытой керамической обмазкой, удаляют модельную массу (вымывают горячей водой или выплавляют) и прокаливают при высокой температуре, с тем чтобы превратить силикатное покрытие в прочную керамическую оболочку. Место, занятое ранее моделью, образует полость, в которую и заливают расплавленный металл заготовки.
В технологическом процессе изготовления отливки неохлаждаемой лопатки можно выделить следующие основные этапы:
-
Изготовление модели лопатки.
-
Контроль модели лопатки.
-
Сборка моделей лопаток в блоки (секции).
-
Приготовление огнеупорной суспензии, окраска и сушка секций
лопаток. -
Удаление модельной массы из оболочек.
-
Прокалка оболочек.
-
Плавка металла, заливка оболочек и кристаллизация отливок.
-
Разрезка секций.
-
Контроль отливок лопаток.
До перехода в цех механической обработки лопатка проходит множество операций контроля, в том числе контроль геометрии пера, контроль макроструктуры, рентген-контроль, контроль кристаллографической ориентации. Производится слесарная доработка профиля в случае его дефектов, термообработка и гомогенизационный отжиг.
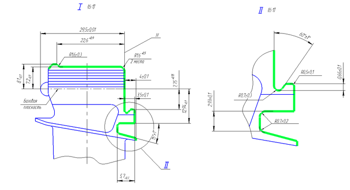
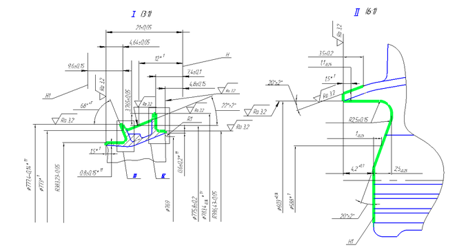
Чертеж заготовки, передаваемой в цех механической обработки, представлен на листе.
-
Маршруты обработки основных поверхностей детали.
В качестве основных поверхностей выбраны:
-
поверхность «елочного» профиля, так как именно по ней лопатка устанавливается в диск ротора ТНД и она же используется в качестве базы для большинства операций;
-
поверхности переднего и заднего торцев бандажной полки, так как по ним стыкуются лопатки, установленные в диске.
Основные поверхности показаны (выделены) на рисунке 5.
Рисунок 5 - Основные поверхности
В нижеприведенной таблице 3 для поверхностей, изображенных на рисунке 5, показан маршрут их обработки, достигаемый параметр точности и шероховатости, а также номер схемы установки, которая может быть использована при их обработке. Схемы установки изображены на рисунке 7.
Таблица 3 – Маршрут обработки поверхностей.
| № Пов-ти | Маршрут обработки поверхности | Достигаемые параметры | Номер схемы | |
| Точность | Шероховатость | |||
| 1 | Глубинное шлифование | IT 7 | Ra 0,8 | 1 |
| 2 | Глубинное шлифование | IT 7 | Ra 0,8 | 2 |
-
Выбор баз и анализ схем базирования для нескольких операций.
В качестве баз при поступлении заготовки в механический цех используются поверхности, полученные на заготовительном этапе, а именно:
-
поверхность на переднем торце хвостовика,
-
поверхность на входной кромке замковой полки со стороны спинки,
-
поверхность на выходной кромке замковой полки со стороны спинки,
-
поверхность переднего торца на бандажной полке,
-
поверхность на бандажной полке со стороны спинки
-
поверхность на бандажной полке сверху,
которые лишают заготовку всех шести степеней свободы. Эти поверхности показаны на рисунке 6.
Рисунок 6 – Базовые поверхности
После операции шлифования хвостовика, в качестве баз используются поверхности «елочного» профиля и торец хвостовика, которые также лишают лопатку подвижности. Возможные схемы установки, которые будут использоваться при операциях механической обработки, показаны на рисунке 7.
Рисунок 7 – Возможные схемы установки
-
Разработка маршрута изготовления детали для заданного типа производства с выбором технологического оборудования, инструментов.
Ниже приведено маршрутное описание технологического процесса изготовления детали «рабочая лопатка ТНД», разработанного на основании базового технологического процесса, полученного на ФГУП «Салют».
Операция 005 Заготовительная
Оборудование Литейный цех
Чертеж заготовки представлен на листах
Операция 010 Шлифовальная с ЧПУ
Оборудование Шлифовальный станок мод. MICRO CUT-4-320- /2
Операция 015 Полировальная
Оборудование Полировальная бабка
Операция 020 Шлифовальная с ЧПУ
Оборудование Шлифовальный станок мод. Profimat MC607
Операция 025 Полировальная
Оборудование Полировальная бабка
Операция 030 Моечная
Оборудование Моечная машина
Операция 035 Контрольная (операционный контроль)
Оборудование Контрольный стол
Операция 040 Шлифовальная с ЧПУ
Оборудование Шлифовальный станок мод. Profimat MC607
Операция 045 Полировальная
Оборудование Полировальная бабка
Операция 050 Полировальная
Оборудование Полировальная бабка
Операция 055 Шлифовальная с ЧПУ
Оборудование Шлифовальный станок мод. Profimat MC607
Операция 060 Шлифовальная с ЧПУ
Оборудование Шлифовальный станок мод. Profimat MC607
Операция 065 Шлифовальная с ЧПУ
Оборудование Шлифовальный станок мод. Profimat MC607
Операция 070 Полировальная
Оборудование Полировальная бабка
Операция 075 Моечная
Оборудование Моечная машина
Операция 080 Электроэрозионная
Оборудование Электроэрозионный станок мод. AGIETRON Compact 1
Операция 085 Моечная
Оборудование Моечная машина
Операция 090 Слесарная
Оборудование Слесарный верстак
Операция 095 Полировальная
Оборудование Полировальная бабка
Операция 100 Полировальная
Оборудование Полировальная бабка
Операция 105 Промывка растворителями
Оборудование Шкаф вытяжной
Операция 110 Сушка конвективная
Оборудование Печь прокалочная, сушильный шкаф
Операция 115 Окрашивание (окунанием)
Оборудование Установка для нанесения проникающей жидкости
Операция 120 Окрашивание (распылением)
Оборудование Камера распыления
Операция 125 Контроль методом ЛЮМ1-ОВ (дефектация)
Оборудование Бинокулярный микроскоп БМС-9, ультрафиолетовая лампа Magnaflux ZB100F
Операция 130 Промывка растворителями
Оборудование Шкаф для смывки краски
Операция 135 Контрольная (операционный контроль)
Оборудование Контрольный стол
Операция 140 Очистка струйно-абразивная
Оборудования Установка
Операция 145 Очистка ультразвуковая (в ацетоне)
Оборудование УЗВ-15М ванна, УЗГ-2-4 генератор
Операция 150 Сушка конвективная
Оборудование Сушильный шкаф ЭКС
Операция 155 Контрольная (взвешивание)
Оборудование Контрольный стол
Операция 160 Слесарная
Оборудование Слесарный верстак
Операция 165 Металлизация вакуумная конденсационная катодная
Оборудование Установка МАП-1
Операция 170 Слесарная
Оборудование Слесарный верстак
Операция 175 Контрольная (контроль привеса по массе)
Оборудование Контрольный стол
Операция 180 Контрольная (операционный контроль)
Оборудование Контрольный стол
Операция 185 Отжиг изотермический (отжиг покрытия ВСДП11)
Оборудование Электропечь СЭВ – 5,5/11,5И2
Операция 190 Контрольная (операционный контроль)
Оборудование Контрольный стол
Операция 195 Промывка растворителями
Оборудование Шкаф вытяжной
Операция 200 Сушка конвективная
Оборудование Печь прокалочная, сушильный шкаф















