Ф. Уоссермен. - Нейрокомпьютерная техника. Теория и практика (774833), страница 6
Текст из файла (страница 6)
Рис. 2.9. «Вогнутая» область решений, задаваемая трехслойной сетью
Трехслойная сеть, однако, является более общей. Ее классифицирующие возможности ограничены лишь числом искусственных нейронов и весов. Ограничения на выпуклость отсутствуют. Теперь нейрон третьего слоя принимает в качестве входа набор выпуклых многоугольников, и их логическая комбинация может быть невыпуклой. На рис. 2.9 иллюстрируется случай, когда два треугольника A и B, скомбинированные с помощью функций «A и не B », задают невыпуклую область. При добавлении нейронов и весов число сторон многоугольников может неограниченно возрастать. Это позволяет аппроксимировать область любой формы с любой точностью. Вдобавок не все выходные области второго слоя должны пересекаться. Возможно, следовательно, объединять различные области, выпуклые и невыпуклые, выдавая на выходе единицу всякий раз, когда входной вектор принадлежит одной из них.
Несмотря на то что возможности многослойных сетей были известны давно, в течение многих лет не было теоретически обоснованного алгоритма для настройки их весов. В последующих главах мы детально изучим многослойные обучающие алгоритмы, но сейчас достаточно понимать проблему и знать, что исследования привели к определенным результатом.
Эффективность запоминания
Серьезные вопросы имеются относительно эффективности запоминания информации в персептроне (или любых других нейронных сетях) по сравнению с обычной компьютерной памятью и методами поиска информации в ней. Например, в компьютерной памяти можно хранить все входные образы вместе с классифицирующими битами. Компьютер должен найти требуемый образ и дать его классификацию. Различные хорошо известные методы могли бы быть использованы для ускорения поиска. Если точное соответствие не найдено, то для ответа может быть использовано правило ближайшего соседа.
Число битов, необходимое для хранения этой же информации в весах персептрона, может быть значительно меньшим по сравнению с методом обычной компьютерной памяти, если образы допускают экономичную запись. Однако Минский [2] построил патологические примеры, в которых число битов, требуемых для представления весов, растет с размерностью задачи быстрее, чем экспоненциально. В этих случаях требования к памяти с ростом размерности задачи быстро становятся невыполнимыми. Если, как он предположил, эта ситуация не является исключением, то персептроны часто могут быть ограничены только малыми задачами. Насколько общими являются такие неподатливые множества образов? Это остается открытым вопросом, относящимся ко всем нейронным сетям. Поиски ответа чрезвычайно важны для исследований по нейронным сетям.
ОБУЧЕНИЕ ПЕРСЕПТРОНА
Способность искусственных нейронных сетей обучаться является их наиболее интригующим свойством. Подобно биологическим системам, которые они моделируют, эти нейронные сети сами моделируют себя в результате попыток достичь лучшей модели поведения.
Используя критерий линейной разделимости, можно решить, способна ли однослойная нейронная сеть реализовывать требуемую функцию. Даже в том случае, когда ответ положительный, это принесет мало пользы, если у нас нет способа найти нужные значения для весов и порогов. Чтобы сеть представляла практическую ценность, нужен систематический метод (алгоритм) для вычисления этих значений. Розенблатт [4] сделал это в своем алгоритме обучения персептрона вместе с доказательством того, что персептрон может быть обучен всему, что он может реализовывать.
Обучение может быть с учителем или без него. Для обучения с учителем нужен «внешний» учитель, который оценивал бы поведение системы и управлял ее последующими модификациями. При обучении без учителя, рассматриваемого в последующих главах, сеть путем самоорганизации делает требуемые изменения. Обучение персептрона является обучением с учителем.
Алгоритм обучения персептрона может быть реализован на цифровом компьютере или другом электронном устройстве, и сеть становится в определенном смысле самоподстраивающейся. По этой причине процедуру подстройки весов обычно называют «обучением» и говорят, что сеть «обучается». Доказательство Розенблатта стало основной вехой и дало мощный импульс исследованиям в этой области. Сегодня в той или иной форме элементы алгоритма обучения персептрона встречаются во многих сетевых парадигмах.
АЛГОРИТМ ОБУЧЕНИЯ ПЕРСЕПТРОНА
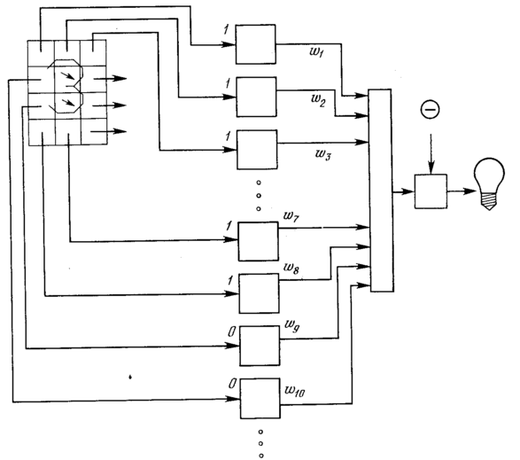
Персептрон обучают, подавая множество образов по одному на его вход и подстраивая веса до тех пор, пока для всех образов не будет достигнут требуемый выход. Допустим, что входные образы нанесены на демонстрационные карты. Каждая карта разбита на квадраты и от каждого квадрата на персептрон подается вход. Если в квадрате имеется линия, то от него подается единица, в противном случае – ноль. Множество квадратов на карте задает, таким образом, множество нулей и единиц, которое и подается на входы персептрона. Цель состоит в том, чтобы научить персептрон включать индикатор при подаче на него множества входов, задающих нечетное число, и не включать в случае четного.
Рис. 1.10. Персептронная система распознавания изображений
На рис. 2.10 показана такая персептронная конфигурация. Допустим, что вектор Х является образом распознаваемой демонстрационной карты. Каждая компонента (квадрат) Х – (x1, x2, …, xn) – умножается на соответствующую компоненту вектора весов W – (w1, w2, ..., wn). Эти произведения суммируются. Если сумма превышает порог Θ, то выход нейрона Y равен единице (индикатор зажигается), в противном случае он – ноль. Как мы видели в гл. 1, эта операция компактно записывается в векторной форме как Y = XW, а после нее следует пороговая операция.
Для обучения сети образ Х подается на вход и вычисляется выход Y. Если Y правилен, то ничего не меняется. Однако если выход неправилен, то веса, присоединенные к входам, усиливающим ошибочный результат, модифицируются, чтобы уменьшить ошибку.
Чтобы увидеть, как это осуществляется, допустим, что демонстрационная карта с цифрой 3 подана на вход и выход Y равен 1 (показывая нечетность). Так как это правильный ответ, то веса не изменяются. Если, однако, на вход подается карта с номером 4 и выход Y равен единице (нечетный), то веса, присоединенные к единичным входам, должны быть уменьшены, так как они стремятся дать неверный результат. Аналогично, если карта с номером 3 дает нулевой выход, то веса, присоединенные к единичным входам, должны быть увеличены, чтобы скорректировать ошибку.
Этот метод обучения может быть подытожен следующим образом:
1. Подать входной образ и вычислить Y.
2 а. Если выход правильный, то перейти на шаг 1;
б. Если выход неправильный и равен нулю, то добавить все входы к соответствующим им весам; или
в. Если выход неправильный и равен единице, то вычесть каждый вход из соответствующего ему веса.
3. Перейти на шаг 1.
За конечное число шагов сеть научится разделять карты на четные и нечетные при условии, что множество цифр линейно разделимо. Это значит, что для всех нечетных карт выход будет больше порога, а для всех четных – меньше. Отметим, что это обучение глобально, т. е. сеть обучается на всем множестве карт. Возникает вопрос о том, как это множество должно предъявляться, чтобы минимизировать время обучения. Должны ли элементы множества предъявляться- последовательно друг за другом или карты следует выбирать случайно? Несложная теория служит здесь путеводителем.
Дельта-правило
Важное обобщение алгоритма обучения персептрона, называемое дельта-правилом, переносит этот метод на непрерывные входы и выходы. Чтобы понять, как оно было получено, шаг 2 алгоритма обучения персептрона может быть сформулирован в обобщенной форме с помощью введения величины δ, которая равна разности между требуемым или целевым выходом T и реальным выходом Y
δ = (T - Y). (2.3)
Случай, когда δ=0, соответствует шагу 2а, когда выход правилен и в сети ничего не изменяется. Шаг 2б соответствует случаю δ > 0, а шаг 2в случаю δ < 0.
В любом из этих случаев персептронный алгоритм обучения сохраняется, если δ умножается на величину каждого входа хi и это произведение добавляется к соответствующему весу. С целью обобщения вводится коэффициент «скорости обучения» η), который умножается на δхi, что позволяет управлять средней величиной изменения весов.
В алгебраической форме записи
Δi = ηδxi, (2.4)
w(n+1) = w(n) + Δi, (2.5)
где Δi – коррекция, связанная с i-м входом хi; wi(n+1) – значение веса i после коррекции; wi{n) -значение веса i до коррекции.
Дельта-правило модифицирует веса в соответствии с требуемым и действительным значениями выхода каждой полярности как для непрерывных, так и для бинарных входов и выходов. Эти свойства открыли множество новых приложений.
Трудности с алгоритмом обучения персептрона
Может оказаться затруднительным определить, выполнено ли условие разделимости для конкретного обучающего множества. Кроме того, во многих встречающихся на практике ситуациях входы часто меняются во времени и могут быть разделимы в один момент времени и неразделимы в другой. В доказательстве алгоритма обучения персептрона ничего не говорится также о том, сколько шагов требуется для обучения сети. Мало утешительного в знании того, что обучение закончится за конечное число шагов, если необходимое для этого время сравнимо с геологической эпохой. Кроме того, не доказано, что персептронный алгоритм обучения более быстр по сравнению с простым перебором всех возможных значений весов, и в некоторых случаях этот примитивный подход может оказаться лучше.
На эти вопросы никогда не находилось удовлетворительного ответа, они относятся к природе обучающего материала. В различной форме они возникают в последующих главах, где рассматриваются другие сетевые парадигмы. Ответы для современных сетей как правило не более удовлетворительны, чем для персептрона. Эти проблемы являются важной областью современных исследований.
Литература
-
McCulloch W. W., Pitts W. 1943. A logical calculus of the ideas imminent in nervous activiti. Bulletin of Mathematical Biophysics 5:115-33. (Русский перевод: Маккаллок У. С., Питтс У. Логическое исчисление идей, относящихся к нервной деятельности. Автоматы. – М.: ИЛ. – 1956.
-
Minsky M. L, Papert S. 1969. Perseptrons. Cambridge, MA: MIT Press. (Русский перевод: Минский М. Л., Пейперт С. Персептроны. – М: Мир. – 1971.)
-
Pitts W. Moculloch W. W. 1947. How we know universals. Bulletin of Mathematical Biophysics 9:127-47.
-
Rosenblatt F. 1962. Principles of Neurodinamics. New York: Spartan Books. (Русский перевод: Розенблатт Ф. Принципы нейродинамики. – М: Мир. – 1965.)
-
Widrow В. 1961. The speed of adaptation in adaptive control system, paper *1933-61. American Rocket Society Guidance Control and Navigation Conference.
-
Widrow B. 1963. A statistical theory of adaptation. Adaptive control systems. New York: Pergamon Press.
-
Widrow В., Angell J. B. 1962. Reliable, trainable networks for computing and control. Aerospace Engineering 21:78-123.
-
Widrow В., Hoff M. E. 1960. Adaptive switching circuits. 1960 IRE WESCON Convention Record, part 4, pp. 96-104. New York: Institute of Radio Engineers.
Глава 3.
Процедура обратного распространения
ВВЕДЕНИЕ В ПРОЦЕДУРУ ОБРАТНОГО РАСПРОСТРАНЕНИЯ
Долгое время не было теоретически обоснованного алгоритма для обучения многослойных искусственных нейронных сетей. А так как возможности представления с помощью однослойных нейронных сетей оказались весьма ограниченными, то и вся область в целом пришла в упадок.
Разработка алгоритма обратного распространения сыграла важную роль в возрождении интереса к искусственным нейронным сетям. Обратное распространение – это систематический метод для обучения многослойных искусственных нейронных сетей. Он имеет солидное математическое обоснование. Несмотря на некоторые ограничения, процедура обратного распространения сильно расширила область проблем, в которых могут быть использованы искусственные нейронные сети, и убедительно продемонстрировала свою мощь.
Интересна история разработки процедуры. В [7] было дано ясное и полное описание процедуры. Но как только эта работа была опубликована, оказалось, что она была предвосхищена в [4]. А вскоре выяснилось, что еще раньше метод был описан в [12]. Авторы работы [7] сэкономили бы свои усилия, знай они о работе [12]. Хотя подобное дублирование является обычным явлением для каждой научной области, в искусственных нейронных сетях положение с этим намного серьезнее из-за пограничного характера самого предмета исследования. Исследования по нейронным сетям публикуются в столь различных книгах и журналах, что даже самому квалифицированному исследователю требуются значительные усилия, чтобы быть осведомленным о всех важных работах в этой области.
ОБУЧАЮЩИЙ АЛГОРИТМ ОБРАТНОГО РАСПРОСТРАНЕНИЯ
Сетевые конфигурации
Рис. 3.1. Искусственный нейрон с активационнной функцией
















