Радиолокационные и радионавигационные измерители дальности (774366), страница 7
Текст из файла (страница 7)
РИС. 3.2
РИС. 3.3
Основными элементами рассматриваемого ИД являются ([l], с.166...169): временной дискриминатор ВД, экстраполятор Э, синтезатор задержки Синт и схемы поиска СП и захвата СЗ. Синтезатор служит для получения двух селекторных импульсов (СИ), задержка tM которых относительно импульса запуска передатчика Прд (импульса синхросигнала СС) меняется с помощью схемы управления СУ под действием напряжения с экстраполятора. Считается, что каждый из СИ, вырабатываемых генератором селекторных .импульсов ГСИ, имеет длительность τс.и = τи, где τи - длительность зондирующего импульса. Временной дискриминатор в простейшем случае состоит из двух схем И и служит для сравнения задержки tR= 2R/c отраженного сигнала с "аппаратурной" задержкой tM и получения сигнала ошибки - двух биполярных импульсов, разность длительностей которых равна ε = tR-tM. В состав экстраполятора входят один или два интегратора (в зависимости от степени астатизма ИД) и звенья, обеспечивающие устойчивость следящей системы.
Работа канала дальности начинается с поиска отраженного сигнала (режим "Поиск"). В этом режиме цепь обратной связи следящего ИД разомкнута ключом Кл и на Э подается со схемы поиска, например, постоянное напряжение. При этом напряжение Uупр на выходе Э (управляющее задержкой напряжение) плавно увеличивается, что приводит к росту задержи tM. Когда второй СИ совпадет с импульсом, получаемым с выхода приемника Прм, срабатывает схема захвата, которая переключает ИД в режим сопровождения цели (режим "Слежение").
Схема захвата СЗ представляет собой обнаружитель импульсов и для исключения ложных срабатываний по шумовому выбросу содержит обычно накопитель совпадений n импульсов. В этом случае сигнал переключения ключа Кл вырабатывается только тогда, когда будет принято n импульсов подряд, т.е. через время nТп, где Тп - период повторения зондирующих импульсов. Для СЗ с накопителем необходимо, чтобы СИ сместились не более чем на τи за n периодов повторения: (dtM / dt)nTп ≤ τи. С учетом изменения tR за счет радиальной скорости Vr скорость поиска Уп.д= dtM/dt может быть определена из условия
В наиболее неблагоприятной ситуации, когда цель обнаруживается на дальности R< Rmax в режиме сканирования антенны РЛ, число накапливаемых импульсов n не должно превышать число импульсов в пачке. В такой ситуации время поиска цели по дальности ТR может оказаться больше длительности τп пачки импульсов, формируемой за время обзора Тобз заданного углового сектора пространства. Соответствующая временная диаграмма принимаемых сигналов показана на рис. 3.4. При ТR > τп следует предусмотреть меры по предотвращению срыва слежения за время tпр пропадания сигнала. Одной из таких мер является увеличение времени памяти, имеющейся у схемы захвата ([I], с. 168).
(Uпрм)н
РИС. 3.4
В режиме слежения за целью к экстраполятору Э подключается временной дискриминатор ВД. При этом на Э сохраняется то значение напряжения Uупр, при котором достигнуто примерное равенство tМ и tR. Первый из биполярных импульсов ВД, имеющий отрицательную полярность, вызывает уменьшение Uупр, а второй (положительной полярности) - его увеличение. В соответствующем рис. 3.3 случае напряжение Uупр увеличивается, что приводит к росту "аппаратурной" задержки tM = КсUупр, где Кс - коэффициент пропорциональности. Равновесие в замкнутой следящей системе наступает при ε = 0, т.е. при tМ = tR. Напряжение Uупр, пропорциональное tМ, а в установившемся режиме и tR, подается на аналого-цифровой преобразователь АЦП, где формируется код, содержащий информацию о измеряемой дальности R.
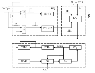
Структурная схема канала дальности с цифровым импульсным радиодальномером. Структурная схема рассматриваемого канала подобна показанной на рис. 3.2, только аналоговый измеритель дальности ИД заменяется на цифровой. На рис. 3.5 приведен наиболее простой вариант цифрового ИД. На схеме рис. 3.5 опущена схема поиска и захвата СПЗ, так как входящие в нее схемы поиска СП и захвата СЗ в принципе не отличаются от используемых в аналоговом варианте ИД, разница заключается только в том, что выдаваемый на экстраполятор с СПЗ сигнал, содержащий в момент окончания поиска грубую оценку дальности, должен быть преобразован в соответствующий код Nгр. Функцию экстраполятора в цифровом ИД выполняет реверсивный счетчик РСч. Ввод в РСч кода ΝΓρ определяет момент начала слежения за целью.
РИС. 3.5
Временной дискриминатор ВД следящего цифрового ИД ([I], с. 171 ...172) состоит из двух схем И, на которые поступают отраженные от цели импульсы с выхода приемника Прм и селекторные импульсы с соответствующих генераторов ГСИ-Ι и ΓСИ-2. Импульсы совпадения, длительность которых равна времени "перекрытия" отраженного сигнала первым и вторым селекторными импульсами (см.рис. 3.3), подаются на генераторы стандартных импульсов ГСтИ, выполняющие функцию аналого-цифрового преобразователя. Число выдаваемых каждым из ГСтИ импульсов пропорционально длительности импульса на его входе. Импульс совпадения второго селекторного импульса с отраженным сигналом используется для обнаружения цели схемой СПЗ (эта цепь на рис.3.5 не показана). Выход ГСтИ-Ι подключен к вычитающему входу реверсивного счетчика РСч, а выход ГСтИ-2 - к суммирующему входу РСч.
Синтезатор Синт, как и в аналоговом варианте ИД, служит для управления задержкой tM селекторных импульсов, вырабатываемых генераторами ГСИ-1 и ГСИ-2. Для определения момента запуска ГСИ-1 (ГСИ-2 запускается задним фронтом импульса с ГСИ-1) используется схема сравнения ССр и счетчик Сч. В момент излучения зондирующего сигнала импульс синхросигнала СC открывает электронный ключ ЭК. Счетные импульсы с генератора ГСчИ начинают поступать на счетчик Сч. Когда непрерывно возрастающее число Nc в Сч станет равным содержащемуся в РСч числу Nр.с, схема сравнения вырабатывает импульс, который запускает ГСИ-I, закрывает ЭК и обнуляет Сч.
С другой стороны, Νρ с, равное в момент начала слежения ΝΓρ, в каждом такте работы РЛ (в каждом периоде повторения зондирующих импульсов Тп) увеличивается из-за превышения числа N+ импульсов на суммирующем входе реверсивного счетчика РСч над числом N- импульсов на его вычитающем входе. Поэтому от такта к такту Nр.с возрастает, что приводит к сдвигу момента запуска ГСИ-Ι, а следовательно к росту tм. В режиме установившегося слежения N+ = N-, Nр.с = const и tМ = tR. Поэтому Nр.с является метой измеряемой дальности R.
Из сказанного следует, что изменение tM происходит дискретно, что приводит к погрешности дискретизации
зависящей от периода следования счетных импульсов Тс.и. Для снижения ΔRдск можно увеличить частоту следования счетных импульсов или применить схему уточнения ([2], с. 59... 60).
Заметим, что в рассматриваемом ИД целесообразно использовать вместо ГСтИ электронные ключи и подавать на них те же счетные импульсы, что и на счетчик Сч.
х х
х
Следует иметь в виду, что для расчета параметров как аналогового, так и цифрового вариантов импульсного следящего радиодальномера можно использовать общую методику, так как принцип их действия сдан и тот же.
3.2. Расчет длины волны и параметров ФАР
Примем, что в PJI используется ФАР с круглой апертурой. Если известен диаметр апертуры da и разрешающая способность РЛ по угловым координатам δθ, то с учетом того, что по условию δθ = 1,5 φ, где φ - ширина ДНА, длина волны зондирующего сигнала может быть найдена из соотношения ([12], т.2, с.61)
Антенны с круглой апертурой имеют одинаковую ширину ЛДА как в азимутальной, так и в угломестной плоскостях, равную в рассматриваемом случае
Коэффициент усиления такой антенны при φ, выраженной в градусах, будет ([12], т.2, с.56)
где принято, что КПД антенны ηа= 0,78.
Для последующих расчетов и формирования требований к РЛ (см. Приложение Π Ι) необходимо знать скорость обзора пространства (в рассматриваемой ситуации - скорость обзора по азимуту), которая равна
где αобз и Тобз- сектор и период обзора соответственно.
Рекомендуется привести в пояснительной записке схему формирования суммарного и разностных сигналов при использовании ФАР с круглой апертурой.
3.3. Расчет параметров сигналов
Предполагается, что в проектируемом радиодальномере используется импульсный сигнал, представляющий собой последовательность прямоугольных импульсов, имеющих длительность τи и период повторения Тп. Длительность импульса определяется заданной разрешающей способностью РЛ по дальности δR ([l], с.164):
Период повторения импульсов определяется из условия однозначного отсчета дальности ([1], с. 163)
где R max- максимальная измеряемая дальность. Для определенности рекомендуется заменить (3.8) равенством, введя коэффициент запаса Кз = 1,1:
Откуда частота повторения импульсов
Fп = 1/Тп. (3.10)
В заключение следует найти длительность пачки импульсов τп и число импульсов в пачке nп, влияющих на параметры схем поиска и захвата. Считая, что в РЛ реализован последовательный обзор заданного сектора пространства ([1], с. 78), получаем
где Ωобз определяется из (3.6).















