отрв (774328), страница 2
Текст из файла (страница 2)
В общем случае входное сопротивление является комплексным, т. е. состоит из активной и реактивной составляющих. Чисто активным сопротивление становится только при определенных соотношениях между размерами антенны и частотой (точки резонанса).
Антенны УКВ диапазона.
В УКВ диапазоне работает большое количество приёмопередающих устройств.
По ширине используемого спектра частот эти устройства можно разделить на широкополосные (телевидение, многоканальная радиосвязь) и узкополосные(радиосвязь, радиовещание)
Приемная телевизионная антенна является широкополосным устройством, которое должно обеспечить неискаженный прием всего спектра частот телевизионного канала. Одноканальные антенны работают в полосе частот 8 МГц. Диапазонные антенны, предназначенные для приема нескольких каналов, работают еще в более широкой полосе частот. Полное представление о свойствах антенны можно получить только в том случае, если известны ее параметры во, всей рабочей полосе частот, т. е. частотные характеристики. Поэтому измерение параметров антенн производится, как правило, на нескольких частотах — не менее чем на трех частотах при испытаниях одноканальных антенн (на средней и крайних частотах рабочего канала) и не менее чем на пяти-шести частотах равномерно распределенных в рабочей полосе частот при испытаниях многоканальных и диапазонных антенн.
Конструкции наружных антенн для ближнего приёма.
Зоной ближнего приема называют такую территорию, где уверенней прием достигается с помощью простейших антенн со сравнительно небольшим коэффициентом усиления. В связи с тем, что зона ближнего приема располагается внутри зоны прямой видимости, напряженность поля сигнала в пределах этой зоны- в значительной мере зависит от мощности телевизионного передатчика.
Наружные антенны, как правило, выполняют в виде жесткой конструкции из металлической трубки
Простейшие антенны.
Простейшей телевизионной антенной является разрезной полуволновый вибратор. Конструкция такой антенны показана на рис. 2.1.
Активная часть антенны - полуволновый вибратор - образована, двумя металлическими трубками диаметром 15...20 мм. Плечи вибратора через изоляционные втулки крепятся на горизонтальной перекладине, установленной на вершине мачты. Перекладина обязательно должна быть изготовлена из . изоляционного материала. Трубки вибратора выполняют металла(медь, алюминий).
Симметрирующее устройство, , выполняется в виде четвертьволнового симметрирующего шлейфа из того же кабеля, из которого выполнен фидер. Коэффициент усиления разрезного полуволнового вибратора равен 0 дБ, диаграмма направленности имеет вид восьмерки в горизонтальной плоскости (т. е. вибратор одинаково принимает сигнал и спереди, и сзади) и форму окружности в вертикальной плоскости (т. е. вибратор одинаково принимает сигнал с любых углов места).
Антенна более простой конструкции - петлевой вибратор, называемый также вибратор Пистолькорса, показана на рис. 2.2. Оба плеча этого вибратора выполнены в виде короткозамкнутых шлейфов с длиной каждого, приблизительно равной 1/4 длины волны. Середина верхней неразрезанной части вибратора является точкой нулевого потенциала, что позволяет в этой точке крепить вибратор к металлической мачте без изоляции.
Петлевой вибратор выполняют из тех же материалов, что и разрезной. Радиус закругления концов петлевого вибратора не имеет значения. Коэффициент укорочения полуволнового петлевого вибратора значительно меньше зависит от диаметра трубки, чем коэффициент укорочения разрезного вибратора. Поэтому длина петлевого вибратора, выполненного из трубок диаметром 10...20 мм, практически остается неизменной. Механическое соединение петлевого вибратора с мачтой можно выполнять любым способом: сваркой, заклепочным или винтовым соединением без изоляции.
Входное сопротивление петлевого вибратора составляет 292 Ома. К приемному устройству эта антенна соединяется симметричным высокочастотным кабелем с волновым сопротивлением 300 Ом (н-р: КАТВ) или при помощи симметрирующе-согласующего устройства, 75-омным коаксиальныма кабелем. Симметрирующе-согласующее устройство выполняется в виде полуволновой петли из 75-омного коаксиального кабелем или устройства на ферритовом кольце. Симметрирующе-согласующее устройство уменьшает входное сопротивление антенны в 4 раза.
Если разрезной вибратор узкополосный и может принимать сигналы только того канала, на который рассчитана его длина, то петлевой вибратор имеет более широкую полосу пропускания. Поэтому он может удовлетворительно принимать сигналы по двум-трем каналам, соседним по частоте.
Антенны "ВОЛНОВОЙ КАНАЛ"
Антенны типа "Волновой канал" достаточно компактны и обеспечивают получение большого коэффициента усиления при сравнительно небольших габаритах. Антенна "Волновой канал" представляет собой набор элементов: активного - вибратора и пассивных - рефлектора и нескольких директоров, установленных на одной общей стреле.
Принцип действия антенны в следующем. Вибратор определенной длины, находящийся в электромагнитном поле сигнала, резонирует на частоте сигнала, и в нем наводится ЭДС. В каждом из пассивных элементов также наводится ЭДС, и они переизлучают вторичные электромагнитные .поля. Эти вторичные поля, в свою очередь, наводят дополнительные ЭДС в вибраторе. Размеры пассивных элементов и их расстояния от вибратора выбраются такими, чтобы дополнительные ЭДС, наведенные в вибраторе вторичными полями, были в фазе с основной ЭДС, наведенной в нем первичным полем. Тогда все ЭДС будут складываться арифметически, обеспечив увеличение эффективности антенны по сравнению с одиночным вибратором. Для этого рефлектор делается немного длиннее вибратора, а директоры - короче.
Симметричное расположение элементов антенны относительно направления на передатчик создает условия для сложения наведенных ЭДС в вибраторе только для сигнала, приходящего с главного направления. Сигналы, приходящие под углом к главному направлению, создают в вибраторе ЭДС, сдвинутые по фазе относительно основного, и поэтому , складываются алгебраически так, как складываются векторы. Их векторная сумма получается меньше арифметической. Сигнал же, приходящий с заднего направления, создает в вибраторе наведенные ЭДС, противофазные основной, и они вычитаются. Таким образом, обеспечивается направленное свойство антенны, формируется узкая диаграмма ее направленности, что соответствует увеличению коэффициента усиления.
Многоэлементная антенна "Волновой канал", по принципу работы аналогичная многоконтурному полосовому фильтру, нуждается в тщательной настройке элементов..
Практика показывает, что антенна "Волновой канал" не нуждается в настройке и обеспечивает получение паспортных характеристик, если она содержит не более трех элементов: вибратор, рефлектор и только один директор. Коэффициент усиления такой антенны составляет 6 дБ, что вполне достаточно для ее использования в зоне ближнего приема. Коэффициент усиления пятиэлементной антенны при условии ее точной настройки для указанных размеров составляет примерно 8,6...8,9 дБ, что соответствует увеличению сигнала на выходе антенны в 2,7...2,8 раз по. сравнению с одиночным полуволновым вибратором. Угол раствора диаграммы направленности по половинной мощности составляет 50°. Если антенна не настраивалась, ее параметры могут оказаться хуже, чем у трехэлементной антенны.
Рамочные антенны.
Рамочные антенны сочетают повышенный коэффициент усиления с простотой конструкции и отсутствием необходимости настройки при сравнительно узкой полосе пропускания. Узкополосные антенны по сравнению с широкополосными обладают таким дополнительным преимуществом, как частотная избирательность.
Наибольшее распространение получили двухэлементные рамочные антенны, хотя иногда используют также и трехэлементные рамочные антенны. Антенны с числом рамок более трех не используют по тем же самым причинам, по которым нецелесообразно применение многоэлементных антенн "Волновой канал": необходимость тщательной настройки, без которой параметры антенны от увеличения числа элементов не улучшаются.
Двухэлементная рамочная антенна показана на рис.2.4. Рамки антенны имеют квадратную форму, а по углам могут иметь закругления произвольного радиуса, не превышающего примерно 1/10 стороны квадрата. Рамки выполняют из металлической трубки диаметром 10...20 мм для антенн 1-5-го каналов или 8...15 мм для антенн 6-12-го каналов.
Как и при изготовлении других антенн, металл может быть любым, но предпочтительнее медь или латунь. Верхняя стрела соединяет середины обеих рамок, а нижняя стрела изолирована от вибраторной рамки и крепится к пластине, изготовленной из гетинакса, текстолита или оргстекла толщиной 6...8 мм и размерами 30 х 60 мм. К этой же пластине крепятся концы вибраторной рамки винтами с гайками, для чего концы рамки можно расплющить. Стрелы могут быть выполнены металлическими или из изоляционного материала - текстолита или винипласта. В этом случае специально соединять рамки между собой нет необходимости. Мачта должна быть «непроводящей», по крайней мере ее верхняя часть. Металлическая часть мачты должна заканчиваться на 1,5 м ниже антенны. Рамки антенны располагают одна относительно другой так, чтобы их воображаемые центры (точки пересечения диагоналей квадратов) находились на горизонтальной прямой, направленной на передатчик. Крепление антенны к мачте производится в центре тяжести.
Фидер подключается к концам вибраторной рамки с помощью четвертьволнового короткозамкнутого симметрирующего шлейфа из того же кабеля, что и фидер. Шлейф и фидер должны подходить к антенне вертикально снизу, расстояние между ними должно быть постоянным по всей длине шлейфа. Использовать металлические элементы их крепления нежелательно.
Коэффициент усиления двухэлементной рамочной антенны, составляет 8...9 дБ, что соответствует увеличению напряжения сигнала в 2,5...2,8 раз по сравнению с напряжением сигнала на выходе полуволнового вибратора. Входное сопротивление этой антенны находится в пределах 70...80 Ом.
Исходя из приведенных значений коэффициента усиления, можно сделать вывод о том, что по усилению двухэлементная рамочная антенна эквивалентна пятиэлементной антенне "Волновой канал" или немного эффективнее ее, но имеет меньшие габариты и лишена ее недостатков, так как не нуждается в настройке, хорошо согласуется с фидером и обладает хорошей повторяемостью параметров.
Двухэлементную антенну можно использовать на расстоянии до передатчика, примерно равном 70 % расстояния прямой видимости, а трехэлементную - вплоть до границы прямой видимости, конечно, при достаточной мощности передатчика.
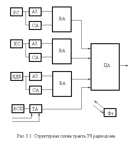
Радиодом.
Радиодомом называется комплекс студий радиовещания и звукозаписи, аппаратных, вспомогательных технических, редакционных и репетиционных помещений, предназначенных для подготовки, записи и передачи программ вещания, а также для трансляции программ из других городов. Радиовещательные программы передаются из радиодома на местные радиовещательные станции, городскую радиотрансляционную сеть, по каналам междугородной сети в другие города.
Упрощенная структурная схема тракта звуковой частоты радиодома приведена нарис.3.1.
РС и КС –речевая и концертная студии; ЛДБ - литературно-драматический блок; СА,ВА,ЦА,ТА – студийная, вещательная, центральная и трансляционная аппаратные; ВСП – служба внестудийных передач; Фт – фонотека; АЗ – аппаратная звукозаписи; МВА – междугородная вещательная аппаратная.
В студийной аппаратной сосредоточены средства для создания фрагментов передач. Вещательная аппаратная осуществляет формирование и контроль программы.
Координирующим центром радиодома является центральная аппаратная, задачами которой являются дополнительное регулирование сигналов, коммутация программ, поступающих из аппаратных, распределение их по потребителям, контроль входящих и исходящих программ. Упрощенная структурная схема центральной аппаратной приведена на рис.3.2.
В ЦА расположен пульт звукорежисёра, который содержит коммутаторы источников и потребителей программ (К1 и К2), корректирующие контуры (КК), регуляторы уровня (РУ), линейные усилители (ЛУ), измерители уровня (ИУ). Для предотвращения перегрузки служат усилители-ограничители (УО). Кроме того, в ЦА имеются контрольные громкоговорители, магнитофоны (Маг), радиоприёмники, устройства для введения в программу сигналов точного времени (СТВ), позывных программ, первичные часы (ПЧ), системы электрических часов радиодома.
















