150624 (766872), страница 4
Текст из файла (страница 4)
Предварительное замечание. Световой луч, достигнув движущейся поверхности, отражается от нее. Точка отражения становится новым (вторичным) источником светового сигнала. В силу этого в системе отсчета
время возвращения светового луча будет искажено (эффект «деформации» расстояния). Оно будет отличаться от действительного времени прохождения. Здесь мы воспользуемся тем, что в системе отсчета любого источника излучения свет не претерпевает искажений.
Время прямого прохождения от часов к зеркалу в собственной системе отсчета источника излучения (сплошная линия на левой фигуре рис. 6) равно
Лучи, имеющие искажения, показаны на рис. 6 пунктиром.
Время обратного прохождения собственной системе отсчета точки отражения как источника (сплошная линия на правой фигуре рис. 6) равно
В системе отсчета, связанной с источником света, световой луч идет в обратном направлении как бы «медленнее», чем в прямом направлении.
Рис. 6
Таким образом, действительное время прохождения луча равно
Оно не зависит от того, в какой инерциальной системе мы измеряем время прохождения. Тот же результат получается в системе отсчета, связанной с зеркалом. В результате учета «деформации» расстояния эффект «замедления времени» исчезает. Никакого «замедления времени» в природе не существует!
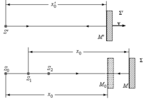
«Т р е т и й о п ы т [1]. Сравнение длин, параллельных направлению движения. Рассмотрим стержень, собственная длина которого x0. Его длина в системе
есть расстояние x0 между его концами, наблюденными «одновременно» в том смысле, как определялось выше. Чтобы избавиться от расчетов, связанных с одновременностью, рассмотрим следующее событие: пусть источник света S’, расположенный на одном конце стержня, посылает световой импульс к другому концу, где расположено зеркало M’; отразившись от зеркала, световой импульс возвращается к источнику.
Время, необходимое для прохождения светового импульса в системе
, равно
. Так как оно наблюдается с помощью одних и тех же часов и в одной точке, то это собственное время. Очевидно
(15.5)
Для наблюдателя, покоящегося в системе
, те же события будут выглядеть более сложно. Как показано на рис 7, в момент испускания светового сигнала источник S’ находится в точке S0, а зеркало M’ – в точке M0. В момент отражения зеркало M’ будет находиться в точке М. Когда же сигнал возвратится к источнику S’, последний будет в точке S2. Как и во втором опыте, измерение интервала времени
производится с помощью часов, расположенных в точках S0 и S2.
- несобственное время и его можно определить по соотношению (15.4)
Совместно с соотношениями (15.5) и (15.4) это дает
(15.7)
Рис. 7
Это изменение длины получило название лоренцевского сокращения».
Комментарий.
В системе
источник света S’ и зеркало M’ неподвижны. Поэтому время прохождения света от S’ к М’ и обратно равно
. В системе
отрезки времени прохождения искажаются. Сумма времени прохождения от S0 к М и обратно от М к S0 будет равна
Рис. 8
Соответственно, пройденное светом расстояние, которое теперь будет измерять неподвижный наблюдатель, будет равно
(5.1)
Итак, мы имеем результат, который существенно отличается от того, который приведен в описанном выше эксперименте (формула (15.7) из [1]). Однако он согласуется с эффектом «деформации» расстояний при их отображении световыми лучами.
Различие результатов обусловлено тем, что формула (15.4) из [1], которая «доказывается» во втором мысленном эксперименте
,
как было установлено, ошибочна. Ее использование как раз и привело к «сжатию масштабов».
Выражение (5.1) есть измеренная с помощью световых лучей длина движущегося отрезка. Она, как уже говорилось, «деформирована» благодаря искажениям, вносимым световыми лучами из-за движения источника светового сигнала. По этой причине ни результат (5.1), ни формула (15.7) из [1] никак не могут свидетельствовать о «сжатии» пространства в направлении движения отрезка.
Что касается четвертого «мысленного эксперимента» по синхронизации часов, то он абсурден в силу характера времени, единого для всех инерциальных систем. А «синхронизировать» интервалы, искаженные эффектом Доплера вряд ли имеет смысл.
-
О парадоксах теории относительности
Итак, рассматривая свойства световой волны, определяемые модифицированным преобразованием, мы не столкнулись с явлениями, которые для объяснения требовали бы изменений классических пространственно-временных представлений. Поэтому анализ некоторых парадоксов мы будем проводить в рамках этих представлений.
1. Парадокс близнецов. Это «застарелый» парадокс. Его логически противоречивое объяснение порождало и сейчас порождает неприятие Специальной теории относительности как научной теории. С него обычно начинается критика основ СТО и постулатов А. Эйнштейна. Мы не будем воспроизводить «релятивистское объяснение» парадокса, а предложим свое.
Комментарий. Когда неподвижный близнец видит пролетающего мимо него брата, он обнаружит, что темп (ритм) его жизни течет «медленнее», чем его. То же явление обнаружит в своей системе пролетающий близнец. Ему будет казаться, что темп времени его неподвижного брата медленнее.
Это явление обусловлено эффектом Доплера. Поскольку инерциальные равноправны, наблюдаемые явления симметричны. Но парадокса нет, т.к. время во всех инерциальных системах отсчета едино (сущность), и, как следствие, возраст близнецов будет всегда одинаков. Реально наблюдаемая «моложавость» движущегося брата будет определяться только временем, которое необходимо затратить свету, чтобы преодолеть расстояние от движущегося брата к неподвижному.
2. О релятивистской массе [8]. Так называемая релятивистская масса движущегося объекта определяется соотношением (верным и для частиц, движущихся со скоростью света):
Релятивистская масса движущегося объекта больше массы покоя:
и возрастает с увеличением скорости. «Утяжеление» следует понимать лишь условно, так как второй закон Ньютона в форме F = m'a всё равно не выполняется (направление ускорения в общем случае не совпадает с направлением силы).
В современной физической литературе по СТО, однако, принято, что m — масса частицы (инвариантная масса) не зависит от скорости, являясь инвариантом относительно преобразований Лоренца, и является величиной неаддитивной. Понятие «релятивистской массы» не используется и не рекомендуется к применению, хотя оно и встречается в ранних работах по теории относительности.
Комментарий. Показательно последнее цитированное предложение: «Понятие «релятивистской массы» не используется и не рекомендуется к применению, хотя оно и встречается в ранних работах по теории относительности». Это же относится к введенным ранее А. Эйнштейном понятиям «продольной» и «поперечной» массы.
На самом деле никакого «утяжеления массы» нет. Если мы запишем релятивистское уравнение движения, выразив его через действительную скорость относительного движения массы и источника силы, действующего на эту массу, то придем к уравнению механики Ньютона
Как было показано в работе [9], все парадоксы, связанные с прямолинейным относительным движением, имеют одну и ту же общую структуру. А это свидетельство того, источником парадоксов является не физическая «необычность» теории относительности, а гносеологическая (мировоззренческая) ошибка [9].
3. Парадоксы, связанные с вращательным движением. Таких парадоксов несколько. Но наиболее известным является парадокс Эренеста. Допустим, мы находимся на оси вращения диска и наблюдаем за его движущимся краем. Согласно теории относительности окружность (край) диска должна испытывать лоренцево сокращение. Наблюдатель должен обнаружить, что отношение длины окружности края к его диаметру не равно
. Приведем отрывок из [10] (стр. 274):
«Здесь же полезно провести простое рассуждение, наглядно иллюстрирующее неизбежность возникновения неевклидовости пространства при переходе к неинерциальным системам отсчета. Рассмотрим две системы отсчета, из которых одна (K) инерциальна, а другая (K') равномерно вращается относительно K вокруг общей оси z, Окружность в плоскости x, y системы K (с центром в начале координат) может рассматриваться и как окружность в плоскости x', y' системы K'. Измеряя длину окружности и ее диаметр масштабной линейкой в системе K, мы получаем значения, отношение которых равно π, в соответствии с евклидовостью геометрии в инерциальной системе отсчета. Пусть теперь измерение проводится неподвижным относительно K' масштабом. Наблюдая за этим процессом из K, мы найдем, что масштаб, приложенный вдоль окружности, претерпевает Лоренцево сокращение, а радиально приложенный масштаб не меняется. Ясно поэтому, что отношение длины окружности к ее диаметру, полученное в результате такого измерения, оказывается больше
».
Попробуйте синтезировать эту ситуацию на плоскости, описать такую модель и дать ей физическое объяснение!
Мы не будем воспроизводить здесь анализ парадокса. Он дан в работе [4]. Отметим только, что, никакого реального «сокращения» окружности диска нет, поскольку нет релятивистского «сокращения масштаба». Что касается «релятивистских объяснений», то они сводятся к гипотезе ad hos, запрещающей существование «абсолютно жестких тел». Такой подход можно отнести к разряду околонаучной фантастики. Роль упомянутой гипотезы только в том, чтобы защитить СТО от критики.
Заметим, что при вращательном движении эффект Доплера, аберрация и «деформация» расстояний отличаются от того, что имеет место при линейном поступательном движении, поскольку расстояние и угол аберрации сохраняются неизменными для точки, двигающейся по окружности. Эти явления при произвольном движении источника света еще подлежат осмыслению. Что касается СТО, то эти явления даже не анализировались.
Хотя ОТО и не входит в «Gedanken Experiments», все же стоит сказать о ней, как об еще одной физической несуразице. Принцип эквивалентности инерциальной и гравитационной масс, предложенный Эйнштейном, несостоятелен как с философской, так и физической точек зрения. Гравитация – способность материальных объектов притягиваться друг к другу. Инерция это свойство тела противостоять действию силы, приложенной к этому телу. Отождествлять массы – означает отождествлять столь разнородные свойства. А это нонсенс.
Результатом «гибрида» принципа эквивалентности и пространственно-временых искажений родились схоластические монстры: ОТО, теория «Большого взрыва», струны, суперструны, черные дыры и другая фантастическая околонаучная схоластика. Она имеют такое же отдаленное отношение к физике, какое имели споры средневековых схоластов о том: «сколько чертей уместится на конце иглы?» - к современной экономике.
-
-
Заключение
Прежде всего, ответим на вопрос: почему ошибочная теория СТО оказалась столь «живучей»? Мы видим здесь две причины. Первая причина – упадок материалистической философии. Материалистическую философию связывают с отношением сознания и материи: материя первична, сознание есть продукт материи. Но материализм не только в приверженности этому принципу. Он невозможен без добросовестного, ответственного и честного отношения к науке и к соблюдению норм научной этики.
















