126163 (756755), страница 3
Текст из файла (страница 3)
Рис. 2.2. Преобразование кинематической цепи
Различают плоские и пространственные механизмы. В плоских механизмах все точки звеньев движутся в одной или параллельных плоскостях. Наиболее распространенные типы плоских механизмов: четырехшарнирный, кривошипно-ползунный, кулисный (рис. 2.3) [4].
Рис. 2.3. Схемы плоских механизмов
Кривошипом (поз. 1 на рис. 2.3) называется звено, соединенное со стойкой вращательной парой и совершающее относительно стойки полное вращательное движение. Коромысло (поз. 3 на рис. 2.3, а) также соединено со стойкой вращательной парой, но совершает относительно нее неполное вращательное (качательное) движение. Кулисой (поз. 3 на рис. 2.3, в, г) называется звено с подвижными направляющими, соединенное со стойкой вращательной или поступательной парой. Ползун (поз. 3 на рис. 2.3, б) соединен со стойкой поступательной парой и совершает поступательное движение. Звено (поз. 2 на рис. 2.3, а, б), совершающее относительно стойки плоское (совокупность поступательного и вращательного) движение и соединенное с другими звеньями вращательными парами, называется шатуном.
В кулисном механизме (рис. 2.3, в) звенья 2 и 3 могут иметь разное конструктивное оформление. Звено 2 совершает поступательное движение в направляющих кулисы и называется кулисным камнем.
Под степенью подвижности механизма понимается число независимых параметров, которое необходимо задать для определения положения всех подвижных звеньев. Грубо говоря, это число двигателей, необходимое для получения на выходе механизма определенного движения (каждый двигатель – одна координата, параметр). В механизме с одной степенью подвижности достаточно задаться значением одного параметра для определения положения всех подвижных звеньев Преимущественное распространение получили механизмы с одной и двумя (дифференциальный зубчатый механизм) степенями подвижности.
При аналитическом определении степени подвижности составляется система сложных нелинейных уравнений связи между параметрами относительного движения.
Практически степень подвижности механизма определяется из его структурной формулы, связывающей степень подвижности с числом звеньев механизма, числом и видом кинематических пар. Для пространственного механизма структурная формула определяется выражением
w = 6 (n - 1) – 5 p5 – 4 p4 – 3 p3 –2 p2 –1 p1 ,
где (n - 1) – число подвижных звеньев (n – общее число звеньев, включая и стойку),
pi – число кинематических пар класса i, входящих в состав механизма,
i – число связей, накладываемых парой класса i.
Для плоских механизмов при определении степени подвижности можно использовать структурную формулу Сомова и Чебышева:
w = 6 (n - 1) – 5 p5 – 4 p4.
При проектировании таких механизмов заранее предопределяется, что их звенья не могут совершать трех движений (из коэффициентов вычитается 3): вращений вокруг осей x и y и поступательного движения вдоль оси z, перпендикулярной плоскости xy (т.е. накладываются три общих для всех звеньев связи).
Рис. 2.4. Механизм эллипсографа
При проектировании механизмов нужно исключить возможность появления избыточных связей, при которых может возникнуть заклинивание механизма. Примером является механизм эллипсографа: произвольные точки отрезка BD описывают эллипсы, и только его середина (т. А) движется по окружности (рис. 2.4, а). Из структурной формулы (n =5, p5 = 6) следует, что w = 0. Если точку А сместить от середины отрезка, то действительно w = 0. Поэтому целесообразно изменить структуру механизма, изъяв звено ОА (и кинематические пары О и А) или один из ползунов 3 или 4 (кинематические пары, соединяющие ползун со стойкой и шатуном) (рис. 2.4, б). К избыточным связям могут приводить погрешности изготовления и сборки.
6. Анализ и синтез механизмов
В инженерной практике часто требуется решение аналитическими методами двух основных задач – анализа и синтеза, представляющих собой диалектическое единство противоположностей. Они противоположны, т.к. взаимно обратны. Единство этих задач с математической точки зрения состоит в том, что решают их, как правило, с помощью одних и тех же математических моделей и уравнений [1].
[Крайнев] Анализ механизма – исследование кинематических и динамических свойств механизма по заданной его схеме (рис. 2.5).
Рис. 2.5. Анализ механизма
;
;
;
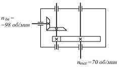
Синтез механизма – проектирование схемы механизма по заданным его свойствам. Включает выбор структурной схемы (структурный синтез) и определение постоянных параметров выбранной схемы механизма по заданным его свойствам (параметрический синтез). Различают также кинематический и динамический синтез (Крайнев). Если предположить, что на рис. 2.6 изображено только расположение входного и выходного валов редуктора и приведены только частоты их вращения, то изображенные внутри корпуса передачи являются одним из вариантов синтеза редуктора.
Рис. 2.6. Синтез механизма
7. Эксплуатационные свойства машин и механизмов
1. Надежность машин и механизмов как важнейшее эксплуатационное свойство.
Под надежностью понимают свойство изделия выполнять заданные функции, сохраняя свои эксплуатационные показатели в заданных пределах в течение заданного промежутка времени или требуемой наработки (объем работы изделия, измеряемый в часах, циклах, метрах, штуках и т.д.) [1].
Любая ТС, машина создаются для выполнения определенных функций в течение заданного срока службы. Функциональная пригодность конструкции определяется степенью надежности машины, показателями ее работоспособности. При определении надежности чаще всего исходят из понятия отказа машины, т.е. любой ее вынужденной остановки [3].
Отказ может происходить не только по причине разрушения отдельных узлов или деталей, но и выхода погрешностей выполнения машиной своего функционального назначения за пределы норм. Отказ может наступить и потому, что машина выполняет свою работу с такими ошибками, при которых либо полностью нарушается технологический процесс, либо производимые изделия и операции непригодны (брак). Два фактора – 1) поломка (разрушение) деталей и 2) нарушение точности работы устройства – практически определяют функциональную надежность машины. Они зависят от полноты выполнения функционально-эксплуатационных (эксплуатационных) требований, предусматриваемых ТЗ и реализуемых посредством технических решений, закладываемых в конструкцию машины.
Разрушение деталей (1-й фактор) – следствие их недостаточной объемной и поверхностной прочности. При наличии достаточного ассортимента машиностроительных материалов и методов изготовления, развитой науки о прочности любым деталям и узлам можно придать требуемую (практически неограниченную) долговечность и гарантировать их от разрушения. То, что разрушение деталей все же происходит, объясняется конструктивными и технологическими дефектами, неправильной эксплуатацией или случайностью.
Конструктивные дефекты – неверная оценка степени нагружения детали, местоположения опасных сечений и наиболее нагруженных точек. Обычные в инженерной практике методы анализа (расчета) позволяют определить напряжения с удовлетворительной точностью для сравнительно немногих простейших расчетных случаев. Анализ большинства сложных деталей на прочность основан на упрощениях, которые не всегда выдерживаются в реальных условиях.
Расхождение истинных значений (фактических) напряжений и расчетных обусловлено отклонениями:
- расчетной схемы от действующих условий нагружения;
- фактических значений действующих сил от номинальных.
Эти отклонения объясняются влиянием сопряженных деталей; упругими свойствами системы; неточностями изготовления и монтажа; перегрузками вследствие превышения расчетных режимов эксплуатации; изменением характеристик прочности материала в связи с изменением температуры и в результате действия вибраций, изменением форм и размеров деталей вследствие износа.
Таким образом, для предохранения деталей от разрушения конструктор должен учитывать следующие функционально-эксплуатационные требования:
-объемную и поверхностную прочность при статических и динамических нагрузках;
-жесткость конструкции;
-износостойкость трущихся деталей;
-тепло- и хладостойкость деталей;
-вибростойкость конструкции.
Нарушение функциональной точности (2-й фактор) – следствие отклонений формы, размеров и расположения поверхностей деталей и самих деталей, составляющих конструкцию. Эти отклонения возникают в результате ошибок при изготовлении деталей и узлов, неизбежных деформаций в конструкции под влиянием действующих нагрузок, износа трущихся деталей, неточностей монтажа и регулировки, температурных изменений.
Ошибки изготовления, зазоры в подвижных соединениях узлов машины обычно учитываются конструктором в процессе проектирования на основе теории точности. Влияние деформаций деталей и их износа достаточно трудно учесть, во-первых, потому, что еще недостаточно разработана теоретическая база таких расчетов, а, во-вторых, эти факторы непрерывно меняются в процессе эксплуатации. Поэтому конструкторы всегда предусматривают возможности выполнения необходимых регулировок, наличие автоматических компенсаторов изменения формы, размеров и расположения деталей.
Следовательно, для установления нормальной функциональной точности работы машины конструктору необходимо учитывать такие функционально-эксплуатационные требования:
-статическую и динамическую точность работы устройства;
-жесткость деталей и узлов конструкции;
-износостойкость трущихся поверхностей деталей машин.
Последние два фактора влияют (см. выше) и на прочность деталей машины.
Реализация всех этих функционально-эксплуатационных требований является основой для создания рациональной конструкции машины. Однако не всегда удается найти проектное решение, полностью отвечающее всем этим требованиям. Безупречная во всех отношениях конструкция – редкая удача. И дело здесь, прежде всего, в противоречивости выдвигаемых требований. В подобных случаях принимается компромиссное решение за счет требований, не имеющих первостепенного значения в данных условиях применения машины.
2. Показатели, характеризующие надежность: безотказность, долговечность и сохраняемость, ремонтопригодность машин и механизмов.
Безотказностью называют свойство изделия непрерывно сохранять работоспособное состояние в течение некоторого времени или некоторой наработки.
Долговечностью называют свойство изделия сохранять работоспособность до наступления предельного состояния при установленной системе технического обслуживания и ремонта. Долговечность характеризуется ресурсами. Техническим ресурсом называют наработку изделия от начала эксплуатации или ее возобновления после ремонта определенного вида (среднего или капитального) до наступления предельного состояния. Назначенным (общетехническим) ресурсом называют суммарную наработку изделия, по достижении которой применение по прямому назначению должно быть прекращено (независимо от состояния изделия). Прекращение эксплуатации связано с требованиями безопасности (возможностью наступления катастрофического отказа) или экономической целесообразностью. В пределах назначенного ресурса предусматривают один или несколько ремонтов. Под предельным состоянием изделия понимается состояние, определяемое невозможностью его дальнейшей эксплуатации, обусловленное либо снижением эффективности, либо требованиями безопасности.
Сохраняемость – свойство изделия сохранять значения показателей безотказности, долговечности и ремонтопригодности в течение и после хранения и (или) транспортирования. Характеризуется сроком сохраняемости и гамма-процентным сроком сохраняемости.
Ремонтопригодностью называют приспособленность изделия к предупреждению и обнаружению причин возникновения отказов, повреждений и поддержанию и восстановлению работоспособного состояния путем проведения технического обслуживания (ТО) и ремонта (например, возможность замены детали в эксплуатации). Показатели – среднее время восстановления, удельная трудоемкость ТО и ремонта, относительная стоимость ремонта [1].
3. Методы проектирования и конструирования, направленные на повышение надежности: унификация, типизация, агрегирование, взаимозаменяемость.
Унификация состоит в многократном применении в конструкции одних и тех же элементов, что способствует сокращению номенклатуры деталей и уменьшению стоимости изготовления, упрощению эксплуатации и ремонта машин. Унификация конструкторских элементов (посадок, резьбовых шпоночных и шлицевых соединений, зубчатых зацеплений, фасок и галтелей) позволяет сократить номенклатуру обрабатываемого, мерительного и монтажного инструмента.
Унификация оригинальных деталей и узлов может быть внутренней (в пределах данного изделия) и внешней (заимствование деталей с иных машин данного или смежного завода).
Унификация марок и сортамента материалов, электродов, типоразмеров крепежных деталей, подшипников качения и других стандартных деталей облегчает снабжение завода-изготовителя и ремонтных предприятий материалами, стандартными покупными изделиями.
Типизация является разновидностью стандартизации. Это разработка типовых конструкций или технологических процессов на основе общих для ряда изделий (процессов) технических характеристик.
















