170025 (742685)
Текст из файла
Классификация сточных вод в промышленном водоснабжении
Сточные воды как ресурс промышленного водоснабжения можно подразделить на несколько групп в зависимости от экономичности их использования для водоподготовки.
К первой группе следует отнести сточные воды с минерализацией до 3 кг/м3, не содержащие органических загрязнений либо содержащие органические вещества, которые можно удалить сорбцией на гидроксидах алюминия и железа при очистке воды коагулянтами или сорбировать активными углями, полимерными смолами и другими материалами с развитой пористостью и поверхностью. Эти сточные воды после очистки от органических веществ можно обессоливать методами ионного обмена.
Ко второй группе целесообразно отнести сточные воды с минерализацией от 3 до 10–15 кг/м3. Для обессоливания таких сточных вод пригодны методы электродиализа и обратного осмоса, но применять эти методы можно только после очистки воды от органических веществ, катионов жесткости и железа. Эти методы обессоливания воды пока еще не нашли применения в установках достаточно большой мощности. Однако в этой области достигнуты успехи, позволяющие надеяться на создание таких установок в ближайшие несколько лет.
К третьей группе следует отнести сточные воды с минерализацией более 15 г./л, обессоливание которых возможно лишь термическими методами. Для защиты внешней среды такие методы деминерализации сточных вод приходится иногда применять, но затраты на их осуществление делают использование сточных вод третьей группы в качестве ресурса водоснабжения промышленности мало перспективными
К сегодняшнему дню разработано несколько способов очистки производственных стоков. Отличие между этими способами состоит и в лежащей в их основе природе процессов, и в технологических параметрах.
Можно выделить три основных способов очистки сточных вод: химико-физические, механические, и биологические. К механическим способам очистки сточных вод можно отнести фильтрование, осаждение, и флотацию стоков.
Механический этап
Производится предварительная очистка поступающих на очистные сооружения сточных вод с целью подготовки их к биологической очистке. На механическом этапе происходит задержание нерастворимых примесей.
Сооружения для механической очистки сточных вод:
решётки (или УФС – устройство фильтрующее самоочищающееся) и сита;
песколовки;
первичные отстойники;
мембранные элементы;
септики.
Для задержания крупных загрязнений органического и минерального происхождения применяются решётки и для более полного выделения грубодисперсных примесей – сита. Максимальная ширина прозоров решётки составляет 16 мм. Отбросы с решёток либо дробят и направляют для совместной переработки с осадками очистных сооружений, либо вывозят в места обработки твёрдых бытовых и промышленных отходов.
Затем стоки проходят через песколовки, где происходит осаждение мелких частиц (песок, шлак, бой стекла т. п.) под действием силы тяжести, и жироловки, в которых происходит удаление с поверхности воды гидрофобных веществ путём флотации. Песок из песколовок обычно складируется или используется в дорожных работах.
В последнее время мембранная технология становится перспективным способом при очистке сточных вод. Очистка сточных вод с использованием прогрессивной мембранной технологии применяется в комплексе с традиционными способами, для более глубокой очистки стоков и возврат их в производственный цикл.
Очищенные таким образом сточные воды переходят на первичные отстойники для выделения взвешенных веществ. Снижение БПК составляет 20–40 %.
В результате механической очистки удаляется до 60–70 % минеральных загрязнений, а БПК5 снижается на 30 %. Кроме того, механическая стадия очистки важна для создания равномерного движения сточных вод (усреднения) и позволяет избежать колебаний объёма стоков на биологическом этапе.
Метод осаждения может использоваться, например, для очистки сточных вод от взвешенных веществ. Фильтрация сточных вод при помощи данного метода можно организовать двумя различными способами: либо под действием силы тяжести – при отстаивании сточных вод, или же под действием центробежной силы. Установки, очищающие сточные воды такими способами, как правило, могут удалять нерастворимые взвеси размером более нескольких долей милиметра. При фильтрации сточных вод нередко используют многоступенчатые отстойники. При этом частично очищенная на первой ступени сточная вода под напором подается в следующие отстойники.
Другим методом очистки производственных сточных вод и загрязненных вод другого происхождения от крупнодисперсных субстанций является метод флотации. Суть данной методики состоит в переносе загрязняющих агентов на поверхность обрабатываемых сточных вод при помощи воздушных пузырьков. Как результат флотации, образуются пенные образованя, содержащте загрязнителиводы, которые, затем, удаляются особыми скребками. Пузырьки воздуха для флотации могут быть получены механическими спосабами – при помощи турбин или форсунок, при помощи электрофлотации воды и другими способами.
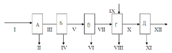
Пожалуй, самым широко используемым в настоящее время методом очистки сточных воды от крупнодисперсных агентов является процесс фильтрации стоков через пористые материалы или сетки с нужным пространственным рейтингом фильтрации. Очистка сточных вод с использованием указанных процессов важна, если необходимо использование оборотной воды. Принципиальная схема узла механической очистки сточных вод
Позиции:
А – решетка,
Б – песколовка,
В-горизонтальный отстойник,
Г – осветлитель,
Д – пресс-фильтр.
Потоки:
I – сточная вода от производства,
II – шлам, осевший на решётке,
III – вода на дальнейшую очистку,
IV – осадок песколовки,
V – вода на доочистку в отстойник,
VI – шлам отстойника,
VII – вода в фильтр,
VIII – шлам осветителя,
IX – сточные воды от производства катализатора гидрокрекинга в качестве коагулянта,
X – вода на фильтр,
XI – осадок фильтра,
XII – вода на дальнейшую доочистку.
Сооружения для отстаивания и коагуляции взвесей и коллоидов промышленных сточных вод
Для удаления из сточных вод взвешенных веществ методом отстаивания используют аппараты периодического и непрерывного действия. Отстойники периодического действия целесообразны при небольших объемах сточных вод или при их периодическом поступлении. Обычно они представляют собой металлические или железобетонные резервуары с коническим днищем, из которых вода отбирается декантацией через сифон или специальные желоба. Осадок из таких отстойников удаляют чаще всего вручную. Размеры отстойников периодического действия определяются расходом сточной воды и гидродинамическими свойствами осаждаемой взвеси.
Общая схема биологической очистки сточных вод показана на рис. 1, 2. Механическую очистку сточных вод можно выполнять двумя способами.
Первый способ состоит в процеживании воды сквозь решетки и сита, в результате чего отделяются твердые частицы. Второй способ заключается в отстаивании воды в специальных отстойниках, в результате чего минеральные частицы оседают на дно.
Сточные воды из канализационной сети сначала поступают на решетки или сита, где они процеживаются, а крупные составляющие – тряпки, кухонные отходы, бумага и т. п. – удерживаются. Задержанные решетками и сетками крупные составляющие вывозят для обеззараживания.
Песколовки защищают отстойники от загрязнения минеральными примесями. Конструкция песколовок может быть различной и зависит от количества поступающих стоков. После песколовок воды поступают в первичные отстойники, где осуществляется осаждение нерастворимых взвешенных частиц как органического, так и минерального происхождения. Песколовки бывают горизонтальные, вертикальные и щелевые.
Горизонтальные и вертикальные песколовки применяют на очистных сооружениях, щелевые – на каналах. Горизонтальные и вертикальные песколовки устраивают, если объем хозяйственно-фекальных вод превышает 300 м3/сут. Песколовки проектируют двухсекционными, чтобы во время ремонта и очистки от песка работала хотя бы одна секция, даже с временной перегрузкой.
В горизонтальной песколовке процесс осаждения песка и других частиц минерального происхождения осуществляется при горизонтальном движении жидкости со скоростью 0,1 м/сек. В вертикальных песколовках осаждение осуществляется в период подъема жидкости снизу вверх со скоростью 0,05 м/сек. Выбор того или иного типа песколовки зависит от общей высотной компоновки сооружения.
Отстойники – основной и наиболее распространенный тип очистных сооружений. В них оседают нерастворенные взвешенные частицы как органического, так и минерального происхождения. Отстойники бывают с горизонтальным движением воды – горизонтальные и с вертикальным движением воды – вертикальные.
При больших расходах сточных вод применяют отстойники непрерывного действия. При расходе сточных вод не более 50000 м3/сут используют вертикальные отстойники. Сточная вода подводится по лотку и центральной трубе в нижнюю часть отстойника. Выходящая из центральной трубы вода движется снизу вверх к сборным лоткам и отводящему лотку. Во время движения «сточной воды из нее выпадают взвеси, – удельный вес которых больше удельного веса воды. Отстойники рассчитывают по заданному расходу Q и времени отстаивания t, которое определяют на основании результатов опытов по отстаиванию данной или аналогичной сточной жидкости
Кроме этого бывают радиальные отстойники, в которых вода движется в радиальном направлении. Расчет отстойников для хозяйственно-фекальных вод выполняется с наибольшим приплывом сточных вод.
Отстойники могут быть первичными и вторичными. Первичные отстойники устанавливают перед сооружениями биологической очистки, а вторичные – устанавливают для вторичного просветления воды после сооружений биологической очистки. После биофильтров вторичные отстойники одновременно являются и контактными. Если местные условия позволяют выпускать сточные воды после первых отстойников в водоемы, то в схеме механической очистки должно предусматриваться обеззараживание (хлорирование) в контактном резервуаре.
Осадок, полученный в первичных отстойниках, перегнивает, а затем его высушивают на специально отведенных площадках и используют в качестве сельскохозяйственного удобрения. Вертикальные отстойники могут быть прямоугольными или круглыми в плане.
Чаще всего используются круглые отстойники, которые представляют собой резервуары со срезанным коническим днищем. В центре отстойника устанавливается труба, по которой сточные воды поступают к нижней части отстойника. По периферии отстойника устраивают сборные желоба. Осаждение суспензии в отстойнике осуществляется тогда, когда сточная вода отбивается от зонта и центральной трубы и со скоростью 0,7 мм/сек поднимается вверх. Образовавшийся в отстойнике осадок удаляется иловой трубой под действием столба воды.
Горизонтальные отстойники представляют собой резервуары, длина которых в 4–5 раз больше их ширины. Устраивают их преимущественно из железобетона, кирпича, камня и других водостойких материалов. Резервуары имеют наклон в сторону приямка, который устраивают вначале отстойника (за потоком воды). Такая конструкция обеспечивает наиболее интенсивное осаждение суспензии.
Для равномерного распределения потока сточных вод по ширине отстойника вначале и в конце его устраивают желоба. Для распределения жидкости по всей глубине отстойника в начале на некоторую глубину устанавливается отбойная доска. Чтобы предотвратить вынос на поверхность жидкости веществ, которые всплывают, в конце отстойника устанавливают плавающую доску.
В больших отстойниках для удаления осадка устанавливают механические скребки, с помощью которых осадок подается в приямок, а оттуда удаляется иловой трубой. Радиальные отстойники являются разновидностью горизонтальных. В плане они представляют собой круглые железобетонные резервуары, в которых жидкость движется в горизонтально-радиальном направлении от центра к периферии.
Вода поступает в центральную распределительную трубу, а собирается периферийным лотком. В отстойниках данного типа хорошо объединяется смена рабочего сечения с динамикой осаждения суспензии. Поперечное сечение отстойника от центральной трубы к периферийному лотку постепенно увеличивается.
Обычный эффект осветления сточных вод в первичных отстойниках не более 60 %, а вынос взвешенных частиц превышает 100–150 мг/л, что создает неблагоприятные условия для дальнейшей биологической очистки сточных вод. Для большей эффективности осветления сточных вод применяют взвешенные фильтры (аналогично с осветлением питьевой воды). В осветлителях со взвешенным фильтром осуществляется взаимная коагуляция взвешенных частиц или флокуляция.
Так как загрязненные сточные воды являются дисперсной системой, в которой крупные частицы в совокупности с мелкими ускоряют коагуляцию, задача состоит в том, чтобы создать оптимальные условия для коагуляции сточных вод. Для этого выполняют предварительную аэрацию сточных вод в аэраторах или в биокоагуляторах.
Характеристики
Тип файла документ
Документы такого типа открываются такими программами, как Microsoft Office Word на компьютерах Windows, Apple Pages на компьютерах Mac, Open Office - бесплатная альтернатива на различных платформах, в том числе Linux. Наиболее простым и современным решением будут Google документы, так как открываются онлайн без скачивания прямо в браузере на любой платформе. Существуют российские качественные аналоги, например от Яндекса.
Будьте внимательны на мобильных устройствах, так как там используются упрощённый функционал даже в официальном приложении от Microsoft, поэтому для просмотра скачивайте PDF-версию. А если нужно редактировать файл, то используйте оригинальный файл.
Файлы такого типа обычно разбиты на страницы, а текст может быть форматированным (жирный, курсив, выбор шрифта, таблицы и т.п.), а также в него можно добавлять изображения. Формат идеально подходит для рефератов, докладов и РПЗ курсовых проектов, которые необходимо распечатать. Кстати перед печатью также сохраняйте файл в PDF, так как принтер может начудить со шрифтами.














