166751 (740430), страница 3
Текст из файла (страница 3)
Синтез наноразмерного ТiO2 из алкоксидов титана, исследование дисперсности и фазового состава
Для синтеза ТiO2 из алкоксидов титана наиболее предпочтительны тетраизопропоксид (далее изопропоксид) титана и тетрабутоксид (далее бутоксид) титана.
Коллоидные растворы ТiO2, различающиеся размером частиц и устойчивостью, были получены из Ti(OPri)4, модифицированного ацетилацетоном, при использовании органических растворителей различной полярности и с разным молярным объемом. По данным рентгенофазового анализа (РФА), независимо от природы используемого при гидролизе органического растворителя все свежеприготовленные золи, полученные с добавлением или без добавления ацетилацетона, содержат аморфный ТiO2, который превращается в нанокристаллическую фазу анатаза при нагревании до 450°С. Однако использование растворителей с малым молярным объемом и модифицирование предшественника ацетилацетоном приводят к стабилизации коллоидного раствора ТiO2, что и является основным результатом цитируемой работы. Методом ИК-спектроскопии показано образование хелатного комплекса между изопропоксидом титана и ацетилацетоном (рис. 6), что, по мнению авторов, приводит к замедлению гидролиза и конденсации и, следовательно, к уменьшению степени агломерации частиц ТiO2, а влияние растворителя на размер агрегатов (рис. 7) объяснено с точки зрения параметров растворимости Хансена. Установлены параметры растворимости Хансена для ТiO2, полученного в различных растворителях в присутствии ацетилацетона, которые могут быть полезны при синтезе стабильного коллоидного ТiO2.
Данные о размере частиц ТiO2 в коллоидных растворах и степени их агрегации в сухих порошках получены с помощью методов светового рассеяния, сканирующей электронной микроскопии (СЭМ) и ПЭМ.
Изопропоксид титана, диэтаноламин (ДЭА) и этанол (в соотношении 3:1:20 по объему) были использованы в качестве исходных реагентов для получения золя ТiO2 При этом важен порядок смешения компонентов, так как введение EtOH перед добавлением ДЭА приводит к очень быстрому осаждению ТiO2, что обусловлено высокой реакционной способностью алкоксида в этаноле. Поэтому сначала смешивают половину объема спирта с ДЭА, затем добавляют изопропоксид титана, перемешивают в течение 30 мин и только после этого добавляют остальное количество ЕtOН, полученную смесь интенсивно перемешивают при комнатной температуре. Золь стабилен в течение недели, после чего переходит в гель. Отмечено, что при уменьшении времени перемешивания золя наблюдается значительное увеличение его стабильности. Стабильность золя также существенно возрастает в условиях низкой влажности. В ходе высушивания образуется ксерогель, который существенно «усаживается» по сравнению с исходным гелем (происходит уменьшение объема в 5- 10 раз).
Рис. 6. ИК-Спектры ацетилацетона (а) и золей диоксида титана, полученных в присутствии ацетилацетона в различных органических растворителях: в ТГФ (b), ацетоне (с), бутаноле (d), хлороформе (e), толуоле (f), гексане (g). 1 — пик группы С=0 кето-формы, 2 — пик группы С = 0 енольной формы, 3 — пик группы С=0 хелатного комплекса.
Фаза чистого анатаза с размером частиц 10-20 нм может быть получена в результате очень простого низкотемпературного (100°С) синтеза в автоклаве с использованием лишь воды в качестве среды и изопропоксида титана как предшественника (без добавок). Размер, форма и фазовый состав частиц изучены методами РФА и ПЭМ.
В работе исследованы наночастицы ТiO2, полученные гидролизом Ti(OPri)4 при различных значениях рН среды. Для дальнейшего приготовления нанопорошка с узким распределением частиц по размерам была применена пептизация конечной суспензии. Отмечено влияние рН на размер и морфологию частиц нанопорошков. По данным РФА, СЭМи ПЭМ, свежеприготовленные порошки полностью состояли из кристаллической фазы анатаза. Лишь порошок, полученный из сильнокислого раствора, состоял из мелких аморфных сферических частиц.[3,945] Показано, что переход анатаза в рутил происходит при температурах ниже 600°С.
В исследовании для приготовления коллоидного раствора TiO2 использованы изопропоксид титана и смесь изопропилового спирта с соляной кислотой. В результате гидролиза изопропоксида получался коллоидный раствор ТЮ2 с концентрацией 0.9 моль *л -1.
Авторы работы для получения наноструктурных пленок готовили золь TiO2 из изопропоксида титана и смеси этанола с соляной кислотой (молярное соотношение Тi(OPri)4: НС1: EtOH : Н20 = 1:1.1:10 :10) с последующим добавлением раствора метилцеллюлозы (МЦ). Показано, что при увеличении содержания воды и разбавлении золя гелеобразование замедляется.
Из золей диоксида титана прокаливанием получали нано-порошок TiO2, из которого готовили гомогенные суспензии, необходимые для создания пленок. Стабильность суспензий TiO2 была исследована по скорости седиментации. Варьировалась концентрация нанопорошка анатаза в жидкой среде (5-10 мас.%) с добавлением и без добавления МЦ. Показано, что скорость оседания нанопорошка ТiO2 резко уменьшается в присутствии МЦ. Так, в 5- и 10%-ной суспензиях без добавления МЦ оседание происходит в течение 1 ч и 30 мин соответственно, в присутствии МЦ 5%-ная суспензия устойчива в течение 3 сут, а 10%-ная — в течение 10 ч. Таким образом, МЦ выступает в качестве диспергирующего агента. Данные СЭМ свидетельствуют о заметном улучшении гомогенности и однородности пленок ТiO2 и увеличении их удельной поверхности в присутствии МЦ .
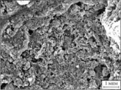
Синтез наноразмерного Ti02 золь-гель-методом на основе изопропоксида титана может быть проведен в присутствии другой добавки — пептида поли-L-лизина (PLL). В этом случае пептид является не только диспергирующей, но и структуроопределяющей добавкой: лишь в присутствии PLL образуются частицы TiO2 трубчатой формы (рис.8,a). Такая форма частиц сохраняется и после прокаливания при 700°С (рис.8,b). Прокаливание при той же температуре образца, полученного без пептида PLL, приводит к диоксиду титана с нерегулярной структурой (рис.9). По данным РФА, диоксид титана, полученный в присутствии PLL и прокаленный при 700°С, представляет собой анатаз с примесью рутила. На микрофотографиях, сделанных методом ПЭМ, наночастицы с дифракционной картиной анатаза проявляются в виде спаренных трубок диаметром около 20 нм с Y-образным сцеплением в нижней части или в форме наностержней диаметром от 10 до 25 нм. [3,946] Материалы на основе наноразмерного ТiO2 с трубчатой структурой могут быть успешно использованы в медицине, биотехнологии, микроэлектронике, оптике и др.[3, 947]
Рис. 7. СЭМ-Микрофотографии золей диоксида титана, полученных в присутствии ацетилацетона в среде ацетона (а), бута-нола (6), толуола (c,e) и гексана (d,f) Снимки e и f получены при большем увеличении.
Рис.8. СЭМ-Микрофотографии ТiO2, полученного в присутствии поли-L-лизина. a — свежеприготовленный образец, b — образец после прокаливания при 700°С.
Рис. 9. СЭМ-Микрофотография образца ТiO2, полученного без добавления поли-L-лизина, после прокаливания при 700°С.
Синтезированы и исследованы наноразмерные смешанные коллоиды состава ПАК-ТiO2 (ПАК — полиакриловая кислота). Синтез основан на золь-гель-методе in situ с использованием изопропоксида титана и бутанольного раствора ПАК. В зависимости от момента введения изопропоксида титана (до или после полного растворения ПАК) наблюдались различные картины выделения твердой фазы и гелеобразования, но после нагревания в обоих случаях получался стабильный коллоидный раствор. Для подтверждения взаимодействия между ПАК и Ti варьировалось молярное соотношение ПАК изопропоксид: вода. Методом ИК-спектроскопии надежно установлено образование хелатных комплексов. С помощью дифференциальной сканирующей калориметрии (ДСК) также показано сильное взаимодействие ПАК с Ti, ведущее к ограничению подвижности цепей ПАК. При этом, согласно данным термогравиметрического анализа (ТГА), термическая устойчивость ПАК повышается по сравнению со свободной кислотой. В целом, как следует из результатов СЭМ, порядок смешения реагентов и молярное соотношение ПАК : изопропоксид: вода существенно влияют на размер и форму агрегатов ПАК-ТiO2 и степень агрегации.
Изучен пиролиз гомогенных гелей ТiO2, которые получены гидролизом изопропоксида титана, предварительно обработанного муравьиной или щавелевой кислотой для регулирования процесса гелеобразования. Аморфный гель диоксида титана был охарактеризован методами ИК-спектроскопии, РФА и адсорбции N2 . Для обнаружения, количественной оценки и идентификации органических примесей в геле ТiO2 , а также для определения степени их удаления в процессе пиролиза применяли метод ТГА в сочетании с газохроматографическим анализом и масс-спектрометрией [3, 948].
При увеличении продолжительности гидролиза от 5 до 10 и 20 сут при прочих одинаковых стандартных (см. выше) условиях наблюдается рост частиц с последующей их агрегацией и изменением морфологии (рис. 10).[3,949]
Рис. 10. ПЭМ-Микрофотографии частиц ТЮг, образующихся при гидролизе Ti(OBun)4 в стандартных условиях в течение 5 (а), 10 (b) и 20 сут (с).
Золь – гель метод дает не только возможность регулировать и воспроизводить соотношение кристаллических фаз TiO2 (анатаза, рутила и брукита) в конечном продукте, но и получать каждую фазу в чистом виде.[3, 953]
Заключение
Нанотехнологии широко внедряются в различных отраслях промышленности. В данном реферате был рассмотрен один из методов формирования наноструктур – золь-гель метод. Золь-гель процесс проходит в три этапа. На первом этапе происходит образование золя, второй этап – этап гелеобразования, третий – окончательное формирование наноструктуры.
Наноструктура, полученная данным методом, обладает уникальными свойствами (выдерживает высокие температуры, износостойкая, прочная и др.) и имеет широкий спектр применения. Например, золь-гель метод используют для работ, направленных на выявление примесей или замещений на свойства керамических материалов.
Список использованной литературы
-
«Золь-гель процесс» [Электронный ресурс] – URL (http://www.chemport.ru/chemical_encyclopedia_article_1299.html). Проверено 10.11.2009.
-
«Синтез твердых растворов и исследования низкотемпературных фазовых превращений» [Электронный ресурс] – URL (http://referat.niv.ru/referat/026/02600097.htm).Проверено 10.11.2009.
-
Исмагилов З.Р. Синтез и стабильность наноразмерного диоксида титана/ З. Р. Исмагилов // Успехи химии. – 2009. - №9. – С. 942 – 953.
-
Старостин, В. В. Материалы и методы нанотехнологии/ В. В. Старостин – М.: БИНОМ. Лаборатория знаний, 2008. – 431с.: ил. – (Нанотехнология).
-
http://popnano.ru Проверено 10.11.2009.
-
http://www.nanotube.ru Проверено 10.11.2009.
-
http://www/gstu.gomel.by Проверено 10.11.2009.
-
http://www.eternalmind.ru Проверено 10.11.2009.
Размещено на Allbest.ru
















