166300 (740200)
Текст из файла
Реферат на тему:
Приготовление сорбентов и колонок для высокоэффективной жидкостной хроматографии
1. СОРБЕНТЫ ДЛЯ ВЭЖХ
Сорбенты для ВЭЖХ представляют собой, как правило, очень узко фракционированные силикагели разного типа с химически привитыми фазами. Хотя исходный кусковой силикагель или размолотый и грубо сепарированный для ТСХ стоят недорого, цены на сорбенты для ВЭЖХ довольно высоки. Это связано с высокой стоимостью и малой производительностью установок для получения узких фракций силикагеля, с высокими ценами на реактивы для получения привитых фаз и сложностью прививки. Следует также отметить, что технология прививки конкретной фазы к определенному виду силикагеля может сильно различаться и давать при тех же исходных компонентах совершенно разный конечный сорбент. Поэтому технология получения сорбентов каждого вида составляет «ноу-хау» фирм-производителей и держится в строгом секрете. Не следует поэтому, не имея сорбента, использованного в методике, которую вы намерены воспроизвести, удивляться и огорчаться тем, что методику не удается воспроизвести. Понятие «силикагель с привитым октадецилсиланом» является столь же общим и неопределенным, как в обиходной речи, например, понятие «прибор».
Даже тот же сорбент, полученный от одного производителя, как и всякий сложный химический продукт, может в определенных пределах варьироваться по своим свойствам и хроматографическим качествам в зависимости от партии, времени выпуска и т.д. Часто фирмы, выпускающие сорбенты и заполненные ими колонки, используют для заполнения колонок сорбент улучшенного фракционного состава или просто более мелкий с целью убедить хроматографистов в невозможности полудня «самодельных» колонок со столь же высокими параметрами эффективности, симметрии пиков, проницаемости и т.д.
Следует принять за правило, что наилучшим путем для получения воспроизводимых результатов анализа является использование для заполнения колонок одного и того же сорбента, желательно одной партии. Технология упаковки колонок этим сорбентом также не должна изменяться. Если есть возможность получать готовые заполненные колонки, это существенно упрощает работу и позволяет сосредоточиться на самой хроматографии. То же относится и к использованию готовых сорбентов для ВЭЖХ.
К сожалению, даже хорошо оснащенные лаборатории редко имеют широкий выбор сорбентов и колонок для ВЭЖХ ввиду их высокой стоимости и очень широкого ассортимента. Кроме того, часто в научной практике возникает необходимость иметь, например, силикагель с определенным размером и объемом пор и силикагель со специфическими привитыми фазами, которые могут обеспечить требуемое разделение. В этом случае наиболее быстрым и рациональным является получение сорбента и упаковка колонок своими силами, что требует, конечно, определенной квалификации.
1.1 ПОЛУЧЕНИЕ УЗКИХ ФРАКЦИЙ ДЛЯ ВЭЖХ ИЗ СИЛИКАГЕЛЯ ДЛЯ ТСХ И ПРОМЫШЛЕННОГО СИЛИКАГЕЛЯ КСК-2
Оборудование, необходимое для получения узких фракций силикагеля в количествах, достаточных для ВЭЖХ, может быть очень несложным: несколько одинаковых термостойких химических стаканов, стеклянные палочки с резиновыми наконечниками, секундомер или часы, сушильный шкаф, дистиллятор для получения воды в достаточных для работы количествах. Желательно, но не обязательно иметь систему для ультразвуковой обработки суспензий. Если исходный силикагель кусковой, нужно иметь для помола мельницу достаточной производительности, не загрязняющую размалываемый силикагель (например, даровую фарфоровую).
Если исходный силикагель берут в готовом виде, например, силикагель для ТСХ марки Л 5/40 производства ЧССР (он должен быть без связующего гипса и без УФ-индикатора), то процесс его размола отпадает. Перед тем, как начинать седиментацию этого или другого молотого силикагеля, желательно рассмотреть под микроскопом каплю его суспензии при увеличении в 100—500 раз с мерной шкалой с целью установить, присутствуют ли в достаточном количестве частицы размером от 3 до 2 мкм. Если они практически отсутствуют, значит, необходим дополнительный размол.
Сорбент получают следующим образом. В стакан вместимостью около 1 л засыпают исходный силикагель слоем около 3 см, заливают его водой, тщательно перемешивают и доводят высоту слоя суспензии точно до 12 см. Тщательно перемешав суспензию, оставляют ее стоять 15 мин, выпавший осадок отбрасывают, а суспензию переливают в другой стакан. Добавив воду снова до высоты слоя суспензии 12 см, оставляют ее стоять 1 ч. Выпавший осадок оставляют в стакане, суспензию переливают в другой стакан, добавляют воду до высоты слоя 12 см. Тщательно перемешав, оставляют суспензию стоять еще 2 ч. Выпавший осадок оставляют в стакане, суспензию переливают в новый стакан и добавляют воду до высоты слоя суспензии 12 см. Перемешивают, оставляют на 4 ч, выпавший осадок оставляют в стакане, а суспензию выливают. В результате проделанных операций получают одно-, двух- и четырехчасовые осадки.
Одночасовой осадок суспендируют, осторожно перемешивая стеклянной палочкой с резиновым наконечником в воде, доливают воду до высоты слоя 12 см и оставляют на 20 мин. Осадок отбрасывают, суспензию переливают в другой стакан, доливают воду до 12 см, перемешивают и оставляют на 1 ч. Выпавший одночасовой (второй) осадок оставляют в стакане, суспензию переливают в другой стакан, доливают воду до высоты слоя 12 см, перемешивают и оставляют на 2 ч. Выпавший осадок оставляют, а суспензию выливают. Выпавшие за 20 мин и за 2 ч осадки, которые уже имеют заметно суженный фракционный состав, собирают отдельно и в дальнейшем, по мере их накопления, сужают дальше или же используют для высокоэффективной ТСХ или препаративной ЖХ.
Второй одночасовой осадок обрабатывают как первый одночасовой, получая конечный сорбент — третий одночасовой осадок, который имеет средний размер частиц около 14 мкм и узкий фракционный состав, что хорошо видно при рассмотрении под микроскопом капли его суспензии при увеличении в 100—200 раз.
Аналогичная обработка двухчасового осадка (интервалы времени соответственно меняются на 40 мин, 2 и 4 ч) позволяет получить конечный сорбент — третий двухчасовой осадок, который имеет средний размер частиц около 9 мкм и узкий фракционный состав. При такой же обработке четырехчасового осадка (интервалы времени 80 мин, 4 и 8 ч) получают третий четырехчасовой осадок, представляющий собой узко фракционированный конечный сорбент с частицами размером около 5 мкм.
Полученные сорбенты сушат в стаканах при температуре около 150 °С в сушильном шкафу 6 ч до постоянной массы, после чего охлаждают в эксикаторе и аккуратно пересыпают в широкогорлые склянки, плотно закрывающиеся пробкой. Пересыпать сорбенты следует под вытяжкой, так как они пылят, а пыль вредна для органов дыхания.
Из 1 кг исходного силикагеля для ТСХ получается по 20—40г. каждого из сорбентов, т.е. около 70—80 г. При дальнейшем сужении промежуточных фракций тем же способом выход их еще несколько повышается. Промежуточные фракции можно использовать и для других видов хроматографии (ТСХ) или других вариантов ЖХ (полупрепаративные или препаративные разделения, очистка образцов и т. п.).
Описание получения сорбентов для ВЭЖХ, представленное выше, показывает, что процесс несложен и достаточно производителен. Полученные сорбенты по качеству не уступают имеющимся в продаже, а иногда превосходят их.
Однако при получении сорбентов этим способом следует тщательно соблюдать ряд условий. Прежде всего, все операции необходимо проводить с одной партией исходного силикагеля. Нужно строго соблюдать постоянство высоты слоя суспензии в стаканах и интервалы времени. В случае ошибки всегда лучше снова взмутить суспензию и повторить седиментацию правильно. Не следует применять больших усилий при взмучивании осадка, так как это может привести к раздавливанию большого количества частиц и ухудшению фракционного состава осадка. Наконец, при возможности нужно проводить ультралевую обработку каждой суспензии, так как это способствует разрушению слипшихся частиц (комочков) и отделению от частиц прилипших к ним субмикронных пылевидных частиц наличие которых ухудшает проницаемость и эффективность колонок с таким сорбентом.
Из силикагеля марки КСК-2 узкие фракции сорбентов для ВЭЖХ получают аналогичным способом, добавляя стадию размола исходного кускового силикагеля. Выбирая мельницу для размола, всегда обращайте внимание не только на ее производительность и степень измельчения, но и на материал ее конструкции. Продукты износа корпуса и мелющих тел мельницы должны присутствовать в размолотом силикагеле в минимальном количестве. Требования к материалам мельницы несколько менее жестки, если предполагается в дальнейшем химическое облагораживание полученных сорбентов кипячением с хлороводородной, азотной кислотами или их смесью. При этом удаляются соединения металлов переменной валентности, присутствовавшие в исходном
силикагеле (в первую очередь железа, окрашивающего КСК-2 в цвета от светло-желтого до коричневого), и внесенные в процессе размола. Такую деминерализацию силикагеля часто проводят фирмы, производящие сорбенты: при этом цвет сорбента становится белым, его каталитическая активность сводится к минимуму и одновременно гидроксилируется поверхность, что необходимо для дальнейшей полной химической прививки.
Любой ли силикагель можно использовать для получения сорбентов для ВЭЖХ таким образом? Нет, не любой. Следует учитывать не только физико-химические характеристики, приведенные в паспорте и важные для использования силикагеля в качестве осушителя, носителя катализаторов или сорбентов для ГХ. Очень важной характеристикой является его стабильность в водных суспензиях и механическая прочность, так как, если силикагель непрочен в силу технологии его получения или теряет прочность в процессе размола и приготовления суспензии, он непригоден для ВЭЖХ. Прежде всего это относится к силикагелям, нашедшим широкое применение в ГХ в качестве адсорбентов, получаемым из частиц аэросила и имеющим марки силохром С-80, С-120 и др. Приступающим к работе с новым видом силикагеля следует обратить особое внимание на размер пор, объем пор и технологию получения силикагеля данного вида. Чем больше объем пор и их размер, тем, как правило, менее прочен силикагель, но и тем больший интерес он представляет для такого применения, как получение сорбентов для эксклюзионной хроматографии, для анализа больших молекул в ионообменном и обращенно-фазном вариантах ВЭЖХ (белки, полипептиды и др.). Иногда сорбенты с одинаковыми или близкими характеристиками по размеру и объему пор, но полученные по разной технологии (или при нарушениях технологии), могут различаться по прочности в 2—10 раз. Особенно это относится к сорбентам, получаемым из тетраэтоисисилана формованием микросфер с последующим отверждением (сорбенты типа лихросфер фирмы «Мерк»).
Поэтому можно принять за правило, начиная работу по получению сорбентов для ВЭЖХ из силикагеля новых видов или партий, не делать сразу большую порцию, а получить 4—6 г сорбента и испытать его, заполнив несколько колонок при разных давлениях и испытав их характеристики. Если, например, уже при давлении набивки около 20 МПа колонка имеет резко увеличенное (по сравнению с другим сорбентом из механически прочного силикагеля той же фракции) сопротивление потоку растворителя, то трудно рассчитывать на то, что удастся получить высокоэффективные колонки, заполненные сорбентом этого вида с частицами размером около 5 мкм. Если же колонки, заполненные при 20, 40 и 60 МПа, имеют близкую проницаемость, можно делать большую партию сорбента и быть уверенным в ее качестве.
1.2 СУСПЕНЗИОННЫЕ МЕТОДЫ ПРИГОТОВЛЕНИЯ КОЛОНОК ДЛЯ ВЭЖХ
Приготовление колонок для ВЭЖХ из частиц сорбента размером от 3 до 12 мкм долго было для специалистов по ВЭЖХ труднопреодолимой проблемой. Так как при измельчении любых твердых тел их поверхность контакта резко возрастает, мелкие частицы приобретают способность заряжаться, слипаться в трудно разрушаемые комочки либо отталкиваться друг от друга с образованием неравномерно распределенных пустот.
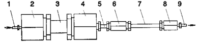
Рис .5.1. Схема устройства для суспензионного заполнения колонок:
1—капилляр для подачи растворителя от насоса; 2—верхний фитинг резервуара; 3—резервуар для суспензии; 4—нижний фитинг резервуара; 5—предколонка; 6—рассверленный под наружные диаметры колонки и предколонки фитинг; 7—колонка; 8—фитинг колонки; 9—слив растворителя в мерный цилиндр
Сорбент в заполненной традиционным методом «насыпай и уплотняй постукиванием» колонке для КХ после того, как в нее подавали растворитель, уплотнялся с образованием пустот в начале колонки, при этом форма пиков получалась неправильной, а эффективность колонки — низкой.
Разработка суспензионных методов приготовления колонок позволила резко поднять эффективность и использовать сорбенты размером 10 мкм и меньше. Однако суспензионный метод еще недостаточно отработан, и существует множество его вариантов, каждый из которых имеет свои особенности. Часто тот вариант, который описан в литературе, не дает в других руках хороших результатов, так как невозможно описать и воспроизвести все детали процесса суспензионной упаковки.
Вкратце процесс суспензионной упаковки выглядит следующим образом. Взвешивают требуемое для колонки данного размера количество сорбента, заливают его растворителем и приготавливают суспензию, тщательно перемешивая смесь, нередKO с использованием ультразвука. После этого суспензию помещают в резервуар, соединенный с колонкой, на конце которой установлен фитинг с фильтром (рис. 5.1), и под давлением 20—60 МПа продавливают суспензию через колонку, подавая резервуар насосом растворитель. Суспензия фильтруется на фильтре колонки, формируя упорядоченный слой сорбента, обеспечивающий эффективное разделение при ВЭЖХ. Останавливают поток растворителя, дают давлению упасть до нуля и снимают колонку. Аккуратно удаляют избыток сорбента с конца колонки, присоединявшегося к резервуару, и присоединяют второй фитинг с фильтром. Полученную таким образом колонку устанавливают на хроматограф, прокачивают через нее до установления равновесия рабочий растворитель, после чего она готова к работе.
При всей кажущейся несложности процесса суспензионной упаковки колонок для ВЭЖХ у начинающего хроматографиста, так же как и у имеющего опыт, но начинающего работать с новым сорбентом, возникает ряд вопросов. Какой растворитель взять для приготовления суспензии? Какую концентрацию суспензии использовать? Как лучше диспергировать сорбент? Какой формы и объема применить резервуар для суспензии? Какой насос лучше для подачи растворителя? Какое направление потока растворителя выбрать и какой взять растворитель? Какое давление использовать и сколько растворителя подавать? Сколько времени снижать давление? Как выравнивать слой сорбента и устанавливать фитинг и фильтр? На каждый вопрос существует ряд ответов, а выбор удачной комбинации вариантов всегда обусловлен не только собственным опытом, но и какими-либо общими представлениями, литературными данными и, наконец, имеющимся в наличии оборудованием.
Характеристики
Тип файла документ
Документы такого типа открываются такими программами, как Microsoft Office Word на компьютерах Windows, Apple Pages на компьютерах Mac, Open Office - бесплатная альтернатива на различных платформах, в том числе Linux. Наиболее простым и современным решением будут Google документы, так как открываются онлайн без скачивания прямо в браузере на любой платформе. Существуют российские качественные аналоги, например от Яндекса.
Будьте внимательны на мобильных устройствах, так как там используются упрощённый функционал даже в официальном приложении от Microsoft, поэтому для просмотра скачивайте PDF-версию. А если нужно редактировать файл, то используйте оригинальный файл.
Файлы такого типа обычно разбиты на страницы, а текст может быть форматированным (жирный, курсив, выбор шрифта, таблицы и т.п.), а также в него можно добавлять изображения. Формат идеально подходит для рефератов, докладов и РПЗ курсовых проектов, которые необходимо распечатать. Кстати перед печатью также сохраняйте файл в PDF, так как принтер может начудить со шрифтами.















