151550 (733064), страница 2
Текст из файла (страница 2)
Третий способ, который, по сути, является частным случаем первого, заключается в совмещении позитивного и негативного изображений дефектоскопируемого и образцового объектов соответственно.
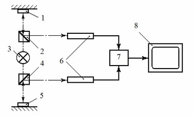
Дальнейшее развитие рассматриваемая группа методов получила в гибридных компараторах - устройствах, основанных на поэлементном сравнении идентичных изображений с помощью цифровых телевизионных систем (рис.8).
Рис. 8. Телевизионный компаратор:
1 – контролируемый объект; 2, 4 – светоделители; 3 – источник освещения; 5 – эталонный объект; 6 – ТВ-камеры; 7 – блок сравнения (вычитания видеосигнала); 8 - ВКУ
Оптические изображения от контролируемого и эталонного объектов с помощью телевизионных камер 6 преобразуются в электрические нормированные по амплитуде видеосигналы. Затем полученные видеосигналы подаются в противофазе в блок сравнения 7, а разностный сигнал преобразуется в разностное изображение, представляемое на экране видеоконтрольного устройства 8.
ЛИТЕРАТУРА
1. Давыдов П. С. Техническая диагностика радиоэлектронных устройств и систем. - М.:Радио и связь, 2000. - 256 с.
2. Ермолов И.Н., Останин Ю.Я. Методы и средства неразрушающего контроля качества: Учеб. пособие для инженерно-техн. спец. вузов.-М.: Высшая школа, 2002. - 368 с.
3. Технические средства диагностирования: Справочник / Под общ. ред. В.В.Клюева. - М.: Машиностроение, 2005. - 672 с.
4. Приборы для неразрушающего контроля материалов и изделий. - Справочник. В 2-х кн./ Под ред. В.В.Клюева - М.: Машиностроение, 2006.
5. Ж.Госсорг. Инфракрасная термография. Основы, техника, применение: Пер. с франц. – М. Мир, 2005. – 416 с.















