151501 (733047), страница 2
Текст из файла (страница 2)
Пример 1
Чему равен момент инерции
цилиндра с диаметром основания
d и высотой Н относительно оси
совпадающей с его образующей? Плотность материала цилиндра
.
Дано:
d;
Н;
.
?
Рис. 2
Решение: Согласно теоремы Штейнера момент инерции цилиндра
относительно оси
равен сумме его момента инерции
относительно оси симметрии
, проходящей через центр цилиндра С, и произведения массы цилиндра
на квадрат расстояния
между осями
и
:
.(1)
Момент инерции цилиндра
относительно оси
определяется формулой
, где
, поэтому
.(2)
Массу цилиндра выразим через его плотность
и объем
:
, где
, поэтому
; площадь основания цилиндра
и, следовательно,
.(3)
Расстояние между осями
и
. (4)
Подставив (2), (3) и (4) в (1), получаем
+
Пример 2
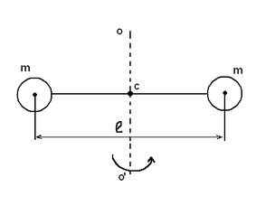
Два маленьких шарика массой
10 г каждый скреплены тонким невесомым стержнем длиной
20 см. Определить момент инерции
системы, относительно оси, перпендикулярной стержню и проходящей через центр масс.
Дано:
10 г
10-2 кг;
20 см
0,2 м.
?
Рис. 3
Решение: Общий момент инерции, проходящий через центр масс системы (точка С) равен сумме моментов инерции двух материальных точек массой
каждая и вращающихся вокруг оси
на расстоянии
.
2.10-4 кг
м2.
Пример 3
Найти момент инерции
плоской однородной прямоугольной пластины массой
800 г относительно оси, совпадающей с одной из её сторон, если длина другой стороны равна а
30 см.
Дано:
800 г
0,8 кг;
а
30 см
0,3 м.
?
Рис. 4
Решение: Найдем момент инерции пластины относительно оси
. Для этого разобьем пластину на бесконечно малые участки массой
(один из них выделен на рис. 4).
,(1)
где
- поверхностная плотность пластины;
- площадь пластины.
Так как участок массой
можно считать материальной точкой, то момент инерции этого участка относительно оси
.(2)
После подстановки выражения (1) в (2) получаем
.(3)
Складывая моменты инерции всех участков, проинтегрируем полученное выражение в пределах от 0 до а:
.(4)
Подставив численные значения, найдем
2,4
10-2 кг
м2.
Пример 4
Обруч массой
1 кг и радиусом
0,2 м вращается равномерно с частотой
3 с-1 относительно оси
, проходящей через середину его радиуса перпендикулярно плоскости обруча. Определить момент импульса обруча
.
Дано:
1 кг;
0,2 м;
3 с-1.
?
Рис. 5
Решение: Момент импульса твердого тела равен произведению момента инерции этого тела
и его угловой скорости
:
.(1)
Момент инерции обруча относительно оси
по теореме Штейнера равен сумме момента инерции этого обруча
относительно оси
, проходящей через его центр С, и произведения массы обруча
на квадрат расстояния
между осями
и
, которое, как следует из рисунка, равно
:
,(2)
где
. (3)
Угловая скорость
обруча связана с его частотой вращения
соотношением
.(4)
Подставив выражение (2), (3) и (4) в (1), получаем
0,94 кг
м2
с-1.
Пример 5
Вал в виде сплошного цилиндра массой
12 кг насажен на горизонтальную ось. На цилиндр намотан шнур, к свободному концу которого подвешена гиря массой
4 кг. С каким ускорением а будет опускаться гиря, если её предоставить самой себе?
Рис. 6
Дано:
12 кг;
4 кг;
10 м/с2.
____________
а
?
Решение: Линейное ускорение а гири равно тангенциальному ускорению точек вала, лежащих на его цилиндрической поверхности, и связано с угловым ускорением
вала соотношением
,(1)
где
радиус вала. Угловое ускорение вала выражается основным уравнением динамики вращающегося тела:
,(2)
где
вращающий момент, действующий на вал;
- момент инерций вала.
Рассмотрим вал как однородный цилиндр. Тогда его момент инерции относительно геометрической оси равен
.(3)
Вращающий момент М, действующий на вал, равен произведению силы натяжения нити Т шнура на радиус вала:
.(4)
(Учитывая, что шнур невесомый и нерастяжимый,
).
Силу натяжения шнура найдем из следующих соображений. На гирю действуют две силы: силы тяжести
, направленная вниз, и сила натяжения
шнура, направленная вверх; равнодействующая этих сил вызывает равноускоренное движение гири. По второму закону Ньютона
, откуда
.(5)
Таким образом, вращающий момент равен
.(6)
Подставив в (2) выражения (3) и (6), получаем
.(7)
Ускорение гири найдем из (1) после подстановки туда выражения (7)
, откуда
4 м/с2.
Пример 6
Однородный диск радиусом
0,2 м и массой
5 кг вращается вокруг оси, проходящей через его центр перпендикулярно плоскости диска. Зависимость угла поворота диска от времени даётся уравнением
где С=2 рад/с2. Вращению диска противодействует тормозящий момент сил трения
1 Н
м. Определить величину касательной силы
, приложенной к ободу диска.
Дано:
0,2 м;
5 кг;
;
С=2 рад/с2;
1 Н
м.
?
Рис. 7
Решение: Касательная сила
, приложенная к ободу диска, создает вращающий момент сил
, который по определению момента сил равен произведению величины этой силы
и её плеча; плечом силы
в нашем случае является радиус диска, поэтому
.(1)
Вращающему моменту сил
противодействует момент сил трения
.
Согласно основному уравнению динамики вращательного движения произведение момента инерции диска
и его углового ускорения
равно векторной сумме моментов сил, приложенных к диску относительно центра вращения тч. О.
(2)
Поскольку векторы моментов сил
и
антинаправлены (в чём можно убедиться, используя правило правого винта), то в проекциях на ось ОХ этот закон примет вид
.(3)
Момент инерции диска относительно оси вращения определяется по формуле
.(4)
Угловое ускорение диска найдем как вторую производную угла поворота диска по времени:
,
.(5)
Решая совместно (1) – (5), получаем
.(6)
После подстановки в (6) численных значений
7 Н.
Пример 7
Вследствие действия приливов продолжительность суток на Земле увеличивается за время
100 лет на
10-3 с. Определите приливную силу трения. Землю считать однородным шаром массой
6
1024 кг и радиусом
6,4
106м.
Дано:
100 лет;
10-3 с;
6.1024 кг;
6,4.106м.
?
Решение: Из основного уравнения динамики вращательного движения изменение момента импульса Земли
равно произведению момента приливной силы
на время его действия
:
=
(1)
Момент инерции Земли (однородный шар массой
и радиусом
)
.(2)
Изменения угловой скорости Земли равно
,(3)
где
- период вращения Земли (24 ч=8,64
104 с);
.
Момент приливной силы трения
.(4)
После подстановки (2), (3) и (4) в выражение (1), получаем
, откуда
.(5)
После подстановки в (5) численных значений получаем
6
109 Н.
Пример 8
Маховое колесо, имеющее момент инерции
245 кг
м2, вращается с частотой
20 с-1. В некоторый момент времени на него стала действовать тормозящая сила, в результате чего колесо через
1 мин остановилось. Радиус колеса
0,2 м. Найти величину тормозящего момента силы
и число полных оборотов
, сделанных колесом до остановки.
Дано:
245 кг.м2;
20 с-1;
1 мин
60 с;
=0,2 м.
?
?
Рис. 8
Решение: Поскольку, кроме тормозящей силы, на колесо не действуют другие силы, создающие момент сил, то согласно основному закону динамики вращательного движения
(1)
Движение колеса равнозамедленное и, следовательно, угловое ускорение колеса
равно
,(2)
где
начальная угловая скорость колеса, а
=0 – его конечная угловая скорость. Следовательно,
.(3)
После подстановки выражения (3) в (1) получаем
513 Н
м.
Полное число оборотов
можно определить, умножив его среднюю частоту вращения
, т.е. среднее число оборотов за единицу времени, на все время вращения
:
.(4)
Средняя частота вращения колеса
есть среднее арифметическое начальной
и конечной
частот вращения (это справедливо только при равнопеременном вращении твердого тела):
.(5)
Таким образом,
Пример 9
Два груза массами
2 кг и
1 кг связаны невесомой нитью, перекинутой через неподвижный цилиндрический блок массой
0,8 кг. Найти ускорение грузов и силы натяжения нитей
и
. Трением пренебречь.
Дано:
2 кг;
1 кг;
0,8 кг;
9,8 м/с2.
_____________
а
?
?
?
Рис. 9
Решение: Запишем уравнения движения грузов и блока в отдельности. Груз массой
движется вниз поступательно с ускорением
. На него действуют две силы: сила тяжести
и сила натяжения нити
. По второму закону Ньютона в векторной и скалярной формах с учетом выбранной системы координат
и
. (1)
Груз массой
движется вверх тоже поступательно с таким же, как и груз
, ускорением
.
На него действуют две силы: сила тяжести
и сила натяжения нити
.
Поскольку массой блока, а значит и его моментом инерции пренебречь нельзя, момент силы натяжения
, направленный согласно правилу правого винта влево, больше момента силы натяжения
, направленного вправо.
















