151480 (733039), страница 2
Текст из файла (страница 2)
, (1.1.5)
а мощность приёмника
(1.1.6)
В системе СИ энергия и мощность измеряются в Джоулях (Дж) и Ваттах (Вт) соответственно.
Для всех величин, введённых выше, применяются кратные и дольные единицы измерения (см. приложение 2).
Энергия часто выражается в киловатт-часах. 1кВт*ч=3,6*106 Дж.
На основании закона сохранения энергии мощность, развиваемая всеми источниками электрической энергии, входящими в электрическую цепь, должна быть равна мощности преобразования электрической энергии в другие виды энергии всеми приёмниками, входящими в эту цепь:
, где (1.1.7)
ΣEiIi – алгебраическая сумма мощностей, развиваемых источниками (Если положительное направление тока через источник ЭДС, то источник ЭДС работает в режиме генератора и произведение E*I>0. Если же направление I и E противоположны, то источник ЭДС потребляет энергию, т.е. работает в режиме приёмника и произведение E*I<0).
ΣRjIj2 – сумма мощностей всех приёмников.
Уравнение (1.1.7) называется уравнением баланса мощности для цепей постоянного тока.
8 Мощность потерь и КПД электрической цепи
В реальной электрической цепи источник электрической энергии имеет внутреннее сопротивление R0, а приёмник соединяется с источником ЭДС линией передачи и изготавливается из проводов, имеющих сопротивление RЛ.
Схема замещения такой цепи имеет вид (рис. 1.3)
a c
E RA
RН
R0 b d
Рис. 1.3
По закону Ома для полной цепи, ток I в цепи равен:
, или R0I+RЛI+RНI=E
Умножив все члены этого уравнения на I, получим уравнение баланса мощности:
R0I2+RЛI2+RНI2=EI, где
EI – мощность, развиваемая источником ЭДС;
R0I2, RЛI2 – мощность потерь в источнике и в линии передачи;
RНI2=UcdI – мощность в приёмнике, т.е. полезная мощность.
Технико-экономические расчёта показывают, что для передачи электрической энергии на большие расстояния выгодно использовать ЛЭП большого напряжения, что увеличивает один из важнейших параметров электрической цепи – коэффициент полезного действия этой цепи (КПД).
КПД электрической цепи это отношение мощности приёмника (полезной мощности) к суммарной мощности всех потребителей (или к мощности, развиваемой источником):
(1.1.8)
КПД линии передачи большой протяжённости достигает 95%.
9 Режимы работы электрической цепи
Электрическая цепь в зависимости от значения RН может работать в различных характерных режимах: номинальном, согласованном, холостого хода и короткого замыкания.
Номинальный режим – это расчётный режим, при котором элементы цепи (источники, приёмники, линии передачи) работают в условиях, соответствующих проектным данным и параметрам.
Номинальные напряжения стандартизированы по ГОСТ 21128-83 и для сетей до 1000В равны 27, 110, 220, 440В – при постоянном токе и 40, 220, 380, 660В – при однофазном переменном токе.
Превышение этих напряжений приводит к пробою изоляции, увеличению токов в цепи и другим аварийным последствиям.
Под номинальным током понимается ток, рассчитанный по тепловому режиму работы цепи.
ГОСТ 6827-76 устанавливает, что предпочтительно выбирать номинальные токи, равные 1,00; 1,60; 2,50; 4,00; 6,30 А, а также десятично-дольные и кратные значения этих токов. Таким образом получается шкала 0,1мА до 25кА.
Номинальное значение мощности для источника электрической энергии – это наибольшая мощность, которую источник может отдать во внешнюю цепь без пробоя изоляции и без превышения допустимой температуры нагрева.
Номинальные значения напряжений, токов и мощностей указаны в поспортах изделий.
Согласованный режим – соответствует случаю, когда RН=R0 . При таком режиме мощность приёмника максимальна. Ток в цепи и мощность представляются выражениями:
(1.1.9)
Приравняв нулю производную dP/dRН=0, получим, что действительно RН=R0.
Однако КПД при согласованном режиме низкий:
(1.1.10)
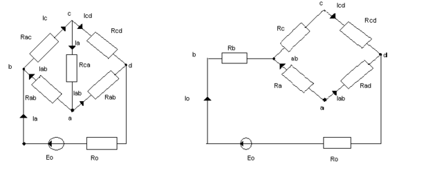
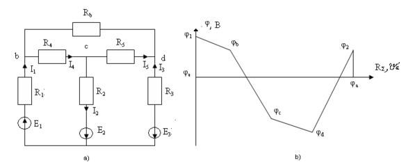
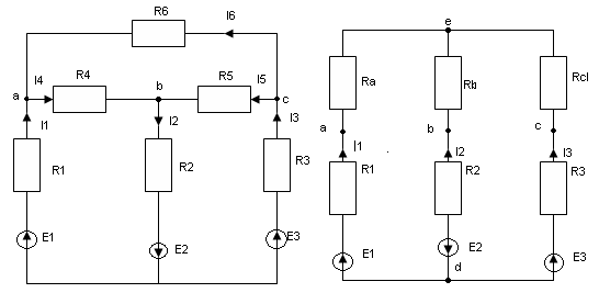
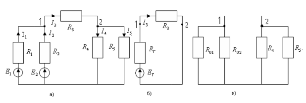
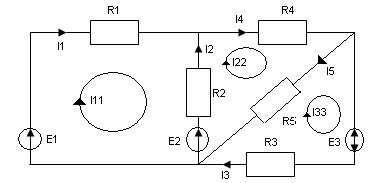
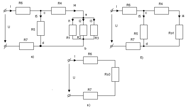
По этой причине работа мощных цепей в согласованном режиме невыгодна. В электрических цепях большой мощности R0< Режим холостого хода (х. х) и короткого замыкания (к. з) – являются предельными режимами работы электрической цепи. В режиме холостого хода ток I=0 (внешняя цепь разомкнута, т.е В режиме короткого замыкания выводы источника соединены между собой накоротко ( Iк.з.=E/R0 (1.1.11) Этот ток может вызвать перегрев источника, или даже его повреждение (т.е. режим короткого замыкания электрической цепи является аварийным). Для защиты источников и питательных цепей от токов короткого замыкания применяются плавкие предохранители, автоматические выключатели и другие защитные аппараты. На рис 1.4 приведены зависимости мощности генератора (источника) P2, напряжение на нагрузке UH, …………….. в нагрузке pH и КПД цепи η от величины тока в нагрузке эти зависимости соответствуют выражениям: Рис 1.4 Закон Ома и законы Кирхгофа для электрических цепей постоянного тока Закон Ома устанавливает связь между электрическим током I, протекающим в цепи, электрическим напряжением U. При анализе работы электрических цепей применяются три формулировки этого закона. Закон Ома для участка цепи : Для пассивного участка цепи по закону Ома Закон Ома для полной цепи: Если пренебречь сопротивлением проводов в схеме замещения простой неразветвлённой цепи рис.1.3 (Ra=0), то ток в цепи: Закон Ома в обобщённой форме: Закон Ома может быть записан и для участка цепи (например её любой ветви)содержащей источник ЭДС, с учётом известной разности потенциалов на концах этого участка рис.1.5. Рис. 1.5 Для этого величина тока определяется выражением: В общем случае произвольного числа источников ЭДС и резисторов это выражение имеет вид: Где ∑E – алгебраическая сумма ЭДС источников; ∑R – суммарное электрическое сопротивление цепи; Первый Закон Кирхгофа Первый и второй законы сформулированы Кирхгофом в 1845 году и являются основными законами определяющими решения электрической цепи. Первый закон Кирхгофа применяется к узлам электрической цепи. Он гласит: алгебраическая сумма токов в узле электрической цепи равно нулю: Для узла и электрической цепи рис. 1.6 этот закон даёт выражение: Рис.1.6 Первый закон описывает тот факт, что заряды одного знака не могут накапливаться в узле. Второй закон Кирхгофа Второй закон Кирхгофа применяется к контурам электрической цепи. Он формулируется следующим образом: алгебраическая сумма падения напряжения на всех сопротивлениях замкнутого контура равна алгебраической сумме ЭДС, входящих (включённых) в этот контур. Где n-число резисторов в контуре, m- число источников ЭДС в контуре. При записи этого выражения (1.18) задаются произвольно направления обхода и все слагаемые Vk, Ek cовпадающие с направлением обхода берутся со знаком плюс, а не совпадающие – со знаком минус. Для контура рис 1.7 это выражение будет иметь вид: Рис. 1.7 Второй закон Кирхгофа описывает тот факт, что при обходе контура и возвращении в конечную точку, потенциал этой точки не мажет измениться, так - как иначе не соблюдался бы закон сохранения энергии. 11 Эквивалентные преобразования пассивных участков электрической цепи В зависимости от назначении электрической цепи, её элементы могут соединяться между собой последовательно, параллельно, последовательно – параллельно (по смешанной схеме), треугольником или звездой. Последовательным называют соединение при котором ток в каждом элементе один и тот же. При таком соединении “n” резисторов (рис. 1.8а) могут быть заменены одним резистором (рис. 1.8б) с эквивалентным сопротивлением Rэ, при котором ток I в обоих схемах будет одинаков (при равенстве напряжения U на входах схем). а) б) рис. 1.8 Для схемы рис. 1.8а) а для схемы рис. 1.8б) Таким образом (из равенства напряжений на входах) получаем, что: Эквивалентное сопротивление последовательного соединения резисторов равно сумме сопротивлений этих резисторов. Параллельным называют соединение при котором все участки цепи присоединяются к одной паре узлов, т.е. находятся под воздействием одного и того же напряжения. При таком соединении рис. 1.9а) “n” параллельных резисторов можно заменить одним эквивалентным рис. 1.9б) сопротивление RЭ которое обеспечивает равенство токов I. В неразветвлённых участках цепи: Рис.1.9. Для схемы рис.1.9(а) по первому закону Кирхгофа можно записать: Так как для каждой ветви по закону Ома Поскольку То окончательно получаем: Эквивалентная проводимость параллельно соединённых резистивных элементов равна сумме проводимостей этих элементов. Из (1.20) следует, что при параллельном соединении двух резисторов их общее (эквивалентное) сопротивление равно: Токи I1 и I2 двух параллельных ветвей выражаются через ток I в неразветвлённом участке цепи рис.1.10 формулами: Рис.1.10 Сопротивления (1.1.23) называют формулами и разброса токов. Они могут быть получены также из системы уравнений: Смешанное (последовательно-параллельное) соединение резистивных элементов приведено на рис.1.11 Рис.1.11 Из рис. 1.11 следует, что величина электрического сопротивления ,при котором ток в обоих схемах одинаков, равна : Соединение треугольником и звездой . В некоторых электрических цепях встречаются соединения элементов, которые нельзя отнести ни к одному из выше рассмотренных. Пример такой цепи приведён на рис.1.22(а): а) б) рис.1.12 Резисторы Rab, Rbc и Rcd на рис.1.12(а) соединены треугольником, а на рис. 1.22 (б) резисторы Ra, Rb, Rc - соединены звездой. Схема рис.1.12(б) проще для расчёта,чем схема рис.1.12(а),поэтому следует получить выражение Ra, Rb, Rc через Rab, Rbc, Rca и наоборот. При эквивалентной замене обоих схем, токи Ia, Iab, Icd равны и, следовательно, равны напряжения Uab, Ubc, Ucd. Запишем уравнение по второму закону Кирхгофа для треугольника abc рис.1.12(а): Для узлов a и b в треугольнике по первому закону Кирхгофа: Подставив (1.27) в (1.26),получим: Для звезды рис.1.12 (б): Из сравнения (1.28) с (1.29) следует, что: По аналогии можно получить, что: Формулы (1.30) И (1.31) позволяют преобразовать треугольник сопротивлений в эквивалентную звезду сопротивлений. Формулы обратного перехода звезды сопротивлений в треугольник сопротивлений можно получить заменив в формулах (1.30) и (1.31) все сопротивления проводимостями. При этом получим: Переходя к сопротивлениям, получим: 12 Расчёт электрической цепи постоянного тока с одним источником ЭДС Метод эквивалентных преобразований (МЭП). Рассмотрим электрическую цепь рис.1.13(а). Электрические сопротивления всех резисторов и ЭДС источника. Требуется определить токи во всех ветвях. Такие задачи решаются методом эквивалентных преобразований: Рис.1.13 На первом этапе в этом методе исходную схему рис.1.13(а) сворачивают к эквивалентной рис.1.13(б), заменяя параллельно соединённые ветви одной эквивалентной ветвью: Из сравнения схем рис.1.13(б) и рис.1.13(в) следует, что: На втором этапе определяются токи в ветвях переходом от схемы (в) к схеме (б) и далее к исходной схеме (а). Из рис.1.13(в) следует, что: Из схемы рис.1.13(б) следует, что: Из рис.1.13(а) : 13. Анализ сложных электрических цепей с несколькими источниками ЭДС Метод непосредственного применения законов Кирхгофа(ПЗК) Законы Кирхгофа наиболее общие универсальные законы, описывающие решение электрической цепи. Эти законы применимы к расчёту решения электрической цепи любой сложности. Пусть, к примеру, задана электрическая цепь рис.1.14, в которой 5 ветвей (N b=5),4 узла ( Ny=4). Рис 1.14 Число уравнений, которое потребуется составить, по закону Кирхгофа равно числу неизвестных токов, т.е. необходимо составить 6 уравнений. Последовательность решения задачи: - Производится разметка схемы, т.е. обозначаются узлы буквами (или цифрами) и указываются (стрелками и буквами) положительное направление токов в ветвях; - По первому закону Кирхгофа составляется Ny-1- уравнение; - По второму закону Кирхгофа составляется Nb-(Ny-1)- уравнение. В результате получается система из Nb -уравнений относительно токов в ветвях, решив которую находят величину и действительное направление всех токов .Отрицательное значение тока в какой-либо ветви свидетельствует о том, что истинное его направление противоположно указанному на схеме. Для схемы рис.1.14 система уравнений по законам Кирхгофа имеет вид: Узел а: I1-I2-I3=0 Узел b: -I1+I2+I3=0 Узел c: I3-I5-I6=0 (1.1.34) Контур R1,R2,E1,R02: I1(R1+R01)+I2R2=E1 Контур R2,R3,R5,R4: I3R3+I5R5+I4R4-I2R2=0 Контур R5,R6,R02,E2: -I5R5+I6(R6+R02)=-E2 При записи уравнений по второму закону Кирхгофа для определения знаков слагаемых используются заранее выбираемые направления обхода каждого контура(указываются дугами рис.1.14). 6. Знак, перед ЭДС или перед произведением, IR берётся положительный, если направление ЭДС Е или тока I совпадает с выбранным направлением обхода контура. Метод контурных токов Метод контурных токов позволяет сократить число совместно решаемых уравнений до числа независимых контуров в схеме электрической цепи Nk= Nb- (Ny-1).В этом методе, уравнения по второму закону Кирхгофа составляются относительно контурных токов, равных по величине токам во внешних ветвях каждого контура. Последовательность решения задачи: - Производится разметка схемы; - Задаются(дугами) положительные направления контурного тока в каждом из независимых контуров, обозначив эти токи буквами с двойными индексами I11,I22. - Задаются направления обхода в каждом контуре и записывают систему уравнений по второму закону Кирхгофа, учитывая падение напряжения в смежных ветвях (входящих одновременно в два контура) от контурных токов соседних контуров; Решают систему уравнений относительно контурных токов и определяют далее токи в ветвях, алгебраически суммируя контурные токи в каждой ветви. Проиллюстрируем метод контурных токов (МКТ) для схемы рис. 1.15. Рис.1.15 В схеме три независимых контура Nk = 3, для которых вводим контурные токи I11,I22,I33. Система уравнений имеет вид : Подставив заданные значения сопротивлений резисторов и ЭДС источников, и вычислив контурные токи, определяют токи в ветвях: I1=I11; I2 = I22 - I11; I3=I33; I4=I22 ; I3 = I22 – I33; (1.1.36) При записи уравнений, знаки ЭДС Е и при произведениях IR берутся положительными при совпадении направлений ЭДС и токов с направлением обхода контура. Метод условных потенциалов (МУП) Если в схеме много ветвей и контуров, но мало узлов, то целесообразно решить задачу методом узловых потенциалов, число уравнений в котором равно Ny – 1. Все уравнения в этом методе составляются только по первому закону Кирхгофа. Рассмотрим частично случай этого метода, когда в электрической цепи только два потенциальных узла, либо когда схема может быть преобразована к эквивалентной цепи с двумя узлами. Последовательность решения задачи: Исходную схему преобразуют к эквивалентной с двумя узлами, применяя переход от соединения треугольником, например, к соединению резисторов эквивалентной звездой; Исходную и эквивалентную (преобразованную) схемы размечают (буквами или цифрами – узлы и буквами – токи в ветвях); Потенциал одного из двух узлов в преобразованной схеме принимают равный нулю и записывают уравнение по первому закону Кирхгофа для незаземлённого узла (второго узла); Так в каждой ветви схемы с двумя узлами выражают через потенциалы узлов по обобщённому закону Ома и после подстановки этих выражений в уравнение первого закона Кирхгофа получают выражение для межузлового напряжения (для определения потенциала незаземлённого узла); Определив межузловое напряжение находят токи в ветвях преобразованной схемы, пользуясь выражениями токов, записанными по обобщённому закону Ома; Возвращаясь к исходной схеме, по известным уже токам находят остальные токи. Проиллюстрируем МУП на примере схемы рис.1.16. Рис.1.16 В исходной схеме 4 узла, однако, преобразуя треугольник сопротивлений R4, R5, R6 , получаем схему рис. 1.16(б) с двумя узлами. Применив формулы 1.30 и 1.31, получаем значения Ra, Rb, Rc : Приняв, что φd =0, записываем первый закон Кирхгофа для узла С : I1 – I2 + I3 = 0 (1.1.38) Выражая токи I1, I2, I3 через потенциалы φd и φс по обобщённому закону Ома, получаем: Где Подставив 1.39 в 1.38 и решив уравнение относительно φс, (с учётом того, что φd = 0), получим выражение для межузлового напряжения: Токи в ветвях схемы рис.(1.16б.) находим далее по формулам (1.39), а токи I4, I5, I6 в схеме рис.(1.16а) находим решив например систему уравнений по первому закону Кирхгофа для узлов а; в; и с, либо определив потенциалы φа, φв, φс по соотношениям ; При этом точки I4, I5, I6 равны Метод наложения (МН) Метод наложения основан на принципе суперпозиции, согласно которому ток в каждой ветви сложенной (разветвлённой) электрической цепи с несколькими источниками эдс равен алгебраической сумме частичных токов создаваемых каждым источником эдс в отдельности, когда остальные источники эдс закорочены (т.е. отключены от схемы, а места их включения закорочены). - Последовательность решения задачи: - Производят разметку исходной схемы; - Составляют вспомогательные схемы (число которых равно числу источников эдс в исходной схеме), в каждой из которых оставляют только один источник эдс и производят разметку этих схем; - В каждой вспомогательной схеме определяют токи во всех ветвях (обозначив их штрихами например); - Токи в исходной схеме определяют алгебраическим суммированием частичных токов в соответствующих ветвях. При этом с плюсом берут те токи, которые совпадают по направлению с током в исходной схеме. Продемонстрируем метод на примере схемы рис. 1.15. составляем три вспомогательные схемы рис. 1.17 - Определив токи рис.1.17 в каждой из схем рис 1.17 а), б), в), (например методом эквивалентных преобразований), определяют токи в ветвях исходной схемы Метод эквивалентного генератора (МЭГ) Метод позволяет в ряде случаев относительно просто определить ток в какой – либо одной ветви смешанной электрической цепи и исследовать поведение этой ветви при изменении параметров того или иного элемента схемы. Сущность метода заключается в том, что по отношению к исследуемой ветви сложная цепь заменяется эквивалентным источником (генератором) с эдс Eг и внутренним сопротивлением Rг, Например по отношению к ветви с резистором R3 электрическую схему рис.1.18а) можно заменить схемой рис 1.18б). Если считать известными параметры Eг и Rг , то ток I3 может быть найден по закону Ома: рис. 1.18 Таким образом задача сводится к определению параметров эквивалентного генератора Eг и Rг. Из рис.1.18 следует что Eг=φ1-φ2, при I3=0, т-е при разомкнутой ветви R3, т.е для определения Eг необходимо любым способом рассчитать разность потенциалов между узлами к которым подсоединиться ветвь R3 , в режиме холостого хода эквивалентного генератора (Для схемы рис.1.18 а; в режиме отключённой ветви R5 ) Из схемы рис 1.18 б) также следует, что при RЭ=0 (Режим короткого замыкания эквивалентного генератора) Следует отметить что в ряде случаев Rг проще определить как эквивалентное сопротивление между разомкнутыми узлами 1 и 2 исследуемой ветви при условии, что все источники эдс в цепи закорочены рис. 1.18в) 14 Распределение потенциала в электрической цепи. Потенциальная диаграмма При расчёте электрических цепей часто возникает неопределимость в определении разности потенциалов между отдельными точками цепи и распределения потенциала цепи. Для решения этой задачи вначале необходимо рассчитать токи в ветвях цепи. Далее потенциал одной из точек цепи (любой), например, точки на рис. 1.19, принимается равным нулю ( иногда на схеме эту точку показывают заземлённой, рис. 1.19а) и рассчитываются потенциалы всех характерных точек, выбранных для построения потенциальной диаграммы контура а,1,в,с,d,2,a. Рис.1.19 Определив Rz= R1+ R1+ R4+ R3 и, выбрав масштабы Mφ=Mr, строится потенциальная диаграмма ( рис. 1.19б). Таким образом, под потенциальной диаграммой понимается график распределения потенциала φ вдоль элементов замкнутого контура электрической цепи в зависимости от величины суммарного от « базовой» точки «а» до каждой последующей точки этого контура в выбранном (указанном) направлении обхода контура. Если обход производится по ветвям, состоящим из нескольких последовательно соединённых элементов, то между каждой парой этих элементов указывается делительная точка и её потенциал наносится на диаграмму. Вертикальные участки диаграммы соединяют на диаграмме точками, между которыми в схеме находятся идеальные источники эдс. Потенциал φа=φ2-Е3 должен получиться равным нулю (возрастает в исходную точку контура), т.е.последнее выражение в (1.47) является проверочным. Потенциальная диаграмма позволяет определить напряжение между любыми точками цепи (потенциалы которых нанесены на диаграмму). Кроме того можно определить в схеме наличие точек одинакового потенциала, которые в случае необходимости можно соединить между собой без нарушения распределения токов в схеме замещения электрической цепи. Знание местоположения точек с максимальным значением потенциала позволяет установить требования на качество изоляции. 15 Основные свойства и области применения несетевых цепей, потенциометров и делителей напряжения В электротехнике очень часто применяется делитель напряжения. Простейшая схема делителя рис. 1.20 представляет собой последовательное соединение двух резисторов. Если к входу подключить источник с эдс Е, то Поскольку ток через резисторы одинаков, то Таким образом при последовательном включении двух резисторов падение напряжения между ними прямо - пропорционально их сопротивлением. Очевидно, что справедливы также соотношения: Рис. 1.20 Делители позволяют снизить на напряжение питания от величины ЭДС источника Е до любого меньшего чем Е значения. В электроприборах (бытовых, электроизмерительных и др.) делители часто применяются для получения нескольких напряжений от одного источника. Для этого делители соединяются последовательно не два а несколько резисторов. Если делитель изготовлен так, что позволяет плавно регулировать входное напряжение, то его называют потенциометром рис. 1.21. Изменяемое (регулируемое) частичное напряжение U2 получается при перемещении скользящего контакта S (ползунка) реостата или другого типа переменного резистора. Рис. 1.21 При этом скользящий контакт обеспечивает параллельное соединение RH и R1. Согласно (1.49) можно записать, что: где и следовательно Из 1.50 следует, что регулируемое напряжение Vr , снимается со скользкого контакта S равно: Если R1 задать координатой x( x = 0-1), то R1=xR, R2 = R-R1 = R-xR = R(1-x). Тогда 1.51 можно записать в виде: Зависимость Ur от х для двух значений Rн приведена на рис.1.22. Из рис. 1.22 следует, что для получения зависимости между Ur и х, близкой к последней, следует выбирать Rн>10R1. Рис. 1.22 При измерении сопротивлений резисторов Rx на постороннем токе часто применяется схема одинарного места постоянного типа рис.1.23. Рис. 1.23 Потенциометр включён в одну диагональ места, а в другую диагональ включён чувствительный гальванометр G. К точкам С и D (к потенциометру) подключён источник постоянного напряжения Е. при помощи скользящего контакта S можно изменять соотношения сопротивлений R3 и R4 делителя. Этот контакт при измерении Rx устанавливают так, чтобы свести к нулю напряжение между точками А и В моста добиваемся нулевого показания гальванометра (I6 = 0). Условие отсутствия напряжения между точками А и В можно записать так: При отсутствии тока через гальванометр, ток I1 в сопротивлении Rά и R2 одинаков. В сопротивлении R3 и R4 ток I2 тоже одинаков. Т.е. U1=I1Rά , U2=I1*R2 , U3=I2*R3 , U4=I2*R4 Подставив эти выражения в (11.53), получим отношение сопротивлений моста при его равновесии: Из (11.54) следует, что при равновесии моста сопротивление резисторов, включённые в противоположные плечи моста, равны друг другу. Из (1.54) следует также, что: Если в качестве сопротивлений R3и R4 используется высокоомная проволока, то выражение (11.55) можно выразить через длины l3 и l4 соответствующих участков этой проволоки: Список использованных источников 1. Иванов Н. И., Равдоник В. С. Электротехника / Иванов Н. И., Равдоник В. С. - М.: Высшая школа, 1984 2. Клаусинтцер П. Введение в электротехнику / Клаусинтцер П. – М.: Энрегоатомиздат, 1985. 3. М. П. Тиличенко Электротехника: Учебное пособие / М. П. Тиличенко, 2004 г. 4. Общая электротехника./ Под ред. А. Г. Блажкина. – А.: Энергия, 1979. 5. Волынский Б. А. и др. Электротехника. – М.: Энергоатомиздат , 1987.
). Так-как падение напряжения на внутреннем сопротивлении R0 источника равно нулю (
), то напряжения на выводах источника электрической энергии Uхх=E. Этот режим применяется для измерения ЭДС источника высокоомным вольтметром.
). Напряжение на приёмнике при этом равно нулю. Сопротивление всей цепи равно внутреннему сопротивлению источника (R0), а ток в цепи достигает максимального значения:
,
(1.1.13)
(1.1.14)
, (1.1.15 )
, (1.1.16)
(1.1.17)
,
, (1.1.18)
,
(1.1.19)
,то :
, или
(1.1.20)
;
;
,…
,
(1.1.21)
(1.1.22)
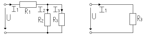
(1.1.23)
(1.1.24)
(1.1.25)
(1.1.26)
,
(1.1.27)
(1.1.28)
(1.1.29)
;
(1.1.30)
(1.1.31)
;
;
(1.1.32)
;
;
; (1.1.33)
, где
, где
Тогда
;
;
;
.
(1.1.35)
;
;
; (1.1.37)
;
;
;(1.1.39)
;
;
;
(1.1.40)
;
;
(1.1.41)
;
;
; (1.1.42)
;
; и т.д. (1.1.43)
; (1.1.44)
;
(1.1.45)
;
;
(1.1.47)
, или
(1.1.48)
;
; (1.1.49)
,
(1.1.50)
(1.1.51)
(1.1.52)
,
или
(11.53)
, или
, или
(11.54)
(11.55)















