151113 (732919), страница 2
Текст из файла (страница 2)
В наши дни больше всего электроэнергии выделяют гидроэлектростанции и атомные электростанции. Но функционирование тепловых, атомных и гидроэнергетических электростанций негативно влияет на состояние окружающей среды. Поэтому в настоящее время большое внимание уделяется изучению возможностей использования нетрадиционных, альтернативных источников энергии. Практическое применение уже получили энергия приливов и отливов и внутреннее тепло Земли. Ветровые энергоустановки имеются в жилых поселках Крайнего Севера. Ведутся работы по изучению возможности использования биомассы в качестве источника энергии. В будущем, возможно, огромную роль будет играть гелиоэнергетика. В США и Франции построены установки, которые работают на энергии Солнца (правда, малой мощности).
2. Применение электроэнергии
Трехфазный понижающий трансформатор, установленный на опорах
2.1 Трансформа́тор (от лат. transformo - преобразовывать)
Статическое (не имеющее подвижных частей) электромагнитное устройство, предназначенное для преобразования посредством электромагнитной индукции системы переменного тока одного напряжения в систему переменного тока другого напряжения при неизменной частоте и без существенных потерь мощности. Трансформатор состоит из одной (автотрансформатор) или нескольких изолированных проволочных обмоток, охватываемых общим магнитным потоком, намотанных, как правило, на магнитопровод (сердечник) из ферромагнитного магнито-мягкого материала.
2.2 Компоненты трансформатора
2.2.1 Клеммы
Клеммы в сухих трансформаторах могут быть выведены на клеммную колодку в виде болтовых контактов или соединителей с плоскими контактами. Клеммы могут размещаться внутри корпуса. В герметичных масляных или жидкостных трансформаторах обеспечивается перемещение электрических соединений с внутренней стороны бака наружу:
Проходные изоляторы - клеммный блок в форме проходного изолятора переносит соединения из внутренней изоляционной среды трансформатора во внешнюю изоляционную среду, бывают:
Низковольтные проходные изоляторы
Конденсаторные проходные изоляторы
Сильноточные проходные изоляторы.
2.2.2 Охладители
Для измерения температуры масла в верхнем слое и для индикации точек опасного перегрева в обмотке обычно устанавливают термометры. Если произошел перегрев, охлаждающее оборудование забирает горячее масло в верхней части бака и возвращает охлажденное масло в нижнюю боковую часть. Холодильный агрегат имеет вид двух масляных контуров с непрямым взаимодействием, один внутренний и один внешний контур. Внутренний контур переносит энергию от нагревающих поверхностей к маслу. Во внешнем контуре масло переносит тепло к вторичной охлаждающей среде. Трансформаторы обычно охлаждаются атмосферным воздухом.
Виды охладителей:
Радиаторы - бывают разных типов. В основном они представляют собой множество плоских каналов в пластинах с торцевым сварным швом, которые соединяют верхний и нижний коллекторы.
Гофрированный бак - является одновременно и баком и охлаждающей поверхностью для распределительных трансформаторов малой и средней мощности. Такой бак имеет крышку, гофрированные стенки бака и нижнюю коробку.
Вентиляторы. Для больших узлов возможно использование подвесных вентиляторов под радиаторами или сбоку от них для обеспечения принудительного движения воздуха и естественного масляного и принудительного воздушного (ONAF) охлаждения. Это может увеличить нагрузочную способность трансформаторов примерно на 25%.
Теплообменники с принудительной циркуляцией масла, воздуха. В больших трансформаторах отведение тепла при помощи естественной циркуляции через радиаторы требует много места. Потребность в пространстве для компактных охладителей намного ниже, чем для простых радиаторных батарей. С точки зрения экономии места может оказаться выгодным использовать компактные охладители со значительным аэродинамическим сопротивлением, что требует применения принудительной циркуляции масла с помощью насоса и мощных вентиляторов для нагнетания воздуха.
Масляно-водяные охладители, как правило, представляют собой цилиндрические трубчатые теплообменники со съёмными трубками. Такие теплообменники очень распространены и представляют собой классическую технологию. Они имеют разнообразное применение в промышленности. Более современные конструкции, например, плоские теплообменники мембранного типа, еще не вошли в практику.
Масляные насосы. Циркуляционные насосы для масляного охлаждающего оборудования - это специальные компактные, полностью герметичные конструкции. Двигатель погружён в трансформаторное масло; сальниковые коробки отсутствуют.
2.2.3 Газовое реле
Газовое реле обычно находится в соединительной трубке между баком и расширительным баком. Газовое реле выполняет две функции: функцию датчика, когда поток масла между баком и расширительным баком превышает заданную величину, а также накапливает свободные пузырьки газа, которые движутся в направлении расширительного бака из бака трансформатора
2.2.4 Встроенные трансформаторы тока
Трансформаторы тока могут располагаться внутри трансформатора, часто вблизи заземленного рукава на стороне масла проходных изоляторов, а также на низковольтных шинах. В данном вопросе роль играют цена, компактность и безопасность. При таком решении отпадает необходимость иметь несколько отдельных трансформаторов тока на сортировочной станции с внешней и внутренней изоляцией, рассчитанной на высокое напряжение.
2.2.5 Системы защиты масла
Самой обычной системой защиты масла является открытый расширительный бак, в котором воздух над уровнем масла вентилируется через влагопоглотительное устройство. Необходимо удалить влагу из воздушного пространства над уровнем масла в расширительном баке, чтобы обеспечить отсутствие воды в масле трансформатора.
Расширительный бак трансформатора может быть снабжён надувной подушкой. Надувная подушка из синтетического каучука располагается над маслом. Внутренне пространство подушки соединено с атмосферой, поэтому она может вдыхать воздух, когда трансформатор охлаждается и объем масла сжимается, и выдыхать воздух, когда трансформатор нагревается.
Другим решением является расширительный бак, который разделён в горизонтальной плоскости мембраной или диафрагмой, которая позволяет маслу расширяться или сжиматься без прямого контакта с наружным воздухом. Пространство над маслом в расширительном баке можно заполнить азотом из баллона со сжатым газом через редукторный клапан. Когда трансформатор вдыхает, редукторный клапан выпускает азот из баллона. Когда объём увеличивается, азот уходит в атмосферу через вентиляционный клапан. Для того, чтобы сэкономить потребление азота, можно задать некий шаг давления между наполнением азотом и выпусканием азота.
Трансформаторы могут иметь герметическое исполнение. В маленьких маслонаполненных распределительных трансформаторах упругий гофрированный бак может компенсировать расширение масла. В ином случае необходимо обеспечить пространство над маслом внутри трансформаторного бака, заполненное сухим воздухом или азотом, чтобы они выполняли роль подушки при расширении или сжатии масла. Можно использовать сочетание различных решений. Трансформаторный бак может быть полностью заполнен маслом, и при этом иметь большой расширительный бак достаточного объёма для расширения масла и необходимой газовой подушки. Эта газовая подушка может иметь продолжение в следующем дополнительном баке, возможно на уровне земли. Для ограничения объёма газовой подушки можно открыть сообщение с наружной атмосферой при заданных верхнем и нижнем пределах внутреннего давления.
2.2.6 Устройства сброса давления
Дуговой разряд или короткое замыкание, которые возникают в маслонаполненном трансформаторе, обычно сопровождаются возникновением сверхдавления в баке из-за газа, образующегося при разложении и испарении масла. Устройство сброса давления предназначено для снижения уровня сверхдавления вследствие внутреннего короткого замыкания и, таким образом, уменьшения риск разрыва бака и неконтролируемой утечки масла, которое может также осложниться возгоранием вследствие короткого замыкания. Малый вес тарелки клапана и низкая пружинная жёсткость закрывающих пружин обеспечивает быстрое и широкое открывание. Клапан вновь возвращается в нормальное закрытое состояние, когда сверхдавление спущено.
2.2.7 Устройства защиты от внезапного повышения давления
Реле внезапного повышения давления предназначено для срабатывания при возникновении упругой масляной волны в баке трансформатора при серьёзных замыканиях. Это устройство способно различать быстрое и медленное нарастание давления и автоматически отключает выключатель, если давление растёт быстрее, чем задано.
2.2.8 Устройства защиты от перенапряжений
Устройствами защиты силовых трансформаторов являются. Элементы РЗиА, на трансформаторах 6/10кВ чаще используются плавкие предохранители.
2.2.9 Устройства транспортировки
Крупные агрегаты на практике редко доставляются с помощью крана на своё место установки на фундаменте. Их необходимо каким-то способом перемещать от транспортного средства до основания. Если от места разгрузки с транспортного средства до места конечного монтажа агрегата проложены литые рельсы, то агрегат может быть оборудован колёсами для качения. Поворот на 90 градусов в транспортных целях обеспечивают колёса, работающие в двух направлениях. Агрегат поднимают подъёмником и поворачивают колёса. Когда агрегат установлен на месте, то застопоренные колёса могут быть на нем или сняты и заменены опорными блоками. Можно также опустить агрегат прямо на фундамент. Если такая рельсовая система не предусмотрена, то используют обычные плоские направляющие. Агрегат толкают по смазанным направляющим прямо на место установки, или используют гусеничную цепь. Агрегат можно приварить к фундаменту, на котором он установлен. Агрегат можно также поставить на вибрационное основание для уменьшения передачи шума через фундамент.
2.2.10 Детектор горючих газов
Детектор горючих газов указывает на присутствие водорода в масле. Водород отлавливается через диалитическую мембрану. Эта система дает раннюю индикацию медленного процесса газогенерации еще до того, как свободный газ начнёт барботировать в направлении газонакопительного реле.
Схема автотрансформатора
2.2.11 Расходомер
Для контроля вытекания масла из насосов в трансформаторах с принудительным охлаждением устанавливаются масляные расходомеры. Работа расходомера обычно основана на измерении разницы давления по обе стороны от препятствия в потоке масла. Расходомеры также применяются для измерения расхода воды в водоохлаждаемых трансформаторах. Обычно расходомеры оборудованы аварийной сигнализацией. Они также могут иметь циферблатный индикатор.
Итак, компоненты трансформатора мы рассмотрели. Переходим к видам.
2.3 Автотрансформа́тор
Вариант трансформатора, в котором первичная и вторичная обмотки соединены напрямую, и имеют за счёт этого не только электромагнитную связь, но и электрическую. Обмотка автотрансформатора имеет несколько выводов (как минимум 3), подключаясь к которым, можно получать разные напряжения. Преимуществом автотрансформатора является более высокий КПД, поскольку лишь часть мощности подвергается преобразованию - это особенно существенно, когда входное и выходное напряжения отличаются незначительно. Недостатком является отсутствие электрической изоляции (гальванической развязки) между первичной и вторичной цепью. В промышленных сетях, где наличие заземления нулевого провода обязательно, этот фактор роли не играет. Зато существенным является меньший расход стали для сердечника, меди для обмоток, меньший вес и габариты, и в итоге - меньшая стоимость. Лабораторный автотрансформатор регулируемый (ЛАТР), в отличие от простого автотрансформатора имеет подвижный токосъёмный контакт к обмотке, что позволяет плавно изменять число витков, включенных во вторичную цепь, и, следовательно, выходное напряжение, практически от нуля до максимального значения для данной модели ЛАТРа. Применяются ЛАТРы для питания лабораторных установок, для стабилизации напряжения в электросети и других нужд.
2.4 Силовой трансформатор
Силовой трансформатор на 110кВ
Стационарный прибор с двумя или более обмотками, который посредством электромагнитной индукции преобразует систему переменного напряжения и тока в другую систему напряжения и тока, как правило, различных значений при той же частоте в целях передачи электроэнергии.
2.5 Трансформатор тока
Трансформатор тока ТПОЛ-10
Трансформатор, предназначенный для измерения больших токов. Первичная обмотка трансформатора тока включается в цепь с измеряемым переменным током, а во вторичную включаются измерительные приборы. Ток, протекающий по вторичной обмотке трансформатора тока, пропорционален току, протекающему в его первичной обмотке. Трансформаторы тока широко используются для измерения электрического тока и в устройствах релейной защиты электроэнергетических систем, в связи с чем на них накладываются высокие требования по точности. Трансформаторы тока обеспечивают безопасность измерений, изолируя измерительные цепи от первичной цепи с высоким напряжением, часто составляющим сотни киловольт.
К трансформаторам тока применяются высокие требования по точности. Как правило, трансформатор тока выполняют с двумя группами обмоток: одна используется для подключения устройств защиты, другая, более точная - для подключения средств учёта и измерения (например, электрических счётчиков). Вторичные обмотки трансформатора тока обязательно замыкаются (через нагрузку или напрямую) и заземляются. На вторичной обмотке возникает высокое напряжение, достаточное для пробоя изоляции трансформатора, что приводит к выходу трансформатора из строя, а также создает угрозу жизни обслуживающего персонала. Кроме того, из-за возрастающих потерь в сердечнике магнитопровод трансформатора начинает перегреваться, что так же может привести к повреждению (или, как минимум, к износу) изоляции и дальнейшему её пробою. По этим причинам во время эксплуатации трансформатора тока вторичную его обмотку нельзя держать разомкнутой.
2.5.1 Схемы соединения трансформаторов тока
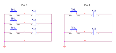
В трехфазных сетях с напряжением 6-10 кВ устанавливаются трансформаторы как во всех трех фазах, так и только в двух (A и C). В сетях с напряжением 35 кВ и выше трансформаторы тока в обязательном порядке устанавливаются во всех трех фазах.
В случае установки в три фазы вторичные обмотки трансформаторов тока соединяются в "звезду" (рис.1), в случае двух фаз - "неполную звезду" (рис.2). Для дифференциальных защит трансформаторов с электромеханическими реле трансформаторы подключают по схеме "треугольника"
2.6 Трансформатор напряжения
Электрорезонансный трансформатор напряжения
















