150252 (732658)
Текст из файла
6
ДОРАБОТКА ИСТОЧНИКА НАПРЯЖЕНИЯ ВС 4-12
Л
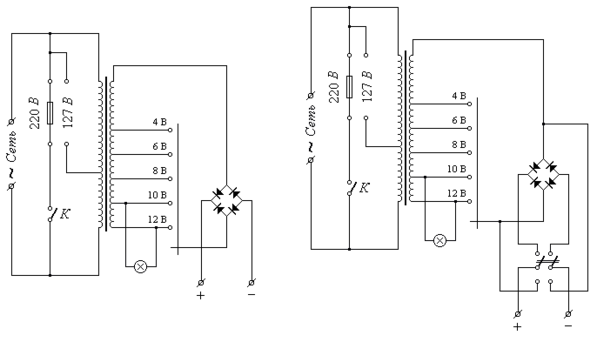
юбой школьный учитель, преподающий раздел физики «Электричество и магнетизм) в своей практике систематически использует такой широко известный источник постоянного напряжения, как ВС 4-12, позволяющий получать на выходе постоянное (пульсирующее) напряжение 4, 6, 8, 10 и 12 В при максимальном токе нагрузке 4 А. Принцип действия этого прибора очень прост и легко понятен из принципиальной схемы, показанной на рисунке 1 а.
Следует отметить, что этот источник питания оснащён относительно мощным понижающим трансформатором, способным питать нагрузку током, превышающим 4 А. Тем не менее делать этого нельзя, так как диоды выпрямительного моста рассчитаны на меньший ток. Однако незначительная доработка прибора позволяет использовать его как в стандартном режиме работы, так и в качестве источника переменного напряжения с максимальным током нагрузки, превышающим 4 А. Для этого достаточно в конструкцию прибора ввести всего один тумблер, как это показано на рисунке 1 б. В верхнем по схеме положении контактов тумблера выходные гнёзда прибора подключаются к выходу выпрямительного моста, и источник работает в стандартном режиме. Если же контакты тумблера перевести в нижнее по схеме положение, то одно выходное гнёздо окажется подключённым непосредственно ко вторичной обмотке трансформатора, а второе – к ползунку галетного переключателя. Теперь на выходе источника будет действовать переменное напряжение, регулируемое приблизительно в тех же пределах, что и постоянное.
Конструктивно доработка источника напряжения может быть осуществлена следующим образом. Чтобы не делать в металлическом корпусе прибора лишних отверстий, можно удалить индикаторную лампочку накаливания (всё равно она часто теряется или перегорает), а на её место установить тумблер.
Т
акже хорошо известно, что эти источники напряжения нередко выходят из строя из-за перегрузок по току, которые возникают особенно часто когда прибор попадает в руки школьников без присмотра учителя. Причём, наверное, каждый учитель замечал, что некоторые ВС 4-12 на удивление живучи, а иные – «горят» очень легко. Причина этому в следующем. Изначально диодный мост прибора изготавливался из, так называемых, селеновых шайб, устанавливаемых на мощных радиаторах. Позже промышленность перешла на использование мощных диодов КД202, способных выдерживать меньший ток, при этом установлены они в ВС 4-12 без радиаторов, что и сокращает срок службы таких приборов.
Проблема может быть решена путём изготовления несложного защитного устройства, отключающего нагрузку прибора автоматически в случае превышения током допустимого значения. Принципиальная схема возможного варианта такого устройства показана на рисунке 2. При соответствующем выборе транзисторов устройство способно защищать от перегрузок как простые, так и стабилизированные выпрямители с выпрямленным напряжением
от 6 до 60 В и допустимым током нагрузки
от 30 мА до 10 А. Конденсаторы
и
предназначены для работы защитного устройства в режиме импульсных перегрузок и при обычном его использовании должны быть из схемы исключены.
Принцип действия защитного устройства состоит в следующем. Когда ток нагрузки меньше максимально допустимого тока (
) транзистор
открыт, а
- закрыт. Падение напряжения на участке эмиттер – коллектор транзистора
(между точками А и Б) составляет несколько десятых долей вольта. В случае перегрузки (
) напряжение между точками А и Б возрастает, что вызывает появление тока в цепи базы транзистора
. В результате транзистор
отпирается, а
закрывается. Это ведёт к ещё большему росту напряжения между точками А и Б. Благодаря имеющейся положительной обратной связи (через резистор
) схема очень быстро переходит во второе устойчивое состояние:
- открыт,
- закрыт. При этом большая часть напряжения выпрямителя
оказывается приложеной к лампе Л, которая загорается, указывая на перегрузку. Потребляемый при этом ток от выпрямителя в наихудшем случае (короткое замыкание) равен сумме токов лампы и открытого транзистора
, что составляет величину в 23 раза меньшую
. После устранения перегрузки и кратковременного нажатия кнопки Кн защитное устройство переходит в исходное состояние, лампа гаснет.
Выбор типа транзисторов и минимального сопротивления резисторов
и
осуществляется по ниже приведённой таблице.
|
|
|
|
|
| |||
|
|
| ||||||
| 6 15 | 0,03 0,1 | МП39 МП42 | МП42; МП42А; МП42Б |
|
| ||
| 6 30 | 0,1 1,5 | МП42 МП42Б | П213Б П217 |
|
| ||
| 6 60 | 1,5 5,0 | П213Б П217 | П214В; П214Г; П217В |
|
| ||
| 9 60 | 1,5 10,0 | П213Б П217 | П210Б; П210В |
|
| ||
При сборке устройства необходимо установить резистор
сопротивлением в 2 3 раза больше минимального (окончательно его подбирают в процессе налаживания устройства). При использовании мощных транзисторов (П213, П214 и т. п.) сопротивление резистора
необходимо уменьшить до величины около 510 Ом.
Поскольку оба транзистора работают в качестве электронных ключей, тепловые режимы их лёгкие и радиаторов можно не применять. Коэффициент передачи тока транзисторов должен быть не менее 20. Лучше, если эта величина (особенно для транзистора
) будет превышать 40, так как в этом случае уменьшается ток, потребляемый от выпрямителя для поддержания
в открытом состоянии.
Сигнальную лампу выбирают на рабочее напряжение и номинальный ток в 2 3 раза меньший
. Низковольтные лампы (на 3,5 В или 6,3 В) следует включать последовательно с добавочным резистором, сопротивление которого можно рассчитать по формуле:
.
При токе
подобрать нужную лампу может оказаться затруднительно. В этом случае для коммутации имеющейся лампы можно воспользоваться электромагнитным реле. Его обмотка должна обладать сопротивлением, как минимум, в 1,52 раза большим величины
, а ток срабатывания - во столько же раз меньшим, чем
. Контакты реле могут коммутировать любое сигнальное устройство.
В некоторых случаях бывает необходимым, чтобы устройство не реагировало на импульсные перегрузки по току. Тогда можно включить в схему конденсатор
ёмкостью несколько сотен микрофарад или замедлить срабатывание защиты путём установки конденсатора
ёмкостью несколько микрофарад.
Налаживание устройства состоит в следующем. Резистор
составляют из последовательно включённых переменного и постоянного резисторов. При этом общее сопротивление должно быть не менее вычисленного по формуле:
,
где
- статический коэффициент передачи тока транзистора
(иначе этот транзистор выйдет из строя). К выходным гнёздам устройства последовательно с амперметром подключают эквивалент нагрузки (проволочный резистор) сопротивлением
.
Затем включают питание устройства и подбирают сопротивление
так, чтобы устройство срабатывало при заданном токе
. В исходное состояние устройство возвращают нажатием кнопки Кн. После окончания настройки заменяют переменный и постоянный резисторы одним постоянным резистором соответствующей величины, причём его мощность рассчитывают по формуле:
.
Конструктивно устройство защиты целесообразно выполнять в самостоятельном корпусе из пластмассы или другого диэлектрического материала в виде отдельной приставки, что позволит использовать его при работе с различными источниками постоянного напряжения, удовлетворяющими выше изложенным требованиям. В случае отсутствия такой необходимости плату защитного устройства имеет смысл разместить внутри корпуса прибора на диэлектрическом основании, обеспечив надёжное отсутствие контакта токопроводящих дорожек платы и металлических корпусов деталей устройства с корпусом прибора.
Характеристики
Тип файла документ
Документы такого типа открываются такими программами, как Microsoft Office Word на компьютерах Windows, Apple Pages на компьютерах Mac, Open Office - бесплатная альтернатива на различных платформах, в том числе Linux. Наиболее простым и современным решением будут Google документы, так как открываются онлайн без скачивания прямо в браузере на любой платформе. Существуют российские качественные аналоги, например от Яндекса.
Будьте внимательны на мобильных устройствах, так как там используются упрощённый функционал даже в официальном приложении от Microsoft, поэтому для просмотра скачивайте PDF-версию. А если нужно редактировать файл, то используйте оригинальный файл.
Файлы такого типа обычно разбиты на страницы, а текст может быть форматированным (жирный, курсив, выбор шрифта, таблицы и т.п.), а также в него можно добавлять изображения. Формат идеально подходит для рефератов, докладов и РПЗ курсовых проектов, которые необходимо распечатать. Кстати перед печатью также сохраняйте файл в PDF, так как принтер может начудить со шрифтами.
















