150149 (732611), страница 3
Текст из файла (страница 3)
Виконання розмітки місць установки світильників безпосередньо на стелі (а) і методом перенесення точок з підлоги на стелю (б)
Розмітка місця установки одного світильника
Розмітити дві діагональні лінії. Відзначити точку перетину діагоналей і перенести її з підлоги на стелю жердиною з відвісом, для чого вістря жердини встановити на стелі так щоб схил знаходився точно над точкою перетину діагональних лінії на підлозі
Розмітка місць установки двох світильників
Розмітити осьову лінію по центру уздовж приміщення і відзначити на ній точки, розташовані на відстані В/4 від поперечних стін. Перенести дві розмічені точки на стелю жердиною з схилом. Виконати розмітку лінійкою-рамкою або двома жердинами з шнуром у вказаній послідовності безпосередньо на стелі.
Розмітка місць установки чотирьох світильників
Розмітити на підлозі дві лінії, паралельні подовжнім стінам, на відстані А/4 Відзначити на лініях чотири точки на відстані В/4 від поперечних стін і перенести на стелю жердиною з схилом. Виконати розмітку аналогічно розмітці двох світильників.
Розмітка місць установки декількох світильників в шахматному порядку
Розмітити на підлозі дві лінії, паралельні подовжнім стінам, на відстані А/4 Відзначити на одній лінії точки першу на відстані В/9, інші через кожні 2В/9. Повторити на іншій лінії розмітку в такому ж порядку, тільки відлік почати від протилежної поперечної стіни. Виконати цю розмітку аналогічно розмітці чотирьох світильників.
Розмічальні інструменти і пристрої
а — шаблон; б — розмічальна жердина; в — дерев'яний циркуль, г — розмічальна рама з жердиною: д — висок із шнуром; є — набір розмічальних інструментів: 1 — телескопічна лінійка; 2 — кутомір; 3 — рулетка; 4 — розмічальний трафарет
На ескізах, у заготівельних відомостях і супроводжувальній технічній документації зазначають технічні дані, які вичерпно характеризують ці електричні мережі. Для зображення елементів електричної мережі на ескізах застосовують умовні позначення. Ескізи заготовок нескладних трас виконують у площинних зображеннях, а складних трас — у просторовому зображенні. Для зручності складання ескізів монтажними організаціями застосовують спеціальні віддруковані друкарським способом бланки з нанесеною на них площинною або об'ємною масштабною сіткою.
На ескізах замірювань електропроводок освітлювальних електроустановок зазначають:
- марку, перерізи і кількість жил проводів і кабелів;
- способи виконання з'єднань окремих ділянок заготовок і відгалужень від них (паянням, зварюванням, опресовуванням тощо);
- способи окінцювання жил проводів і кабелів для приєднання їх до світильників, приладів та апаратів (товкачиком, кільцем або наконечником із зазначенням його типу);
- умовне розпізнавальне забарвлення фаз і маркування кінців жил проводів і кабелів;
- загальну довжину і розміри окремих ділянок електропроводок із зазначенням місць їх відгалуження та розташування відгалужувальних коробок;
довжину ділянок відгалужень до світильників і приладів, а також висоту підвішування і тип світильника.
Приклади складання замірювальних ескізів освітлювальних електропроводок: а — проводами АППВ; б — кабелем АНРГ; в — проводом АТРГ; г — відрізком кабельної лінії
Приклади складання замірювальних ескізів на складні трубні заготовки: а трубні розведення в просторовому (об'ємному) зображенні: б — виходи труб з коробок; в — обходи трубами виступних будівельних конструкцій
Під час замірювання і складання ескізів тросових електропроводок додатково зазначають проектні марку і діаметр несучого троса або дроту, марки та перерізи проводів і кабелів, способи прикріплення проводок до несучого троса (на клицях, хомутах, опорних конструкціях тощо), типи кінцевих анкерних кріплень та проміжних тросових підвісів і відтяжок, і відстані між підвісами й відтяжками, способи влаштування захисного заземлення та його приєднання до контуру заземлення.
До замовлення на заготовлення електропроводок, відрізків кабелів і трубних комунікацій додають відомість заготовок, у якій крім даних, необхідних для виготовлення потрібних вузлів і деталей, зазначають способи їх комплектації, пакування і транспортування.
6. Монтаж світильників
Монтаж світильників і приладів
Монтаж світильників, вимикачів, перемикачів, штепсельних розеток та інших приладів здійснюють після виконання в приміщенні всіх оздоблювальних і малярних робіт.
Заряджені світильники, що надійшли на об'єкт монтажу, перевіряють, відзначаючи при цьому фазні, нульові і холості жили проводів, після чого підвішують світильники до арматурного гака або кронштейна.
Незаряджені світильники заряджають за допомогою спеціальних арматурних, переважно гнучких, мідних проводів відповідних марок і перерізів (ПРКС, ПРБС тощо). Під час заряджання світильників кінці фазних або холостих жил проводів повинні бути приєднані до головок (центральних контактів) патронів, а кінці нульових проводів — до їх гвинтових гільз. Проводи не повинні зазнавати натягів, які могли б призвести до обривання або висмикування їх з контакту.
Пристрій для введення проводів у світильники залежить від типу світильника і способу проводки. Багато ввідних пристроїв оснащені ніпелями з нарізкою, щоб було можливо приєднувати до них сталеві труби електропроводки. В арматурі, призначеній для приміщень сирих, з їдкими парою й газами, а також для встановлення на відкритому повітрі в разі відкритого прокладання проводів (на роликах або ізоляторах) передбачаються два отвори для окремого вводу проводів. У світильників, які застосовуються для вводу кабелю (СРГ, ВРГ тощо), ввідні пристрої мають сальники; якщо сальника немає, ввідний пристрій повинен бути герметизований заливанням ізоляційною мастикою.
Світильники і підвісні штанги ізолюють від арматурних гаків і кронштейнів ізолюючими деталями з фарфору або фібри, а за їх відсутності — накладанням на гак двох шарів ізоляційної стрічки.
Рис 6.1. Приклади підвішування світильників при різних способах прокладання проводів і кабелів а — при схованому прокладанні проводів, б — при відкритому прокладанні проводів у трубах, в — при тросовому прокладанні проводів, г — при проводці кабелем АВРГ
Світильники у вигляді плафонів, бра, настінних і стельових патронів встановлюють на дерев'яних розетках завтовшки 10— 12 мм, міцно закріплених на стіні або стелі.
У разі монтажу освітлювальної мережі трубчастим проводом АТПРФ кріплення світильника повинно робитися жорстким (наприклад, на штанзі із сталевої труби). Приклади підвішування світильників у різних приміщеннях і за різних способів прокладання проводів і кабелів зображені на рис. 6.1.
Вимикачі, перемикачі та штепсельні розетки встановлюють залежно від їх конструкції і прийнятого способу виконання проводки (рис. 6.2). Однополюсні вимикачі й перемикачі приєднують до проводок у розсічку фазних жил проводів і кабелів. Металеві корпуси вимикачів, перемикачів і штепсельних розеток, які підлягають заземленню, приєднують окремим проводом до нульового проводу електропроводки, при цьому один його кінець — паянням або зварюванням до нульового проводу, другий кінець — до корпусу апарата за допомогою заземлюючого гвинта, що є на корпусі.
Рис. 6.2. Приклади монтажу установочних приладів: а — вимикача при відкритому прокладанні проводів АППВ; б — штепсельної розетки при закритому прокладанні проводів у гумових напівтвердих трубках, в, г — вимикача і штепсельно розетки у разі проводки кабелем ВРГ у сирому приміщенні
Вироби для кріплення світильників з лампами розжарювання і ДРЛ
Стельова розетка РПУХЛУ
Розетку виготовляють з пластмаси і використовують для закривання отворів виходу проводів і крюків У623УХЛУ, 4625УХЛУ з перекриттів. У ній розміщують затиски, що сполучають дроти світильника з дротом лінії
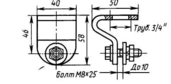
Утримувач У25МУЗ світильника
Утримувач кріплять до кронштейнів, підвісів, стійкам через різьбові патрубки з трубним різьбленням 3/4". Світильник, що прикріплюється до утримувача, повинен мати у верхній частині крюк, кільце і бугель.
Крюки для підвіски світильників масою до 5 кг до перекриттів з порожнистих і суцільних плит
Крюки кріплять до перекриття через заготовлені отвори, ізолюють при підвісці світильників і використовують разом із стельовою розеткою. Для підвіски світильників до перекриттів з порожнистих плит крюки мають уздовж осі ряд отворів, що дозволяють міняти їх розмір залежно від відстані усередині перекриття, а для підвіски світильників до перекриття з суцільних плит - один кріпильний отвір, розрахований на кріплення до плити певної товщини.
Для порожнистих плит випускають крюки У623УХЛ4 і У628УХЛ4 (I) завдовжки (L) відповідно 60 і 120 мм, для суцільних плит - крюки У625УХЛ4, У629ХЛ4 (II) заввишки (Н) 155 мм і завдовжки 80 і 120 мм, а також У629УХЛ4 заввишки 215 мм і завдовжки 80 мм.
Шпильки У624УХЛ4 - У626УХЛ4 для кріплення світильників
Шпильки У624УХЛ4-У626УХЛ4 кріплять до перекриття з порожнистих і суцільних плит через заготовлені отвори двома пластинами з отворами уздовж осі. Такий пристрій дозволяє міняти розміри кріплення залежно від відстані усередині перекриття. Світильники кріплять до шпильок гайкою















