24 (732045)
Текст из файла
Билет № 24
Опыты Франка и Герца. Принцип соответствия.
1. Законы взаимодействия атомов и молекул удается понять и объяснить на основе знаний о строении атома, используя планетарную модель его строения. В центре атома находится положительно заряженное ядро, вокруг которого вращаются по определенным орбитам отрицательно заряженные частицы. Взаимодействие между заряженными частицами называется электромагнитным. Интенсивность электромагнитного взаимодействия определяется физической величиной — электрическим зарядом, который обозначается q. Единица измерения электрического заряда — кулон (Кл). 1 кулон — это такой электрический заряд, который, проходя через поперечное сечение проводника за 1 с, создает в нем ток силой 1 А. Способность электрических зарядов как к взаимному притяжению, так и к взаимному отталкиванию объясняется существованием двух видов зарядов. Один вид заряда назвали положительным, носителем элементарного положительного заряда является протон. Другой вид заряда назвали отрицательным, его носителем является электрон. Элементарный заряд равен е=1,6•10-19 Кл.Заряд тела всегда представляется числом, кратным величине элементарного заряда:q=e(Np-Ne) где Np — количество электронов, Ne — количество протонов.Полный заряд замкнутой системы (в которую не входят заряды извне), т. е. алгебраическая сумма зарядов всех тел остается постоянной: q1 + q2 + ...+qn = const. Электрический заряд не создается и не исчезает, а только переходит от одного тела к другому. Этот экспериментально установленный факт называется законом сохранения электрического заряда. Никогда и нигде в природе не возникает и не исчезает электрический заряд одного знака. Появление и исчезновение электрических зарядов на телах в большинстве случаев объясняется переходами элементарных заряженных частиц — электронов — от одних тел к другим.
Электризация — это сообщение телу электрического заряда. Электризация может происходить, например, при соприкосновении (трении) разнородных веществ и при облучении. При электризации в теле возникает избыток или недостаток электронов.В случае избытка электронов тело приобретает отрицательный заряд, в случае недостатка — положительный.
Законы взаимодействия неподвижных электрических зарядов изучает электростатика.Основной закон электростатики был экспериментально установлен французским физиком Шарлем Кулоном и читается так. Модуль силы взаимодействия двух точечных неподвижных электрических зарядов в вакууме прямо пропорционален произведению величин этих зарядов и обратно пропорционален квадрату расстояния между ними.
F = k • q1q2/r2, где q1 и q2— модули зарядов, r — расстояние между ними, k — коэффициент пропорциональности, зависящий от выбора системы единиц, в СИ k = 9 • 109 Н • м2/Кл2. Величина, показывающая во сколько раз сила взаимодействия зарядов в вакууме больше, чем в среде, называется диэлектрической проницаемостью среды ε. Для среды с диэлектрической проницаемостью ε закон Кулона записывается следующим образом: F= k • q1q2/(ε•r2)
Вместо коэффициента k часто используется коэффициент, называемый электрической постоянной ε0. Электрическая постоянная связана с коэффициентом k следующим образом k = 1/4π ε0 и численно равна ε0=8,85 • 10-12 Кл/Н • м2.
С использованием электрической постоянной закон Кулона имеет вид:F=(1/4π ε0 )• (q1q2 /r2)Взаимодействие неподвижных электрических зарядов называют электростатическим, или кулоновским, взаимодействием. Кулоновские силы можно изобразить графически (рис. 14, 15).
Кулоновская сила направлена вдоль прямой, соединяющей заряженные тела. Она является силой
притяжения при разных знаках зарядов и силой отталкивания при одинаковых знаках.
2. Слово «атом» в переводе с греческого означает «неделимый». Под атомом долгое время, вплоть до начала XX в., подразумевали мельчайшие неделимые частицы вещества. К началу XX в. в науке накопилось много фактов, говоривших о сложном строении атомов.
Большие успехи в исследовании строения атомов были достигнуты в опытах английского ученого Эрнеста Резерфорда по рассеянию а- частиц при прохождении через тонкие слои вещества. В этих опытах узкий пучок α-частиц, испускаемых радиоактивным веществом, направлялся на тонкую золотую фольгу. За фольгой помещался экран, способный светиться под ударами быстрых частиц. Было обнаружено, что большинство α-частиц отклоняется от прямолинейного распространения после прохождения фольги, т. е. рассеивается, а некоторые α-частицы вообще отбрасываются назад. Рассеяние α-частиц Резерфорд объяснил тем, что положительный заряд не распределен равномерно в шаре радиусом 10-10 м, как предполагали ранее, а сосредоточен в центральной части атома — атомном ядре. При прохождении около ядра α-частица, имеющая положительный заряд, отталкивается от него, а при попадании в ядро — отбрасывается в противоположном направлении. Так ведут себя частицы, имеющие одинаковый заряд, следовательно, существует центральная положительно заряженная часть атома, в которой сосредоточена значительная масса атома. Расчеты показали, что для объяснения опытов нужно принять радиус атомного ядра равным примерно 10-15 μ.Резерфорд предположил, что атом устроен подобно планетарной системе. Суть модели строения атома по Резерфорду заключается в следующем: в центре атома находится положительно заряженное ядро, в котором сосредоточена вся масса, вокруг ядра по круговым орбитам на больших расстояниях вращаются электроны (как планеты вокруг Солнца). Заряд ядра совпадает с номером химического элемента в таблице Менделеева.Планетарная модель строения атома по Резерфорду не смогла объяснить ряд известных фактов:электрон, имеющий заряд, должен за счет кулоновских сил притяжения упасть на ядро, а атом — это устойчивая система; при движении по круговой орбите, приближаясь к ядру, электрон в атоме должен излучать электромагнитные волны всевозможных частот, т. е. излучаемый свет должен иметь непрерывный спектр, на практике же получается иное:электроны атомов излучают свет, имеющий линейчатый спектр. Разрешить противоречия планетарной ядерной модели строения атома первым попытался датский физик Нильс Бор.В основу своей теории Бор положил два постулата. Первый постулат: атомная система может находиться только в особых стационарных или квантовых состояниях, каждому из которых соответствует своя энергия; в стационарном состоянии атом не излучает.
Это означает, что электрон (например, в атоме водорода) может находиться на нескольких вполне определенных орбитах. Каждой орбите электрона соответствует вполне определенная энергия.
Второй постулат: при переходе из одного стационарного состояния в другое испускается или поглощается квант электромагнитного излучения. Энергия фотона равна разности энергий атома в двух состояниях: hv = Еm – Εn; h = 6,62 • 10-34 Дж • с, где h — постоянная Планка.
При переходе электрона с ближней орбиты на более удаленную, атомная система поглощает квант энергии. При переходе с более удаленной орбиты электрона на ближнюю орбиту по отношению к ядру атомная система излучает квант энергии. Принцип соответствия: применение новой, более общей физической теории к предметной области, где справедлива менее общая физическая теория, должно дать те же результаты, что и при использовании расчетных соотношений последней.
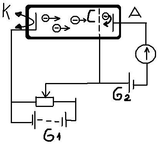
Опыт Франка и Герца. В1913г., исследовались столкновения электронов с атомами ртути. В стеклянной трубке находились пары ртути. Электроны, вылетевшие из катода , нагреваемого Эл. Током, ускоряются эл. полем м\у катодом К и сеткой С. Их кинетическая энергия при достижения сетки равна работе эл поля eU (e-заряд электрона, U- ускоряющее напряжение). М\у сеткой С и анодом А электроны тормозятся эл полем, созданным батарее G2. Напряжение м\у сеткой С и анодом А =0,5в.
Пока напряжение м\у сеткой и катодом не превосходит 4,9в, возрастание напряжения сопровождается увеличением силы тока в цепи. Резкое уменьшение силы тока в цепи анода при достижении напряж 4,9в, м\у катодом и сеткой заставляет сделать вывод о том , что электроны, обладающие кинетич энергией 4,9в, полностью теряют ее в результате столкновений с атомами ртути. Исходя из этих результатов можно сделать вывод, что разность энергий первого возбужденного стационарного состояния аома ртути Е2 и основного стацион состояния Е1 равна 4,9в Е2-Е1=4.9в
Наблюдения показали, что пока напряжение м\у катодом и сеткой <4,9в пары не излучают, а при достижении пары испускают ультрафиолетовое излучение с указанной частотой. Таким образом опыты Франка и Герца явились экспериментальным подтверждением правильности основных положений теории Бора
Характеристики
Тип файла документ
Документы такого типа открываются такими программами, как Microsoft Office Word на компьютерах Windows, Apple Pages на компьютерах Mac, Open Office - бесплатная альтернатива на различных платформах, в том числе Linux. Наиболее простым и современным решением будут Google документы, так как открываются онлайн без скачивания прямо в браузере на любой платформе. Существуют российские качественные аналоги, например от Яндекса.
Будьте внимательны на мобильных устройствах, так как там используются упрощённый функционал даже в официальном приложении от Microsoft, поэтому для просмотра скачивайте PDF-версию. А если нужно редактировать файл, то используйте оригинальный файл.
Файлы такого типа обычно разбиты на страницы, а текст может быть форматированным (жирный, курсив, выбор шрифта, таблицы и т.п.), а также в него можно добавлять изображения. Формат идеально подходит для рефератов, докладов и РПЗ курсовых проектов, которые необходимо распечатать. Кстати перед печатью также сохраняйте файл в PDF, так как принтер может начудить со шрифтами.















