149582 (731863)
Текст из файла
Л
абораторная работа № 1
Тема: Последовательное и параллельное соединение потребителей электрической энергии.
Цель работы: проверить законы параллельного и последовательного соединения
потребителей электрической энергии.
Теоретической обоснование работы:
1. Соединение, при котором через все потребители проходит один и тот же ток, называется последовательным.
Законы последовательного соединения:
-
I
=I1=I2=…=In -
U=U1+U2+…+Un
-
R=R1+R2+…+Rn (второй закон Кирхгофа)
-
U1:U2:…:Un= R1:R2:…:Rn
Напряжение на участках последовательной цепи прямопропорционально сопротивлению этих участков.
2. Законы параллельного соединения.
Ток на параллельно соединенных участках обратнопропорционален сопротивлению этих участков.
Оборудование:
1. Лабораторные стенды К-4826
2. Сопротивление: R1=1000 Ом
R2=680 Ом
R3=470 Ом
3. Электроизмерительные приборы: амперметры (3 штуки)
вольтметры (3 штуки)
4. Соединительные провода.
Порядок выполнения работы:
I. Последовательное соединение
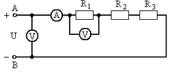
1.1. Собрать цепь по схеме:
1.2. Измерить: I; U1; U2; U3; UАВ
1.3. Вычислить: R1; R2; R3; P;P1;P2;P3
| № | UАВ | U1 | U2 | U3 | I | R | R1 | R2 | R3 | R1+R2+R3 | U1+U2+U3 | P | P1 | P2 | P3 | P1+P2+P3 |
| В | В | В | В | А | Ом | Ом | Ом | Ом | Ом | В | Вт | Вт | Вт | Вт | Вт | |
| 1 | 20 | 9,25 | 6,5 | 4,5 | 9,5*10-3 | 2132 | 973,68 | 684,2 | 473,68 | 2131,56 | 20,25 | 0,19 | 0,087 | 0,062 | 0,043 | 0,192 |
| 2 | 15 | 7 | 4,9 | 3,25 | 7*10-3 | 1842,05 | 1000 | 700 | 142,85 | 1842,85 | 15,15 | 0,105 | 0,049 | 0,343 | 0,007 | 0,399 |
1
.4. Сравнить:
| UАВ и U1+U2+U3 | 1) UАВ < U1+U2+U3 2) UАВ < U1+U2+U3 |
| R и R1+R2+R3 | 1) R < R1+R2+R3 2) R > R1+R2+R3 |
| P и P1+P2+P3 | 1) P < P1+P2+P3 2) P < P1+P2+P3 |
-
Сделать выводы
При последовательном соединении приемников общее сопротивление равно сумме сопротивлений отдельных приемников
II. Параллельное соединение
2.2. Измерить: U; I; I1; I2
2.3. Вычислить: R; R1; R2; g; g1; g2
| № | U | I | I1 | I2 | R | R1 | R2 | g | g1 | g2 | I1+I2 | g1+g2 |
| В | А | А | А | Ом | Ом | Ом | См | См | См | А | См | |
| 1 | 15 | 37*10-3 | 14,5*10-3 | 21,25*10-3 | 405,4 | 1034,5 | 705,9 | 2,4*10-3 | 9,6*10-4 | 1,4*10-3 | 0,0357 | 0,0023 |
| 2 | 10 | 23,5*10-3 | 9,75*10-3 | 14,5*10-3 | 425,5 | 1025,64 | 689,6 | 2,35*10-3 | 9,75*10-4 | 14,5*10-4 | 0,0242 | 0,0024 |
2.4. Сравнить:
| I и I1+I2 | 1) I > I1+I2 2) I < I1+I2 |
| g и g1+g2 | 1) g > g1+g2 2) g < g1+g2 |
2.5. Сделать выводы
При параллельном соединении приемников общая проводимость электрической цепи равна сумме проводимостей отдельных ветвей.
Характеристики
Тип файла документ
Документы такого типа открываются такими программами, как Microsoft Office Word на компьютерах Windows, Apple Pages на компьютерах Mac, Open Office - бесплатная альтернатива на различных платформах, в том числе Linux. Наиболее простым и современным решением будут Google документы, так как открываются онлайн без скачивания прямо в браузере на любой платформе. Существуют российские качественные аналоги, например от Яндекса.
Будьте внимательны на мобильных устройствах, так как там используются упрощённый функционал даже в официальном приложении от Microsoft, поэтому для просмотра скачивайте PDF-версию. А если нужно редактировать файл, то используйте оригинальный файл.
Файлы такого типа обычно разбиты на страницы, а текст может быть форматированным (жирный, курсив, выбор шрифта, таблицы и т.п.), а также в него можно добавлять изображения. Формат идеально подходит для рефератов, докладов и РПЗ курсовых проектов, которые необходимо распечатать. Кстати перед печатью также сохраняйте файл в PDF, так как принтер может начудить со шрифтами.
=I1=I2=…=In














