proekt (731844)
Текст из файла
Рис.1
Задание на проект:
Пусковая установка находится на корабле, совершающем колебания (угол
- стационарная функция известного вида.)
В момент времени t = tк производится пуск ракеты.
Требуется:
-
Получить уравнение малых колебаний ракеты с направляющей с учетом воздействия со стороны корабля.
-
Определить закон изменения момента управляющего двигателя Мупр(t), обеспечивающего минимум среднего значения угловой скорости пусковой установки к заданному моменту времени t = tк. Мощность двигателя ограничена ( | Мупр.|
)
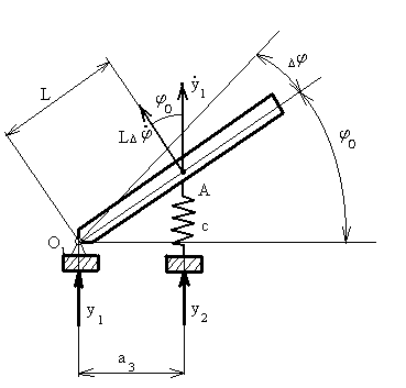
Расчетная схема:
Рис.2
Где точка А считается центром масс платформы с ракетой.
и
- кинематическое возбуждение точек основания
- угол подъема платформы в стационарном состоянии
- приращение угла (считается малым)
Для определения функций кинематического возбуждения воспользуемся схемой:
Рис.3
Где
,
или с учетом малости воздействия
Тогда возмущающие функции будут иметь вид:
Кинетическая энергия системы:
- абсолютная скорость центра масс платформы,
- момент инерции платформы с ракетой, относительно центра масс.
По теореме косинусов:
(4), где
Таким образом, кинетическая энергия системы запишется в виде:
Потенциальная энергия системы:
Поскольку перемещения системы считаются малыми, а пружина обладает достаточной жесткостью, потенциальной энергией силы тяжести пренебрегаем.
То есть потенциальная энергия системы будет потенциальной энергией, накопленной в пружине.
С учетом (1) и (2) получаем:
Для записи уравнения движения воспользуемся уравнением Лагранжа:
Подставляя (11) и (12) в уравнение Лагранжа, получим следующее:
Уравнение движения будет иметь вид:
Или, с учетом управляющего момента:
Считаем, что на систему действуют функция:
где А –амплитуда, а
-частота вынуждающих функций.
Уравнение движения можно переписать в виде:
Решение этого дифференциального уравнения состоит из двух частей:
-
Решение однородного дифференциального равнения
-
Частное решение неоднородного уравнения
Решение однородного уравнения имеет вид:
Частное решение неоднородного уравнения при произвольном воздействии будет выглядеть так:
Тогда общее решение дифференциального уравнения:
Выражение для скорости:
Компенсирующий двигатель включается в момент времени
.
Он работает до момента времени
. Мощность двигателя – ограничена.
Интегрирование начинаем в момент времени
, но т.к.
функция известного вида, а начальный момент времени - произвольный, то не важно, с какого момента начинать интегрирование, поэтому, начальный момент времени принимаем
нулевым. Исходя из подобных соображений, начальные условия так же считаем нулевыми, т.е.
Таким образом, приходим к выражению для скорости:
В момент пуска ракеты угловая скорость вращения платформы должна быть минимальной, в идеале – нулевой, поэтому:
Если добиться нулевого значения угловой скорости не представляется возможным, то потребуем нахождения угловой скорости в заданных пределах
Идеология решения такой задачи такова: Разобьем подинтегральное выражение на два интеграла. Тогда выражение для скорости запишется в следующем виде:
(23)
Необходимо добиться того, чтобы подинтегральные функции имели разные знаки, при этом значения интегралов должны быть равны по модулю.
Функция управляющего момента будет иметь такой вид:
Область, ограничивающая управляющий момент:
Рис 4.
Если удастся одновременно выполнить оба этих условия, значит задачу можно считать решенной. Если же нет, то можно будет оценить, насколько мы можем компенсировать начальное возмущение, располагая определенной мощностью.
Задаемся следующими параметрами установки:
Тогда остальные параметры будут вычисляться по формулам:
Амплитудное значение возмущающей функции:
Рассмотрим наиболее «неприятный» случай – когда частота возмущающей функции совпадает с собственной частотой системы, т.е.
Рис. 5
График управляющего момента:
Рис.6
График этой функции:
Рис. 7
График функции
Рис.8
Представим функции
на одном графике:
Рис 8.
Тогда для амплитудного значения управляющего момента
, времени пуска ракеты равным 15 с, для заданных параметров установки, значение угловой скорости равно:
Амплитудное значение управляющего момента было получено путем подбора, при этом выбиралось минимальное значение угловой скорости.
Для сравнения, выберем управляющий момент двигателя в виде произведения амплитудного значения момента на косинус с обратным знаком, т.е. :
Вид функции управляющего момента представлен на рисунке:
Рис.9
Рис.10
Тогда для получения аналогичного значения угловой скорости, а именно для
потребуется амплитудное значение управляющего момента, большее в два раза, чем при предыдущем случае, а именно
.
Таким образом, обеспечив вид функции управляющего момента двигателя, как
можно добиться минимального значения угловой скорости к моменту времени пуска ракеты, используя двигатель мощностью меньшей, чем в случае чисто косинусоидального вида управляющего момента.
По найденному амплитудному значению управляющего момента можно подобрать двигатель требуемой мощности, закон движения которого будет изменяться согласно предъявляемым выше требованиям.
12
Характеристики
Тип файла документ
Документы такого типа открываются такими программами, как Microsoft Office Word на компьютерах Windows, Apple Pages на компьютерах Mac, Open Office - бесплатная альтернатива на различных платформах, в том числе Linux. Наиболее простым и современным решением будут Google документы, так как открываются онлайн без скачивания прямо в браузере на любой платформе. Существуют российские качественные аналоги, например от Яндекса.
Будьте внимательны на мобильных устройствах, так как там используются упрощённый функционал даже в официальном приложении от Microsoft, поэтому для просмотра скачивайте PDF-версию. А если нужно редактировать файл, то используйте оригинальный файл.
Файлы такого типа обычно разбиты на страницы, а текст может быть форматированным (жирный, курсив, выбор шрифта, таблицы и т.п.), а также в него можно добавлять изображения. Формат идеально подходит для рефератов, докладов и РПЗ курсовых проектов, которые необходимо распечатать. Кстати перед печатью также сохраняйте файл в PDF, так как принтер может начудить со шрифтами.















