149268 (731535), страница 2
Текст из файла (страница 2)
Важно отметить, что по мере повышения степени автоматизации принятия решений, необходимых для управления отдельными технологическими аппаратами и участками, последние теряют значение самостоятельных объектов управления и сливаются во все более крупные производственные комплексы. В результате появились мощные централизованные системы управления, в которых с помощью ЭВМ концентрируются контроль и управление большим числом агретов. Понятно, что в такой системе оператор-технолог как звено, принимающее наиболее ответственные решения по управлению всем объектом в целом, играет исключительно важную роль.
Как уже отмечалось, основным инструментом для решения современных проблем управления материальным производством служат так называемые АСУ, в которых центральная, главенствующая роль и творческие способности человека сочетаются с широким применением современных математических методов и средств автоматизации, включая вычислительную технику.
В соответствии с государственным стандартом АСУ—это человеко-машинная система, обеспечивающая автоматизированный сбор и обработку информации, необходимой для оптимизации управления в различных сферах человеческой деятельности. Процесс оптимизации предполагает выбор такого варианта управления, при котором достигается минимальное или максимальное значение некоторого критерия, характеризующего качество управления.
Как правило, общий критерий экономической эффективности управления технологическим процессом неприменим из-за сложности определения необходимых количественных зависимостей в конкретных условиях; в таких случаях формируют частные критерии оптимальности, учитывающие специфику управляемого объекта и дополненные условными ограничениями. Такими частными критериями, например, могут быть:
-
максимальная производительность агрегата при определенных требованиях к качеству продукции, условиях эксплуатации оборудования и т. д.;
-
минимальная себестоимость при выпуске продукции в заданном объеме и заданного качества;
-
минимальный расход некоторых компонентов, например дорогостоящих присадок или катализатора.
Чтобы добиться желаемого (в том числе оптимального) хода технологического процесса, в системе управления им необходимо в нужном темпе выполнять множество различных взаимосвязанных действий: собирать и анализировать информацию о состоянии процесса, регистрировать значения одних переменных и стабилизировать другие, принимать и реализовывать соответствующие решения по управлению и т. д. Именно эта «деятельность» системы управления была ранее названа функционированием, т. е. выполнением ею установленных функции.
-
Что такое комплексная задача управления и в чем состоит проблема ее декомпозиции?
Функция управления в сложных системах осуществляется управляющей частью А с которой взаимодействует остальная управляемая часть В (рис. 1)
Как видно из структуры система состоит из управляющих устройств и управляемых объектов. Такое выделение приводит к упрощению исследования системы.
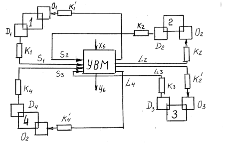
Для управления современными объектами используется большое количество элементов (подсистем). Совокупность элементов, участвующих в управлении называется управляющим комплексом. Типичный управляющий комплекс состоит из элементов следующих типов (рис. 2): D – датчики осведомительной информации; S – средства передачи информации; L- управляющие элементы; O – органы управления;- k, k1 - различные преобразующие и переходные устройства
Рис. 2
Роль элемента каждого типа в процессе функционирования ясна из его названия.
Управление сложной системой может быть централизованным
и децентрализованным. Централизованное управление предполагает концентрацию функций управления в одном центре сложной системы. Такая структура обладает рядом достоинств: I) позволяет достаточно просто реализовать процессы информационного взаимодействия; 2) создает принципиальную возможность глобально-оптимального управления системой в целом; 3) исключает необходимость в пересылках промежуточных результатов; 4) позволяет легко корректировать оперативно-изменяемые данные; 5) дает возможность достигнуть максимальной эксплуатационной эффективности при минимальной избыточности технических средств.
С системотехнической точки зрения основными недостатками структуры с единым управлением являются: необходимость исключительно высокого объема запоминающих устройств, высокой производительности и надежности средств обработки данных для достижения приемлемого качества управления; высокая суммарная протяженность каналов связи при наличии территориально-рассредоточенных объектов управления.
Децентрализованное управление - распределение функций управления по отдельным элементам системы. Построение системы с такой структурой возможно только в случае независимости объектов управления по материальным, энергетическим, информационным ресурсам. Для выработки управляющего воздействия на каждый объект необходима информация о состоянии только этого объекта. Фактически такая система представляет собой совокупность нескольких независимых систем со своей информационной и алгоритмической базой.
Процесс управления значительно упрощается при использовании системы управления с иерархической структурой. Для управления иерархической структуры характерно наличие нескольких уровней. управления. Типичным примером систем такого рода является административное управление. На рис-3 приведены классы структур.
-
Приведите примеры систем управления Запасами?
Задачи управления запасами составляют самый распространенный и изученный в настоящее время класс задач исследования операций. Они обладают следующей особенностью. С увеличением запасов увеличиваются расходы на их хранение, но уменьшаются потери из-за возможной их нехватки. Следовательно, одна из задач управления запасами заключается в определении такого уровня запасов, который минимизирует следующий критерий: сумму ожидаемых затрат по хранению запасов, а также потерь из-за их дефицита.
В зависимости от условий задачи управления запасами делятся на следующие три группы:
1. Моменты поставок или оформления заказов на пополнение запасов фиксированы. Определить объемы производимой или закупаемой партии запасов.
2. Объемы производимой или закупаемой партии запасов фиксированы. Определить моменты оформления заказов.
3. Моменты оформления заказов и объемы производимых или закупаемых партий не фиксированы. Определить эти величины, исходя из сформулированного выше критерия.
Задачи управления запасами составляют самый многочисленный класс экономических задач исследования операций, решение которых имеет важное народнохозяйственное значение. Особенно повышается значение этих задач в период массового внедрения АСУ. Правильное и своевременное определение оптимальной стратегии управления запасами, а также нормативного уровня запасов, позволяет высвободить значительные оборотные средства, замороженные в виде запасов, что в конечном счете повышает эффективность используемых ресурсов. Достаточно в этой связи упомянуть первую АСУП в нашей стране — систему «Львов», внедренную на Львовском телевизионном заводе, где значительная составляющая экономической эффективности от внедрения АСУП, определялась в результате оптимального управления запасами предприятия.
Элементы системы задачи управления запасами следующие:
1) система снабжения; 2) спрос на предметы снабжения; 3) возможность пополнения запасов; 4) функции затрат; 5) ограничения; 6) принятая стратегия управления запасами.
Рассмотрим подробнее каждый из этих элементов. Системы снабжения бывают: децентрализованные однокаскадные;
централизованные многокаскадные.
Спрос на предметы снабжения бывает: стационарный или нестационарный; детерминированный или случайный.
Различают такие способы пополнения запасов:
мгновенная поставка; задержка поставок на фиксированный интервал времени; задержка поставок на случайный интервал времени.
Функции затрат составляют в совокупности критерий эффективности принятой стратегии управления запасами и учитывают расходы на хранение, стоимость поставок, затраты, связанные с заказом каждой новой партии, затраты на штрафы.
Приведем возможные варианты составляющих функции затрат.
Расходы на хранение бывают: пропорциональные среднему уровню положительного запаса за период времени существования положительного запаса; пропорциональные остатку к концу периода; нелинейная функция среднего положительного запаса и времени его существования.
Стоимость поставки бывает: пропорциональной объему поставки; постоянной; пропорциональной числу номенклатур; пропорциональной необходимому приросту интенсивности производства.
Штрафы бывают таких видов: пропорциональные средней положительной недостаче за период; пропорциональные положительной недостаче к концу периода; постоянные; нелинейные функции от средней недостачи и продолжительности ее существования.
Ограничения в задаче управления запасами бывают: на максимальный объем запасов; на максимальный вес; на максимальную стоимость; на среднюю стоимость; на число поставок в заданном интервале времени; на объем поставки; на вероятность недостачи.
Рассмотрим некоторые модели.
а). Модель управления запасами.
Возникновение задачи управления запасами обусловлено взаимодействием двух сторон: поставщика и заказчика.
Оптимальное управление запасами сводится к решению заказчиком оптимизационной задачи по определению наивыгоднейшего объема и времени (момента) заказа, которые минимизируют расходы на хранение запасов и штраф за срыв поставок потребителю готовой продукции.
В условиях предприятия возможны три основных типа запасов, обусловленных разным содержательным смыслом понятий "поставщик" и "заказчик" в пределах одного предприятия.
Это следующие типы запасов.
1. Запасы сырья, материалов и комплектующих изделий, которые необходимы для производства конечного продукта предприятия.
2. Промежуточные запасы полуфабрикатов, производимых самим предприятием, которые используются на последующих стадиях производства.
3. Запасы готовой продукции предприятия.
При создании запасов первого типа заказчиком является предприятие в целом, а поставщиком внешние организации. Основное назначение этого вида запасов - ослабить зависимость производственного ритма предприятия от сбоев в работе предприятий поставщиков и работы транспорта. Задача управления запасами первого типа решается в подсистеме материально-технического снабжения.
Для запасов второго типа поставщиком и заказчиком являются разные участки самого предприятия. Назначение запасов этого типа обусловлено двумя основными факторами:
а) стремлением ослабить зависимость производственного ритма различных участков производства (например, цехов) при цепочечной структуре предприятия, ибо задержка на одном участке влечет лавинообразное нарастание задержек в последующих участках цепи, что вызывает простои и, как следствие, существенные экономические потери;
б) экономической целесообразностью выпуска продукции данного вида крупными партиями (переход с одного вида продукции на другой связан с переналадкой оборудования или изменением режима технологического процесса). Для запуска в производство очередной партии продукции данного вида необходимо иметь начальный запас.
Задача управления запасами второго типа решается в подсистеме оперативного управления основным производством.
Для запасов третьего типа поставщиком является предприятие в целом, а заказчиком - потребитель готовой продукции предприятия. Необходимость создания запасов этого типа связана с тем, что предприятие в случае срыва плана поставок готовой продукции подвергается штрафу. Поэтому целесообразно иметь некоторый запас готовой продукции, который мог бы компенсировать непредвиденные сбои в производственном ритме предприятия и естественные колебания спроса на готовую продукцию.
















