148399 (730703), страница 2
Текст из файла (страница 2)
Рис. 2. Структура аппаратной части диагностического комплекса
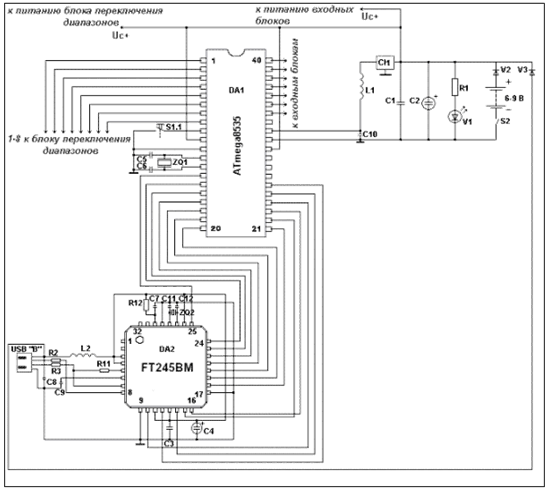
В качестве основы для реализации измерительного блока, принципиальная схема которого изображена на рис. 3, был выбран недорогой микроконтроллер фирмы ATMEL ATmega8535 RISC-архитектуры со встроенным 8-канальным аналого-цифровым преобразователем (АЦП) /14/. Данный микроконтроллер имеет 512 байт энергонезависимой памяти EEPROM, которую можно использовать для хранения калибровочных коэффициентов и настроек, относящихся к диагностируемому электродвигателю. Микросхема FT245BM используется для связи измерительного блока с компьютером через интерфейс USB 2.0. Однако возникли дополнительные трудности, связанные с низким быстродействием АЦП данного микроконтроллера, в результате чего получается слишком мало экспериментальных значений измеряемой величины на анализируемом периоде сигнала электродвигателя. Можно воспользоваться более мощным и быстрым многоканальным АЦП или несколькими одноканальными АЦП, работающими параллельно, однако оба этих способа значительно завысят себестоимость аппаратной части комплекса. Решением этой проблемы стал программный метод, при помощи которого происходит получение более детального графика сигнала на одном периоде путем анализа сразу нескольких периодов сигнала.
Идея метода изображена на рис. 4. На координатной плоскости рисунка имеются радиус-векторы, вращающиеся с угловой скоростью wt. Длина радиус-вектора равна текущему значению полной потребляемой мощности Pi. Таким образом, текущее состояние сигнала удобно представить в виде комплексного числа i, значение которого можно выразить через формулу Коши-Адамара:
(1)
где i - точка текущего состояния сигнала полной потребляемой мощности;
Pi - текущее значение полной потребляемой мощности;
wi - текущий угол поворота ротора относительно начального положения.
Рис. 3. Структура искусственной нейронной сети, используемой для идентификации сигнала полной потребляемой мощности
Например, сначала происходит измерение трех значений сигнала на первом периоде 1, 2 и 3, затем через некоторое смещение угла относительно w1, соответствующее значению , происходит получение следующих трех значений сигнала 4, 5 и 6 на втором периоде.
Рис. 4. Детализация графика сигнала полной потребляемой мощности
Аналогичным образом получаются точки для следующих периодов в зависимости от требуемого количества точек сигнала. Соединив полученные точки в порядке, определяемом углом вращения wi, сплошной линией, мы получим более детальный график сигнала, содержащий необходимое число экспериментальных точек. Схематически пример получения детального графика одного периода для сетевого напряжения промышленной частоты 50 Гц показан на рис. 9.
Таким же образом происходит получение графика одного периода полной потребляемой мощности асинхронного электродвигателя. Чем выше скорость вращения ротора электродвигателя, тем больше периодов анализируется, до того, как будет произведена попытка определения неисправности в электродвигателе. Естественно такая обработка сигнала снижает общее быстродействие диагностического комплекса. Можно даже не выполнять идентификацию полученного периода, а свести эту задачу к задаче распознавания образа замкнутой фигуры, изображенной на рис. 10, и по форме данной фигуры судить о присутствии какой-либо неисправности в электродвигателе. В этом случае способ диагностики получается более наглядным, но и более сложным в реализации.
Также изначально планировалось в качестве измерительных датчиков тока использовать токовые клещи с широким диапазоном измерения тока. Это позволило бы разработать универсальный и удобно-подключаемый программно-аппаратный комплекс. Но из-за очень высокой стоимости токовых клещей в аппаратной части комплекса используются обычные трансформаторы тока.
Как показано на рис. 5, для оценки напряжения между фазой C электродвигателя и нейтралью производится измерение разности потенциалов между нейтралью и корпусом устройства UN, а также между фазой и корпусом устройства UC. Затем, получив разность этих двух напряжений, находится значение напряжения между фазой C и нейтралью. Аналогичным образом происходит получение значения напряжения для фаз A и B. Данный механизм измерения используется для того, чтобы убрать гальваническую связь между устройством и цепью электродвигателя.
Рис. 5. Схема подключения измерительной части комплекса к цепи электродвигателя
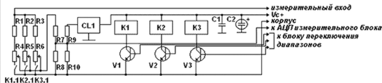
Напряжение с токовых датчиков или с фаз электродвигателя подается на измерительный вход входного блока, изображенного на рис. 6. Входное напряжение подается через один их трех делителей в зависимости от текущего диапазона напряжения. Каждый делитель подключается при помощи реле, после получения соответствующего сигнала на базу одного из трех транзисторов от блока переключения диапазонов. Реле во входном блоке являются герконовыми, так как они потребляют небольшой ток и при этом сравнительно бесшумны. Текущий входной делитель выбирается блоком переключения диапазонов таким образом, чтобы на выходе делителя уровень напряжения был в пределах от -1,25 В до 1,25 В. Но учитывая, что аналого-цифровой преобразователь микроконтроллера выполняет измерение только неотрицательных сигналов от 0 до 2,5 В, дополнительно на выходной сигнал подается постоянное напряжение смещения с интегрального стабилизатора CL1 через делитель R9 и R10, на выходе которого образуется +1,25 В.
Рис. 6. Принципиальная схема входного блока
Данный программно-аппаратный комплекс позволит значительно увеличить экономическую эффективность использования промышленных установок с асинхронными электродвигателями, и при этом увеличить срок службы электродвигателей в производстве путем проведения своевременного их ремонта по данным прогнозирования, полученным в результате диагностики.
Заключение
В заключение необходимо отметить, что использовать нейронные сети для определения всех видов неисправностей и ненормальных режимов работы электродвигателя нецелесообразно, а в некоторых случаях невозможно! Например, невозможно определить наличие равномерной перегрузки электродвигателя лишь по форме сигнала полной мощности электродвигателя, так как здесь необходимо сравнивать амплитуду мощности электродвигателя с его номинальной мощностью. Однако это легко реализовать в программе. Если программно-аппаратный комплекс будет использоваться не только для диагностики, но и для защиты электродвигателя, то реализация в нем традиционных методов релейной защиты повысит надежность его работы.
В итоге можно сделать вывод, что для создания диагностических устройств и программно-аппаратных комплексов весьма желательно использовать искусственные нейронные сети, так как они являются мощным средством распознавания и прогнозирования сигналов, а их способность к обучению дает возможность разрабатывать адаптивные системы защиты и диагностики электродвигателей.
Список используемой литературы
1. Грундулис, А.О. Защита электродвигателей в сельском хозяйстве [Текст] / А.О. Грундулис // - М.: Колос, 1982. - 140 с.
2. Лукьянов, М.М. Новые принципы виброакустической диагностики изношенного силового электрооборудования [Текст] / М.М. Лукьянов, Э.А. Харисов: Электрика. - № 2, 2001.
3. Еремеев, С.Н. Профилактическое обслуживание электродвигателей высоконагруженного технологического оборудования [Текст] / С.Н. Еремеев: Электрика. - № 3, 2001.
4. Коверженко, Г.Г. Высоковольтные импульсные испытания электрических машин [Текст] / Г.Г. Коверженко: Энергетик. - № 7, 2006.
5. Петухов, В. Диагностика состояния электродвигателей. Метод спектрального анализа потребляемого тока [Текст] / В. Петухов, В. Соколов: Новости электротехники. - № 1, 2005.
12.Круглов, В.В. Искусственные нейронные сети. Теория и практика [Текст] / В.В. Круглов, В.В. Борисов // - М.: Горячая линия. - Телеком, 2002. - 382с.
















