147839 (730582)
Текст из файла
1. ЭЛЕКТРООБОРУДОВАНИЕ ДВИГАТЕЛЯ
1.1 ОБЩИЕ СВЕДЕНИЯ
В состав электрооборудования двигателя входят все компоненты систем зажигания, запуска и заряда. Ввиду того, что по своему функциональному назначению эти компоненты относятся к непосредственно обеспечивающим работу двигателя, они рассматриваются отдельно от компонентов бортового электрооборудования, таких как осветительные приборы, приборы управления и т.п.
Номинальное напряжение в системе электрооборудования автомобиля 12 В. Электрооборудование выполнено по однопроводной схеме. Отрицательный вывод аккумуляторной батареи соединен с корпусом, который выполняет функцию второго электрического провода. Аккумуляторная батарея находится в двигательном отсеке.
Стартер имеет принудительное перемещение шестерни привода двигателя посредством электромагнитного тягового реле. На автомобиле установлен стартер фирмы Bosch. Выключатель стартера является составной частью выключателя зажигания и, при включении, приводит в действие установленное в стартере электромагнитное тяговое реле.
На автомобиле могут устанавливаться генераторы фирмы Delco Remy или Bosch. Максимальная сила тока отдачи генератора 100 А.
Генератор приводится во вращение через клиновой ремень от коленчатого вала двигателя. На крышке со стороны контактных колец находится регулятор напряжения. На панели приборов находится контрольная лампа, контролирующая процесс заряда аккумуляторной батареи. Если лампа не гаснет при работающем двигателе, это указывает на нарушение процесса заряда батареи.
При работе с электрооборудованием всегда следует соблюдать определенные меры безопасности:
a) Будьте осторожны - электроприборы особенно легко выходят из строя при неправильном обращении с ними во время проверки, подсоединения и обслуживания.
b) Не оставляйте зажигание надолго включенным при выключенном двигателе.
c) Никогда не отсоединяйте провода от батареи при работающем двигателе.
d) При подсоединении проводов от вспомогательного источника питания при аварийном запуске двигателя соблюдайте полярность.
e) Всегда отсоединяйте отрицательный провод от батареи первым и подсоединяйте последним во избежание короткого замыкания при случайном касании инструментом во время отдавания/затягивания зажима клеммы.
2. АККУМУЛЯТОРНАЯ БАТАРЕЯ
2.1 ОБЩИЕ СВЕДЕНИЯ
Установленная 12 В батарея емкостью или Ач, или по желанию или Ач состоит из шести банок, содержащих положительные и отрицательные пластины, которые опущены в раствор серной кислоты. В задачу батареи входит вырабатывание тока для запуска автомобиля, зажигания и для освещения, а также для других потребителей электроэнергии.
2.2 УХОД ЗА БАТАРЕЕЙ
Время от времени следует производить следующие работы, чтобы батарея служила дольше и ее мощность поддерживалась максимальной.
2.3 ПОРЯДОК ВЫПОЛНЕНИЯ
1. Всегда содержите батарею и окружающие ее детали в чистоте. Поверхность батареи должна быть всегда сухой, так как иначе между отдельными банками могут возникнуть поверхностные токи утечки, из-за чего батарея разряжается сама по себе.
2. В холодную погоду не оставлять батарею в незаряженном состоянии, так как иначе она замерзнет. Слабо заряженные батареи замерзают раньше заряженных.
3. Аккумуляторная батарея не требует обслуживания, т.е. добавка электролита и замер его плотности не требуется. В верхней части аккумуляторной батареи находится указатель. Изменение цвета указателя дает представление о степени разряженности батареи. Если указатель показывает зеленый цвет, аккумуляторная батарея заряжена, автомобиль может эксплуатироваться. По мере разряда батареи цвет указателя темнеет, и постепенно становится черным, что указывает на необходимость зарядки.
Если цвет указателя совсем исчезает или становится желтым, то это указывает на понижение уровня электролита в результате его испарения или длительной эксплуатации. Такую аккумуляторную батарею использовать нельзя. Батарея должна быть заменена.
При установке другой аккумуляторной батареи, требующей обслуживания, для поддержания ее в работоспособном состоянии необходимо следующее
Порядок выполнения
1. Очищайте наружные поверхности батареи и протирайте их насухо, так как это защищает ее от возникновения токов утечки между отдельными секциями. Токи утечки приводят к саморазряду батареи (рекомендуется проводить также для аккумуляторной батареи, не требующей обслуживания).
2. Уровень электролита должен находиться между отметками на внешней стороне корпуса аккумуляторной батареи (иллюстр.). Доливать батарею необходимо только дистиллированной водой.
Не оставляйте аккумуляторную батарею в разряженном состоянии, т. к. она может замерзнуть. Разряженная батарея замерзает быстрей, чем заряженная (это относится также и к батареи, не требующей обслуживания).
3. СНЯТИЕ И УСТАНОВКА АККУМУЛЯТОРНОЙ БАТАРЕИ
3.1 ПОРЯДОК ВЫПОЛНЕНИЯ
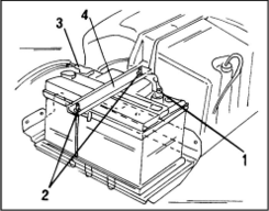
1. Аккумуляторная батарея находится в двигательном отсеке и крепится на консоли, как показано на иллюстр.
Отсоедините кабель массы (1) от аккумуляторной батареи. Для этого используется гаечный ключ.
2 - шайбы;
3 - положительный кабель;
4 - крепежная планка.
2. Отсоедините положительный кабель от батареи.
3. Отверните гайки длинных болтов крепления планки и снимите планку.
4. Выньте батарею из двигательного отсека. Осторожно обращайтесь с батареей.
Устанавливается батарея в последовательности, обратной снятию. Сначала присоединяется положительный, затем отрицательный кабель.
При установке батареи сначала зачистите контакты, а затем смажьте их специальной смазкой.
4. ГЕНЕРАТОР
4.1 МЕРЫ БЕЗОПАСНОСТИ ПРИ РАБОТЕ С ГЕНЕРАТОРОМ
Прежде чем производить какие-либо работы на системе зарядки, следует ознакомиться со следующими мерами безопасности:
1. Никогда не отключать батарею или регулятор напряжения, когда двигатель и генератор работают.
2. Никогда не замыкать клемму возбуждения генератор или закрепленный на ней кабель на массу.
3. Никогда не путать провода регулятора напряжения.
4. Никогда не включать регулятор напряжения, если он соединен с массой (мгновенное повреждение).
5. Никогда не снимать генератор, если батарея не отключена от контура.
6. При установке батареи следить, чтобы минусовая клемма подключалась к массе.
7. Никогда не использовать индикатор напряжения, который подключен непосредственно в бытовую сеть (110 или 220 В). Использовать только индикатор на 12 В.
8. Если батарея заряжается в установленном состоянии зарядным устройством, оба кабеля батареи должны быть отключены. Положительную клемму зарядного устройства соединить с положительной клеммой батареи, а отрицательную клемму зарядного устройства с отрицательной клеммой батареи.
9. Неправильное подключение проводов приводит к разрушению выпрямителя и регулятора напряжения.
4.2 ПРОВЕРКА УСТАНОВЛЕННОГО ГЕНЕРАТОРА
При нормальном движении лампа контроля заряда должна погаснуть. В противном случае, неисправность заключается в генераторе или регуляторе напряжения. Во-первых проверить электрические соединения генератора. Проверить, правильно ли натянут приводной ремень. Дальнейшая проверка может быть проведена только на снятом генераторе, однако можно предварительно проверить все предохранители.
4.3 ОБСЛУЖИВАНИЕ, ПРОВЕРКА И РЕМОНТ ГЕНЕРАТОРА
Замечание: Генератор и регулятор настройкам и ремонту не подлежат. Неработающий генератор можно заменить на сменный, сдав старый генератор при покупке.
Обслуживание
Подшипники генератора имеют долгосрочную смазку и не требуют регулярного технического обслуживания. Содержать внешнюю сторону генератора в чистоте и не допускать попадания на него воды или других растворяющих средств.
Проверка и ремонт
Щетки генератора скользят по гладким контактным кольцам и поэтому имеют очень долгий срок службы. Для проверки щеток снятие генератора не требуется. Проделать следующие работы:
4.4 МЕРЫ БЕЗОПАСНОСТИ ПРИ РАБОТЕ С ЗАРЯДНЫМ УСТРОЙСТВОМ
Работа с зарядным устройством требует соблюдения следующих мер безопасности:
1. Нельзя отсоединять аккумуляторную батарею или регулятор напряжения во время работы двигателя и соответственно генератора.
2. Не допускайте контакта с массой клеммы обмотки возбуждения генератора или присоединенного к нему кабеля.
3. Ни в коем случае не меняйте местами провода регулятора напряжения.
4. Ни в коем случае не включайте регулятор напряжения, если он соединен с массой (немедленно будет поврежден).
5. Ни в коем случае не снимайте генератор, не отключив предварительно аккумуляторной батареи.
6. При установке аккумуляторной батареи следите за тем, чтобы отрицательная клемма соединялась с массой. Хотя клеммы имеют разный диаметр, возможна ошибка.
7. Ни в коем случае не применяйте контрольной лампы, включенной непосредственно в основную сеть (110 или 220 В). Применяйте только контрольную лампу напряжением 12 В.
8. При зарядке аккумуляторной батареи без снятия ее с автомобиля необходимо отсоединить оба кабеля. Положительная клемма зарядного устройства должна соединяться с положительным полюсом батареи, а отрицательная с отрицательным.
9. Неправильное подключение зарядного устройства ведет к повреждению выпрямителя и регулятора напряжения.
10. При замене устанавливайте генератор соответствующего тока отдачи.
4.5 ПРОВЕРКА ГЕНЕРАТОРА НА ДВИГАТЕЛЕ
При нормальной эксплуатации автомобиля контрольная лампа разряда аккумуляторной батареи гореть не должна. Если же лампа горит, то это указывает на неисправность в генераторе или регуляторе напряжения.
Сначала необходимо проверить все присоединения к генератору.
Проверьте натяжение клинового ремня. Прочие проверки проводятся на снятом с двигателя генераторе. Рекомендуется проводить их в автомастерской, располагающей специальной контрольной аппаратурой.
4.6 СНЯТИЕ И УСТАНОВКА
Для всех исполнений отсоедините кабель массы от аккумуляторной батареи. Далее в зависимости от исполнения:
5. ДВИГАТЕЛЬ 2.0 Л ДО 1995 Г. ВЫПУСКА
5.1 ПОРЯДОК ВЫПОЛНЕНИЯ
1. Крепление генератора показано на иллюстр. Отсоедините кабели с обратной стороны генератора.
2. Снимите приводной ремень. Это исполнение имеет устройство регулировки натяжения ремня.
3. Отверните болты крепления генератора от натяжной планки и от нижней опоры (стрелки на иллюстрации).
При установке генератора затяните болты крепления от руки. Наденьте клиновой ремень и отрегулируйте его натяжение. После этого затяните болт, показанный на иллюстр. и затяните болты и гайки нижнего крепления генератора.
Присоедините кабели с обратной стороны генератора. Присоедините кабель массы аккумуляторной батареи.
6. ДВИГАТЕЛЬ 2.0 Л С СЕРЕДИНЫ 1995 Г. ВЫПУСКА
Здесь необходимо провести некоторые подготовительные работы, чтобы добраться до генератора.
6.1 ПОРЯДОК ВЫПОЛНЕНИЯ
1. Отсоедините кабель массы от аккумуляторной батареи.
Характеристики
Тип файла документ
Документы такого типа открываются такими программами, как Microsoft Office Word на компьютерах Windows, Apple Pages на компьютерах Mac, Open Office - бесплатная альтернатива на различных платформах, в том числе Linux. Наиболее простым и современным решением будут Google документы, так как открываются онлайн без скачивания прямо в браузере на любой платформе. Существуют российские качественные аналоги, например от Яндекса.
Будьте внимательны на мобильных устройствах, так как там используются упрощённый функционал даже в официальном приложении от Microsoft, поэтому для просмотра скачивайте PDF-версию. А если нужно редактировать файл, то используйте оригинальный файл.
Файлы такого типа обычно разбиты на страницы, а текст может быть форматированным (жирный, курсив, выбор шрифта, таблицы и т.п.), а также в него можно добавлять изображения. Формат идеально подходит для рефератов, докладов и РПЗ курсовых проектов, которые необходимо распечатать. Кстати перед печатью также сохраняйте файл в PDF, так как принтер может начудить со шрифтами.
















