147634 (730530), страница 2
Текст из файла (страница 2)
Ці виводи ізольовані від інтегрального пристрою. Маркування виводів нанесено на його пластмасову кришку. Корпус інтегрального пристрою є п'ятим виводом — «масою». Для підведення струму до генератора при збудженні від акумуляторної батареї між виводами В і Д підключений резистор. Для підвищення якості регулювання інтегрального пристрою (при відсутності акумуляторної батареї) встановлено конденсатор К50-ЗА (СФ) фільтра. Самозбудження генератора без акумуляторної батареї відбувається за рахунок залишкової індукції системи збудження.
При включенні перемикача 32 (рис. 3.1, а) в положення «Зима» резистор К.2 одним виводом підключається до виводу С інтегрального пристрою, а іншим — до корпусу генератора («маси»). При включенні перемикача 32 в положення «Літо» резистор К.2 відключається від схеми генератора.
Генератор працює так. Постійний струм від позитивної клеми акумуляторної батареї через клему Б, резистор Кі і клему Д інтегрального блока надходить до обмотки збудження 25 генератора, потім до клеми Ш, транзисторів і «маси» інтегрального блоку, а звідти — до мінусової клеми акумуляторної батареї. При проходженні електричного струму через обмотку збудження 25 навколо неї створюється магнітне поле. Магнітний потік перетинає втулку 15 з фланцем 14, ротор 26 і статор 12 з обмотками 27 котушки статора.
При обертанні вала 19 зубці і западини ротора 26 поперемінно розташовуються проти кожної обмотки 27 статора. При цьому величина магнітного потоку, створеного котушкою збудження, змінюється від максимального до мінімального значення. Під дією змін величини магнітного потоку в обмотках статора виникає змінна електрорушійна сила, яка утворює електричний струм змінного напрямку. Змінний струм від обмоток статора поступає у випрямляч. Силовим випрямлячем змінний струм перетворюється у постійний і йде на зарядку акумуляторної батареї та до інших споживачів. Постійний струм від додаткового випрямляча поступає до клеми 2 генератора і до обмотки 25 котушки збудження.
4. РЕГУЛЯТОРИ НАПРУГИ
Частота обертання колінчастого вала двигуна, а тому і ротора генератора, змінюється у широких межах. Оскільки при цьому пропорційно змінюється і швидкість перетину обмоток статора магнітними силовими лініями, то згідно з законом електромагнітної індукції відповідно змінюється і ЕРС, що наводиться в обмотках, а значить, і напруга генератора. Із цього ж закону випливає, що зберегти постійну напругу (а це необхідно для нормальної роботи споживачів) можна, змінюючи магнітну індукцію обернено пропорційно частоті обертання. Досягається це автоматичною зміною сили струму в обмотці збудження за допомогою регулятора напруги. Наприклад, якщо частота обертання збільшиться, регулятор напруги відповідно зменшить силу струму в обмотці збудження, і тому напруга генератора не зростає.
У генераторних пристроях застосовують переважно контактно-транзисторні і транзисторні регулятори напруги. У контактно-транзисторного регулятора є електромагнітний вібратор 5 (рис. 4.1) і транзистор 4. Обмотка збудження 6 генератора підключена не прямо до виводу В, а через резистор Е,д і паралельне йому коло: емітер Е і колектор К транзистора.
Рис. 4.1. Спрощена схема контактно-транзисторного регулятора напруги:
1 —обмотка статора генератора; 2 — акумуляторна батарея; 3 — вимикач «маси»; 4 — транзистор; 5 — вібратор; 6 — обмотка збудження; 7 — діодний міст
База транзистора через резистор К6 постійно з'єднана з «масою» і рухомим контактом ПК вібратора. Нерухомий контакт НК вібратора з'єднаний з виводом «В» генератора. Обмотка ОРН електромагніта приєднана одним кінцем до виводу «В», а другим — до «маси».
Коли напруга генератора не перевищує допустимої, в обмотці ОРН від акумуляторної батареї або від генератора проходить струм невеликої сили, який викликає незначне намагнічення осердя, і тому пружина Пр утримує контакти вібратора у розімкнутому стані. В цьому випадку база Б транзистора постійно з'єднана з «масою», а тому і з виводом «— » генератора, має менший потенціал, ніж емітер, тому транзистор опиняється в стані «відкрито», і струм збудження йде по колу: вивод «+» батареї 2 (або В генератора) — емітер Е — колектор К транзистора — обмотка збудження 1 генератора — «маса» — вивод «—» джерела. Через резистор Кд струм майже не проходить, оскільки провідність у багато разів менша провідності паралельно підключеного транзистора.
Коли частота обертання збільшиться і напруга генератора перевищить допустиму, збільшиться і сила струму в обмотці ОРН. Сила електромагніта подолає опір пружини Пр і, притягуючи пластинку, яку називають якірцем, замкне контакти ПК і НК. В результаті позитивний вивод «В» з'єднається з базою Б транзистора, її потенціал стане рівним потенціалу емітера, і транзистор перейде в стан «заперто». Струм в обмотку збудження 6 тепер зможе проходити тільки через резистор Кд, тому сила струму різко зменшиться, що викличе відповідне зменшення магнітного потоку в генераторі, а тому і ЕРС в обмотках статора. В результаті напруга на виводах генератора знизиться, контакти вібратора розімкиуться, транзистор перейде в стан «відкрито» і весь процес повторюється.
Таким чином, при високій частоті обертання рухомий контакт весь час вібрує, а напруга генератора коливається від деякого середнього значення. Проте ці коливання внаслідок великої їх частоти не відбиваються на розжарюванні ламп та роботі інших споживачів. Чим сильніше натягнута пружина Пр, тим триваліший час розімкну-того стану контактів і тим вища регульована напруга генератора.
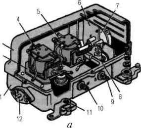
Контактно-транзисторний реле-регулятор РР362-Б застосовують в генераторних пристроях більшості тракторів. Його корпус 1 (рис. 4.2) розділений перегородкою на два відділи. В одному із них на панелі 2 закріплений регулятор 4 напруги і реле 5 захисту. На зворотному боці панелі змонтовані резистори. В другому відділенні розміщені транзистор і два діоди. Для охолодження транзистор закріплений на латунній пластині-тепловідводі 6, а в кришці 3 над відділенням напівпровідників зроблені отвори.
Виводи, помічені буквами В, Ш і М, з'єднують з однойменними виводами генератора, а до виводу В приєднують ще і провід від споживачів.
Регулятор напруги має ізольований від «маси» вигнутий магніто-провід (ярмо) з електромагнітом посередині. До одного стояка ярма за допомогою пружної пластини прикріплений якірець, а до другого — дві пластини з нерухомими контактами. Між ними розміщені рухомі контакти, припаяні з обох боків якірця. Реле захисту за будовою подібне до регулятора напруги, але має тільки одну пару контактів.
Прослідкуємо на схемі шляхи струму в колах реле-регулятора. Коло обмотки ОРН електромагніта: вивод «+» батареї або В генератора — діод Дз резистор — обмотка ОРН — резистор Ктк — «маса» — вивод «—» джерела.
Поки напруга генератора нижча регульованої, контакти К ро-зімкнуті, тому транзистор відкритий. В цьому випадку струм в обмотку 16 збудження генератора проходить по колу: вивод «+» джерела — вивод В — діод Дз — перехід емітер — колектор транзистора 7 — виводи Ш реле-регулятора і генератора — обмотка 16 збудження — «маса» — вивод «—» джерела.
Коли напруга генератора перевищить регульовану і під дією зрослого магнітного притягання розімкнуться контакти К1 і замкнуться контакти К2, транзистор перейде в стан «заперто», так як його база з'єднається з виводом «+» джерела і сила струму керування становитиме нуль. При цьому діод Дз, що називається запірним, збільшить швидкість і надійність запирання транзистора. Оскільки тепер струм в обмотку збудження проходить тільки по паралельному транзистору колу через два послідовно з'єднаних резистори Ку і Кд, то сила струму в обмотці збудження, а значить, і напруга генератора зменшуються, і весь процес повторюється. Звернемо увагу: при цьому через прискорювальний резистор Ку струм проходить в обмотку ОРН, що збільшує частоту коливань якірця до 20...30 Гц.
З нагріванням обмотки ОРН, виконаній із мідного дроту, опір ЇЇ збільшується, в результаті чого регулятор пізніше вступить в дію і буде підтримувати більш високу напругу генератора. Щоб зменшити вплив температури на регульовану напругу, послідовно обмотці ОРН включений резистор Ктк температурної компенсації. Він виконаний із ніхрому, опір якого мало залежить від температури.
Рис. 4.2. Реле регулятор РР362-Б:
а — будова; б — схема; 1 — корпус; 2 — панель; 3 — кришка; 4 — регулятор напруги; 5 — реле захисту; 6 — тепловідвід; 7 — транзистор; 8 — діод; 9,10,11 — виводи; 12 — перемикач посезонного регулювання; 13 — акумуляторна батарея; 14 — вимикач «маси»; 15 — генератор; 16 — обмотка збудження генератора
Напругу, що підтримує регулятор, можна змінювати гвинтом посезонного регулювання. Коли його вигвинчують до упора (положення «Літо»), контактний диск, зображений на схемі як перемикач 12, під'єднує резистор Кпс паралельно резистору Ктк. В результаті опір у колі ОРН зменшується, і напруга, яку підтримує регулятором, знижується з 14,0...15,2 до 13,2...14 В. В реле-регуляторі РР362, що встановлюється на автомобілях,
У процесі роботи регулятора напруги відбувається замикання і розмикання лише нижніх контактів К2, а верхні К1 залишаються розімкнутими, оскільки амплітуда коливань якірця мала. Контакти К1 замикаються і розмикаються лише в моменти переходу напруги генератора від пониженої до нормальної, і навпаки. На схемі видно, що при замкнутих контактах К1 резистор зворотного зв'язку К.33 виявляється ввімкненим паралельно обмотці ОРН, і тому якірець починає притягуватися до осердя при підвищеній напрузі генератора. В момент розмикання контактів К1 струм у обмотці ОРН різко збільшується, цим досягають надійного притягування якірця і запобігають деренчанню контактів у перехідному режимі.
У момент запирання транзистора внаслідок різкого зменшення сили струму в обмотці збудження наводиться ЕРС самоіндукції. Щоб під дією цієї сили не відбулося пробивання транзистора, паралельно обмотці збудження підключений діод Дг, який разом з обмоткою утворює контур, де гаситься енергія самоіндукції.
Реле захисту охороняє транзистор від руйнування великою силою струму в випадку короткого замикання в колі обмотки збудження генератора. При такому пошкодженні напруга генератора падає до нуля, і хоч по обмотці ОРН проходить струм від акумуляторної батареї, контакти К2 розімкнуться, тому що напруга батареї менша напруги генератора, при якій відбувається замикання контактів. Тому транзистор залишиться в стані «Відкрито», і якщо не вжити заходів для закриття, то через нього буде проходити струм короткого замикання по колу: «+» батареї — вивід В — діод Д — перехід емітер — колектор — вивід Ш — місце короткого замикання — «маса» — «-» батареї.
За допомогою реле захисту транзистор переходить в стан «Закрито» таким чином. Після розмикання контактів К2 замкнуться контакти К1, і струм проходитиме по колу: «+» батареї — ярмо реле захисту — з'єднувальний провід — ярмо і якірець регулятора напруги — контакти К1 — обмотка ОРЗ — затискач Ш — місце короткого замикання — «маса» — «-» батареї. Проходячи по обмотці ОРЗ, струм створює велике магнітне поле, якірець реле захисту притягується до осердя, і внаслідок замикання контактів база транзистора опиняється з'єднаною з виводом «+» батареї, транзистор закритий і залишається в цьому стані, поки вмикачем 14 не від'єднають «—» батареї від «маси». Вмикати його можна тільки після усунення несправності.
Транзисторний регулятор напруги діє подібно до контактно-транзисторного, з тією лише різницею, що силою струму в обмотці збудження генератора керують не за допомогою електромагнітного вібратора, а стабілітроном 5 (рис. 4.3, а). Коли напруга генератора перевищить регульовану, відбувається електричне (але не теплове) пробивання стабілітрона. База транзистора виявляється з'єднаною з виводом «+» джерела, транзистор закривається, і струм проходить лише через резистор Рд. Напруга генератора знижується, стабілітрон закри вається, транзистор переходить в стан «Відкрито», і через нього проходить збільшений струм збудження. В результаті напруга знову зростає до пробивання стабілітрона, процес знову повторюється.
Схема транзисторного регулятора напруги, зображена на рис. 4.3, а, спрощена. На практиці до нього входять два або три транзистори, велика кількість резисторів, діодів та деякі інші складові елементи.
Не дивлячись на це, габарити транзисторного регулятора напруги у кілька разів менші, ніж контактно-транзисторного реле-ре-гулятора, і в експлуатації не вимагається регулювання.












