147120 (730427), страница 2
Текст из файла (страница 2)
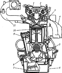
На рис. 6 представлен двигатель легкового автомобиля большого класса. Двигатель бензиновый, четырехтактный, V-образный, восьмицилиндровый, верхнеклапанный, с нижним расположением распределительного вала, с жидкостным охлаждением. Рабочий объем цилиндров двигателя — 5,5 л, степень сжатия — 8,5. Максимальную мощность 162 кВт двигатель развивает при частоте вращения коленчатого вала 4200 мин™1, максимальный крутящий момент 450 Н-м — при частоте вращения 2700 мин -1.
Съемные гильзы 3 цилиндров установлены в два ряда под углом 90° в блоке 2 цилиндров. Каждый ряд цилиндров закрыт головкой 12. В головке находятся клапаны 6 и коромысла 7клапанов с осью.
Коленчатый вал 19 с помощью шатунов 16 связан с поршнями 4, размещенными в цилиндрах.
Клапаны расположены в верхней части двигателя, а распределительный вал имеет нижнее расположение. Привод клапанов от распределительного вала осуществляется через толкатели 14, штанги 11 и коромысла 7.
Приготовленная в карбюраторе 10 горючая смесь поступает в цилиндры двигателя по впускному трубопроводу 8 и воспламеняется в цилиндрах от свечей зажигания 5. Отработавшие газы удаляйся из цилиндров по выпускному трубопроводу 13 и далее через глушитель в окружающую среду.
Смазывание трущихся поверхностей осуществляется моторным маслом из поддона 18 с помощью масляного насоса 17.
Рис. 6. Двигатель легкового автомобиля большого класса:
1 — стартер; 2 — блок цилиндров; 3 — гильза цилиндра; 4 – поршень; 5 — свеча зажигания; 6 — клапан; 7 — коромысло; 8, 13 — впускной и выпускной трубопроводы; 9 — распределитель зажигания; 10 – карбюратор; 11 — штанга; 12 — головка цилиндров; 14 — толкатель; 15 — распределительный вал; 16 — шатун; 77 — масляный насос; 18 — масляный поддон; 19 — коленчатый вал; 20 — маслоприемник
Бензиновый двигатель с впрыском топлива легкового автомобиля среднего класса представлен на рис. 7. Двигатель четырехтактный, рядный, четырехцилиндровый, верхнеклапанный, с верхним расположением распределительных валов, с жидкостным охлаждением. Рабочий объем цилиндров двигателя — 2,3 л, степень сжатия — 9,5. Максимальную мощность 110 кВт двигатель развивает при частоте вращения коленчатого вала 6500 мин-1, максимальный крутящий момент 206 Н-м — при частоте вращения 2500 мин-1.
Цилиндры двигателя расположены вертикально в одном блоке 5, закрытом головкой 3 цилиндров, в которой установлены два распределительных вала и клапаны. Распределительный вал 1 приводит в действие впускные клапаны, а распределительный вал 2 — выпускные. Все цилиндры двигателя имеют по четыре клапана — два впускных и два выпускных. Привод распределительных валов — цепной, осуществляется от коленчатого вала 8.
Рис. 7. Бензиновый двигатель с впрыском топлива легкового автомобиля среднего класса:
1 — распределительный вал впускных клапанов; 2 — распределительный вал; выпускных клапанов; 3 — головка цилиндров; 4, 11 — выпускной и впускной; трубопроводы; 5— блок цилиндров; 6— масляный поддон; 7— масляный насос; 8 — коленчатый вал; 9 — шатун; 10 — поршень
Горючая смесь готовится во впускном трубопроводе 11, в который поочередно в соответствии с порядком работы цилиндров двигателя впрыскивается бензин электромагнитными форсунками. Пары бензина конденсируются в ресивере.
Применение системы впрыска бензина существенно повышает максимальную мощность двигателя и максимальный крутящий момент, уменьшает расход топлива и снижает токсичность отработавших газов.
На рис. 8 показан дизель легкового автомобиля. Двигатель четырехтактный, рядный, четырехцилиндровый, с разделенной камерой сгорания, с верхним расположением клапанов и распределительного вала, с жидкостным охлаждением. Рабочий объем цилиндров — 2,2 л. Максимальную мощность 62,5 кВт двигатель развивает при частоте вращения коленчатого вала 4500 мин-1, максимальный крутящий момент 142 Н-м — при частоте вращения 2250 мин-1.
Рис. 8. Дизель с разделенной камерой сгорания:
1 — коленчатый вал; 2— шатун; 3— поршень; 4— блок цилиндров; 5 — головка цилиндров; 6 — свеча накаливания; 7 — форсунка; 8 – дополнительная камера сгорания; 9— распределительный вал; 10— впускные клапаны; 11 — выпускной клапан
Цилиндры двигателя расположены вертикально в одном блоке 4 и закрыты головкой 5. В головке размещены распределительный вал 9, клапаны, камеры сгорания, форсунки и свечи накаливания. Каждый цилиндр имеет два впускных клапана 10, один выпускной 11 и разделенную (двухполостную) камеру сгорания. При работе двигателя чистый сжатый воздух с большой скоростью поступает через соединительный канал в дополнительную камеру сгорания 8, куда из форсунки под большим давлением впрыскивается мелкораспыленное дизельное топливо. В дополнительной камере сгорания воздух движется с завихрением, что обеспечивает его интенсивное перемешивание с впрыскиваемым топливом. Полученная смесь воспламеняется от сжатия. Давление в дополнительной камере резко возрастает и вытесняет из нее еще не сгоревшую смесь в основную камеру сгорания, где и завершается сгорание смеси. При пуске двигателя воздух в дополнительной камере сгорания предварительно подогревается с помощью специальной свечи накаливания 6, которая выключается после пуска.
Применение в двигателе разделенной (двухполостной) камеры сгорания обеспечивает более бесшумную его работу, более низкие уровни вибрации, снижение дымности и токсичности отработавших газов.
Дизель легкового автомобиля с вихревой камерой сгорания представлен на рис. 9. Двигатель с турбонаддувом, четырехтактный, рядный, четырехцилиндровый, верхнеклапанный, с верхним расположением распределительного вала, с жидкостным охлаждением. Рабочий объем цилиндров — 2,4 л. Максимальную мощность 99 кВт двигатель развивает при частоте вращения коленчатого вала 4300 мин-1, максимальный крутящий момент 285 Н-м — при частоте вращения 2000 мин-1.
Рис. 9. Дизель с вихревой камерой сгорания:
1 – блок цилиндров; 2 — шатун; 3 — поршень; 4, 12 — уравновешивающие валы; 5 — головка цилиндров; 6 — выпускной клапан; 7 — распределительный вал; 8— впускные клапаны; 9— форсунка; 10— свеча накаливания; 11 — вихревая камера; 13 — коленчатый вал.
Четыре цилиндра двигателя расположены вертикально в одном блоке 1, закрытом головкой 5 цилиндров, в которой находятся распределительный вал, клапаны, камеры сгорания, форсунки и свечи накаливания. Распределительный вал 7 имеет зубчато-ременный привод от коленчатого вала 13. Все цилиндры двигателя имеют по два впускных клапана 8, по одному выпускному клапану б и по вихревой камере сгорания 11.
Вихревая камера сгорания состоит из двух камер — основной и дополнительной. Дополнительная камера размещена перед основной камерой, и в ней установлены форсунка 9 и свеча накаливания 10. В процессе работы двигателя воздух вследствие турбонаддува с большой скоростью поступает в дополнительную камеру, куда также под большим давлением впрыскивается мелкораспыленное дизельное топливо. Благодаря специальной форме дополнительной камеры сгорания воздух движется в камере с большим завихрением и интенсивно перемешивается с впрыскиваемым топливом. Образованная смесь воздуха и дизельного топлива воспламеняется от сжатия. Под действием резко возросшего давления из дополнительной камеры несгоревшая полностью смесь выталкивается в основную камеру, в которой заканчивается ее сгорание. Свеча накаливания 10 служит для подогрева воздуха в дополнительной камере сгорания при пуске холодного двигателя. После пуска двигателя свеча выключается.
Двигатель оборудован уравновешивающим механизмом, компенсирующим инерционные силы от поршней, шатунов и других деталей двигателя. Механизм состоит из двух уравновешивающих валов 4 и 12, установленных с обеих сторон блока цилиндров и имеющих зубчато-ременный привод от коленчатого вала двигателя. Применение вихревых камер и уравновешивающего механизма обеспечивает более мягкую и бесшумную работу двигателя, меньшую дымность и токсичность отработавших газов.
На рис. 10 показан дизель грузового автомобиля. Двигатель четырехтактный, V-образный, восьмицилиндровый, верхнеклапанный, с верхним расположением распределительного вала, с жидкостным охлаждением. Рабочий объем цилиндров двигателя — 10,85 л, степень сжатия — 17. Максимальную мощность 154 кВт двигатель развивает при частоте вращения коленчатого вала 2600 мин-1, максимальный крутящий момент 637 Н-м — при частоте вращения 1600... 1800 мин-1.
В блоке цилиндров установлены в два ряда под углом 90° съемные гильзы цилиндров. Каждый цилиндр закрыт отдельной головкой. Клапаны расположены в верхней части двигателя, а распределительный вал имеет нижнее расположение. Клапаны приводятся в действие от распределительного вала через толкатели, штанги и коромысла. Горючая смесь готовится внутри цилиндров двигателя и воспламеняется от сжатия. Масло к трущимся поверхностям деталей двигателя подается масляным насосом, который забирает его из масляного поддона. Охлаждение деталей двигателя — жидкостное. Принудительная подача охлаждающей жидкости к сильно нагретым деталям осуществляется жидкостным насосом.
6. Дизель грузового автомобиля
Рис. 10. Дизель грузового автомобиля:
1 — масляный фильтр; 2 — маслозаливная горловина; 3 — указатель уровня масла; 4 — центробежный масляный фильтр; 5 — коробка термостатов; 6, 9 — передний и задний рым-болты; 7 — компрессор; 8 — насос гидроусилителя; 10 — Водосборная труба; 11 — факельная свеча; 12 — впускной воздухопровод; 13 — форсунка; 14 — скоба крепления форсунки; 15 — патрубок выпускного трубопровода; 16 — выпускной трубопровод; 17 — масляный насос.
Дизель с турбонаддувом грузового автомобиля представлен на рис. 2.72. Двигатель четырехтактный, V-образный, восьмицилиндровый, верхнеклапанный, с нижним расположением распределительного вала, с жидкостным охлаждением. Рабочий объем цилиндров — 10,85 л, степень сжатия — 16. Максимальную мощность 191 кВт двигатель развивает при частоте вращения коленчатого вала 2600 мин-1, максимальный крутящий момент 785 Н-м — при частоте вращения 1600... 1800 мин-1. Двигатель оборудован двумя турбокомпрессорами, которые установлены на впускных трубопроводах двигателя, по одному на каждый ряд цилиндров. Применение непосредственного впрыска топлива в цилиндры двигателя с турбонаддувом обеспечивает более высокие мощность, крутящий момент, топливную экономичность и экологичность двигателя.
Рис. 11. Дизель с турбонаддувом грузового автомобиля:
1, 17 — выпускной и впускной трубопроводы; 2 — стартер; 3 — головка цилиндров; 4 — масляный поддон; 5, 11 — кронштейны; 6 — жидкостный насос; 7 — вентилятор; 8 — приводвые ремни; 9 — центробежный масляный фильтр; 10 — генератор; 12 — рычаг переключения передач; 13 — объединительный патрубок; 14— крышка регулятора топливного насоса высокого давления; 15— факельные свечи; 16— электромагнитный клапан; 18— топливный фильтр; 19— компрессор; 20 — турбокомпрессоры; 21 — бачок насоса гидроусилителя.
Список использованной литературы
1. Сарбаев В.И. Техническое обслуживание и ремонт автомобилей. − Ростов н/Д: «Феникс», 2004.
2. Вахламов В.К. Техника автомобильного транспорта. − М.: «Академия», 2004.
3. Барашков И.В. Бригадная организация технического обслуживания и ремонта автомобилей. – М.: Транспорт, 1988г.















