Scooter_Ecsp (730302), страница 2
Текст из файла (страница 2)
4) незаносимые-насыпи более Hn=1,09; выемки ниже Hв=5м, а также нераскрытые выемки, подветреный откос которых может вместить весь снег на дорогу за зиму.
4 Определение объема снегоприноса
Снегопринос — объем снега, приносимого на погонную длину 1м дороги в единицу времени. Он зависит от размеров бассейна снегоприноса, ориентации дороги относительно направления преобладающих ветров, толщины снежного покрова, плотности, температуры и влажности снега, силы ветра и других факторов.
Объем снегоприноса определяется по участкам
, (4.1)
| где | Wп - | объем снегоприноса , м3 / м; |
| - | коэффициент сдувания твердых осадков, =0.5; | |
| - | угол между направлением господствующего ветра и направлением рассматриваемого участка дороги; | |
| с - | Плотность снега, с = 0.4 т/м3 ; | |
| L - | путь, который проходит метель от границы бассейна до дороги, L= ; | |
| Lэ - | Предельная дальность снегоприноса, Lэ = 0.5 км; | |
| Wa- | общее число твердых осадков за зиму, Wa=122мм. |
Поучастковый расчет сведем в таблицу 4.1.
Таблица 4.1 - Определение объема снегоприноса
| № | Ветер | Дорога | Расчет | Wп , м3/м |
| 1 | Ю:З | СВ:25° | 0.5sin(20°) Wп= 122 0.4(1/+1/0.5) | 26,07 |
| 2 | Ю:З | СВ:40° | 0.5sin(5°) Wп= 122 0.4(1/+1/0.5) | 6,65 |
| 3 | Ю:З | СВ:30° | 0.5sin(15°) Wп= 122 0.4(1/+1/0.5) | 19,73 |
| 4 | Ю:З | СВ:18° | 0.5sin(27°) Wп= 122 0.4(1/+1/0.5) | 34,62 |
5 Разработка мер защиты дороги от снежных заносов
Заносимые участки автомобильных дорог можно защитить от снежных заносов тремя путями: задержать переносимый метелью снег на подступах к дороге и вызвать образование снежных отложений на безопасном для дороги расстоянии; увеличить скорость снеговетрового потока, когда он проходит над дорогой и этим предотвратить образование снежных отложений на дорожном покрытии; полностью укрыть дорогу от снега с помощью специальных сооружений.
5.1 Защита дороги от снежных заносов с помощью
деревянных щитов
Наиболее медленно заносятся снегом щиты с неравномерно расположенным заполнением, при котором решетка сгущена в верхней части и разрежена в нижней. Благодаря этому такие щиты приходится переставлять значительно реже, чем щиты с равномерно заполненной решеткой.
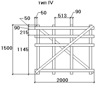
В зависимости от объема снегоприноса и скорости ветра применяются четыре типа щитов с разреженной нижней частью. Согласно [1, стр.141] и объему снегоприноса на участках автомобильной дороги принимаем щит типа IV (рисунок 5.1).
Щиты обычно устанавливают с кольями, привязывая к ним. На каменистом или скальном грунте щиты ставят в “козлы”, прочно связывая верхние концы.
Наиболее эффективно задерживают снег щиты, установленные сплошной линией. При недостатке щитов вместо сплошной линии можно ставить щитовые линии с разрывами в один щит через каждые три щита. Максимальное удаление одиночных щитовых линий от дороги должно быть не более 100м.
Рисунок 5.1 – IV Тип снегозащитного щита
В случаях интенсивных метелей щиты ставят в несколько рядов. Необходимое количество рядов можно определить по следующей зависимости:
, (5.1)
| где | К - | Коэффициент накопления снега у наружных рядов многорядной защиты, К=9; |
| Н - | Высота щита, м; | |
| Lp - | Расстояние между рядами щитов, Lp 20*Н,м; | |
| Кр - | Коэффициент заполнения снегом пространства между рядами, Кр = 0.60.8. |
Произведем расчет и сведем его в таблицу 5.1.
Таблица 5.1 - Количество рядов снегозащитных щитов по участкам автомобильной дороги
| № | Wп , м3/м | Н,м | Lp,м | Расчет | N | Принято |
|
| 26,07 | 1.5 | 30 | 26,07-91,52 0,71,530 | 0,18 | 1 |
|
| 6,65 | 1.5 | 30 | 6,65-91,52 0,71,530 | -0,43 | 0 |
|
| 19,73 | 2.0 | 40 | 19,73-922 0,7240 | -0,29 | 0 |
|
| 34,62 | 2.0 | 40 | 34,62-922 0,7240 | -0,02 | 0 |
Ближайший к дороге ряд щитовых линий не должны быть ближе 30м. Щитовые линии обычно располагаются параллельно дороге, но при косых ветрах на первом и втором участках рекомендуется ставить перпендикулярно к основной щитовой линии короткие звенья щитов с таким расчетом, чтобы концы их подходили к дороге не ближе чем на 10-15 метров.
Место перехода из выемки в насыпь ограждаются (рисунок 5.2). Концы щитовых линий снабжают разветвленными отводами под углом 135° (в сторону дороги) и 170° (от дороги к основной щитовой линии). Между отводом и основной линией делают разрыв в 4 метра.
Рисунок 5.2 - Ограждение мест перехода из выемки в
насыпь
Рисунок 5.3 - Схема установки щитов
5.2 Защита дороги от снежных заносов путем установки снегозащитного забора
Надежным средствам защиты дорог от снежных заносов служат высокие снегозащитные заборы.
Снегозащитные заборы бывают двухпанельные с просветностью решетки 50% и однопанельные с просветностью решетки до 70%. Однопанельные заборы в основном применяют для вторых и третьих рядов многорядных линий заборов, двухпанельные — при устройстве заборов в один ряд или в ближайшем к дороге ряду многорядных линий заборов.
Расчет высоты снегозащитного забора следует производить по формуле:
, (5.2)
| где | Нп - | Средняя высота снежного покрова, м. |
Произведем расчет высот снегозащитного забора для каждого участка дороги и сведем его в таблицу 5.2.
Таблица 5.2 - Расчет высот снегозащитного забора по участкам автомобильной дороги
Заборы строят из дерева или сборные из железобетона. Для обеспечения эффективной работы заборов по снегозадержанию их следует располагать по возможности перпендикулярно к направле
нию господствующих ветров так как при этом отложения отодвигаются от забора. Наименьшее допустимое расстояние между забором и дорогой определяется протяженностью зоны действия забора на ветровой поток , направленный нормально к забору и составляет 15 высот забора.
Рисунок 5.4 - Конструктивная схема снегозащитного забора
Рисунок 5.5 - Схема установки щитов
5.3 Защита дороги от снежных заносов с применением снежных траншей
Снежные траншей прокладывают в снежном покрове проходами двухотвальных тракторных снегоочистителей или бульдозеров. Cнегосборная способность траншеи (объем снега, который может задержать 1м траншеи) при глубине 1.5м и ширине, создаваемой за один проход двухотвального тракторного снегоочистителя, составляет в среднем 12 м3/м.
Снегозащитные траншеи прокладывают в несколько рядов параллельно дороге. Число работоспособных траншей, которые необходимо иметь для надежной защиты дороги, назначают с учетом объема снегоприноса.
Оптимальное расстояние, которое следует назначать между осями соседних траншей составляет 12-15м. Ближайшая к дороге траншея должна быть расположена не ближе 30м и не далее 100м.
Объем снега, который может задержать одна траншея, рассчитывается по формуле:
, (5.3)
| Где | Вср - | Средняя ширина траншеи, Вср=4м; |
| Lт - | Расстояние между осями траншей, м. |
Необходимое количество траншей:
. (5.4)
Для прокладки такого количества траншей необходимое число бульдозеров определяется следующей зависимостью:
, (5.5)
| где | L - | длина участков, на которых прокладываются траншеи, км; |
| m - | число одновременно прокладываемых траншей, принимается в зависимости от Wп, до 100 м3/м - не менее 3; до 200 м3/м – не менее 4; | |
| n - | количество проходов машин по одной траншее, n=2; | |
| Vp - | рабочая скорость бульдозера, Vp =10 км/ч; | |
| Ки - | коэффициент использования машины во времени, Ки=0.7; | |
| tb - | возможное время работы по прокладке траншей в течение промежутка между метелями, tb=48ч. |
Произведем необходимые расчет объема снега, который может задержать одна траншея :
Рассчитаем необходимое количество траншей и количество бульдозеров на каждом участке и расчет сведем в таблицу 5.3.
1














