146587 (729968), страница 5
Текст из файла (страница 5)
Проверка (а) и регулировка (б) свободного хода педали сцепления автомобиля ВАЗ .
Проверка и регулировка свободного хода рычага вилки выключения сцепления автомобиля ВАЗ-2108 .
12 З4 56
Регулировка свободного хода педали сцепления автомобилей «Москвич-408» и -412 .
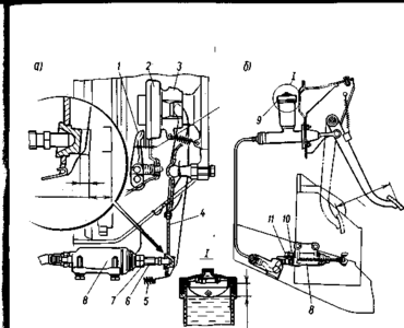
У автомобиля ГАЗ-24 «Волга» регулировка привода выключения сцепления (рис. 42) заключается в установке свободного хода наружного конца вилки 4 выключения сцепления, равного 3—4 мм. При таком свободном ходе устанавливается зазор 2,5 мм между подшипником 2 муфты 3 выключения сцепления и концами рычагов / выключения сцепления. Уменьшение в процессе эксплуатации свободного хода наружного конца вилки до 1,5 мм свидетельствует о недопустимом уменьшении зазора между концами рычагов и подшипником и о необходимости его регулировки. Регулировка заключается в изменении длины толкателя 6 рабочего цилиндра 8 сцепления при снятой оттяжной пружине 5 вилки и отпущенной контргай-128 ке 7. После регулировки надо установить на место оттяжную пружину и плотно затянуть контргайку. Полный ход наружного конца вилки должен быть не менее 17 мм. Если он (при полном ходе педали сцепления не менее 176 мм) меньше 17 мм, то это указывает на наличие воздуха в системе привода сцепления.
Регулировка свободного хода педали выключения сцепления автомобиля ГАЗ-24 «Волга»
а—механическая часть привода; б—гидравлическая часть привода
Удаление воздуха из гидропривода сцепления. Удалять воздух из системы гидропривода сцепления рекомендуется в такой последовательности:
129
заполнить питательный бачок 9 жидкостью до нормального уровня (10—15 мм ниже верхней кромки); очистить от пыли и грязи клапан выпуска воздуха рабочего цилиндра 8, снять защитный колпачок // с головки 10 клапана и надеть на головку резиновый шланг из комплекта принадлежностей к автомобилю;
погрузить свободный конец шланга в тормозную жидкость, налитую в стеклянный сосуд вместимостью не менее 0,5 л, заполненный наполовину, и резко нажимать на педаль сцепления 3—4 раза с интервалом 1—2 с и, удерживая педаль в нажатом положении, отвернуть на 1/2—3/4 оборота клапан выпуска воздуха. Под действием давления, созданного в сисеме, часть жидкости и содержащийся в ней воздух в виде пузырьков выйдет через шланг в сосуд с жидкостью;
плавно отпуская и резко нажимая на педаль сцепления, прокачивать систему до полного прекращения выхода из шланга пузырьков воздуха. Во время прокачки следует добавлять тормозную жидкость в питательный бачок, не допуская снижения уровня в нем более чем на 2/3 от нормального уровня;
удерживая педаль в нажатом положении, завернуть до отказа клапан выпуска воздуха, снять с его головки 10 шланг, надеть на головку клапана защитный колпачок //, а также добавить в бачок жидкость до нормального уровня.
Жидкость, выпущенную из системы гидравлического привода сцепления во время прокачки, не заливайте в питательный бачок без тщательного фильтрования и длительного отстоя, так как в ней содержится воздух и грязь.
Следует помнить, что обращаться с тормозной жидкостью нужно осторожно, так как она ядовита. После выполнения работ с тормозной жидкостью необходимо тщательно вымыть руки с мылом.
При правильно прокачанной системе гидравлического привода сцепления обеспечивается безударное включение первой передачи и заднего хода. Если при нажатой до упора педали сцепления имеется ударное включение передач, следует проверить и убедиться в исправности сцепления способом, описанным выше.
Оглавление:
-
История развития автомобилестроения.
-
Устройство сцепления.
-
Неисправности Сцепления .
4. Ремонт сцепления.
Литература
-
“Автомобиль в личном пользовании “ (И.М. Юрковский)
-
“Всё о легковом автомобиле” ( С.М. Круглов )
-
“Устройство , технической обслуживание и ремонт автомобиля “ ( Ю.И. Боровских , и др.)















