diplom (729861), страница 4
Текст из файла (страница 4)
где Н – высота помещения, м;
hс – свес, т.е. расстояние от потолка, м;
hр – высота рабочей поверхности от пола, м.
Высоту свеса светильника приняли
hс=1м.
Высоту рабочей поверхности от пола приняли
hр=0,8м,
Расстояние между светильниками L, м определили согласно /10, с.330/ по формуле
где - наивыгоднейшее отношение расстояний между светильниками и рас чётной высоте подвеса све
тильника.
Наивыгоднейшее отношение расстояний между светильниками и рас чётной высоте подвеса светильника приняли
=1,4 – 1,8,
Расстояние между светильниками приняли
L=8м.
Наибольшая равномерность освещения имеет место при размещении светильников по углам квадрата. Поэтому принимаем такое размещение светильников в производственном помещении.
Расстояние
, м, от стен до крайнего ряда светильников определили согласно /10, с.330/ по формуле
Расстояние от стен до крайнего ряда светильников приняли
l=3м.
Количество светильников по длине помещения па, шт, определили согласно /10, с.330/ по формуле
где А – длина помещения, м;
Количество светильников по ширине помещения пb шт определили согласно /10, с.330/ по формуле
где В – ширина помещения, м;
Общее количество светильников шт в
помещении определили согласно /10, с.330/ по формуле
2.17 Расчёт мощности и выбор ламп
По /10, с.130, таблица 5.55/ находим коэффициент использования светового потока.
Коэффициент использования светового потока приняли
Световой поток одной лампы Фрасч, Лм, определили согласно /10, с.330/ по формуле
где Е – нормируемая освещённость цеха;
kз - коэффициент запаса, для открытого пространства 1,3;
S – освещаемая площадь, м2;
z – поправочный коэффициент, учитывающий неравномерность освещаемой поверхности
Поправочный коэффициент, учитывающий неравномерность освещаемой поверхности приняли
z=1,15.
Освещённость принимаем согласно /10, с.103/
Е=75Лк,
По световому потоку выбираем лампу, поток которой не отличается от расчётного потока более чем на минус 10 плюс 20 процентов. Данные занесли в таблицу.
Таблица 5 – Технические данные лампы ДРЛ
| Тип лампы | Мощность Вт | Напряжение сети, В | Срок службы, ч | Световой поток, Лм | Длина мм | Диаметр мм |
| ДРЛ400 | 400 | 220 | 10000 | 23500 | 152 | 368 |
Фактическую освещённость определили со
гласно /10, с.330/ по формуле
где ФЛ – световой поток одной лампы, Лм;
Мощность осветительной установки определили согласно /10, с.332/ по формуле
где N – количество ламп, шт;
РЛ – мощность одной лампы, Вт;
2.18 Выбор схемы питания, типа осветительных щитков
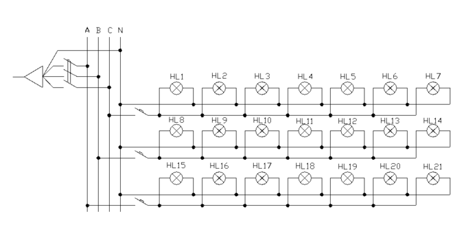
Все светильники распределили 3 группы. В каждой группе – 7 ламп мощностью 400Вт, и мощность группы 2,8кВт.
По количеству групп выбрали щиток освещения. Данные занесли в таблицу.
Таблица 6 – Данные щитка освещения
| Тип щитка | Тип вводного автомата | Тип линейных автоматов | Количество линейных автоматов | Степень защиты | Способ установки |
| ЩО41-5102 | А3110 | АЕ2443 | 6 | IP54 | На стене |
Рабочий ток групповой линии определили по формуле
где, N – количество ламп в одной групповой линии, шт;
РЛ – мощность лампы, Вт;
UС – напряжение сети, В.
Линейный автомат выбирали /3, с.142/, на номинальный ток 25А.
Согласно /10, с.201/ определили ток уставки Iуст, А, расцепителя автомата групповой линии
где Iр – рабочий ток групповой л
инии, А.
Вводной автомат выбирали по /3, с.142/, на номинальный ток 25А.
Определили место расположения щитка освещения
Щиток освещения, от которого начинаются групповые осветительные сети, располагается в помещении, удобном для обслуживания и с нормальными условиями среды.
Помещение взрывоопасное, щиток освещения расположен в коридоре, перед входом.
Рисунок 1 – Схема подключения ламп к щитку рабочего освещения
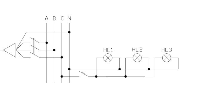
Рисунок 2 – Схема подключения
ламп к щитку аварийного освещения
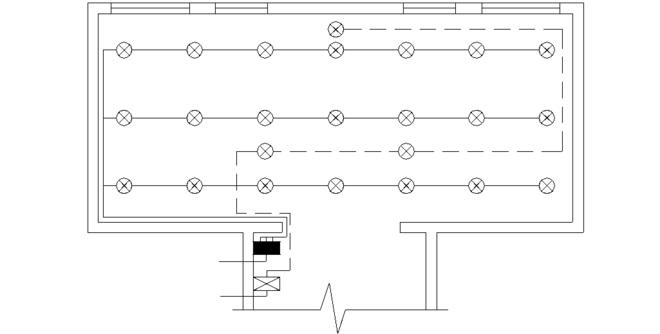
Рисунок 3 – Схема расположения освещения и щитков
2.19 Расчёт и выбор сечений питающей и распределительной сети
Момент нагрузки М1, кВтм, определили согласно /10, с.330/ по формуле
где Рл1 – мощность групповой линии, кВт;
L1 – длина кабеля, м.
Сечение провода Sрасч1, мм2, опр
еделили согласно /10, с.330/ по формуле
где С – коэффициент для двухпровдной линии;
U – подение напряжения в группой линии, %.
Коэффициент для двухпровдной линии приняли
С=12,5.
Подение напряжения в группой линии приняли
U=2,5
После расчёта подения напряжения в групповой линии выбрали провод ПРТО 4
2мм2 с допустимым током 50А согласно /10, с.292, таблица 11.1/.
Проверку на нормируемое отношение между допустимм током проводника и номинальным током аппарата защиты осуществили по /10, с.280, таблица 10.2/
где Iд – допустимый ток, А;
Iз – номинальный ток аппарата защиты, А.
Необходимое условие выполняется, перегрева кабеля не произойдёт.
Длину кабеля от щита освещения к распределительному пункту цеха приняли
L2=25м.
Момент нагрузки М2, кВтм, определили согласно /10, с.331/ по формуле
где Росв – мощность осветительн
ой установки, кВт;
Ргр – мощность групповой линии, кВт.
Необходимое сечение Sрасч2, мм2, определили согласно /10, с.331/ по формуле
Коэффициент для четырёх проводной линии приняли
С=77,
Кабель для запитки щита освещения от распределительного пункта цеха выбрали марки ВРГ 6
4мм2 с допустимым током 38А.
Проверку на нормируемое отношение между допустимым током проводника и номинальным током аппарата защиты осуществили по формуле /33/
Необходимое условие выполняется, перегрева кабеля не произойдёт.
2.20 Аварийное освещение
Освещенность от источников аварийного освещения определили согласно /10, с.331/ по формуле
где Ен – нормируемая освещённость по цеху, Лк.
Необхомый световой поток определили согласно /10, с.333/ по формуле
где S – пощадь помещения, м2.
Таблица 7 – Технические характеристика лампы накаливания.
| Мощность, Вт | Тип лампы | Напряжение, В | Световой поток, Лм | Срок службы, ч | Длина, мм | Диаметр, мм |
| 200 | Г | 220 | 2800 | 1000 | 81 | 175 |
Необходимое количество ламп nав определили согласно /10, с.333/ по формуле
где Фл – световой поток лампы, Лм.
К установке прииняли 3 лампы. Лампы подключения через щиток аварийного освещения запитанный от другого ввода, чем общее освещение.
По /10,с.314, таблице 11.17/ выбрали щиток аварийного освещения
Таблица 8 – Данные щитка аварийного освещения.
| Тип щитка | Тип вводного автомата | Тип линейного автомата | Количество автоматов | Степень зашиты | Способ установки |
| ЩО31-21 | А3114 | АЕ-1031-11 | 6 | IP54 | На стене |
Необходимый ток уставки автомата Iуст, А, определили согласно /10, с.333/ по формуле
По расчётному току уставки выбрали автомат с комбинированным расцеителем с Iуст=6А.
Необходимое сечение аварийной групповой сети определили согласно /10, с.333/ по формуле
Момент нагрузки М3, кВтм, определи
ли согласно /10, с.333/ по формуле
где Рав – мощность аварийного освещения, кВт.
Длину от щита аварийного освещения до последней лампы приняли
L=30м,
По /10, с.292, таблице 11.1/ выбрали двухжильный провод ПРТО с Sн=1,5мм2.
2.21 Проверочный расчёт электрического освещения точечным методом
Наметили на плане расположения светильников контрольные точки:
















