karter (729313), страница 2
Текст из файла (страница 2)
Дополнительно изучены для отработки детали на технологичность - Орлов Е.Н., Ершов А.А., Никифоров А.В. и др. Технология машиностроения. Методические указания. - М.: МИП, 1988. - 32 с. с ил.; для определения типа производства и выбора технологических баз - Маталин А.А. Технология машиностроения. - М.: Машиностроение, 1985 - 496 с. с ил.; для расчета припусков и режимов резания – Справочник технолога-машиностроителя. В 2-х томах. Под ред. Косиловой А.Г. и Мещерякова Р.К. - М.: Машиностроение, 1985.; для проектирования и расчета приспособления - Станочные приспособления. Справочник в 2-х т. Т. 1. Под ред. Б.Н. Вардашкина и А.А. Шатилова. - М.: Машиностроение, 984. - 592 с., ил.
Были использованы Методические пособия, разрабатываемые на кафедре МТ1 (авторы Султан-заде Н.М., Власьевнина Л.К., Орлов Е.Н., Албагачиев А.Ю. и другие).
При выполнении раздела БЖД будут изучены соответствующие учебники и справочники (авторы Еремин В.Г., Кукин П.П., Белов С.В.), Методические указания МГАПИ.
Технико-экономические расчеты будут проводиться на базе лекционных материалов и курсовой работы (руководитель Капелюш Г.С.), литературы и Методических указаний МГАПИ.
Оформление записки дипломного проекта и графической части будем производить с использованием следующих источников - Стандарт СТП МГАПИ. Проекты (работы) дипломные и курсовые – М.: МИП. 1988.- 32 с.;
Сультан-заде Н.М., Жуков К.П., Зуев В.Ф. Методические указания по оформлению курсовых и дипломных проектов. – М.: МГАПИ. 2001.- 117 с.
3. Технологическая часть
3.1. Характеристика изделия.
Редуктор предназначен для передачи крутящего момента от типового двигателя на энергетическую установку. Вращение передается на цилиндрический редуктор от двигателя, через промежуточный конический редуктор. Редуктор состоит из фрикциона ведущей шестерни, ведомой шестерни, промежуточного и ведущего вала.
Фрикцион редуктора многодисковый, сухого трения, служит для гашения инерционных усилий, возникающих при резком изменении нагрузки энергетической установки.
На шлицах ведущего вала установлена зубчатая муфта через которую передается вращение от промежуточного конического редуктора на цилиндрический редуктор.
Масляная система редуктора циркуляционного типа, состоящая из насоса, сливного клапана, сапуна, указателя уровня масла, радиатора охлаждения трубопроводов, установленных на промежуточном коническом редукторе.
Привод управления редуктором состоит из рычага, концевого выключателя, профильного кулачка, через вал, вилку, сухарь, муфта включения.
Управление муфтой осуществляется рычагом, который имеет два положения. При переключении рычага в положение «работа» муфта входит в зацепление с зубчатым валиком промежуточного конического редуктора. При переключении рычага в другое положение муфта выходит из зацепления с валом промежуточного редуктора и передача вращения на цилиндрический редуктор, а следовательно и на энергетическую установку прекращается. Блокировочное устройство (концевой выключатель) исключает одновременную работу энергетической установки и коробки передач.
Обороты выходного вала – n = 8000 об./мин.;
масса изделия – m = 28,5 кг;
мощность э.у. – N = 70 кВт
3.2. Конструктивно-технологическая характеристика детали «Картер»
Картера и другие корпусные детали заключают в себе или поддерживают детали машин. Картера в значительной степени определяют работоспособность и надежность машин по критериям виброустойчивости, точности работы под нагрузкой и долговечности. Основными критериями работоспособности картеров служит жесткость. Повышенные упругие перемещения в корпусник деталях приводят к неправильной работе механизма, способствует возникновению различных колебавши. Картер редуктора изображен на листе 1 графической части дипломного проекта.
Материал для картера выбирается с учетом выше указанных критериев работоспособности и технологических требований.
Основным критерием для картеров является соосность.
Перпендикулярность относительно оси.
В картеры заправляют смазку для обеспечения обильной смазки деталей редукторов.
Диаметры основных отверстий для картера являются:
-
посадочные отверстия под подшипники;
-
посадочные отверстия под ось;
-
посадочные отверстия под уплотнения.
Основные допуска назначаются на:
-
межцентровые расстояния
-
A1 – 116.101±0.090
-
A2 – 84.02±0.09
-
посадочные отверстая подшипников, осей и уплотнителей:
67H7±0.030
125H7(+0.040)
160H7(+0.040)
Линейные размеры:
140 II (-0,26)
90 II (-0,23).
Материал изготовления картера – АК94.
Относится к первой группе (по физико-механическим свойствам), то есть с высоким содержанием кремния).
Сплав характеризуется хорошими литейными свойствами
- хорошей текучестью
- хорошей герметичностью
- малой способностью к горячим трещинам.
Шероховатость основных поверхностей «картера» - Ra=1,6…3,2 мкм, остальных – Ra=6,3…12,5мкм
По условиям работы картер должен быть герметичным, коррозийно стойким, по возможности легким, достаточно прочным по отношению к динамическим и вибрационным нагрузкам.
С учетом выше указанных критериев работоспособности и технологических требований выбираем в качестве материала для изготовления картера сплав АК94 ГОСТ 1583-89.
Химический состав сплава марки АК94 ГОСТ 1583-89
Mg = 0,17…0,3%
Si = 6,0…10,5%
Mn = 0,25…0,5%
Fe = 0,8%
Zn = 0,3%
Pb = 0,01%
Ti = 0,15%
Таблица 3.3.1
Физические свойства сплава марки АК94 ГОСТ 1583-89
| Предел прочности при растяжении в, | Предел прочности на изгиб и, МПа | Плотность , г/см2 | Относительное удлинение S | Ударная вязкость d |
| 235 | 588 | 2.5…2.7 | 3% | 0.4 |
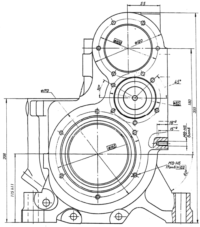
На эскизе (рис. 3.3.1 ) представлена деталь "картер" с годовым объемом выпуска Nг = 7200 шт. и массой детали - 6 кг.
Эскиз детали «картер»
рис. 3.3.1
3.3. Классификация и кодирование.
Единая система технологической подготовки производства (ЕСТПП) устанавливает единые для всех отраслей машиностроения и приборостроения порядок и организацию ведения технологической подготовки производства. Наряду с применением типовых технологических процессов, стандартной технологической оснастки и оборудования, унифицированных средств механизации и автоматизации производственных процессов. ЕСТПП предусматривает решение большого комплекса инженерно-технических и технико-экономических задач, решаемых средствами вычислительной техники, в том числе:
- анализ состава изделия;
- технологический анализ производства;
- планирование и управление ТПП;
- проектирование технологических процессов;
- технологическое планирование площадей и оборудования;
- разработку технологических нормативов.
Осуществление этих задач, а следовательно, нормальное функционирование ЕСТПП невозможно без рационально построенной системы информационного обеспечения, позволяющей организовать связь и взаимосвязь всех элементов системы.
В настоящее время разработаны конструкторский и технологический классификаторы, которые являются носителями информационного обеспечения ЭВМ. На базе этих классификаторов осуществляется анализ конструкции детали и ее технологических признаков. На основе анализа осуществляется кодирование конструкторско-технологических признаков. Кодирование необходимо для создания на предприятии информационно-поисковой системы (ИПС) на базе ЭВМ. Информационно-поисковая система позволяет из многотысячной номенклатуры деталей предприятия выбрать детали с необходимыми конструкторско-технологическими признаками.
Подбор деталей с одинаковыми конструкторско-технологическими признаками позволяет применить групповые технологические процессы в условиях серийного и единичного производства
Для группирования деталей по их конструкторско-технологическому подобию используется конструкторско-технологический код детали, который имеет следующую структуру
| ХХХХХX.XXX | ХХХХХХ.ХХХХХХХХ |
| Обозначение детали по конструкторскому документу | Технологический |
рис.3.3.2
Таким образом, создание полного конструкторско-технологического кода детали состоит из двух этапов:
1-й этап – классификация и кодирование конструкторских признаков детали;
2-й этап классификация и кодирование технологических признаков детали.
В качестве исходный данных для обоих этапов используются рабочие чертежи деталей, выполненные в соответствиями с требованиями ЕСКД.
таблица 3.3.2
Формирование кода конструктивных признаков детали «Картер»
| № п/п | Ступень классификации | Код | Конструктивные признаки лежащие в основе классификации | Источник информации |
| 1 | Класс | 50 | Детали общемашиностроительного применения – не тела вращения | [21] |
| 2 | Подкласс | 1 | Корпусы механизмов, приводных устройств, гидро- и пневмосистем, коробчатые детали, имеющие одно или несколько отверстий | [21] |
| 3 | Группа | 4 | Корпусы неразъёмные с установочной поверхностью, с комбинированной наружной поверхностью (призматической и криволинейной) | [21] |
| 4 | Подгруппа | 5 | Корпусы с плоской установочной поверхностью, с фиксирующими элементами, некруглыми, с параллельными установочной поверхности базовыми отверстиями | [21] |
| 5 | Вид | 8 | Несколькими параллельными, глухими и сквозными | [21] |
Конструкторский код детали «Картер»
| МГАПИ | 501458.001 |
таблица 3.3.1
Формирование постоянной части технологического кода детали
| № п/п | Признаки технологической классификации | Код | Источник информации |
| 1 | Вид исходной заготовки: отливка | 14 | Технологический классификатор; табл. 6, стр. 3 |
| 2 | Квалитет точности наружной поверхности: h11; внутренней поверхности: H6 | 2 3 | Технологический классификатор; табл. 7, стр. 4 |
| 3 | Шероховатость наружной поверхности: Ra=1,6мкм | 3 | Технологический классификатор; табл. 8, стр. 4 |
| 4 | Характеристика элементов зубчатого зацепления: без элементов зубчатого зацепления | 0 | Технологический классификатор; табл. 9, стр. 4 |
| 5 | Характеристика термообработки: без термообработки | 0 | Технологический классификатор; табл. 10, стр. 5 |
| 6 | Весовая характеристика детали: масса детали 6 кг | B | Технологический классификатор; табл. 11, стр. 5 |
Технологический код детали «картер»:















