~1 (729165)
Текст из файла
Лабораторная работа №2
Операционный усилитель
Цель работы:
Ознакомиться с основными характеристиками
операционных усилителей, исследовать некоторые устройства построенные на ОУ
Оборудование:
Установка ЛСЭ-1М
Осцилограф С1-73
Цифровой вольтметр В7-16
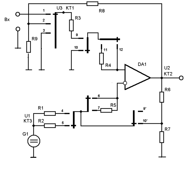
Собираем схему УПТ. коммутаторы: 4,10,11,10.
Используем в качестве входного сигнала напряжение источника постоянного тока G1. Плавно изменяя Uвх снимаем показания и строим график передаточной характеристики
KUoc =-R6/R1= -5
Собираем схему компаратора . комутаторы: 3,4,6,9,12.
Опорное напряжение равно нулю, т. к. неинвертирующий вход подключен к “земле”, в качестве входного сигнала используем напряжение источника постоянного тока G1.
Снимаем показания и строим график передаточной характеристики .
Так же для компаратора с гистерезисной характеристикой, комутаторы: 2,4,6,9,12.
Uср. = 4,62 (R7/R7+R6) = 4,2в
Uотп = -3,04(R7/R7+R6) =-2,75в
Uг = Uср. - Uотп =1,4в
Вывод: Графики передаточных характеристик далеки от идеальных, видимо, неуравновешенны плечи источника питания ОУ.
Расчётные данные так же отличаются от экспериментальных.
Например для УПТ KUoc =-5 следовательно при UВХ =1в UВЫХ =-5в при UВХ –1в, UВЫХ = 5в на деле это не так UВЫХ = -3,03в и 4,56в.
передаточная характеристика компаратора нестабильна в районе порога переключения, поэтому значение Uвых = 0 при U вх = 0 условно (гистерезисный компаратор свободен от этого недостатка)
Собираем схему мультивибратора . комутаторы: 2,8,5. комутаторы 9 или 10
1,1 = (R2+R41+R42+R43+R44+R45+R46) C1= 6.75mS
tu1,1= 1,1ln(1+(2R1/R3) = 7.41mS
2,1 = (R2+R47) C1 = 1.005mS
tu2,1= 2,1ln(1+(2R1/R3) =1.103mS
КТ3
КТ2
КТ1
1,2 = (R2+R41+R42+R43+R44+R45+R46) C2= 2.115 mS
tu1,2= 1,2ln(1+(2R1/R3) = 2.31 mS
2,2 = (R2+R47) C2 = 0.3149 mS
tu2,2 = 2,2ln(1+(2R1/R3) = 0.34 mS
f2=1/t1,2+t2,2 = 0.38 кГц
Таблица 1. передаточная характеристика инвертирующего У.П.Т.
| U G1[в] | -1,5 | -1 | -0,5 | 0 | 0,5 | 1 | 1,5 |
| Uвых[в] | 4,62 | 4,558 | 2,415 | 0,1 | -2,22 | -3,027 | -3,39 |
Таблица 2. передаточная характеристика компаратора
| U G1[в] | -1,5 | -1 | -0,5 | -0,1 | 0 | 0,1 | 0,5 | 1 | 1,5 |
| Uвых[в] | 4,62 | 4,62 | 4,625 | 4,625 | 0 | -3,042 | -3,035 | -3,04 | -3,04 |
Таблица 3. передаточная характеристика гистерезисного компаратора
| U G1[в] | -1 | -0,6 | -0,4 | -0,1 | 0 | 0,1 | 0,4 | 0,6 | 1 |
| Uвых[в] | 4,62 | 4,62 | 4,62 | 4,62 | 4,62 | 4,62 | 4,62 | -3,04 | -3,04 |
| U G1[в] | 1 | 0,6 | 0,4 | 0,1 | 0 | -0,1 | -0,4 | -0,6 | -1 |
| Uвых[в] | -3,04 | -3,04 | -3,04 | -3,04 | -3,04 | -3,04 | 4,62 | 4,62 | 4,62 |
Передаточная характеристика гистерезисного компаратора
Передаточная характеристика компаратора
Передаточная характеристика У.П.Т.
мультивибратор
R1 | 100k |
| R2 | 2k |
| R3 | 100k |
| R41 | 4.7k |
| R42 | 5.1k |
| R43 | 6.8k |
| R44 | 8.2k |
| R45 | 8.2k |
| R46 | 12k |
| R 47 | 4.7k |
| C 1 | 0.15мкф |
| C 2 | 0,047мкф |
| VD1,2 | Кд522 |
| DA 1 | 553уд1 |
УПТ и компаратор
R1 | 2k |
| R2 | 10k |
| R3 | 2k |
| R4 | 10k |
| R5 | 10k |
| R6 | 10k |
| R7 | 100oм |
| R8 | 91k |
| R9 | 24k |
| DA 1 | 140уд1 |
Характеристики
Тип файла документ
Документы такого типа открываются такими программами, как Microsoft Office Word на компьютерах Windows, Apple Pages на компьютерах Mac, Open Office - бесплатная альтернатива на различных платформах, в том числе Linux. Наиболее простым и современным решением будут Google документы, так как открываются онлайн без скачивания прямо в браузере на любой платформе. Существуют российские качественные аналоги, например от Яндекса.
Будьте внимательны на мобильных устройствах, так как там используются упрощённый функционал даже в официальном приложении от Microsoft, поэтому для просмотра скачивайте PDF-версию. А если нужно редактировать файл, то используйте оригинальный файл.
Файлы такого типа обычно разбиты на страницы, а текст может быть форматированным (жирный, курсив, выбор шрифта, таблицы и т.п.), а также в него можно добавлять изображения. Формат идеально подходит для рефератов, докладов и РПЗ курсовых проектов, которые необходимо распечатать. Кстати перед печатью также сохраняйте файл в PDF, так как принтер может начудить со шрифтами.















