avers00 (729059)
Текст из файла
18.Конические зубчатые передачи.
Геометрия конического зацепления
de – внешний делительный диаметр
dae – внешний диаметр вершин зубьев
dfe – внешний диаметр впадин зубьев
dm – средний делительный деаметр
Rm – среднее конусное расстояние
Re – внешнее конусное расстояние
b – высота зуба
h – ширина зуба
δ1, δ2 – углы начальных конусов
Конические передачи применяют, когда оси валов пересекаются под прямым углом, профиль зубьев может быть эвольвентным или круговым:
-
Прямозубые передачи применяются при окружных скоростях до 5 м/с
-
Передача с круговыми зубьями обладает большой нагрузочной способностью, обеспечивает плавное зацепление и менее шумное в работе. Более технологичны в изготовлении.
Угол наклона зубьев на длительном диаметре β=35˚
Основные размеры зубчатых колес.
-
Внешний делительный диаметр
de1 = me·z1
de2 = me·z2
-
Внешний диаметр вершин зубьев
da1 = de1 + 2me·cosδ1
da2 = de2 + 2me· cosδ2
-
Внешнее конусное расстояние
-
Среднее конусное расстояние
Rm = Re – 0,5b
-
Средний окружной модуль
me – внешний торцевой окружной модуль
Для зубчатых колес с круговым зубом его обозначают, как mte. Округляются до стандартного числа.
-
Средний делительный диаметр
dm1 = m·z1
dm2 = m·z2
-
Передаточное отклонение передачи
19.Силы в зацеплении конических колес.
Fn – нормальная сила в зацеплении
Fe – окружная сила
Fr – радиальная сила
Fa – осевая сила
При определении усилии в зацеплении нагрузку распределенную по ширине зубчатого венца это заменяют сосредоточенной силой Fn
Радиальная сила:
20.Червячные передачи
Червячная передача – это передача с перекрещивающимися осями.
Состоит из винта червяка и червячного колеса
Преимущества:
1.Плавность и бесшумность работы
2.Возможность получения больших передаточных отношений (особенно вне силовых передач u=1000)
3.Возможность самоторможения передачи за счет сил трения в червячной паре
Недостатки:
1.Низкий КПД
2.Значительное выделение тепла в зоне передач
3.Интенсивное изнашивание и склонность к заеданию
4.Необходимость применения для венцов червячных колес дорогих антифрикционных материалов
5. Повышенные требования к точности сборки
Применение:
При небольших и средних мощностях (50-150кВт)
При окружных скоростях до 25 м/с
Классификация червячных передач.
1.По форме внешней поверхности червяка
а) цилиндрический
б) глобоидальный
Глобоидальные червяки сложнее в изготовлении, имеют высокий КПД, более надежны и долговечны.
2.По расположению червяка различают с верхним, нижним и боковым расположением.
С нижним расположением применяется при
м/с (это обусловлено тем, что при большей скорости масло будет вытекать, пенится и не поступать в трущиеся пары)
3.По числу витков червяка
Резьба червяка может быть одно и многозаходной, правой и левой.
z1=1,2,4(с кол-вом витков)
4.По профилю резьбы
В зависимости от способа нарезания червяка:
-
архимедов червяк;
б) конвалютный червяк;
в)эвольвентный червяк;
г)спираидальный червяк;
д)тороидальный червяк.
Изготовление червяков
Червяки могут быть нарезаны на
токарно-винторезном станке
или модульной фрезой.
Червячные колеса чаще всего нарезают червячными фрезами с более высоким профилем и острыми кромками.
21.Геометрия червячных передач
- угол профиля червяка равен 20˚
Шаг резьбы червяка связан с числом заходов по формуле
где z1-число заходов
Угол подъема винтовой линии червяка на делительной окружности:
, где q-коэффициент делительного диаметра
d1=m·q , где d1-делительный диаметр
1.Делительный диаметр
d1=q·m
d2=m·z2
2.da1=d1+zm=m(q+2)
da2=d2+2m=m(z2+2)
3.df1=d1-2,4m=m(q-2,4)
df2=d2-2,4m=m(z2-2,4)
5.Ширина нарезанной части червяка
при z1=1;2
b1≥(11+0,06·z2)m+Δ
при z1=3;4
b1≥(12+0,09·z2)m+Δ
при m<10 Δ=25мм
m=10…16 Δ=35…40мм
m>16 Δ=45…50мм
6.Ширина венца колеса
z1=1;2;3 b2≤0,75·da1
z2=4 b2≤0,67·da1
7.Условный угол обхвата червячного колеса на диаметре d'=da1-0,5m
8.Наибольший диаметр червячного колеса
9.Передаточное отношение
Т.к. углы подъема винтовой линии червяка равны 5-15˚, то в червячных передачах при тех же габаритах, как и цилиндрических передаточное число больше в 6-12 раз.
22.Скольжение в червячных передачах.
Во время работы червячной передачи витки червяка скользят по зубьям червячного колеса, причем скорость скольжения направлена по касательной к винтовой линии червяка.
-окружная скорость червячного колеса
; (находится по формуле, через угол наклона по винтовой линии)
Из соотношения видно, что
большое скольжение в червячных передачах приводит к быстрому изнашиванию зубьев червячного колеса, увеличивает склонность передачи к заеданию для предотвращения заедания передачи венцы червячных колес изготавливают из антифрикционных материалов.
23.Усилия в зацеплении червячных передач
(направление данных сил такое же как в конических передачах)
Т.к. осевая сила на червяке может иметь большие значения, а вал червяка имеет небольшой диаметр, то опору червяка воспринимающую осевую силу достаточно часто конструируют из двух подшипников.
Формула проектного расчета:
24.Зубчатые редукторы.
Зубчатый редуктор – механизм предназначенный для понижения угловых скоростей и увеличения крутящих моментов, обычно выполняется в виде отдельных агрегатов и передает мощность от двигателя к машине при u6,3
применяют одноступенчатые цилиндрические редукторы.
Редуктор состоит из корпуса литого чугунного или сварного стального, в котором расположены элементы передачи.
Наибольшее распространение получили двухступенчатые редукторы с передаточным числом от 8 до 40.
Двухступенчатый цилиндрический редуктор по развернутой схеме.
Преимущества:
Передача больших моментов, относительная простота конструкции.
Недостатки:
Из-за несимметричного расположения зубчатых колес на валах редуктора имеет место повышенная неравномерность распределения нагрузки по длине зуба
Для улучшения условий работы зубчатых колес применяются редукторы с раздвоенной ступенью.
up = uБ·uт
up = 8...40
Недостаток: увеличение габаритов и металлоемкости.
Преимущество: передает большие моменты, большие передаточные числа; равномерное распределение нагрузки на опоры валов.
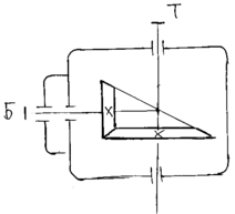
Соосная схема
u = 8...40
Преимущество:
Возможность передачи моментов на одной оси Б и Т валов.
Недостаток:
Увеличение длины промежуточного вала за счет, чего увеличиваются изгибающие моменты.
При взаимно перпендикулярном расположении валов применяются конические редукторы.
u6,3
Преимущество:
Возможность передачи моментов под прямым углом.
В случае если необходимо передавать большие моменты применяют коническо – цилиндрический редуктор.
Передаточные числа редукторов Б и Т ступени Гостированы для обеспечения минемального веса и габоритов редуктора; при этом должно соблюдаться условие uБ>uт
Форму корпуса и крышки редуктора определяют по размерам колес и схеме редуктора.
Для увеличения жесткости корпуса в местах передачи усилия от подшипников на корпус предусматривают ребра жесткости или утолщения стенок.
Для возможности осмотра зацепления зубчатых колес и заливки масла в крышке редуктора предусматривают смотровое окно.
10>Характеристики
Тип файла документ
Документы такого типа открываются такими программами, как Microsoft Office Word на компьютерах Windows, Apple Pages на компьютерах Mac, Open Office - бесплатная альтернатива на различных платформах, в том числе Linux. Наиболее простым и современным решением будут Google документы, так как открываются онлайн без скачивания прямо в браузере на любой платформе. Существуют российские качественные аналоги, например от Яндекса.
Будьте внимательны на мобильных устройствах, так как там используются упрощённый функционал даже в официальном приложении от Microsoft, поэтому для просмотра скачивайте PDF-версию. А если нужно редактировать файл, то используйте оригинальный файл.
Файлы такого типа обычно разбиты на страницы, а текст может быть форматированным (жирный, курсив, выбор шрифта, таблицы и т.п.), а также в него можно добавлять изображения. Формат идеально подходит для рефератов, докладов и РПЗ курсовых проектов, которые необходимо распечатать. Кстати перед печатью также сохраняйте файл в PDF, так как принтер может начудить со шрифтами.















