kursovik (728920), страница 2
Текст из файла (страница 2)
Подбираем по табл. 7.15[1] цепь ПР 15,875-22,70 по ГОСТ 13568-75, имеющую t =31,75 мм; разрушающую нагрузку
6.7 Скорость цепи.
6.8 Окружная сила.
6.9 Давление в шарнире проверяем по формуле (7.39)[1]
уточняем по тал 7.18 допускаемое давление [p]= 34[1+0.01(Z3-17)] =36,38.
6.10 Определяем число звеньев по формуле (7.36)[1]
Тогда
6.11 Уточняем межосевое расстояние цепной передачи по формуле (7.37)[1]
Для свободного провисания цепи предусматривает возможность уменьшения межосевого расстояния на 0,4% т.е. на
6.12 Определим диаметры делительных окружностей звёздочек (см формулу(7.34)[1]
6.13 Определим диаметры наружных поверхностей звездочек (7.35)[1]
где d1 =10,16 мм- диаметр ролика цепи (табл.7.15)[1]
6.14 Силы, действующие на цепь:
6.15 Расчетная нагрузка на валы
6.16 Проверяем коэффициент запаса прочности
6.17 Размеры ведущей звездочки:
толщина диска звёздочки 0,93 Ввн =
,
где Ввн –расстояние между пластинками внутреннего звена
6.18 Размеры ведомой звездочки
7. Первый этап компоновки редуктора
Компоновку обычно проводят в два этапа. Первый этап служит для приближенного определения положения зубчатых колес относительно опор для последующего определения опорных реакций и подбора подшипников.
Компоновочный чертеж выполняем в одной проекции — разрез по осям валов при снятой крышке редуктора; желательный масштаб 1:1, чертить тонкими линиями.
Примерно посередине листа параллельно его длинной стороне проводим горизонтальную осевую линию; затем две вертикальные линии — оси валов на расстоянии
.
Вычерчиваем упрощенно шестерню и колесо в виде прямоугольников; шестерня выполнена за одно целое с валом; длина ступицы колеса равна ширине венца и не выступает за пределы прямоугольника.
Очерчиваем внутреннюю стенку корпуса:
а) принимаем зазор между торцом шестерни и внутренней стенкой корпуса
;
б) принимаем зазор от окружности вершин зубьев колеса до внутренней стенки корпуса
;
в) принимаем расстояние между диаметром окружности вершин зубьев шестерни и внутренней стенкой корпуса
(наружный диаметр подшипника меньше диаметра вершин зубьев шестерни).
Предварительно намечаем радиальные шарикоподшипники средней серии; габариты подшипников выбираем по диаметру вала в месте посадки подшипников
и
.
По табл. П3[1] имеем:
| Условное обозначение подшипника | d | D | B | Грузоподъемность, кН | ||
| Размеры, мм | C | C0 | ||||
| 304 307 | 20 35 | 52 80 | 15 21 | 15,9 33,2 | 7,8 18 | |
Решаем вопрос о смазке подшипников. Принимаем для подшипников пластичную смазку. Для предотвращения вытекания смазки внутрь корпуса и вымывания пластичной смазки жидким маслом из зоны зацепления устанавливаем мазеудерживающие кольца. Их ширина определяет размер
.
Замером находим расстояния на ведущем валу
и на ведомом валу
.
Замером находим расстояние
, определяющее положение шкива относительно ближайшей опоры ведомого вала. Примем окончательно
.
8. Проверка долговечности подшипника.
Ведущий вал. Из предыдущих расчетов имеем
и
;
; из первого этапа компоновки
.
Реакции опор:
вертикальная плоскость:
в плоскости XZ
В плоскости YZ
Суммарные реакции:
Намечаем радиальные шариковые подшипники 304 (табл. П3)[1]:
Эквивалентная нагрузка по формуле (9.3)[1]
в которой радиальная нагрузка Pr1=500H; осевая нагрузка Pa=0H; V=1 (вращается внутреннее кольцо); Кб=1 (табл. 7.2)[1]; Кт=1.05.
Расчетная долговечность, млн. об. :
Расчетная долговечность, ч,
Ведомый вал.Из первого этапа компоновки
и
;
Реакции опор:
В плоскости XZ
Проверка:
В плоскости YZ
Проверка:
Суммарные реакции:
Выбираем подшипник по более нагруженной опоре 3.
Шариковые радиальные подшипники 307 средней серии(см.П3):
Расчетная долговечность, млн. об. :
Расчетная долговечность, ч,
Для зубчатых редукторов ресурс работы подшипников принимают от 36 000 ч (таков ресурс самого редуктора) до 10 000 ч (минимально допустимая долговечность подшипника). В нашем случае подшипники ведомого вала 304 имеют ресурс
, а подшипники ведомого вала 307 имеют
.
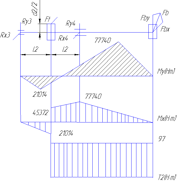
Строим эпюры:
Ведущий вал:
Ведомый вал:
10. Второй этап компоновки редуктора
Второй этап компоновки имеет целью конструктивно оформить зубчатые колеса, валы, корпус, подшипниковые узлы и подготовить данные для проверки прочности валов и некоторых других деталей.
Вычерчиваем шестерню и колесо по конструктивным размерам, найденным ранее. Шестерню выполняем за одно целое с валом.
Конструируем узел ведущего вала:
а) наносим осевые линии, удаленные от середины редуктора на расстояние
. Используя эти осевые линии, вычерчиваем в разрезе подшипники качения;
б) между торцами подшипников и внутренней поверхностью стенки корпуса вычерчиваем мазеудерживающие кольца. Их концы должны выступать внутрь корпуса на 1-2мм от внутренней стенки. Тогда эти кольца будут выполнять одновременно роль маслоотбрасывающих колец. Для уменьшения числа ступеней вала кольца устанавливаем на тот же диаметр, что и подшипники (Ø40мм). Фиксация их в осевом направлении осуществляется заплечиками вала и торцами внутренних колец подшипников;
в) вычерчиваем крышки подшипников с уплотнительными прокладками (толщиной 1мм) и болтами. Болт условно заводится в плоскость чертежа, о чем говорит вырыв на плоскости разъема.
Используем фетровые уплотнения, т. к. допускаемое значение скорости <5м/с.
г) переход вала Ø40мм к присоединительному концу Ø32мм выполняют на расстоянии 10-15мм от торца крышки подшипника.
Длина присоединительного конца вала Ø32мм определяется длиной шкива.
Аналогично конструируем узел ведомого вала.
На ведущем и ведомом валах применяем шпонки призматические со скругленными торцами по ГОСТ 23360-78. Вычерчиваем шпонки, принимая их длины на 5-10мм меньше длин ступиц.
Непосредственным измерением уточняем расстояния между опорами и расстояния, определяющие положение зубчатых колес относительно опор. При значительном изменении этих расстояний уточняем реакции опор и вновь проверяем долговечность подшипников.
11. Проверка прочности шпоночных соединений
Шпонки призматические со скругленными торцами. Размеры сечений шпонок и пазов и длины шпонок по ГОСТ 23360-78.
Материал шпонок - сталь 45 нормализованная.
Напряжение смятия и условие прочности по формуле (6.22)[1]
Допускаемое напряжение смятия при стальной ступице
, при чугунной ступице
Ведущий вал
Ведомый вал
;
;
; длина шпонки
; момент на ведущем валу
;
12. Уточненный расчет валов
Примем, что нормальные напряжения от изгиба измеряются по симметричному циклу, а касательные от кручения – по отнулевому (пульсирующему).
Уточненный расчет состоит в определении коэффициентов запаса прочности n опасных сечений и сравнении их с требуемыми (допускаемыми) значениями [n]. Прочность соблюдена при n[n].
Будем производить расчет для предположительно опасных сечений каждого из валов.
Ведущий вал.
Материал вала тот же, что и для шестерни (шестерня выполнена заодно с валом), т.е. сталь 45, термообработка улучшение.
По табл. 3.3 при диаметре заготовки до 90мм (в нашем случае da1=78,96 мм) среднее значение
Предел выносливости при симметричном цикле изгиба
Предел выносливости при симметричном цикле касательных напряжений
Сечение А–А. В этом сечении при передаче вращающего момента от электродвигателя через муфту возникают только касательные напряжения. Концентрацию напряжений вызывает наличие шпоночной канавки.
Коэффициент запаса прочности
где амплитуда и среднее напряжение отнулевого цикла
При d=32 мм; b=10 мм; t1=5 мм
После подстановки
Такой большой коэффициент запаса прочности объясняется тем, что диаметр вала был увеличен при конструировании для согласования по размеру с диаметром вала электродвигателя.
По той же причине проверять прочность в сечениях Б–Б и В–В нет необходимости.
Ведомый вал.
Материал вала – сталь 45 нормализованная,
.
Сечение А–А.
Изгибающий момент в горизонтальной плоскости
изгибающий момент в вертикальной плоскости
суммарный изгибающий момент в сечении А–А
Момент сопротивления кручению (
;
;
)
Момент сопротивления изгибу
Амплитуда и среднее напряжение цикла касательных напряжений
Амплитуда нормальных напряжений изгиба
Коэффициент запаса прочности по нормальным напряжениям
Коэффициент запаса прочности по касательным напряжениям
Результирующий коэффициент запаса прочности для сечения А–А
13. Посадки зубчатого колеса, звездочки и подшипников
Посадки назначаем в соответствии с указаниями, данными в табл. 8.11[1].
Посадка зубчатого колеса на вал Н7/р6 по ГОСТ 25347-82.
Посадка звездочки цепной передачи на вал редуктора Н7/h6.
Шейки валов под подшипники выполняем с отклонением вала к6. Отклонения отверстий в корпусе под наружные кольца по Н7.
Остальные посадки назначаем, пользуясь данными табл. 8.11[1].
14. Выбор сорта масла
Смазка зубчатого зацепления производится окунанием зубчатого колеса в масло, заливаемое внутрь корпуса до уровня, обеспечивающего погружение колеса примерно на 10 мм. Объем масляной ванны Vм определяем из расчета 0,25 дм3 масла на 1 кВт передаваемой мощности:
.
По табл. 10.8[1] устанавливаем вязкость масла. При скорости
рекомендуемая вязкость
.Принимаем масло индустриальное И-30А по ГОСТ 29799-75.
Подшипники смазываем пластичной смазкой, которую закладывают в подшипниковые камеры при сборке. Периодически смазку пополняют через пресс-масленки. Сорт смазки – УТ-1.
15. Сборка редуктора
Перед сборкой внутреннюю полость корпуса редуктора тщательно очищают и покрывают маслостойкой краской.
Сборку производят в соответствии с чертежом общего вида редуктора, начиная с узлов валов:
на ведущий вал насаживают мазеудерживающие кольца и шарикоподшипники, предварительно нагретые в масле до 80-100 С;
в ведомый вал закладывают шпонку 181150 и напрессовывают зубчатое колесо до упора в бурт вала; затем надевают распорную втулку, мазеудерживающие кольца и устанавливают шарикоподшипники, предварительно нагретые в масле.
Собранные валы укладывают в основание корпуса редуктора и надевают крышку корпуса, покрывая предварительно поверхности стыка корпуса и крышки спиртовым лаком. Для центровки устанавливают крышку на корпус с помощью двух конических штифтов; затягивают болты, крепящие крышку к корпусу.
После этого на ведомый вал надевают распорное кольцо, в подшипниковые камеры закладывают пластичную смазку, ставят крышки подшипников с комплектом металлических прокладок; регулируют тепловой зазор, подсчитанный по формуле (7.1)[1]. Перед постановкой сквозных крышек в проточки закладывают войлочные уплотнения, пропитанные горячим маслом. Проверяют проворачиванием валов отсутствие заклинивания подшипников (валы должны проворачиваться от руки) и закрепляют крышки винтами.
Далее на конец ведомого вала в шпоночную канавку закладывают шпонку, устанавливают звездочку и закрепляют ее торцовым креплением; винт торцового крепления стопорят специальной планкой.
Затем ввертывают пробку маслоспускного отверстия с прокладкой и жезловый маслоуказатель. Заливают в корпус масло и закрывают смотровое отверстие крышкой с прокладкой; закрепляют крышку болтами.
Собранный редуктор обкатывают и подвергают испытанию на стенде по программе, устанавливаемой техническими условиями.
Список используемой литературы
1.Курсовое проектирование деталей машин: Учебно-справочное пособие для
ВУЗов / С.А.Чернавский и др.-М.: Машиностроение, 1984.
2 Шейнблид А.Е. Курсовое проектирование деталей машин: Учебное пособие для техникумов.-М.: Высшая школа, 1991.
Батманов А.В. гр. Т-32
Незаконное копирование тиражирование преследуется по закону All right received
5>














