144525 (727702), страница 2
Текст из файла (страница 2)
Штукатурять фасад так само, як внутрішні поверхні, послідовно наносячи шари оббризку, ґрунту і накривки вручну. Всі архітектурні елементи фасаду виконують за допомогою шаблонів після створення на поверхні підготовчого шару штукатурки.
Рис. 3. Схема провішування віконних прорізів фасаду:
1 — марки на вертикальному боці прорізу; 2 — марки на верхньому боці прорізу; 3 — висок; 4 — горизонтально натягнутий шнур
Оштукатурювання поверхні фасаду виконується шляхом нанесення трьох шарів:
* Обризга - першого шару товщиною від 3 до 5 мм з наступною його затіркою
* Грунту - друге, основного шару товщиною 7-8 мм наступним розрівнюванням
* Накривки - заключного шару товщиною 2 мм для звичайної штукатурки
Обризг - перший (нижній), що наноситься безпосередньо на оштукатурювану поверхню, шар з найбільш пластичного розчину з осадкою стандартного конуса 3-4см - при нанесенні вручну (вміст води до 60% від обсягу в'яжучого). Товщину шару обризга по кам'яних стінах беруть 4... 5 мм. Обризг зазвичай не розрівнюють і залишають поверхню шорсткою, його основне призначення щільно схопитися з оштукатурюванню площиною за рахунок заповнення всіх її нерівностей, пор, пустот і бути здатним сприймати і нести навантаження від наступних шарів штукатурки. Якщо порівнювати призначення обризга з іншими оздоблювальними процесами, то він грає роль грунту для подальших оздоблювальних шарів.
На підготовлену поверхню фасаду в необхідній послідовності наносять підготовчий шар штукатурки (грунт) і розрівнюють його. Штукатурять фасад попередньо вибраними ділянками так, щоб ділянка знаходилась у межах вертикальних і горизонтальних архітектурних елементів фасаду (пілястрів, пасків, карнизів тощо). Така ділянка має бути поштукатурена за один прийом.
Накривка - третій, оздоблювальний шар штукатурки, що наноситься в один прийом при товщині не більше 2 мм; призначення шару - підготовка оброблюваної поверхні під фарбування, надання штукатурці рівної і гладкої поверхні. Накривку наносять після затвердіння грунту до стану, коли легке натиснення залишає на ньому вм'ятину.
Сумарна товщина штукатурки повинна бути в межах - 12.мм.
Організація робочого місця
Робочі місця для виконання штукатурних робіт на висоті повинні бути обладнані засобами підмащування і сходами-драбинами для підйому на них, що відповідають вимогам СНиП 12-03. Засоби підмащування, що застосовуються при штукатурних та оздоблювальних роботах, у місцях, під якими ведуться інші роботи чи є прохід, повинні мати настил без зазорів. Місця, над якими проводяться штукатурні роботи, необхідно захищати. Забороняється проводити штукатурні роботи на декількох ярусах по одній вертикалі. При виконанні робіт з розчинами, що мають хімічні добавки, необхідно використовувати засоби індивідуального захисту (гумові рукавички, захисні мазі, захисні окуляри) відповідно до інструкції заводу - виробника застосовуваного складу. При очищенні поверхонь та інших роботах, пов'язаних з виділенням пилу і газів, необхідно користуватися респіраторами та захисними окулярами. При нанесенні розчину на вертикальну поверхню слід користуватися захисними окулярами. При роботі з розчинонасосів необхідно: видаляти розчинні пробки, здійснювати ремонтні роботи тільки після відключення розчинонасосів від мережі і зменшення тиску; здійснювати продування розчинонасосів при відсутності людей в зоні 10 метрів і більше; тримати форсунку при нанесенні розчину під невеликим кутом до оштукатурюваної поверхні і на невеликій відстані від неї.
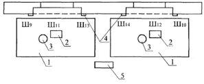
Рисунок 4- Схема організації робочого місця ланки штукатурів
Ш9 - Ш14 - робочі місця штукатурів;1 - столик-підмостки; 2 - ящик для розчину; 3 - відро; 4 - направляюча рейка; 5 - ящик для інструменту
Оцінка якості штукатурних робіт
Виступаючі архітектурні деталі, місця сполучень оштукатурюваних конструкцій, виконаних з різних матеріалів, повинні бути оштукатурені по прикріпленій до поверхні основи металевої сітки або плетениму дроті; дерев'яні поверхні - по щитам з драні.
При проведені штукатурних робіт повинні бути дотримані такі вимоги: допускається товщина одношарової штукатурки: з гіпсових розчинів - до 15 мм.
Відхилення оштукатурених поверхонь від вертикалі (на 1 м): при високоякісної штукатурці - не більше 1 мм (не більше 5 мм на всю висоту приміщення).
Відхилення оштукатурених поверхонь по горизонталі (на 1 м): при високоякісної штукатурці - не більше 1 мм.
Відхилення віконних і дверних укосів, пілястр, стовпів, лузги і т.п. від вертикалі і горизонталі (на 1 м): при високоякісної штукатурці - не більше 1 мм (до 3 мм на весь елемент).
Відхилення радіуса кріволенейних поверхонь, що перевіряється лекалом, від проектної величини (на весь елемент): при високоякісної штукатурці - не більше 5 мм.
Відхилення ширини укосу від проектної: при високоякісної штукатурці - не більше 2 мм. Відхилення тяг від прямої лінії в межах між кутами перетину і раскреповкі: при високоякісної штукатурці - невеликі 2мм.
Тріщини, горбики, раковини, дутики, нитки синтетичні поверхню, пропуски на оштукатуреній поверхні не допускаються.
Розміри відхилень оштукатуреній поверхні повинні відповідати вимогам СНиП 3.04.01-87 «Ізоляційні і оздоблювальні покриття»
Розчини штукатурні повинні проходити без залишку через сітку з розмірами комірок, мм:
- Для накривочного шару і одношарового покриття - 1,5
Пристосування для роботи на висоті
При оздобленні будинків доводиться виконувати штукатурні роботи на висоті. Для цього застосовують столики, підмостки, ліси, вежі. Складаний двухвисотний столик має висувний майданчик розміром 974X530 мм, що дає можливість виконувати роботу в приміщеннях висотою 2,5... 2,7 м. Майданчик столика можна піднімати на висоту 1155 мм. Маса столика з щитом роботи в сходових клітинах, так як пару його ніжок можна висувати і встановити столик на сходах так, що майданчик буде знаходитись горизонтально. Щоб столик не скочувався зі сходинок, одну пару його ніжок роблять без коліс, що створює необхідне гальмування. Висота площадки столика 1360 мм, довжина 1100 мм, ширина 560 мм. Маса столика з щитом настилу й огородження 20,15 кг. При виконанні штукатурних робіт на висоті можна виготовити подмости на козлах, які легко переносити в міру завершення якоїсь ділянки робіт. Висота козел повинна бути не більш 3,5 м, а ширина не менш 1 м. Дотримання цих розмірів дозволить уникнути нещасних випадків при провадженні робіт. При невеликих обсягах робіт можна виготовити столик козелок або столик-підмости
Універсальні збірно-розбірні пересувні підмостки) виготовляють із тонкостінних труб. Висота робочого настилу від рівня підлоги 2200 мм; довжина площадки 1950 мм, ширина 1000 мм. Підмости встановлені на колесах, що дозволяє вільно пересувати їх по фронту робіт. При оштукатурюванні стель або балок підмостки влаштовують такої висоти, щоб між головою робочої і стелею залишалося відстань 15... 20 см. Пересувна збірно-розбірна вишка-туру) призначена для роботи в приміщеннях висотою 6 м. Висота вежі, рахуючи від підлоги до рівня площадки, 4 м; розміри робочого майданчика для окремо вишки 2X2 м, допускається навантаження 2 кН. Загальна маса 414 кг. При необхідності суцільного підмащування встановлюють кілька вишок, а між ними укладають перехідні щити. Ці вежі мають колеса і легко пересуваються по фронту робіт. Трубчасті ліси конструкції Промбудпроект складаються із стійок і ригелів, з'єднаних гаками і патрубками без болтів. Гранична висота лісів для оздоблювальних робіт 60 м. Ширина робочого настилу 2000 мм. Стійки лісів відстоять від стіни на 400 мм. Для виконання декоративного оздоблення цю відстань збільшують до 600... 700 мм. Відстань між стійками в поперечному напрямку 1600 мм, в поздовжньому ~ - 2000 мм. Настил виконують з дерев'яних щитів. Для підйому на ліси і спуску з них в їх середині влаштовують сходові клітини через кожні 40... 50 м. У місцях знаходження сходів роблять настили з невеликими огорожами в усіх парних ярусах.
Ліси кріплять до стін гаками: один бік гака зачіпається за вушко анкера-болта, другий - за патрубок стійки. Уздовж зовнішнього ряду стійок по низу настилу з внутрішньої сторони встановлюють бортові дошки, щоб з настилу не падали інструменти та матеріали. Якщо доводиться розвозити матеріал по настилах лісів тачками, влаштовують катальні дошки.
Над проїздами і переходами роблять захисні навіси, які не можна використовувати для проходів по них робітників і складування будь-яких вантажів і матеріалів.
Щодня до початку робіт перевіряють стан лісів: міцність їх кріплення, якість настилу, справність молніепріемніков і заземлення.
Трубчасті ліси конструкції ЦНІІОМТП - універсальні, для оздоблювальних робіт їх монтують на висоту до 60 м з ярусами до 2 м. Деталі лісів з'єднують між собою хомутами. Стійки ставлять від стін на відстані 400 мм. Відстань між стійками в поперечному напрямку 1400 мм, загальна ширина лісів 1800 мм. Ліси кріплять до стін інвентарними анкерами та пробками. Пробки забивають або закладають в отвори, пробиті в стінах, і в пробки ввертають гвинти. Застосовують також інвентарні пробки з конусним наконечником на робочому стрижні. Його вставляють у розрізану металеву трубу, яку закріплюють у гніздах, влаштованих у стінах.
Сучасні матеріали для заміни
Пластифицирующая добавка карбоксілатного типу "Амкармет "використовується:
• Для зимового бетонування при температурі-10-18оС;
• Для проведення кладочних і штукатурних робіт при температурі -13 +-3оС.
Призначення: Препарат широкого спектру дії. Різко знижує температуру замерзання бетонної суміші та цементно-піщаних розчинів, пластичність їх і прискорює застигання при низьких температурах. Рекомендується використовувати при зимовому бетонуванні, проведенні штукатурних і кладочних робіт при-10-18оС.
Забезпечує:
• Високу рухливість бетонної суміші при низьких температурах (-10-18оС);
• Необхідний темп застигання бетонних сумішей, кладочних і штукатурних сумішей в зимових умовах;
• Економію води та вапна при проведенні штукатурних робіт;
• Зменшення водопоглинання бетону;
• Збільшення водонепроникності та морозостійкості бетону;
• Високу корозостійкість бетону;
• Зменшення собівартості будівництва за рахунок низьких цін і витрат добавки.
Нормування праці, вартість робіт та витратних матеріалів
Удосконалення нормування праці у будівництві в умовах ринкової економіки є актуальним, оскільки нормування праці виступає як засіб встановлення та забезпечення контролю над величиною затраченої праці, що сприяє зростанню продуктивності праці, забезпеченню ритмічності та ефективності будівельного виробництва. За допомогою норм праці визначаються необхідні затрати робочого часу на виконання будівельних, монтажних та ремонтно-будівельних робіт (далі — будівельні роботи); розраховуються чисельність працівників та розмір оплати їх праці; розробляються кошторисні норми; здійснюється поточне, перспективне та прогнозне планування тощо. Організація нормування праці у будівельній галузі регламентується законодавством України, нормативними документами Міністерства праці та соціальної політики України, Державного комітету України з будівництва та архітектури, а також цим Положенням. Нормування праці працівників, зайнятих у будівництві, базується на системі норм праці, що складають нормативну базу з праці. Для нормування праці працівників у будівництві застосовують такі види норм праці: норми часу; норми виробітку; норми обслуговування; норми чисельності. Найбільш розповсюдженими у будівництві є норми часу, які застосовуються для відрядної оплати праці робітників. При почасовій оплаті працівникам встановлюються нормовані завдання. Для виконання окремих функцій та обсягів робіт може бути встановлено норми обслуговування або норми чисельності працівників. Вимірюються норми часу в будівництві у людино-годинах (людино-хвилинах тощо) на одиницю конкретного виду робіт (продукції). Якщо робочий процес виконується будівельною машиною, норма часу встановлюється для цієї машини в машино-годинах (машино-хвилинах тощо). Норма часу для робітників, які керують машиною чи обслуговують її, дорівнює добутку чисельності цих робітників і норми часу машини та вимірюється в людино-годинах (людино-хвилинах тощо).
Визначаються норми виробітку в будівництві у натуральних одиницях вимірювання конкретного виду робіт (продукції), виконаного за 1 годину (хвилину).
Норма виробітку машини (норма продуктивності машини) в будівництві — встановлений обсяг робіт (продукції), який вона має виконати за одиницю робочого часу в умовах визначеної організації виробництва та праці робітників, які зайняті її керуванням або обслуговуванням. Укрупнені комплексні норми часу розробляються шляхом калькулювання на основі обсягів робіт, визначених проектною документацією, та норм часу на трудові процеси, що передбачають застосування раціональних технологічних схем виконання робіт з урахуванням досягнутого науково-технічного рівня організації виробництва та праці. Введення затверджених норм праці у будівельних організаціях здійснюється роботодавцем за погодженням з профспілковим комітетом або іншим уповноваженим на представництво трудового колективу органом з повідомленням про це робітників не пізніше ніж за один місяць до їх запровадження. Ця норма не поширюється на одноразові та тимчасові роботи.
У разі перегляду та заміни застарілих норм праці роботодавець повинен роз’яснити працівникам причини їх перегляду та умови, за яких повинні застосовуватися нові норми.















