135894 (722732), страница 3
Текст из файла (страница 3)
Схемы с общим эмиттером обладают следующими достоинствами:
-
Большое входное сопротивление и малое выходное. Это позволяет создавать многокаскадные УРЧ, так как не шунтируется сопротивление нагрузки предыдущего каскада из-за большого входного сопротивления УРЧ.
-
Схемы обладают большими значениями коэффициента усиления по напряжению и по току.
Существенным недостатком схем УРЧ с общим эмиттером является то, что они имеют ограниченное действие по частоте, так как возникновение паразитных связей приводит к самовозбуждению.
Различают также УРЧ, включённые по схеме с общей базой (рисунок 5).
Рисунок 5 – Однокаскадный транзисторный усилитель, схема с общей базой.
Схема с общей базой используется в основном в усилителях высокой частоты. Эта схема УРЧ имеет достаточно высокую граничную частоту.
Но, в отличие от УРЧ, собранного по схеме с общим эмиттером, такая схема не позволяет использовать большое сопротивление нагрузки в предыдущем каскаде, так как входное сопротивление данного каскада включено параллельно сопротивлению нагрузки предыдущего и оказывает на него шунтирующее влияние. Это является существенным недостатком УРЧ с общей базой.
Существуют также каскадные схемы УРЧ, в которых сочетаются произвольные включения схем с общей базой и общим эмиттером (рисунок 6).
Рисунок 6 – Сочетание схем транзисторных усилителей, включенных по схеме с общей базой и с общим эмиттером.
Сочетание различных схем включения транзисторов в одном каскаде УРЧ улучшает его характеристика.
Транзистор VT1 включён по схеме с общим эмиттером, VT2 – с общей базой. Преимуществом такой схемы УРЧ является то, что она применяется во всех диапазонах, включая УКВ.
-
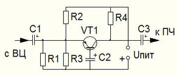
Преобразователь частоты
Преобразование сигналов радиочастот в сигнал промежуточной частоты осуществляется в частотно-преобразовательных каскадах ПЗВ. Для преобразования используется нелинейность ВАХ, преобразующих элементов (ПЭ), в качестве которых обычно используются полупроводниковые диоды и транзисторы. Для получения сигнала промежуточной частоты (ПЧ), помимо напряжения сигнала, к ПЭ необходимо подвести напряжение от гетеродина с частотой, отличающейся от частоты сигнала на значение ПЧ. Напряжение гетеродина для преобразования сигнала с малыми искажениями должно превышать уровень самого большого из принимаемых сигналов. От правильного выбора режима ПЭ зависят такие характеристики приёмника, как чувствительность, селективность, искажения сигнала. Преобразователи по типу применённого преобразующего элемента делятся на пассивные и активные, а по способу получения напряжения гетеродина – на преобразователи с отдельным гетеродином (смесители частот) и с совмещённым гетеродином (генерирующие преобразователи).
Рисунок 7 – Преобразователь частоты.
Преобразователь частоты, схема которого приведена на рисунке 7, обладает повышенной линейностью для напряжения сигнала примерно в 15 раз. Для переменного тока входного сигнала, транзистор VT1 включён по схеме ОК, а транзистор VT2 – по схеме ОБ. Нелинейность проходной характеристики первого транзистора компенсируется нелинейным входным сопротивлением второго для сигналов с уровнем примерно до 50 мВ. Для переменного напряжения гетеродина оба транзистора включены дифференциально. Максимальный коэффициент преобразования в таком преобразователе получается при балансе дифференциального усилителя, то есть тогда, когда токи коллекторов обоих транзисторов равны. При перераспределении токов между транзисторами в сторону увеличения тока коллектора одного из них, коэффициент передачи уменьшается и при разности напряжений между базами дифференциальной пары около 200 мВ, уменьшается в 1000…2000 раз (60…66 дБ) по сравнению с максимальным. Это обстоятельство позволяет применять такой преобразователь в качестве единственного регулируемого цепью АРУ каскада в приёмнике.
В рассматриваемом УКВ приёмнике преобразователь частоты входит в состав КХА 058.
Так как преобразователь частоты выполнен на аналоговой микросхеме, то он обладает рядом преимуществ по сравнению с диодными и транзисторными преобразователями частоты:
-
Увеличивается быстродействие работы ПЧ и приёмника в целом
-
Уменьшается масса, габариты и энергопотребление
-
В ПЧ на микросхеме отсутствуют дополнительные подстройки
-
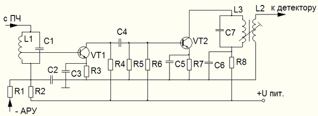
Усилитель промежуточной частоты
Особенность усилителей промежуточной частоты заключается в необходимости получения значительного усиления по напряжению, что трудно осуществить в одном каскаде. По этой причине УПЧ состоят из двух, трёх и более каскадов усиления. Наибольшим допустимым коэффициентом усиления обладает каскадный усилитель, особенно на ПЧ, характерных для трактов ЧМ сигналов. При применении его в тракте усиления АМ сигналов в простых ПЗВ часто можно обойтись и одним каскадом ПЧ.
Между каскадами применяют различные способы связи. В радиовещательных приёмниках в основном индуктивная трансформаторная. В профессиональных – комбинированная.
Основные назначения усилителя промежуточной частоты:
-
Основное усиление
-
Избирательность по соседнему каналу
-
Должен обеспечить прохождение заданной полосы частот, по этой причине УПЧ в диапазонах УКВ – широкополосные усилители.
Наиболее часто применяют широкополосные УПЧ, рассчитанные для усиления ЧМ сигналов ПЧ, требуют введения в них до пяти каскадов. При применении широкополосных УПЧ следует учитывать возможность проникновения на их вход напряжения гетеродина, которое может привести к снижению усиления вследствие срабатывания цепи АРУ, или даже вызвать релаксационные колебания в УПЧ. Поэтому необходимо тщательно экранировать входные цепи широкополосных УПЧ от цепей гетеродина.
Являясь широкополосными, такие УПЧ одновременно усиливают и широкий спектр шумов транзисторов первого каскада, поэтому перед детекторным каскадом целесообразно включить фильтр, уменьшающий шумовую полосу пропускания. Как это, например, сделано в широко распространённой в промышленных приёмниках третьей группы сложности схеме УПЧ, приведённой на рисунке 8. контур L2 C6 изменяет полосу пропускания УПЧ до 80…40 кГц, что достаточно для снижения уровня шума апериодического УПЧ допустимого предела.
Кроме комбинаций различных схем включения транзисторов одного типа проводимости, можно сочетать транзисторы с разным типом проводимости, что приводит также к новым качественным характеристикам каскадов УПЧ.
Рисунок 8 – Широкополосный усилитель промежуточной частоты.
В радиовещательных приёмниках распространение получили усилители промежуточной частоты на аналоговых интегральных микросхемах серий К218, К228, К237, К174, К224, а также на микросхеме КХА 058, как в рассматриваемом приёмнике.
Благодаря применению микросхемы КХА 058, уменьшились габариты, масса и энергопотребление приёмника; повысилась надёжность, так как сократилось число тайных соединений и заметно улучшились параметры УПЧ.
-
Детектор
Детектированием называется процесс преобразования входных модулированных колебаний в колебания, модулирующего сигнала.
В зависимости от вида модуляции соответственно различают амплитудное, частотное и фазовое детектирование. Схемы, осуществляющие детектирование, называют детекторами. Детекторы обязательно применяются в приёмниках различного назначения, а также широко применяются в средствах измерения, в системах АРУ, АПЧГ и др.
Для приёма амплитудно-модулированных колебаний необходим амплитудный детектор. Чаще всего применяются амплитудные детекторы на полупроводниковых диодах. Схемы на полупроводниковых диодах бывают параллельными и последовательными.
Схема параллельного детектора на диоде показана на рисунке 9.
Рисунок 9 – Параллельный детектор на диоде.
Параллельно схеме на нагрузку действует напряжение с диода, которое будет достаточно большим, когда диод закрыт.
Эта схема называется схемой с закрытым входом, применяется она в том случае, когда необходимо исключить попадание постоянной составляющей тока в детектор.
В параллельной схеме обязателен фильтр низкой частоты на выходе (С4).
Помимо диодных детекторов, существуют и детекторы на полевых и биполярных транзисторах.
Транзисторные детекторы обладают рядом особенностей:
-
Больший коэффициент передачи напряжения по сравнению с диодными детекторами
-
Большее входное сопротивление, это значит, меньше детектор шунтирует контур УПЧ
-
Меньшие линейные искажения
-
Выше коэффициент собственных шумов
-
Усложняется схема и необходим источник питания
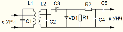
Помимо амплитудных детекторов, существуют и частотные детекторы на транзисторах.
Для детектирования частотно-модулированных сигналов широкое распространение получили фазовые квадратурные частотные детекторы. На рисунке 10 приведена упрощённая схема такого детектора. Основу частотного детектора в этой схеме составляет двойной балансный транзисторный фазовый детектор. При наличии перед ним ограничителя напряжения на выходе детектора зависит только от фазовых соотношений между напряжениями сигналов, подводимых к входам фазового детектора. Это осуществляется с помощью фазовращателя, роль которого играет контур L1 C3 и конденсаторы С1 и С2. линейный участок характеристики детектора зависит от добротности контура. В данной схеме используются схемы дифференциальных усилителей.
Рисунок 10 – Упрощённая схема транзисторного детектора.
Кроме диодных и транзисторных детекторов, существуют детекторы, которые входят в состав аналоговых интегральных микросхем, как в моём приёмнике, в котором детектор выполнен на микросхеме КХА 058.
Такие детекторы обладают рядом преимуществ:
-
Практически отсутствуют потери полезного сигнала;
-
Значительно больше быстродействие детектора;
-
3. Отсутствуют паразитные наводки, так как все пассивные и активные элементы входят в состав ИМС;
Достоинствами детекторов АМ и ЧМ сигналов на активных элементах являются: температурная стабильность; значительно большой коэффициент передачи; меньший уровень нелинейных искажений.
-
Блок настройки
Блок настройки – это каскад радиоприёмника, в котором осуществляется выбор желаемого диапазона и настройка на заданную радиостанцию.
В представленном УКВ приёмнике используется классический вариант электронного узла настройки, схема которого изображена на рисунке 11.
Рисунок 11 – Электронный узел настройки.
Желаемый диапазон выбирается переключателем SA1, коммутирующим катушки L1 и L2. С помощью R2 осуществляется настройка на заданную радиостанцию. При перемещении движка резистора R2 изменяется уровень напряжения на варикапе VD1, тем самым изменяется частота гетеродина Fг. Из формулы: Fпр=Fг – Fс, где Fпр – частота промежуточная, Fс – частота сигнала, видно что при изменении Fг (при Fпр=const) Fc также изменяется, то есть производится настройка на радиостанцию.
Существуют также другие способы настройки: фиксированные, ступенчатые и т.д., но они, как правило, не обеспечивают должного уровня и качества настройки, как вышепоказанная схема.
-
Усилитель низкой частоты
Усилитель низкой частоты (УНЧ) или усилитель мощности (УМ) – это устройство, которое предназначено для усиления входного сигнала звуковой частоты по мощности для оптимальной работы выходного устройства. В зависимости от элементной базы УНЧ бывают транзисторными, ламповыми и на интегральных микросхемах.
В своём радиоприёмнике я применил УНЧ на интегральной микросхеме TDA2030, схема которого показана на рисунке 12.
















