135880 (722718), страница 9
Текст из файла (страница 9)
Анализ полученных результатов позволяет установить следующее. Для заданной относительной полосы пропускания существует определенное значение
, при превышении которого реализация каскада с требуемой формой АЧХ становится невозможной. Это обусловлено уменьшением добротности рассматриваемой цепи с увеличением
.
Рассматриваемая КЦ (рис. 3.16) может быть использована и в качестве входной КЦ. В этом случае при расчетах следует полагать
,
.
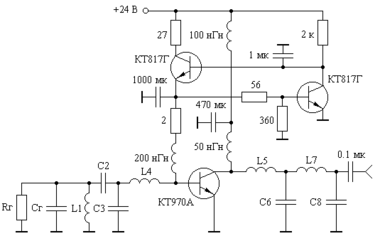
Пример 3.5. Рассчитать КЦ однокаскадного транзисторного усилителя, являющегося одним из восьми канальных усилителей выходного усилителя мощности 500 Вт передатчика FM диапазона, при условиях:
75 Ом;
=10 пФ; диапазон частот 88-108 МГц; в качестве усилительного элемента использовать транзистор КТ970А.
Принципиальная схема каскада приведена на рис. 3.22. Элементы
11 нГн,
240 пФ,
56 нГн,
47 пФ формируют трансформатор импедансов (см. раздел 2.3), обеспечивающий оптимальное, в смысле достижения максимального значения выходной мощности, сопротивление нагрузки транзистора и практически не влияющий на форму АЧХ усилительного каскада.
В каскаде использован стабилизатор напряжения базового смещения на транзисторах КТ817Г, обеспечивающий стабилизацию угла отсечки коллекторного тока транзистора КТ970А [23].
Решение. Используя справочные данные транзистора КТ970А [13] и соотношения для расчета значений элементов однонаправленной модели [10], получим:
0,053 Ом;
0,9 нГн;
= 113, где
сопротивление базы транзистора;
индуктивности выводов базы и эмиттера транзистора.
Рис. 3.22 Рис. 3.23
Для заданного диапазона частот имеем:
= 6,15108;
= 1,23;
Нормированные относительно
и
значения элементов
равны:
7,0610-4;
7,3810-3;
0,46. Используя табличные значения
, для
= 1,3, в соответствии с (3.3) из (3.25) получим:
=5,410-4. Ближайшее табличное значение
= 510-4, для которого:
0,2626;
4,216;
69,26;
0,01325. По соотношениям (3.26) определим:
0,2626;
3,756;
54,56;
0,0093. Осуществляя денормирование элементов КЦ, имеем:
32 нГн;
81,4 пФ;
1183 пФ;
1,1 нГн. По соотношению (3.27) найдем коэффициент усиления каскада:
7,33.
На рис. 3.23 приведена АЧХ спроектированного однокаскадного усилителя, вычисленная с использованием полной эквивалентной схемы замещения транзистора [13] (кривая 1). Здесь же представлена экспериментальная характеристика усилителя (кривая 2).
3.3.3. Параметрический синтез полосовых усилительных каскадов с корректирующей цепью, выполненной в виде фильтра нижних частот
Описание схемы КЦ, приведенной на рис. 3.17, ее применение в полосовых усилителях мощности, а также методика настройки даны в [19, 20, 25, 57]. Известные методы расчета указанной КЦ [20, 25, 57] не учитывают частотную зависимость коэффициента усиления транзистора в пределах рабочего диапазона, что является причиной значительных искажений формы АЧХ разрабатываемых усилителей.
Аппроксимируя входной и выходной импедансы транзисторов
и
- и
- цепями перейдем к схеме, приведенной на рис. 3.24.
Рис. 3.24
Коэффициент прямой передачи последовательного соединения КЦ и транзистора
может быть описан в символьном виде дробно-рациональной функцией комплексного переменного:
, (3.31)
где
;
– нормированная частота;
– текущая круговая частота;
– центральная круговая частота полосового усилителя;
;
– коэффициент усиления транзистора
по мощности в режиме двухстороннего согласования на частоте
=1;
(3.32)
;
;
– нормированные относительно
и
значения элементов
;
– активная и емкостная составляющие выходного сопротивления транзистора
;
– активная и индуктивная составляющие входного сопротивления транзистора
.
Из (3.31) следует, что коэффициент усиления на частоте
=1 равен:
. (3.33)
В качестве прототипа характеристики (3.31) выберем функцию:
. (3.34)
Квадрат модуля функции-прототипа (3.34) имеет вид:
. (3.35)
Для выражения (3.35) составим систему линейных неравенств (3.5):
(3.36)
Решая (3.36) для различных
и
при условии максимизации функции цели:
, найдем коэффициенты
, соответствующие различным полосам пропускания полосового усилительного каскада. Вычисляя полиномы Гурвица знаменателя функции (3.35), определим коэффициенты функции-прототипа (3.34).
Значения коэффициентов функции-прототипа для различных полос пропускания и неравномерности АЧХ ±0,25 дБ приведены в таблице 3.7. Здесь же представлены результаты вычислений нормированных значений элементов
, полученные из решения системы неравенств (3.3) и соответствующие различным значениям
.
Анализ полученных результатов позволяет установить следующее. Для заданной относительной полосы пропускания, определяемой отношением
, где
– верхняя и нижняя граничные частоты полосового усилителя, существует определенное значение
, при превышении которого реализация каскада с требуемой формой АЧХ становится невозможной. При допустимой неравномерности АЧХ, равной 0,25 дБ, ее аппроксимация функцией (2.34) возможна при условии
. При допустимой неравномерности АЧХ более 0,25 дБ, область аппроксимации увеличивается незначительно. Поэтому создание усилителя с полосой пропускания более одной октавы с использованием изображенной на рис. 3.17 КЦ невозможно.
Рассматриваемая КЦ (рис. 3.17) может быть использована и в качестве входной КЦ усилителя. В этом случае при расчетах следует полагать
,
.
Таблица 3.7 – Нормированные значения элементов КЦ
| | | | | | |||
| | 0.0005847 0.000518 0.000506 0.000485 0.00045 0.0004 0.00032 0.0002 0.0 | 5.773 5.294 5.052 4.838 4.612 4.396 4.162 3.929 3.677 | 0.1773 0.1947 0.2024 0.2101 0.2192 0.2289 0.2406 0.2537 0.2698 | 164.6 153.8 141.4 130.8 119.8 109.2 97.80 86.43 74.36 | 0.0059 0.0062 0.0068 0.0074 0.0082 0.009 0.0101 0.0115 0.0134 | ||
| | 0.001896 0.00176 0.00172 0.00164 0.00151 0.00132 0.00107 0.0006 0.0 | 3.759 3.565 3.452 3.322 3.186 3.050 2.922 2.757 2.615 | 0.2763 0.2906 0.2975 0.3063 0.3166 0.3282 0.3401 0.3574 0.3741 | 57.58 54.04 50.72 47.13 43.47 39.86 36.52 32.25 28.65 | 0.0161 0.0173 0.0186 0.0201 0.0220 0.0242 0.0266 0.0304 0.0344 | ||
| | 0.00482 0.00459 0.00447 0.00425 0.00390 0.00335 0.00260 0.00160 0.0 | 2.619 2.528 2.452 2.374 2.291 2.201 2.114 2.029 1.931 | 0.3999 0.4113 0.4185 0.4272 0.4375 0.4500 0.4634 0.4778 0.4960 | 25.52 24.09 22.55 21.06 19.56 17.98 16.49 15.08 13.50 | 0.0352 0.0376 0.0407 0.0441 0.0480 0.0528 0.0581 0.0642 0.0724 | ||
| | 0.010896 0.0105 0.0101 0.0096 0.0086 0.0073 0.0053 0.0034 0.0 | 1.853 1.811 1.746 1.703 1.644 1.590 1.530 1.486 1.426 | 0.5363 0.5443 0.5519 0.5584 0.5684 0.5788 0.5918 0.6022 0.6176 | 12.38 11.86 10.88 10.27 9.511 8.846 8.133 7.634 6.970 | 0.0669 0.0706 0.0786 0.0843 0.0926 0.1009 0.1114 0.1198 0.1329 | ||
Продолжение таблицы 3.7
| | | | | | |
| | 0.016114 0.0155 0.0151 0.0144 0.0133 0.0115 0.009 0.0047 0.0 | 1.521 1.483 1.450 1.417 1.380 1.338 1.294 1.240 1.196 | 0.6061 0.6133 0.6167 0.6214 0.6275 0.6358 0.6454 0.6590 0.6711 | 8.553 8.083 7.650 7.236 6.820 6.361 5.919 5.395 4.991 | 0.0892 0.0958 0.1028 0.1104 0.1189 0.1296 0.1415 0.158 0.1731 |
| | 0.01878 0.0181 0.0177 0.017 0.0155 0.014 0.011 0.007 0.0 | 1.348 1.320 1.294 1.267 1.229 1.202 1.161 1.122 1.071 | 0.6276 0.6338 0.6362 0.6396 0.6456 0.6508 0.6596 0.6694 0.6833 | 7.306 6.975 6.604 6.265 5.830 5.538 5.126 4.745 4.291 | 0.097 0.1028 0.1103 0.1181 0.1294 0.1379 0.1517 0.1665 0.1876 |
Пример 3.6. Рассчитать КЦ однокаскадного транзисторного усилителя, являющегося одним из четырех канальных усилителей выходного усилителя мощности 250 Вт передатчика пятого канала телевидения, при условиях:
75 Ом, диапазон усиливаемых частот 92-100 МГц, используемый транзистор – КТ970А.
- и
- цепями перейдем к схеме, приведенной на рис. 3.24.















