135835 (722674), страница 4
Текст из файла (страница 4)
Протоколы установления связи в CDMA, так же как в стандартах AMPS основаны на использовании логических каналов.
В CDMA каналы для передачи с базовой станции называются прямыми (Forward), для приема базовой станцией - обратными (Reverse). Структура каналов в CDMA в стандарте IS-95 показана на рис:
Р
ис. 4
Прямые каналы в CDMA:
-
Пилотный канал - используется подвижной станцией для начальной синхронизации с сетью и контроля за сигналами базовой станции по времени, частоте и фазе.
-
Канал синхронизации - обеспечивает идентификацию базовой станции, уровень излучения пилотного сигнала, а так же фазу псевдослучайной последовательности базовой станции. После завершения указанных этапов синхронизации начинаются процессы установления соединения.
-
Канал вызова - используется для вызова подвижной станции. После приема сигнала вызова подвижная станция передает сигнал подтверждения на базовую станцию, после чего по каналу вызова на подвижную станцию передается информация об установлении соединения и назначения канала связи. Канал персонального вызова начинает работать после того, как подвижная станция получит всю системную информацию (частота несущей, тактовая частота, задержка сигнала по каналу синхронизации).
-
Канал прямого доступа - предназначен для передачи речевых сообщений и данных, а так же управляющей информации с базовой станции на подвижную.
Обратные каналы в CDMA:
-
Канал доступа - обеспечивает связь подвижной станции с базовой станций, когда подвижная станция еще не использует канал трафика. Канал доступа используется для установления вызовов и ответов на сообщения, передаваемые по каналу вызова, команды и запросы на регистрацию в сети. Каналы доступа совмещаются (объединяются) каналами вызова.
-
Канал обратного трафика - обеспечивает передачу речевых сообщений и управляющей информации с подвижной станции на базовую станцию.
Структура каналов передачи базовой станции показана на рис. 5:
Р
ис. 5
Каждому логическому каналу назначается свой код Уолша. Всего в одном физическом канале логических каналов может быть 64, т.к. последовательностей Уолша, которым в соответствие ставятся логические каналы, всего 64, каждая из которых имеет длину по 64 бита. Из всех 64 каналов на 1-й канал назначается первый код Уолша (W0) которому соответствует "Пилотный канал", на следующий канал назначается тридцать второй код Уолша (W32), следующим 7-ми каналам так же назначаются свои коды Уолша (W1,W2,W3,W4,W5,W6,W7) которым соответствуют каналы вызова, и оставшиеся 55 каналов предназначены для передачи данных по "Каналу прямого трафика".
При изменении знака бита информационного сообщения фаза используемой последовательности Уолша изменяется на 180 градусов. Так как эти последовательности взаимно ортогональны, то взаимные помехи между каналами передачи одной базовой станции отсутствуют. Помехи по каналам передачи базовой станции создают лишь соседние базовые станции, которые работают в той же полосе радиочастот и используют ту же самую ПСП, но с другим циклическим сдвигом.
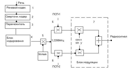
Порядок прохождения речевых данных в мобильной станции до момента отправки в эфир.
Д
авайте подробней рассмотрим структурную схему обратного канала трафика. В прямом и обратном канале эта схема повторяется; в зависимости от того, какой канал используется в данный момент, некоторые блоки этой схемы исключаются.
Рис. 6
Речевой сигнал поступает на речевой кодек.
На этом этапе речевой сигнал оцифровывается и сжимается по алгоритму CELP.
-
Далее сигнал поступает на блок помехоустойчивого кодирования, который может исправлять до 3-х ошибок в пакете данных.
-
Далее сигнал поступает в блок перемежения сигнала.
Блок предназначен для борьбы с пачками ошибок в эфире. Пачки ошибок - искажение нескольких бит информации подряд.
Принцип такой. Поток данных записывается в матрицу по строкам. Как только матрица заполнена, начинаем с нее передавать информацию по столбцам. Следовательно, когда в эфире искажаются подряд несколько бит информации, при приеме пачка ошибок, пройдя через обратную матрицу, преобразуется в одиночные ошибки. -
Далее сигнал поступает в блок кодирования (от подслушивания).
На информацию накладывается маска (последовательность) длиной 42 бита. Эта маска является секретной. При несанкционированном перехвате данных в эфире невозможно декодировать сигнал, не зная маски. Метод перебора всевозможных значений не эффективен т.к. при генерации этой маски, перебирая всевозможные значения, придется генерировать 8.7 триллиона масок длиной 42 бита. Хакер, пользуясь персональным компьютером, пропуская через каждую маску сигнал и преобразовывая его в файл звукового формата, потом, распознавая его на наличие речи, потратит уйму времени. -
Блок перемежения на код Уолша. Цифровой поток данных перемножается на последовательность бит, сгенерированных по функции Уолша. На этом этапе кодирования сигнала происходит расширение спектра частот, т.е. каждый бит информации кодируется последовательностью, построенной по функции Уолша, длиной 64 бита. Т.о. скорость потока данных в канале увеличивается в 64 раза. Следовательно, в блоке модуляции сигнала скорость манипуляции сигнала возрастает, отсюда и расширение спектра частот.
Так же функция Уолша отвечает за отсев ненужной информации от других абонентов. В момент начала сеанса связи абоненту назначается частота, на которой он будет работать и один (из 64 возможных) логический канал, который определяет функция Уолша. В момент принятия сигнал по схеме проходит в обратную сторону. Принятый сигнал умножается на кодовую последовательность Уолша.
По результату умножения вычисляется корреляционный интеграл.
Если Z пороговая удовлетворяет предельному значению, значит, сигнал наш. Последовательность функции Уолша ортогональны и обладают хорошими корреляционными и автокорреляционными свойствами, поэтому вероятность спутать свой сигнал с чужим равна 0.01 %. -
Блок перемножения сигнала на две М-функции (М1 - длиной 15 бит, М2 - длиной 42 бита) или еще их называют ПСП- псевдослучайными последовательностями. Блок предназначен для перемешивания сигнала для блока модуляции. Каждой назначенной частоте назначаются разные М -функции.
-
Блок модуляции сигнала. В стандарте CDMA используется фазовая модуляция ФМ4, ОФМ4.
В настоящее время оборудование стандарта CDMA является самым новым и самым дорогим, но в то же время самым надежным и самым защищенным. Европейским Сообществом в рамках исследовательской программы RACE разрабатывается проект CODIT по созданию одного из вариантов Универсальной системы подвижной связи (UMTS) на принципе кодового разделения каналов с использованием широкополосных сигналов с прямым расширением спектра (DS-CDMA).
Основным отличием концепции CODIT будет эффективное и гибкое использование частотного ресурса. Как мы раньше пояснили, на широкополосный сигнал CDMA влияние узкополосной помехи практически не сказывается. За счет этого свойства в стандарте CODIT для передачи данных дополнительно будут использоваться защитные интервалы между несущими частотами.
Цифровая сотовая система подвижной радиосвязи стандарта D-AMPS
Общий подход к развитию цифровых сотовых систем в США
В США работы по национальному стандарту на цифровые сотовые системы подвижной связи (ССПС) проводились с 1987 года. В отличие от Европы, где разрабатывался стандарт GSM, Федеральная комиссия связи (FCC) не смогла выделить отдельную полосу частот в диапазоне 900 МГц для перспективной цифровой ССПС США.
В условиях, когда национальная аналоговая ССПС стандарта AMPS уже не отвечала современным требованиям к подвижной связи из-за отсутствия необходимой пропускной способности, недостаточного качества связи, ограниченного набора услуг, отсутствия засекречивания передаваемых сообщений, Ассоциация промышленности сотовой связи (CTIA), совместно с Ассоциацией промышленности связи (TIA) приняли решение о совмещении в одной полосе частот аналоговой и цифровой ССПС, сохранив существовавший в AMPS разнос каналов, равный 30 кГц.
Стандарт на цифровую сотовую систему связи был разработан в 1990 году и система связи на его основе получила условное обозначение D-AMPS или ADC. В 1991-1992 годах проводились полевые испытания системы D-AMPS, по результатам которых TIA и CTIA были приняты три стандарта: IS-54 - на систему сотовой связи D-AMPS (ADC); IS-55 - на двухмодовую подвижную станцию, обеспечивающую связь как по аналоговому (AMPS), так и по цифровому (D-AMPS) каналам связи; IS-56 - на базовые станции.
Внедрение этих стандартов явилось временным шагом для того, чтобы как можно быстрее внедрить цифровую технологию на рынок сотовой связи США. Ожидалось, что стандарт IS-54 позволит увеличить емкость трафика существующих сетей сотовой связи AMPS до трех раз, но с использованием аналоговых каналов управления. Переход к полной цифровой версии AMPS затормозил бы внедрение цифровой технологии сотовой связи в США еще на три года.
Хотя стандарт IS-54 и не совсем цифровое решение, он оказался более прогрессивным, чем AMPS, и в настоящее время более 2 млн. абонентов в 14 странах мира, включая Россию, используют эту технологию.
В 1994 году был сформулирован новый стандарт США IS-136 на полностью цифровую систему сотовой связи, представляющую собой усовершенствованный вариант стандарта IS-54. Стандарт IS-136 по своим функциональным возможностям и предоставляемым услугам приближается к стандарту GSM. Стандарт IS-136 открывает возможность внедрения международного роуминга.
В настоящее время США приступили к созданию цифровых сетей персональной связи (PCS). Развитие технологии PCS осуществляется в условиях активной конкуренции.
Федеральная комиссия связи США в марте 1995 года выдала 102 лицензии операторам сетей PCS в диапазоне 1900 МГц.
Одним из направлений создания сетей PCS явился перевод стандарта IS-54 (D-AMPS) в диапазон 1900 МГц. Абоненты будут иметь возможность пользоваться двухдиапазонным терминалом, обеспечивающим доступ к услугам связи в диапазонах 800 МГц и 1900 МГц.
Многие из операторов сетей PCS, получивших лицензии, выбрали для реализации сетей персональной связи версию стандарта GSM для диапазона 1900 МГц - PCS-1900.
Значительным успехом у операторов сетей PCS пользуется стандарт CDMA IS-95.
Развитие цифровых сетей персональной связи в США будет осуществляться на фоне активных позиций сетей сотовой связи стандартов AMPS/D-AMPS, абонентами которых, в настоящее время, являются около 10% населения страны.
Структурная схема, характеристики и радиоинтерфейс D-AMPS
Структурная схема цифровой ССПС D-AMPS (IS-54) показана на рис. 6. Основные характеристики D-AMPS (IS-54) приведены в таблице 3.2. На рис. 7 показана структура кадров в системе D-AMPS для перспективного варианта с полускоростным речевым кодеком, когда будут использоваться шесть временных окон (вместо трех сегодня).
Структурная схема подвижной станции изображена на рис. 8.
Аналоговый речевой сигнал преобразуется в цифровую форму VSELP кодером. Речевой сигнал разбивается на сегменты по 20 мс, которые преобразуются в 159 кодированных бит передаваемых со скоростью 7,95 кбит/с.
Для канального кодирования используется сверточный код со скоростью г=1/2. В этом процессе пакет в 159 бит от речевого кодера разбивается на две группы бит: класс 1 - 77 бит, класс 2 - 82 бита. В группе бит 1 класса осуществляется указанное сверточное кодирование, причем 7 бит используются для обнаружения ошибок, биты второго класса передаются без кодирования. В результате преобразований в канальном кодере речевой фрагмент 20 мс представляется 260 битами, что соответствует скорости передачи 13,0 кбит/с. Структурные схемы канального кодировав приведены на рис. 9, Результирующая скорость (по результатам формирования TDMA кадра) составляет 16,2 кбит/с в расчете на одного абонента.
Пакет в 260 кодированных бит подвергается перемежению, принцип которого иллюстрируется рис. 10. Речевой фрагмент Y разбивается на две части. Одна часть передается в окне 1, вторая часть - в окне 4. Следующий фрагмент речи Z, длительностью 20 мс, передается в окне 4 и окне 1 в следующем кадре.
Для передачи сообщений по радиоканалу используется спектрально-эффективная n/4 DQPSK модуляция, реализуемая квадратурной схемой с прямым переносом на несущую частоту.
В целом, потенциальные характеристики стандарта IS-54 уступают характеристикам стандарта GSM. Для примера, на рис. 11 показаны графики зависимостей вероятности ошибки от отношения сигнал/помеха (C/I) в сетях стандартов GSM и D-AMPS (ADC) с учетом замираний сигнала при скорости перемещения подвижной станции 55 миль в час. Стандарт GSM обладает также преимуществами по отношению к стандарту IS-54 в части обеспечения безопасности связи функциональных возможностей. Кроме того, распространение GSM в глобальном масштабе (Европа, Азия, Африка, Австралия) позволяет абонентам этих сетей путешествовать по всему миру своим радиотелефоном в рамках автоматического международного роуминга. Стандарт D-AMPS принят в Европе и России, где он ориентирован на региональное использование.
















