135821 (722660), страница 3
Текст из файла (страница 3)
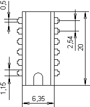
DIP14
Пластик
| Тип микросхемы | К555ЛН2 |
| Фирма производитель | СНГ |
| Функциональные особенности | 6 инверторов с открытым коллекторным выходом |
| Uпит | 5В ± 5% |
| Uпит (низкого ур-ня) | ≤ 0,5В |
| Uпит (высокого ур-ня) | ≥ 2,7В |
| Iпотреб (низкий ур-нь Uвых) | ≤ 6,6мА |
| Iпотреб (высокий ур-нь Uвых) | ≤ 2,4мА |
| Iвых (низкого ур-ня) | ≤ |-0.36|мА |
| Iвых (высокого ур-ня) | ≤ 0,02мА |
| P | 23,63мВт |
| Tзадержки | ≤ 32нСек |
| Kразвёртки | 20 |
| Корпус | DIP14 |
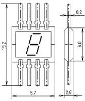
ИНДИКАТОР ЦИФРОВОЙ
АЛС320Б
| Название | АЛС320Б |
| Цвет свечения | зеленый |
| Н, мм | 5 |
| М | 1 |
| Lmin, нм | 555 |
| Lmax, нм | 565 |
| Iv, мДж | 0.15 |
| при Iпр, мА | 10 |
| Uпр max(Uпр max имп), В | 3 |
| Uобр max(Uобр max имп), В | 5 |
| Iпр max(Iпр max имп), мА | 12 |
| Iпр и max, мА | 60 |
| при tи, мс | 1 |
| при Q | 12 |
| Т,°С | -60…+70 |
2. Расчетная часть
2.1. Расчет быстродействия и потребляемой мощности устройства
-
Расчет номиналов резисторов
Из расчетов видно, что сопротивление равно 758 Ом, а его наминал,
равен 1 кОм. Сопротивление индикатора равно 167 Ом, а его
наминал, равен 250 Ом.
-
Расчет быстродействия
Таким образом, из расчета, время задержки составляет 127 нс.
-
Расчет мощности
Таким образом, из расчета я получил потребляемую мощность
равную 402,88 мВт
2.2. Расчет вероятности безотказной работы устройства и
среднего времени наработки на отказ.
| Наименее | Обозначение | Кол-во | о 10-6 | Режим работы | Усл. раб. | Коэф. | i =aко 10-6 |
10-6 | |||||
| Кн | tс | ||||||||||||
| Резисторы | R1 | 1 | 1 | 1 | 50 | 1,6 | 2,7 | 4,32 | 4,32 | ||||
| R2-8 | 7 | 0,4 | 1,728 | 12,096 | |||||||||
| ИМС | DD1-DD10 | 10 | 0,1 | 1 | 50 | 1 | 2,7 | 0,27 | 2,7 | ||||
| ИМС (К555ЛН2) | DD11-DD12 | 2 | 0,08 | 1 | 50 | 1 | 2,7 | 0,216 | 0,432 | ||||
| Индикатор | VD | 7 | 5 | 1 | 50 | 1,6 | 2,7 | 21,6 | 151,2 | ||||
-
Прикидочный расчет
-
Ориентировочный расчет
-
Окончательный расчет
Графическая часть проекта.
Заключение.
В курсовом проекте я разработал электрическую принципиальную схему управления семисегментного индикатора.
Изначально, по заданию, составив таблицы истинности и минимизировав логическую функцию, получили те сигналы, которые поступят непосредственно на индикатор (пройдя предварительную инверсию). Преобразовав полученные формулы и выделив повторяющиеся блоки, оптимизировал работу схемы. В ней используются микросхемы серии К555, т.к. они являются более новыми, чем серия К155, а также рассчитывались номинал резисторов, быстродействие, потребляемая мощность и вероятность безотказной работы устройства.
Значение прикидочного расчета больше, так как при его расчете было взято максимальное значение коэффициента интенсивности отказов, а в ориентировочном расчете для каждого элемента свое. Из-за этой разницы в ориентировочном расчете увеличилось P(t) и Tср.
Список литературы.
1. «Справочник по интегральным микросхемам» Тарабин; Москва 1981г.
2. «Цифровые интегральные микросхемы» Богданович М.И., Грель И.Н., Похоренко В.А., Шалимо В.В.; Минск, Беларусь 1991г.
3. Конспект по предмету «Конструирование ЭВМ» преподаватель – Пушницкая И.В.
4. Конспект по предмету «Типовые элементы и устройства цифровой техники» преподаватель – Золотарев И.В., Тихонов Б.Н.
5. методическая указания к выполнению курсового проекта по предмету «Электронные цифровые вычислительные машины и микропроцессоры» Пушницкая И.В., Чечурина А.В.
Ленинград 1990г.
6. Методические рекомендации по оформлению курсовых и дипломных проектов Лагутина Н.И.; Ленинград 1987г.
7. «Справочник по полупроводниковых электронных приборов» Иванов В.И.
8. «Справочник интегральных микросхем» Нефедов
9. «Импульсные и цифровые устройства» Браммер Ю.А., Пащук И.Н.
















