135809 (722650), страница 4
Текст из файла (страница 4)
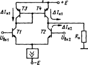
Рис. 13
Напомним, что для реальных условий ИСТ представляет собой эквивалент сопротивления для изменяющегося сигнала (в нашем случае синфазного) большого номинала — до единиц мегаом. Кроме того, в режиме покоя ИСТ представляет собой относительно небольшое сопротивление (порядка единиц килоом), из-за чего и все устройство будет потреблять от источников питания относительно небольшую мощность. Таким образом, использование ИСТ в ДУ позволяет реализовать усилитель в виде экономичной монолитной ИС, имеющей большой КООС. Современные ДУ могут быть выполнены по различным схемам, но в них всегда используется ИСТ. Для таких ДУ значения КООС обычно лежат в пределах 60...100дБ.
-
РАЗНОВИДНОСТИ ДИФФЕРЕНЦИАЛЬНЫХ УСИЛИТЕЛЕЙ
В большинстве практических случаев ДУ используется как входной каскад многокаскадных усилительных ИС. Поэтому при разработке ДУ стремятся реализовать в нем значительное входное сопротивление для дифференциального сигнала. Одной из разновидностей таких устройств является ДУ на составных транзисторах, принципиальная схема которого приведена на рис. 14. Здесь ИСТ изображен символически.
Отметим, что составной транзистор позволяет получить большой коэффициент усиления по току. При равенстве параметров транзисторов в плече ДУ его Rвхпл может быть рассчитано по формуле Rвх = β2Rэ, где вместо R, следует подставить сопротивление эмиттерного перехода rэ, транзистора ТЗ (или Т4). Для получения больших Rвхпл целесообразно использовать ДУ в режиме малых токов (в микрорежиме), что будет приводить к возрастанию rэ. Кроме того, желательно применять транзисторы с высокими значениями β. Для ДУ с большими входными сопротивлениями в качестве транзисторов Т1 и Т2 целесообразно использовать супербета транзисторы. Например, супербета транзисторы используются во входном каскаде операционного усилителя серии 140УД6.
Другой разновидностью ДУ с повышенным входным сопротивлением является усилитель на полевых транзисторах. На рис. 15 приведена принципиальная схема одного из вариантов ДУ на МДП-транзисторах. Здесь использованы МДП-транзисторы с и-каналом, который может быть и встроенным, и индуцированным. Подложки МДП-транзисторов могут быть соединены со своими истоками или с общей шиной.
Рис. 15
В рассматриваемом ДУ МДП-транзисторы Т1 и Т2 выполняют свои основные усилительные функции активных элементов, а ТЗ и Т4 — функции резисторов. Такой ДУ иногда называют усилителем с динамической нагрузкой.
Рис. 16
Коэффициент усиления по напряжению для дифференциального сигнала определяется отношением ширин каналов МДП-транзисторов рис. 16 Т1 и ТЗ (или Т2 и Т4). Технологически это отношение сделать большим очень трудно, поэтому в реальных структурах Ки диф обычно не превышает 10. И КООС у таких ДУ тоже меньше, чем у ДУ на биполярных транзисторах. Однако входные сопротивления велики как для дифференциального, так и для синфазного сигналов (более 1010 Ом). В ДУ на МДП-транзисторах обычно Rвх пл определяется утечками структуры. Для получения ДУ с очень большими входными сопротивлениями и с хорошими другими параметрами целесообразно использовать усилитель рис. 14, в котором транзисторы Т1 и Т2 являются МДП-транзисторами.
В ИС широкое распространение получили замены резисторов транзисторами, которые, являются наиболее предпочтительными элементами для ИС. Пример такой замены приведен с помощью рис. 15. Однако не только МДП - транзисторы, но и биполярные широко используются в усилительных ИС (в частности, в ДУ) вместо резисторов RK, т. е. выполняют в усилителях функцию динамических нагрузок.
На рис. 16 приведена принципиальная схема одного из вариантов ДУ с динамической нагрузкой. Этот ДУ выполнен на комплементарных транзисторах: п-р-п транзисторах Т1, Т2 и р-п-р транзисторах ТЗ и Т4. Транзисторы Т1 и Т2 выполняют свои обычные функции усилительных элементов, а транзисторы ТЗ и Т4 — нагрузочных элементов, т. е. резисторов. Транзистор ТЗ включен по схеме диода. Предположим, что на базу у транзистора Т1 приложена в рассматриваемый момент положительная полуволна Uвх1. В результате в цепи транзистора ТЗ возникает приращение тока ∆Iк1 протекающего в направлении, указанном стрелкой на рис. 16. За счет этого тока возникает приращение напряжения между базой и эмиттером ТЗ, которое является приращением входного напряжения для транзистора Т4. Таким образом в цепи эмиттер—коллектор Т4 возникает приращение тока, практически равное ∆Iк1, поскольку в ДУ плечи симметричны. Структуру, основой которой являются транзисторы ТЗ и Т4, принято называть отражателем тока, или токовым зеркалом. Отражатели тока находят широкое применение в современных ИС непрерывного действия.
Итак, в рассматриваемый момент на базу транзистора Т2 приложена отрицательная полуволна Uвх2. Следовательно, в цепи его коллектора появилось отрицательное приращение тока ∆Iк2 протекающего в направлении, указанном стрелкой на рис. 16. При этом приращение тока нагрузки для ДУ равно ∆Iк1 + ∆Iк2, т. е. ДУ с отражателем тока обеспечивает большее усиление дифференциального сигнала. В данном случае Кидиф = βRн/(Rг + Rвх). Необходимо также отметить, что для рассматриваемого варианта ДУ в режиме покоя ток нагрузки равен нулю.
В многокаскадных УПТ RН является входным сопротивлением последующего каскада, величина которого, как было показано выше, может быть очень большой. Таким образом, ДУ с отражателем тока является усилителем с большим Ки диф и, естественно, обладает всеми преимуществами дифференциальных усилителей.
-
ТОЧНОСТНЫЕ ПАРАМЕТРЫ
Для ряда практических применений ДУ предъявляются довольно жесткие требования к величинам точностных параметров. К точностным параметрам относятся паразитные напряжения и токи, имеющие место в режиме покоя, но оказывающие влияние на качество усиления рабочего сигнала. Сразу подчеркнем, что точностные параметры либо обусловлены, либо проявляются через асимметрию плеч ДУ. В идеальном ДУ (с идентичными плечами) погрешности, проявляемые через точностные параметры, отсутствуют. В реальном ДУ за счет асимметрии плеч на выходе устройства всегда присутствует разбаланс коллекторных потенциалов транзисторов Т1 и Т2, т. е. присутствует паразитное напряжение между выходами ДУ. Для сведения к нулю этого паразитного напряжения на вход (плеча) ДУ необходимо подать компенсирующий сигнал. Напряжение этого сигнала называется напряжением смещения нуля Uсм. Оно представляет собой кажущийся входной дифференциальный сигнал.
Напряжение Uсм представляет собой функцию нескольких параметров, вернее разброса параметров элементов схемы. Так, часть напряжения смещения нуля U’см порождается разбросом величин обратных токов эмиттерных переходов транзисторов Iэбо1 и Iэбо2 , а другая часть U”см —разбросом номиналов резисторов Rк1 и Rк1. Для этих напряжений можно записать:
Отметим, что и разброс других параметров элементов схемы может некоторым образом повлиять на общую величину Uсм, но, как правило, это влияние менее существенно. Следует иметь в виду, что Uсм зависит от температуры. Эта зависимость обычно представляется самостоятельным точностным параметром — температурной чувствительностью. Температурная чувствительность d Uсм/dT обычно имеет размерность мкВ/град. Для основной части напряжения смещения, возникающей за счет разбаланса токов эмиттеров, температурную чувствительность можно представить как разность ТКН эмиттерных переходов транзисторов Т1 и Т2. Отметим, что обычно температурная чувствительность уменьшается пропорционально уменьшению величины Uсм. Еще одним точностным параметром ДУ является ток смещения ∆Iвх, представляющий собой разбаланс (разность) входных токов (токов баз транзисторов). В реальном ДУ ∆Iвх можно представить через значения токов эмиттеров Iэ01, Iэ02 коэффициентов усиления транзисторов по току В1 и B2. в следующем виде:
Наиболее неблагоприятный случай будет иметь место, когда Iэ01 > Iэ02 и В1 <B2. Из (11) следует, что ток смещения уменьшается при снижении рабочих токов ДУ и увеличении коэффициентов В.
Протекая через сопротивление источника сигнала, ток смещения создает на нем падение напряжения ∆IвхRr, действие которого равносильно ложному дифференциальному сигналу. Поэтому естественным представляются усилия, направленные на снижение ∆Iвх в ДУ.
Средний входной ток Iвхср также является точностным параметром ДУ. Его можно представить как
"Из (12) слeдyет, что для уменьшения Iвхср и ∆Iвх следует принимать одни и те же меры. Отметим, что средний входной ток значительно больше тока смещения.
Протекая через Rr средний входной ток создает на нем падение напряжения, действующее как синфазный входной сигнал. Хотя и ослабленное в Кисф, раз это напряжение все же вызовет на выходе ДУ разбаланс потенциалов.
Оба точностных тока представляются и через свои температурные чувствительности. Из (11) и (12) видно, что влияние температуры, прежде всего, проявляется через изменение коэффициентов усиления В. Обычно уменьшение температурных зависимостей для Iвхср и ∆Iвх достигают за счет снижения самих точностных токов.
Поскольку в ДУ на МДП-транзисторах велико входное сопротивление, то входные токи оказываются пренебрежимо малы. Таким образом, ни сами токовые точностные параметры, ни их температурный дрейф не являются ограничивающими факторами для таких ДУ. Однако Uсм в ДУ на МДП- транзисторах имеет большую величину, чем в ДУ на биполярных транзисторах. Поэтому ошибки в работе ДУ на МДП-транзисторах в основном определяются величиной напряжения смещения нуля.
В настоящее время ДУ представляет собой основной базовый каскад ИС непрерывного действия. На основе ДУ создают самые разнообразные усилительные и генераторные устройства. В частности, ДУ является входным каскадом любого операционного усилителя.
-
Литература
-
Титце У., Шенк К. Полупроводниковая схемотехника. – М.: Мир, 1982.
-
Степаненко И. П. Основы микроэлектроники. – М.: Сов.радио, 1980.
-
Игумнов Д. В., Костюнина Г. П. Полупроводниковые устройства непрерывного действия. – М.: Радио и связь, 1986.
-
Забродин Ю. С. Промышленная электроника. – М.: Высшая школа, 1982.
-
Зи С. М. Физика полупроводниковых приборов. – М.: Мир, 1984.
-
Миклашевский С. П. Промышленная электроника. – М.: Недра, 1973.
-
Алексеев О. Вю., Китаев В. Е., Шихин А. Я. Электротехнические устройства. – М.: Энергоиздат, 1981.
27
27
ис.14















