135790 (722631)
Текст из файла
ЛАБОРАТОРНАЯ РАБОТА №З
ИССЛЕДОВАНИЕ РЕВЕРСИВНОГО СЧЕТЧИКА
ОГЛАВЛЕНИЕ
| 1. Цель работы | |
| 2. Основные теоретические положения | |
| 3. Описание обьекта и средств исследования | |
| 4. Методические рекомендации к выполнению работы | |
| 5. Содержание отчета | |
| 6. Контрольные вопросы | |
| 7. Список использованной литературы | |
1. ЦЕЛЬ РАБОТЫ
Целью работы является:
- теоретическое изучение принципа работы счетчиков и регистров;
- экспериментальное исследование счетчика-регистра на интегральных микросхемах.
2. ОСНОВНЫЕ ТЕОРЕТИЧЕСКИЕ ПОЛОЖЕНИЯ
Регистры и счетчики относятся к разряду цифровых устройств и являются одним из наиболее распространенных элементов вычислительной техники. Они широко используются для построения устройств ввода, вывода и хранения информации, а также для выполнения некоторых арифметических и логических операций.
Для построения счетчиков и регистров используются синхронные триггеры, переключение которых происходит только при наличии синхронизирующего сигнала ( синхроимпульса ) на входе С. Наиболее часто для построения регистров и счетчиков используется универсальный Д - триггер, имеющий специальный информационный вход Д, и динамический вход С ( рис.1 ).
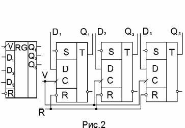
2.1. Устройство, называемое регистром, служит в основном для хранения чисел в двоичном коде при выполнении над ними различных арифметических и логических операций. С помощью регистров выполняютоя такие действия над числами, как передача их из одного устройства в другое, арифметический и логический сдвиг в сторону младших или старших разрядов, преобразование кода из последовательного в параллельный и наоборот и т.д. Функциональная схема и условно - графическое обозначение регистра параллельного типа, собранного на универсальных Д-триггерах, приведена на рис.2 .
По сигналу на входе С информация, поступившая на входы DОDЗ, записывается в регистр и хранится в нем до тех пор, пока не произойдет запись другой информации, либо не поступит сигнал на вход R, обнуляющий регистр.
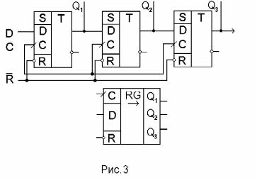
Функциональная схема и условно-графическое обозначение регистра сдвига представлены на рис.З.
Последовательный информационный код поступит на вход D регистра. Импульс команды сдвига С подается одновременно на синхронизирующие входы всех триггеров регистра и переводит каждый триггер в состояние, в котором находился триггер предыдущего разряда. Таким образом, каждый импульс команды сдвига "продвигает" записываемое число на один разряд вправо.
2.2. Устройство, называемое счетчиком, предназначено для подсчета числа поступающих на вход сигналов ( импульсов ) в произвольной системе счисления. Двоичные счетчики строятся на основе триггеров, работающих в счетном режиме ( Т - триггер или счетный триггер).
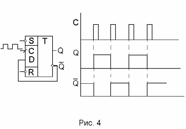
Счетный триггер может быть получен из универсального D - триггера путем соединения его инверсного выхода 0 со входом D.
Счетный триггер и эпюры сигналов, поясняющие его работу, представлены на рис.4.
У счетного триггера состояние выхода изменяется на противоположное при поступлении на вход С каждого очередного счетного импульса.
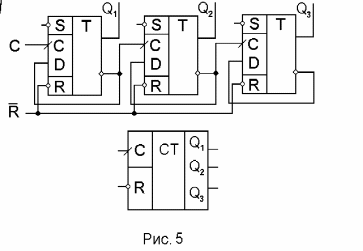
Функциональная схема и условнографическое обозначение двоичного счетчика с коэффициентом пересчета 23 представлена на рис.5.
Каждый поступающий на вход счетчика импульс перебрасывает первый триггер в противоположное состояние (рис.6). Сигнал с инверсного выхода предыдущего триггера является входным сигналом для последующего и, таким образом, комбинация сигналов на выходах Q1, Q2, Q3 будет соответствовать числу поступивших на вход счетчика импульсов, представленному в двоичном коде. Счетчик данного типа называется асинхронным счетчиком.
Если на счетный вход каждого последующего триггера счетчика подавать сигнал с прямого выхода предыдущего триггера, то счетчик будет производить операцию вычитания. Счетчики, способные выполнять функции сложения и вычитания, называются реверсивными.
Для построения счетчика с требуемым коэффициентом пересчета М, отличным от величины 2N (N - число двоичных разрядов счетчика), используется принудительный сброс счетчика в исходное состояние при достижении счетчиком числа М. Пример такого счетчика с М=9 (М=10012) представлен на рис.7.
3. ОПИСАНИЕ ОБЪЕКТА И СРЕДСТВ ИССЛЕДОВАНИЯ
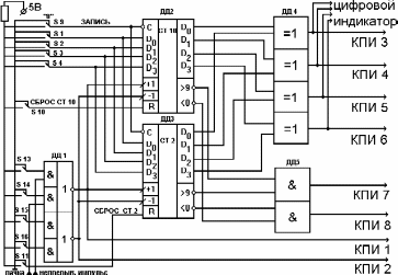
3.1. Функциональная схема исследуемого устройства представлена на рис.8 . Устройство включает двоично - десятичный счетчик ДД2, двоичный счетчик ДДЗ, коммутатор входных сигналов ДД1 и логические элементы ДД4 и ДД5, выполняющие функции элементов объединения.
Для подачи информационных и управляющих сигналов используется специальное устройство, управляемое наборными кнопками с фиксацией SА1SА16. Нажатому состоянию соответствует сигнал логической "1", отжатому состоянию - сигнал логического "0". Кнопки SА1SА16 расположены в левой части лабораторного стенда под надписью "Программатор кодов".
3.2. Функцию двоичного счетчика выполняет микросхема К155ИЕ7. Данная микросхема представляет собой реверсивный четырехразрядный счетчик - регистр, в котором кроме двух счетных входов ( суммирующего "+1" и вычитающего "-1" ) и входа сброса Р имеется четыре информационных входа DОDЗ и вход С , разрешающий запись информации в счетчик. Кроме того, для наращивания разрядности счета в микросхеме предусмотрены выходы "15" и " < 0", на которых при достижении счетчиком указанных чисел появляются сигналы логического "0". Выход "15" в этом случае следует соединять с входом "+1", выход "< 0" - с входом "-1" аналогичной микросхемы.
3.3. Функцию двоично-десятичного счетчика ДД2 выполняет микросхема К155ИЕ6. У заданной микросхемы коэффициент пересчета М=10 и сигнал переноса в старшие разряды на выходе “9” вырабатывается при превышении счетчиком числа 9.
Рис.8
3.4. При исследовании одного из счетчиков, другой должен находиться в исходном состоянии, что достигается подачей на вход R данного счетчика уровня логической "1" с помощью кнопок SА10 или SA11.
3.5. Запись информации в счетчики производится в параллельном коде путем подачи на входы ДОДЗ логических сигналов "0" и "1" с помощь кнопок SА1SА4 и подачи сигнала логического "0" на вход С с помощью кнопки SА9 (для этого кнопку SА9 надо отжать и снова нажать ).
З.6. Счетные импульсы должны поступать на исследуемую схему с клеммы "непр.имп," ( " ~|_|~|_|~ “ ) в виде непрерывной импульсной последовательности и с клеммы "пачка имп." ( "_|~|_|~|_" ) в виде пачки импульсов с числом импульсов в пачке от 1 до 15. Управление режимом работы входов "+1" и "-1" счетчиков производится о помощью кнопок SA13SА16, которые обеспечивают выполнение следующих функций:
SА13 ("непр,+") - разрешение прохождения непрерывной импульсной последовательности на входы "+1" счетчиков;
SА14 ("пачка +") - разрешение прохождения пачки импульсов на входы "+1" счетчиков;
SА15 (“непр.-") - разрешение прохождения непрерывной последовательности импульсов на входы "-1" счетчиков;
SА16 ("пачка -") - разрешение прохождения пачки импульсов на входы
"- 1" счетчиков,
Примечание. Не допускается одновременное нажатие двух и более кнопок SА13S А16.
3.7. Для задания числа импульсов в пачке и посылки необходимой пачки в исследуемый узел используются четыре кнопки с фиксацией "20" "23 " и две кнопки без фиксации "Пуск" и “Устан.О", расположенные на панели лабораторного стенда под надписью "Программатор СИ".
При этом должна соблюдаться следующая последовательность операций:
3.7.1. Набрать заданное число импульсов в пачке в двоичном коде с помощью кнопок “20” "23". Нажатой кнопке соответствует логическая "1" (при этом загорается соответствующий индикатор).
3.7.2. Нажать кнопку "устан.О".
3.1.3. В режиме наблюдения одновременно двух сигналов на экране мультиметра величина и взаимное расположение этих сигналов регулируется ручками "~ " и ““ соответственно в поле надписи "Коммутатор" отдельно для каждого канала ( "Вх1" для КПИ 10 и "Вх2" для КПИ 9 ).
3.2. Исследование элемента ДД3 в статическом и динамическом режиме.
3.2.1. Логические сигналы "0" и "1" на входе триггеров задаются с помощью кнопок с фиксацией SА1SА6, расположенных на передней панели блока К32 под надписью "Программатор кодов". Отжатое состояние кнопки соответствует заданию логического "0", а нажатое - заданию логической "1". Нажатое состояние кнопки сопровождается загоранием соответствующего светодиода зеленого цвета, расположенного вблизи данной кнопки "Программатора кодов".
3.2.2. Для подачи положительного импульса ( "_|~|_" ) на вход С триггера необходимо кратковременно перевести соответствующую кнопку из отжатого состояния в нажатое и обратно.
3.2.3. Для индикации логических сигналов на выходе триггера, работающего в статическом режиме ( верхняя часть элемента ДДЗ ), служит левое цифровое табло блока К32. При этом кнопка " IO |_2 ", расположенная непосредственно под табло, должна находиться в нажатом состоянии.
3.2.4 . Нижняя часть элемента ДДЗ представляет собой триггер, работающий в счетном режиме. На его счетный вход С поступает непрерывная последовательность импульсов. Одновременно такая же последовательность импульсов поступает в КПИ1. Выходные сигналы триггера ( прямой и инверсный ) поступают в КП2 и КПИЗ соответственно.
3.2.5. Лабораторный стенд позволяет наблюдать на экране мультиметра одновременно два сигнала с любых двух КПИ из восьми ( двухканальный режим наблюдения ). Выбор двух определенных КПИ производится следующим образом:
3.2.5.1. Нажать кнопку " ВСВ |_ ВНК " под надписью "КВУ", при этом у левых индикаторов обоих цифровых табло начинает светиться знак запятой.
3.2.5.2. При отжатой кнопке"Вх1 |_ Вх2" набрать с помощью кнопок " 20 23 " программатора "СИ " двоичный код первого выбранного КПИ и нажать кнопку "Пуск". При этом на левом табло у знака запятой появится номер выбранного КПИ.
3.2.5.3. При нажатой кнопке "Вх1 |_ Вх2" повторить указанную процедуру для второго выбранного КПИ. Номер этого КПИ появится у знака запятой правого табло.
3.2.5.4. Нажать кнопку "Коммутатор" под надписью "Контроль V~"'. Теперь два выбранных КПИ через каналы коммутатора лабораторного стенда соединены с осциллографом мультиметра. Регулировка величины и расположения сигналов на экране осуществляется раздельно ручками " ~ " и " " под надписью "Коммутатор". Слева расположены ручки регулировки первого канала коммутатора, справа - второго канала коммутатора.
3.2.5.5. Для выхода из режима наблюдения сигналов на экране мультиметра перевести кнопку "ВСВ |_ БНК" под надписью "КВУ" в отжатое состояние.
3.3. Исследование элементов ДД4 (статический режим) и ДД5 (счетный режим ).
3.3.1. Логические сигналы "0" и "1" на S, R, J и К - входы универсальных триггеров подаются с помощью кнопок SА7SА12 ( аналогично рассмотренному в п.п.2.1. ).
3.3.2. Сигнал на вход С триггера поступает от встроенного генератора импульсов лабораторного стенда, который вырабатывает серию импульсов положительной полярности. Число импульсов может изменяться от 1 до 15 и устанавливается с помощью кнопок с фиксацией " 20 23 ", расположенных под надписью "Программатор СИ". Кнопки без фиксации "Пуск" и "Устан.О" служат для задания режима работы генератора. При этом должна соблюдаться следующая последовательность действий:
Характеристики
Тип файла документ
Документы такого типа открываются такими программами, как Microsoft Office Word на компьютерах Windows, Apple Pages на компьютерах Mac, Open Office - бесплатная альтернатива на различных платформах, в том числе Linux. Наиболее простым и современным решением будут Google документы, так как открываются онлайн без скачивания прямо в браузере на любой платформе. Существуют российские качественные аналоги, например от Яндекса.
Будьте внимательны на мобильных устройствах, так как там используются упрощённый функционал даже в официальном приложении от Microsoft, поэтому для просмотра скачивайте PDF-версию. А если нужно редактировать файл, то используйте оригинальный файл.
Файлы такого типа обычно разбиты на страницы, а текст может быть форматированным (жирный, курсив, выбор шрифта, таблицы и т.п.), а также в него можно добавлять изображения. Формат идеально подходит для рефератов, докладов и РПЗ курсовых проектов, которые необходимо распечатать. Кстати перед печатью также сохраняйте файл в PDF, так как принтер может начудить со шрифтами.















