135752 (722593)
Текст из файла
Министерство транспорта Российской Федерации
Федеральное Государственное Образовательное Учреждение
Государственная Морская Академия имени адмирала С.О. Макарова
Кафедра ТОЭ
Курсовая работа №6
“ Расчет переходных процессов в линейных цепях с сосредоточенными параметрами”.
Вариант № 21
Выполнил: к-т гр. Э-232
Попаденко Н.С.
Проверил: доцент, к.т.н
Попов Ю.В.
Санкт-Петербург
2005
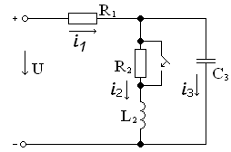
Задана электрическая цепь, изображенная на рисунке 1:
Требуется:
1) Определить выражения для всех токов в цепи в переходном режиме, решив задачу классическим и операторным методами.
2) Определить выражения для напряжений на емкости и индуктивности, решив задачу классическим и операторным методами.
3) Построить кривые напряжения токов во всех ветвях и напряжений на емкости и индуктивности в функции времени.
Заданные параметры цепи:
| | | |
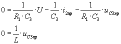
1) Для t≥0 получим систему уравнений метода переменных состояния. Используя законы Кирхгофа, составим систему уравнений:
|
| |
В качестве переменных состояния рассмотрим
и
, подставим уравнения (2,3,4) в систему (1), сведя ее к системе из двух уравнений:
|
| Приведем систему уравнений (5) к нормальной форме.
|
(6)
2)
При
определим принужденные составляющие. Учтем, что в установившемся режиме
(В/с);
(А/с).
Т
огда система (6) примет вид:
|
| (В) | | ||
| (А); | ||||
3)
Корни характеристического уравнения можно найти из выражения входного комплексного сопротивления схемы переменному синусоидальному току, т.е для t≥0
;
заменяем на р и выражение приравниваем к нулю:
(1/с);
(рад/с).
4)
С помощью законов коммутации находим начальные условия переходного процесса:
(А);
(В).
Подставляя эти значения в систему (6) при t=0, получаем:
(В/с)
(А/с)
5)
О
пределим постоянные интегрирования, для этого составим систему уравнений. Первое уравнение системы – это уравнение искомой величины. Оно записывается в виде суммы принужденной и свободной составляющих. Принужденная составляющая найдена выше. Свободная составляющая записывается в соответствии с видом корней характеристического уравнения. При двух комплексных сопряженных корнях свободная составляющая представляет собой затухающую синусоиду, которая содержит две постоянных интегрирования А и
. Для их определения необходимо второе уравнение. Его получают дифференцированием первого:
При t=0 система сведется к виду:
Решение системы дает:
; А= 37,79 (В);
Искомое решение для напряжения на емкости принимает вид:
(В).
Аналогичным образом находим решение для тока второй ветви:
При t=0:
0.075= 0.0857+
50=
Искомое выражение для тока второй ветви:
(А);
Определение
:
Согласно уравнению (3)
,
(В);
Из системы (1):
II. Операторный метод расчета
1) Составляется операторная схема замещения исходной электрической цепи (Рис.1) для времени
. При этом все известные и неизвестные функции заменяются изображениями. Для нахождения параметров дополнительных источников операторной схемы замещения с помощью законов коммутации определяются независимые начальные условия (НУ):
(А);
(В).
2) Находится изображение искомого тока. Операторная схема замещения содержит 3 источника в разных ветвях: основной и два дополнительных. Поэтому для нахождения изображения тока второй ветви воспользуемся законами Кирхгофа в операторной форме:
(7)
Подставим выражения для начальных условий в систему (7). Первое уравнение системы подставим во второе, выразим ток
и подставим его в третье уравнение системы, в результате получили одно уравнение с одним неизвестным
.
3) По найденному изображению определяется оригинал. Для нахождения корней приравнивается к нулю выражение
:
;
;
;
(1/с);
(рад/с).
;
;
; где
;
(А).
Искомое выражение для тока
:
(А).
4) Аналогично найдем ток в первой
из системы уравнений (7).
Подставим выражения для начальных условий в систему (7). Найденное выражение для тока
в пункте (3) подставим во второе уравнение системы (7):
;
;
;
;
(1/с);
(рад/с).
;
; где
;
;
Искомое выражение для тока
:
5) Найдем напряжения
:
;
;
;
;
(1/с);
(рад/с).
;
; где
;
Искомое выражение:
(В);
6)
Найдем ток третьей ветви
:
;
;
;
;
(1/с);
(рад/с).
;
; где
Искомое выражение для тока:
;
В методе переменных состояния было получено выражение для тока:
Покажем, что это одно и тоже значение:
7) В случае колебательного процесса рассчитать логарифмический декремент затухания.
(А).
Характеристики
Тип файла документ
Документы такого типа открываются такими программами, как Microsoft Office Word на компьютерах Windows, Apple Pages на компьютерах Mac, Open Office - бесплатная альтернатива на различных платформах, в том числе Linux. Наиболее простым и современным решением будут Google документы, так как открываются онлайн без скачивания прямо в браузере на любой платформе. Существуют российские качественные аналоги, например от Яндекса.
Будьте внимательны на мобильных устройствах, так как там используются упрощённый функционал даже в официальном приложении от Microsoft, поэтому для просмотра скачивайте PDF-версию. А если нужно редактировать файл, то используйте оригинальный файл.
Файлы такого типа обычно разбиты на страницы, а текст может быть форматированным (жирный, курсив, выбор шрифта, таблицы и т.п.), а также в него можно добавлять изображения. Формат идеально подходит для рефератов, докладов и РПЗ курсовых проектов, которые необходимо распечатать. Кстати перед печатью также сохраняйте файл в PDF, так как принтер может начудить со шрифтами.
(1)
(5)















