CBRR5431 (722570)
Текст из файла
УПИ – УГТУ
Кафедра радиоприёмные устройства.
Контрольная работа № 2
по дисциплине: “ Элементная база радиоэлектронной аппаратуры “.
Вариант № 17
Шифр:
Ф.И.О
Заочный факультет
Радиотехника
Курс: 3
Работу не высылать.
УПИ – УГТУ
Кафедра радиоприёмные устройства.
Контрольная работа № 2
по дисциплине: “ Элементная база радиоэлектронной аппаратуры “.
Вариант № 17
Шифр:
Ф.И.О
Заочный факультет
Радиотехника
Курс: 3
Работу не высылать.
Аннотация.
Целью работы является активизация самостоятельной учебной работы, развитие умений выполнять информационный поиск, пользоваться справочной литературой, определять параметры и характеристики, эквивалентные схемы полупроводниковых приборов.
Исходные данные:
Тип транзистора ………………………………………………………………… ГТ310Б
Величина напряжения питания Еп ……………………………………………... 5 В
Сопротивление коллекторной нагрузки Rк …………………………………… 1,6 кОм
Сопротивление нагрузки Rн ……………………………………………………. 1,8 кОм
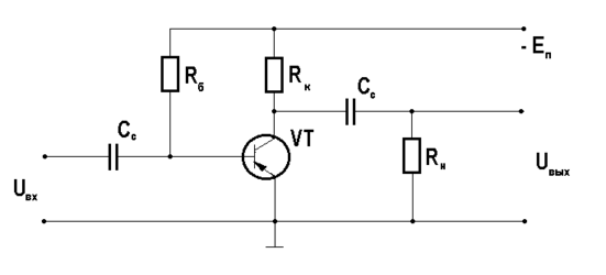
Схема включения транзистора с общим эмиттером, с фиксированным током базы, с резистивно- ёмкостной связью с нагрузкой.
Биполярный транзистор ГТ310Б.
Краткая словесная характеристика:
Транзисторы германиевые диффузионно- сплавные p-n-p усилительные с нормированным коэффициентом шума высокочастотные маломощные.
Предназначены для работы в усилителях высокой частоты. Выпускаются в металлостеклянном корпусе с гибкими выводами. Обозначение типа приводится на этикетке.
Масса транзистора не более 0,1 г..
Электрические параметры.
Коэффициент шума при ƒ = 1,6 МГц, Uкб= 5 В, IЭ= 1 мА не более ……………. 3 дБ
Коэффициент передачи тока в режиме малого сигнала
при Uкб= 5 В, IЭ= 1 мА, ƒ = 50 – 1000 Гц ……………………………….. 60 – 180
Модуль коэффициента передачи тока H21э
при Uкб= 5 В, IЭ= 5 мА, ƒ = 20 МГц не менее …………………………... 8
Постоянная времени цепи обратной связи
при Uкб= 5 В, IЭ= 5 мА, ƒ = 5 МГц не более ………………………….… 300 пс
Входное сопротивление в схеме с общей базой
при Uкб= 5 В, IЭ= 1 мА …………………………………………………… 38 Ом
Выходная проводимость в схеме с общей базой
при Uкб= 5 В, IЭ= 1 мА, ƒ = 50 – 1000 Гц не более …………………….. 3 мкСм
Ёмкость коллектора при Uкб= 5 В, ƒ = 5 МГц не более ………………………… 4 пФ
Предельные эксплуатационные данные.
Постоянное напряжение коллектор- эмиттер:
при Rбэ= 10 кОм ……………….………………………………………… 10 В
при Rбэ= 200 кОм ……………….……………………………………….. 6 В
Постоянное напряжение коллектор- база ………………………………………... 12 В
Постоянный ток коллектора ……………………………………………………… 10 мА
Постоянная рассеиваемая мощность коллектора при Т = 233 – 308 К ………... 20 мВт
Тепловое сопротивление переход- среда ………………………………………... 2 К/мВт
Температура перехода ……………………………………………………………. 348 К
Температура окружающей среды ………………………………………………... От 233 до
328 К
Примечание. Максимально допустимая постоянная рассеиваемая мощность коллектора, мВт, при Т = 308 – 328 К определяется по формуле:
PК.макс= ( 348 – Т )/ 2
Входные характеристики.
Для температуры Т = 293 К :
|
| ||||||||
|
| ||||||||
| 160 | ||||||||
|
| ||||||||
| 80 | ||||||||
| 40 | ||||||||
|
| 0,05 | 0,1 | 0,15 | 0,2 | 0,25 | 0,3 | 0,35 | Uбэ,В |
Выходные характеристики.
Для температуры Т = 293 К :
|
мА | |||||||
|
| |||||||
|
| |||||||
| 7 | |||||||
|
| |||||||
|
| |||||||
|
| |||||||
|
| |||||||
|
| |||||||
|
| |||||||
|
| 1 | 2 | 3 | 4 | 5 | 6 | Uкэ,В |
Нагрузочная прямая по постоянному току.
Уравнение нагрузочной прямой по постоянному току для схемы включения с общим эмиттером:
Построим нагрузочную прямую по двум точкам:
при Iк= 0, Uкэ= Еп = 9 В, и при Uкэ= 0, Iк= Еп / Rк = 9 / 1600 = 5,6 мА
|
мА | ||||||||||
|
| ||||||||||
|
| ||||||||||
|
| А | |||||||||
|
Iк0 | ||||||||||
|
| ||||||||||
| 1 | ||||||||||
|
| 1 | 2 | 3 | 4 | 5 Uкэ0 | 6 | 7 | 8 | 9 Еп | Uкэ,В |
|
| |||||||||
|
| |||||||||
| 40 | |||||||||
|
Iб0 | |||||||||
| 20 | |||||||||
| 10 | |||||||||
|
0,15 | 0,17 | 0,19 | 0,21 | 0,23 | 0,25 | 0,27 | 0,29 Uбэ0 | 0,31 | Uбэ,В |
Параметры режима покоя (рабочей точки А):
Iк0= 3 мА, Uкэ0= 4,2 В, Iб0= 30 мкА, Uбэ0= 0,28 В
Определим H–параметры в рабочей точке.
|
мА | |||||||||||
|
| |||||||||||
|
| |||||||||||
|
| ΔIк0 | ||||||||||
|
| ΔIк | ||||||||||
|
| |||||||||||
| 1 | |||||||||||
|
| 1 | 2 | 3 | 4 | 5 Uкэ0 | 6 | 7 | 8 | 9 Еп | Uкэ,В | |
ΔUкэ
|
| |||||||||
|
| |||||||||
|
| ΔIб | ||||||||
|
Iб0 | |||||||||
|
| |||||||||
| 10 | |||||||||
|
0,15 | 0,17 | 0,19 | 0,21 | 0,23 | 0,25 | 0,27 | 0,29 Uбэ0 | 0,31 | Uбэ,В |
ΔUбэ
ΔIк0= 1,1 мА, ΔIб0 = 10 мкА, ΔUбэ = 0,014 В, ΔIб = 20 мкА, ΔUкэ= 4 В, ΔIк= 0,3 мА
Определим G – параметры.
Величины G-параметров в рабочей точке определим путём пересчёта матриц:
G-параметр:
G11э= 1,4 мСм, G12э= - 0,4*10 –6
G21э= 0,15 , G22э= 4,1*10 –3 Ом
Определим величины эквивалентной схемы биполярного транзистора.
Схема Джиаколетто – физическая малосигнальная высокочастотная эквивалентная схема биполярного транзистора:
В
еличины элементов физической эквивалентной схемы транзистора и собственная постоянная времени транзистора определяются соотношениями (упрощёнными):
С
обственная постоянная времени транзистора:
Крутизна:
Определим граничные и предельные частоты транзистора.
Г
раничная частота коэффициента передачи тока:
Предельная частота коэффициента передачи тока базы в схеме с общим эммитером:
М
аксимальная частота генерации:
П
редельная частота коэффициента передачи тока эммитера в схеме с общим эммитером:
Предельная частота проводимости прямой передачи:
Определим сопротивление нагрузки транзистора и построим нагрузочную прямую.
Сопротивление нагрузки транзистора по переменному току:
Характеристики
Тип файла документ
Документы такого типа открываются такими программами, как Microsoft Office Word на компьютерах Windows, Apple Pages на компьютерах Mac, Open Office - бесплатная альтернатива на различных платформах, в том числе Linux. Наиболее простым и современным решением будут Google документы, так как открываются онлайн без скачивания прямо в браузере на любой платформе. Существуют российские качественные аналоги, например от Яндекса.
Будьте внимательны на мобильных устройствах, так как там используются упрощённый функционал даже в официальном приложении от Microsoft, поэтому для просмотра скачивайте PDF-версию. А если нужно редактировать файл, то используйте оригинальный файл.
Файлы такого типа обычно разбиты на страницы, а текст может быть форматированным (жирный, курсив, выбор шрифта, таблицы и т.п.), а также в него можно добавлять изображения. Формат идеально подходит для рефератов, докладов и РПЗ курсовых проектов, которые необходимо распечатать. Кстати перед печатью также сохраняйте файл в PDF, так как принтер может начудить со шрифтами.
Iб, мкА
200
120
0
Iк ,
9
8
6
5
4
3
2
1
0
Iк ,
6
5
4
2
0
Iб, мкА
50
30
0
Iк ,
6
5
4
3
Iб, мкА
50
40
20














