135732 (722568)
Текст из файла
Лабораторная работа № 9.
Расчёт полупроводникового выпрямителя.
Цель работы:
Научится элементарному расчету выпрямителя.
Теоретическое обоснование:
Однополупериодный выпрямитель. За счет односторонней проводимости диодов ток протекает только в положительные полупериоды напряжения U и следовательно имеет импульсную форму.
Наиболее широкое распространение получила схема мостового выпрямителя, схема состоит из 4 диодов Д1 - Д4. В положительные полупериоды напряжения U2 открыты диоды Д1 и Д3; в отрицательные полупериоды напряжения U2 открыты диоды Д2 - Д4.
Трёхфазные выпрямители применяют в устройствах большой и средней мощности.
Вторичные обмотки трёхфазного выпрямителя соединены "Звездой". К фазам А, В, С трансформатора подключены диоды Д1, Д2, Д3 катоды которых присоединяют к нулевой точке.
Между нейтральной точкой трансформатора О и О1 включена нагрузка Рн. Ток через каждый диод может проходить только тогда, когда потенциал на аноде выше потенциала на катоде. это возможно в течении одной трети периода, тогда напряжение в данной фазе, выше напряжения в двух других фазах. Так например, когда открыт диод Д1, через него нагрузку Р, течёт ток определяемый. В это время диоды Д2 и Д3 заперты.
Пример:
Для питания постоянным током потребителя мощностью Р=300 Вт при напряжении U=20 В необходимо собрать схему однополупериодного выпрямителя, использовав имеющиеся стандартные диоды типа Д 242 А.
Решение:
1. Выписываем из таблицы параметры диода: Iдоп=10 А; Uобр=100 В.
2. Определяем ток потребителя из формул Р=UI;
3. Определяем напряжение, действующее на диод в не проводящий период; U=3,14*20=63 В.
4. Проверяем диод по параметрам Iдоп и Uобр. Для данной схемы диод должен удовлетворять условием
. В данном случае второе условие не соблюдается, т.к. 10 А 63 В.
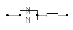
5
. Составляем схему выпрямителя. Для того чтобы выполнить условие, надо два диода соединить параллельно, тогда Iдоп=2*10=20 А; 20 > 15 А.
Характеристики
Тип файла документ
Документы такого типа открываются такими программами, как Microsoft Office Word на компьютерах Windows, Apple Pages на компьютерах Mac, Open Office - бесплатная альтернатива на различных платформах, в том числе Linux. Наиболее простым и современным решением будут Google документы, так как открываются онлайн без скачивания прямо в браузере на любой платформе. Существуют российские качественные аналоги, например от Яндекса.
Будьте внимательны на мобильных устройствах, так как там используются упрощённый функционал даже в официальном приложении от Microsoft, поэтому для просмотра скачивайте PDF-версию. А если нужно редактировать файл, то используйте оригинальный файл.
Файлы такого типа обычно разбиты на страницы, а текст может быть форматированным (жирный, курсив, выбор шрифта, таблицы и т.п.), а также в него можно добавлять изображения. Формат идеально подходит для рефератов, докладов и РПЗ курсовых проектов, которые необходимо распечатать. Кстати перед печатью также сохраняйте файл в PDF, так как принтер может начудить со шрифтами.














