12s (722556), страница 5
Текст из файла (страница 5)
7 ГОСТ 2.755 – 74 и др. ЕСКД. Обозначения условные и графические в схемах.
8 Титов А.А. Расчет широкополосных усилителей на биполярных транзисторах/ Учебное пособие ,Томск: ТУСУР, 2002.
|
| |||||||||||||
| РТФ КП 468714.001 ПЭЗ | |||||||||||||
| Усилитель широкополосный | Лит. | Масса | Масштаб | ||||||||||
| Изм | Лист | № докум. | Подп. | Дата | |||||||||
| Разраб. | Сизиков | ||||||||||||
| Проверил | Титов А.А. | ||||||||||||
| Т. контроль | Лист 47 | Листов 48 | |||||||||||
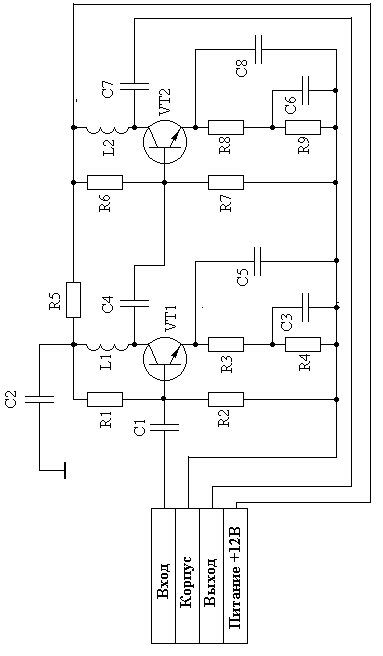
Схема электрическая принципиальная | ТУСУР, РТФ, гр. 180 | ||||||||||||
| Н. контроль | |||||||||||||
| Утв. | |||||||||||||
| Поз. Обозна-чение | Наименование | Кол. | Примечание | ||||||||||||
| Катушки индуктивности | |||||||||||||||
| L1 | Индуктивность 183.5мГн 5 | 1 | |||||||||||||
| L2 | Индуктивность 199мГн 5 | 1 | |||||||||||||
| Конденсаторы | |||||||||||||||
| С1 | КД-2-1.56нФ 5 ОЖО.460.203 ТУ | 1 | |||||||||||||
| С2 | КД-2-260.8пФ 5 ОЖО.460.203 ТУ | 1 | |||||||||||||
| С3 | КД-2-521.5пФ 5 ОЖО.460.203 ТУ | 1 | |||||||||||||
| С4 | КД-2-3.9нФ 5 ОЖО.460.203 ТУ | 1 | |||||||||||||
| С5 | КД-2-26нФ 5 ОЖО.460.203 ТУ | 1 | |||||||||||||
| С6 | КД-2-23.7пФ 5 ОЖО.460.203 ТУ | 1 | |||||||||||||
| С7 | КД-2-3.8нФ 5 ОЖО.460.203 ТУ | 1 | |||||||||||||
| С8 | КД-2-227.5нФ 5 ОЖО.460.203 ТУ | 1 | |||||||||||||
| Резисторы ГОСТ7113-77 | |||||||||||||||
| R1 | МЛТ – 0.125 – 1.19кОм 10 | 1 | |||||||||||||
| R2 | МЛТ – 0.125 –757Ом 10 | 1 | |||||||||||||
| R3 | МЛТ – 0.125 – 154Ом 10 | 1 | |||||||||||||
| R4 | МЛТ – 0.125 – 23Ом 10 | 1 | |||||||||||||
| R5 | МЛТ – 0.125 – 11Ом 10 | 1 | |||||||||||||
| R6 | МЛТ – 0.125 –189Ом 10 | 1 | |||||||||||||
| R7 | МЛТ – 0.125 – 84Ом 10 | 1 | |||||||||||||
| R8 | МЛТ – 0.125 – 17Ом 10 | 1 | |||||||||||||
| R9 | МЛТ – 0.125 –5Ом 10 | 1 | |||||||||||||
| Транзисторы | |||||||||||||||
| VT1, VT2 | КТ911А аА о.339150ТУ | 2 | |||||||||||||
| РТФ КП 468714.001 ПЗ | |||||||||||||||
| Усилитель широкополосный | Лит. | Масса | Масштаб | ||||||||||||
| Изм. | Лиcт. | № докум. | Подп. | Дата | |||||||||||
| Разработал | Сизиков | ||||||||||||||
| Проверил | Титов А.А. | ||||||||||||||
| Т. контроль | Лист 48 | Листов 48 | |||||||||||||
Перечень элементов | ТУСУР, РТФ, гр. 180 | ||||||||||||||
| Н. контроль | |||||||||||||||
| Утв. | |||||||||||||||















