sxema (722554), страница 3
Текст из файла (страница 3)
г). По формуле (2.8) рассчитаем выходную ёмкость
Коэффициент усиления транзистора находится по формуле (2.14), где 0 и rэ – из (2.13) и (2.10) соответственно:
Т.о. элементы однонаправленной модели:
Lвх=1,05 нГн
Rвх=1,5 Ом
Rвых=137,5 Ом
Свых=20 пФ
Однонаправленная модель приведена на рисунке 3.6.
2.6.3. Эмиттерная термостабилизация
Возьмём напряжение на эмиттере равным Uэ=3 В.
В соответствии с формулой (2.16), мощность, рассеиваемая на Rэ равна
По формулам (2.18)-(2.22) рассчитаем Rэ, Rб1, Rб2:
ток базового делителя: Iд=10Iб=238 мкА,
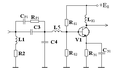
Схема каскада с эмиттерной термостабилизацией приведена на рисунке 2.7.
Аналогично, как и для предыдущего каскада найдём Lк:
2.6.4. Расчёт элементов ВЧ коррекции и коэффициента усиления
В соответствии с таблицей 9.1 [5], для нулевого подъёма и с неравномерностью АЧХ=0,5дБ:
Здесь нормируем относительно сопротивления генератора (Rг) и верхней частоты.
Нормированные значения элементов находятся по формулам(2.34)-(2.39)
По (2.32) разнормируем элементы коррекции:
Найдём коэффициент усиления входного каскада по формуле (2.40), но здесь Rвх.н – входное сопротивление входного транзистора, нормированное относительно сопротивления генератора:
2.7. Расчёт разделительных и блокировочных конденсаторов
Найдём искажения, вносимые разделительными и блокировочными конденсаторами [4]:
Искажения, вносимые каждым конденсатором:
В общем виде:
где fн – нижняя частота,R1, R2 – обвязывающие сопротивления
Рисунок 2.11 – Входной каскад с разделительными и блокировочными конденсаторами.
Рисунок 2.12 – Предоконечный каскад с разделительными и блокировочными конденсаторами.
Рисунок 2.13 –Оконечный каскад с разделительными и блокировочными конденсаторами.
Сдоп выбирается таким, что на нижней частоте её сопротивление было много меньше, чем R2, то есть:
В (2.43) подставим численные значения, и найдём Сдоп:
Найдём Rр1, Rр2, Rр3, исходя из формулы:
где S210 – коэффициент усиления соответствующего транзистора,
для выходного каскада R3=Rн, а для остальных двух – R1,2=R2 соответствующего каскада.
В соответствии с (2.44):
для входного каскада:
для оконечного:
для выходного:
По (2.42) найдём Ср1, Ср2, Ср3.
По заданным искажениям найдём блокировочные конденсаторы (в нашем случае Сэi), исходя из формулы:
где S – крутизна соответствующего транзистора,
Rэi – сопротивление эмиттера (схема термостабилизации) для соответствующего транзистора.
Подставляя численные значения в (2.45), получим:
Коэффициент усиления всего усилителя:
3. Заключение
В результате выполненной курсовой работы получена схема электрическая принципиальная усилителя-корректора. Известны топология элементов и их номиналы. Поставленная задача решена в полном объеме, однако для практического производства устройства данных недостаточно. Необходимая информация может быть получена в результате дополнительных исследований, необходимость которых в техническом задании настоящего курсового проекта не указывается.
Таким образом, в данной курсовой работе был разработан усилитель-корректор на транзисторах КТ911А и КТ939А, имеющий следующие технические характеристики:
Полоса рабочих частот 10-200 МГц
Подъём АЧХ 5 дБ
Амплитуда выходного напряжения 5В
Коэффициент усиления 50дБ
Напряжение питания 10В
Сопротивления генератора и нагрузки 50 Ом
Список использованной литературы
1. Полупроводниковые приборы : Транзисторы. П53 Справочник / В.Л. Аронов, А.В. Баюков, А.А. Зайцев и др. Под общ. ред. Н.Н. Гарюнова. – 2-е изд., перераб. – М.: Энергоатомиздат, 1985 – 904 c., ил.
2. Мамонкин И.Г. Усилительные устройства: учебное пособие для вузов. – М.: Связь, 1977г.
3. А.А. Титов, Л.И. Бабак, М.В. Черкашин. Электронная техника. сер. СВ – техника. Вып. 1 (475), 2000
4. Титов А.А. Расчет корректирующих цепей широкополосных усилительных каскадов на биполярных транзисторах – http://referat.ru/download/ref-2764.zip
5. Титов А.А. Расчет корректирующих цепей широкополосных усилительных каскадов на полевых транзисторах – http://referat.ru/download/ref-2770.zip
| РТФ КП 468730.009 ПЭ3 | ||||||||||
| Изм. | Лист | № Докум | Подпись | Дата | ||||||
| Выполнил | Ломакин Д.С. | Широкополосный усилитель с подъёмом АЧХ Принципиальная схема | Лит | Лист | Листов | |||||
| Проверил | Титов А.А. | 2 | 4 | |||||||
| Принял | ТУСУР, РТФ, гр.148-3 | |||||||||
Поз.обознач. | Наименование | Кол. | Примечание | ||||||||||
| Конденсаторы ОЖО.460.107ТУ | |||||||||||||
| С1 | К10-17а-120пФ± 10% | 1 | |||||||||||
| С2 | К10-17а-82пФ± 10% | 1 | |||||||||||
| С3 | К10-17а-56пФ± 10% | 1 | |||||||||||
| С4 | К10-17а-470пФ± 10% | 1 | |||||||||||
| С5 | К10-17а-12пФ± 10% | 1 | |||||||||||
| С6 | К10-17а-27пФ± 10% | 1 | |||||||||||
| С7 | К10-17а-1нФ± 10% | 1 | |||||||||||
| С8 | К10-17а-12пФ± 10% | 1 | |||||||||||
| С9 | К10-17а-4,7нФ± 10% | 1 | |||||||||||
| С10 | К10-17а-39пФ± 10% | 1 | |||||||||||
| С11 | К10-17а-47пФ± 10% | 1 | |||||||||||
| С12 | К10-17а-3,3нФ± 10% | 1 | |||||||||||
| С13 | К10-17а-47пФ± 10% | 1 | |||||||||||
| С14 | К10-17а-560пФ± 10% | 1 | |||||||||||
| С15 | К10-17а-12пФ± 10% | 1 | |||||||||||
| С16 | К10-17а-4,7пФ± 10% | 1 | |||||||||||
| Дроссели ОЮО.475.000.ТУ | |||||||||||||
| L1 | 88нГн | 1 | |||||||||||
| L2 | 12нГн | 1 | |||||||||||
| L3 | 170нГн | 1 | |||||||||||
| L4 | 245нГн | 1 | |||||||||||
| РТФ КП 468730.009 ПЭ3 | |||||||||||||
| Изм. | Лист | № Докум | Подпись | Дата | |||||||||
| Выполнил | Ломакин Д.С. | Широкополосный усилитель с подъёмом АЧХ Перечень элементов | Лит | Лист | Листов | ||||||||
| Проверил | Титов А.А. | 2 | 4 | ||||||||||
| Принял | ТУСУР, РТФ, гр.148-3 | ||||||||||||
Поз.обознач. | Наименование | Кол. | Примечание | |||||||||||
| L5 | 46нГн | 1 | ||||||||||||
| L6 | 170нГн | 1 | ||||||||||||
| L7 | 80нГн | 1 | ||||||||||||
| L8 | 13нГн | 1 | ||||||||||||
| L9 | 8мкГн | 1 | ||||||||||||
| L10 | 22нГн | 1 | ||||||||||||
| Резисторы ГОСТ 7113-77 | ||||||||||||||
| R1 | МЛТ – 0.25 –470 Ом ± 10% | 1 | ||||||||||||
| R2 | МЛТ – 0.25 –56 Ом ± 10% | 1 | ||||||||||||
| R3 | МЛТ – 0.25 –22 кОм ± 10% | 1 | ||||||||||||
| R4 | МЛТ – 0.25 –15 кОм ± 10% | 1 | ||||||||||||
| R5 | МЛТ – 0.25 –1,2 кОм ± 10% | 1 | ||||||||||||
| R6 | МЛТ – 0.25 –4,7 кОм ± 10% | 1 | ||||||||||||
| R7 | МЛТ – 0.25 –150 Ом ± 10% | 1 | ||||||||||||
| R8 | МЛТ – 0.25 –3,9 кОм ± 10% | 1 | ||||||||||||
| R9 | МЛТ – 0.25 –2,7 кОм ± 10% | 1 | ||||||||||||
| R10 | МЛТ – 0.25 –180 Ом ± 10% | 1 | ||||||||||||
| R11 | МЛТ – 0.25 –1,8 кОм ± 10% | 1 | ||||||||||||
| R12 | МЛТ – 0.25 –47 Ом ± 10% | 1 | ||||||||||||
| R13 | МЛТ – 0.25 –560 Ом ± 10% | 1 | ||||||||||||
| R14 | МЛТ – 0.25 –390 Ом ± 10% | 1 | ||||||||||||
| R15 | МЛТ – 0.25 –27 Ом ± 10% | 1 | ||||||||||||
| РТФ КП 468730.009 ПЭ3 | ||||||||||||||
| Изм. | Лист | № Докум | Подпись | Дата | ||||||||||
| Выполнил | Ломакин Д.С. | Широкополосный усилитель с подъёмом АЧХ Перечень элементов | Лит | Лист | Листов | |||||||||
| Проверил | Титов А.А. | 3 | 4 | |||||||||||
| Принял | ТУСУР, РТФ, гр.148-3 | |||||||||||||
Поз.обознач. | Наименование | Кол. | Примечание | |||||||||||
| Транзисторы | ||||||||||||||
| V1 | 2Т 9111 аА О.339.542 ТУ | 1 | ||||||||||||
| V2,V3 | KT 939 aA o.339150ТУ | 2 | ||||||||||||
| РТФ КП 468730.009 ПЭ3 | ||||||||||||||
| Изм. | Лист | № Докум | Подпись | Дата | ||||||||||
| Выполнил | Ломакин Д.С. | Широкополосный усилитель с подъёмом АЧХ Перечень элементов | Лит | Лист | Листов | |||||||||
| Проверил | Титов А.А. | 4 | 4 | |||||||||||
| Принял | ТУСУР, РТФ, гр.148-3 | |||||||||||||
















